夏普32LX335、32A15DA、32LX235、32BX350、32NX155A、32NX230A、32LX150A型LED平板彩电所用的电源板基本相同。该电源板在社会上拥有量大,但在夏普维修手册中因为没有该电源板的电路图,使得维修极为困难,为此,笔者特地根据实物画出该电源板的电路图,以解决该电源板维修之急需。
该机的电源板是主开关电源与LED背光电路二合一板,因为是32英寸平板彩电,整机耗电量小,故220V整流之后的300V脉动电压直接加给主开关电源电路,没有PFC电路。主开关电源芯片采用8脚双列直插MIP004,背光电路采用14脚双列贴片MP24830。
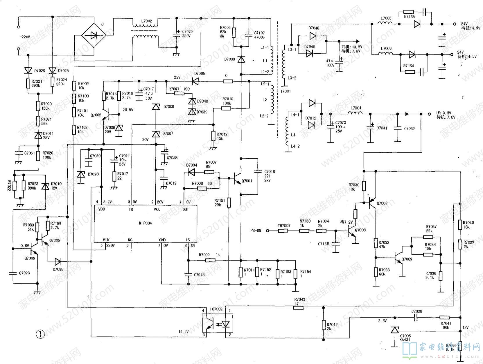
一、主开关电源电路
电路见图1所示。主开关电源芯片MIPO04各引脚功能;⑤脚;振荡启动电压输入端。AC220V整流滤波成300V后经大阻值电阻限流降压加到此脚,经IC内部恒流源为IC启动振荡供电。因为串联的限流电阻阻值大,使此启动电路供给的电能很小,仅能维持芯片振荡1s左右。如果芯片②脚不能得到来自外部电路更大的电能供电,仅凭⑤脚输入的启动电压,IC会处在微弱的间歇振荡状态。正常工作时,⑤脚电压为320V。②脚:在开关电源没有启动工作前,由⑤脚提供启动电压加到②脚内部振荡电路,开关电源因此得以启动振荡。开关电源进入正常工作状态后,开关电源变压器辅助绕组产生的感应电压经整流后得到20V,加到②脚为振荡电路提供足够的供电,使芯片持续工作。正常工作时②脚电压为20V。④脚:有两个功能,一是开关电源的误差电压输入端,一是开关电源AC检测电路产生的保护电压也加到该脚。当220V市电电压下降到100V以下时,为了防止开关电源管过流损坏,此时把高电平加到④脚关闭振荡。④脚正常电压为5.7V。①脚:开关管驱动脉冲输出接大功率MOS开关管的G极,实测是OV。⑧脚:开关管过流检测输入端。大功率MOS开关管S极到地一般串联一只0.25Ω的电流取样电阻,在其上产生的压降加到⑧脚,当开关管过流时⑧脚的输入电压会升高,触发IC内部的过流保护电路动作,关闭开关电源的振荡,以防止烧坏零件。⑧脚正常为0V。⑦脚:接地。③脚:开关管导通触发输入端。与开关电源变压器的辅助绕组相连,当MIP004芯片的①脚输出正脉冲电压时,MOS开关管导通,+300V电压经开关变压器的初级绕组和开关管的D-S到地,该电流把市电的电能储存到开关变压器中。
当开关管截止时,开关变压器的次级产生正的方波电压,经整流二极管整流和大电解电容滤波得到的直流电压为整机供电,把开关变压器中储存的市电电能向负载供电(把变压器中储存的电能向负载释放)。与此同时,辅助绕组产生正相脉冲电压加到IC芯片的③脚,经IC内部电路的作用维持①脚输出0V(维持开关管的截止),让变压器在开关管. 截止期间持续为负载供电。当开关变压器中储存的电能向负载释放完毕时,开关变压器各绕组感应电压变成0V,辅助绕组产生的感应电压也下降到0V,辅助绕组感应电压下降到0V的瞬间加到③脚的脉冲电压由正变成0V,称此为“过零点",芯片内部的过零检测电路据此触发IC部数字电路状态翻转,使①脚输出由0电平翻转到高电平加到开关管的G极,开关管再次导通,为开关变压器再次充入市电的电能,进入下一周期的工作过程。
主开关电源的工作流程:220V交流电经全桥D整流、L7002和C7079滤波得到300V脉动直流电压,经开关变压器T7001的L1绕组加到开关管Q7001的D极,L1并联的R7006、C7107、D7003、C7016用于吸收当开关管由导通到关闭转换时刻产生的尖锋电压,防止此尖峰电压击穿开关管、Q7001的S极到地接有四只并联的12电阻(R7011、R7152、R7153、R7154),用于限制开关管的峰值电流。开关管在导通时,S极的电流流过这四只电流取样电阻,转化成反映开关管电流成正比的电压,经R7009加到IC的过流保护输入端⑧脚。当开关管过流时,⑧脚的电压同比升高超过电流保护的门限,引发IC内部的过流保护电路动作,关闭①脚的驱动脉冲输出,以防止烧坏零件。
①脚输出开关管驱动脉冲:①脚到开关管的G极之间,接有D7004、R7007、R7008(阻值很小,仅68Ω),用于产生较大的开关管G极驱动电流,让开关管快速从截止状态转换到饱和导通状态,以降低开关管的开启损耗。R7007、D7004反向接在IC的①脚与开关管的G极之间,目的是加速开关管从导通到截止的转换速度,降低开关管的关断功耗。当IC的①脚输出从高电平跳变到低电平时,会关断开关管,因为有D7004的导通,开关管G极存储的电荷可以同时经R7007、D7004、R7008、IC的①脚泄放到地,这就加快了开关管关断的速度。
在开关管截止时,当开关变压器中储存的电能向负载泄放完时,开关变压器T7001的辅助绕组L2上端的脉冲电压由正跳到oV,形成触发脉冲的下降沿(称为过零脉冲),该下降沿电压经R7010、R7012分压后加到IC的③脚,通过③脚内部电路的作用,从①脚输出正脉冲的前沿,接通开关管,让开关变压器再次充入市电的电能,开启下一周期开关电源的工作。
IC的持续供电:开关变压器辅助绕组L2产生的脉冲电压经D7005整流、C7017滤波后提供20V供电。②脚外电路中稳压管D7008、Q7002组成稳压电路,为IC提供一个稳定的供电。D7008的稳压值是20.5V,L2 次级经D7005整流得到的22V电压,R7016、D7008串联稳压,得到稳定的20.5V接Q7002基极,从发射极输出经稳压的20V加到Ic②脚。
IC的过压保护:当开关电源稳压异常,开关电源输出的电源电压过高时,L2绕组经D7005整流后的电压也同比升高,稳压管D7006、D7007就会击穿导通,把异常升高的电压加到IC的②脚,②脚内部的过压保护电路就会启动,关断①脚的驱动输出,防止损坏零件。
AC检测电路:AC检测电路的目的,是为了防止当市电电压过低时,引起开关管过流损坏。当AC220V供电降低时,为了保持开关电源输出给整机的供电电压稳定不变,就要增大开关管的导通宽度,增大开关管的峰值电流,以此来维持开关电源输出的电压不随AC220V下降而同步下降。当AC220V市电低于100V时,开关管的峰值电流会变得很大,开关管易出现过流损坏,为此,设置了AC检测电路。本机的AC检测电路由稳压管D7011、D7010、Q7006、Q7005组成。输入的AC220V市电,经D7025、R7024和D7026~R7021整流后合并成-路,得到全 波脉动电压,再经R7090、R7091、28V 稳压管D7011、R7020、R7022、R7023分压电路分压,在R7022上分得的电压再经12V稳压管D7010加到Q7006的基极。当市电电压高于AC100V时,加在上述串联电路的电压足够高,引起两个稳压管D7011、D7010导通,高电平加到Q7006的基极,Q7006导通,Q7005.D7038截止,不影响IC芯片④脚的电压,IC正常振荡工作;当市电电压降低到AC100V时,稳压管D7011.D7010截止,Q7006截止,Q7005导通该管发射极输出的高电平经D7038加到IC芯片的④脚,引起IC内部保护电路动作,关断①脚的驱动输出,开关电源停止工作,防止损坏开关管。
开关电源的稳压过程:开关变压器T7001次级I4绕组产生的感应电压,经D7012整流,C7073、L7004、C7031滤波,得到UR13.5V电源电压为主板供电。该电压经下述分压取样电路进行取样:在R7036上分得的取样电压加到误差放大器IC7005的控制端,误差放大器的输出端接稳压隔离光耦IC7002的②脚(发光管负极);同时, UR13.5V电压经R7043限流加到IC7002的①脚(发光管正极)。当开关电源的输出电压UR13.5V比标准值升高时,R7036上分得的电压也同比升高,IC7005控制极电压升高,IC7002内发光管发光变强,④、③脚间内部阻值变小,电流变犬,④脚电压升高,引起开关电源块①脚输出的正方波变窄,开关管导通变窄,T7001初级绕组电流变小,储能变少,引起次级输出电压降回到正常值。
电源板的开/关机控制:主板微处理器对电源板发出电源开、关的控制电压PS-ON,加到电源板P7002的⑦脚,对Q7008、Q7007、Q7009进行开/关机控制。当主板对电源板发出开机指令PS-ON为高电平3.3V时,经R7158、R7034加到Q7008的基极,Q7008导通,集电极为低电平,PNP的Q7007导通,集电极输出高电平,Q7009导通,把R7037/R7038左端接地。稳压电路的下取样电阻由R7036、R7037、R7038组成,这使得取样电路的下取样电阻阻值变小,分压也降低,加到误差放大IC7005控制极电压下降,IC7002电流变小,④和③脚间的内阻变大,③脚加到开关电源块④脚的电压下降,①脚输出的正脉冲宽度变宽,开关管导通宽度变宽,开关变压器储能变多,次级输出电压升高到开机时的标准值13.5V。、而当主板发给电源板的PS-ON为低电平0V时,因为Q7008截正,Q7007.Q7009截止, R7037、R7038到地开路,此时下取样电阻仅由R7036构成。因为没有电阻的并联,下取样电阻R7036上取样电压升高导致IC7005控制极电压升高,IC7002电流变大,④和③脚间内阻变小,开关电源IC的④脚电压升高,开关电源的输出降低到7.8V。
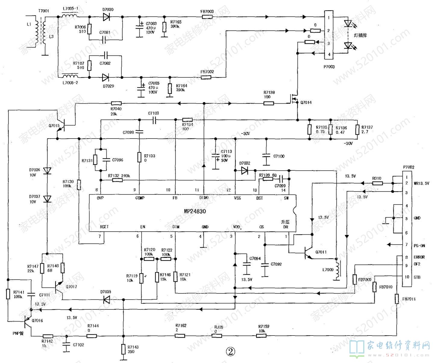
二、LED背光驱动电路

电路图见图2。MP24830引脚名称和功能见表1。值得注意的是:LED的亮度调节并不是通过调节输出电压高低来实现,而是通过调节LED亮暗占空比来实现的,就是说,LED是交替亮暗的,这个交替频率高,人眼无法分辨出来,通过调节在一个周期中亮的时间和暗的时间比来达到调节整体亮度。

LED背光电路是一个恒流电路,保证流过LED灯串的电流保持稳定。主开关电源变压器T7001次级的L3绕组产生的感应电压,经双线并绕的L7005加到整流管D7030、D7029的正极,分别经过C7083、c7085滤波得到稳压的24V直流电压。在待机时该电压降低到14V。该电压加到LED灯插座P7003的①脚和②脚上,分别为两组LED灯串供电。
主开关电源变压器T7001产生的UR13.5V电源电压,一路直接加到MP24830的③脚作为VDD供电,另一路经过FB7005(0.1Ω电流取样电阻)加到升压开关管Q7011的D极及芯片的过流检测输入端②脚CS端。
背光调光原理:主板发出的背光亮度调节电压OFL加到电源板插座P7002的⑨脚,再经R7121加到芯片⑤脚,在芯片内部处理后从11脚输出调光方波,经R7138加到调光开关管Q7014的G极。当芯片⑤脚的输入电压升高时,11脚输出的LED驱动脉冲串个数多时间宽度加宽,Q7014导通的周期个数多,LED背光管发光时间长,人眼感觉屏幕亮度变强。
LED背光的开启与关闭:主板送来的背光开、关控制电压经P7002的10脚STB进入LED电源板,经R7119加到芯片的⑥脚。当STB为3V高电平时,芯片⑥脚随之为高电平,芯片内部的背光电路开始工作,从11脚输出调光方波, Q7014开始导通,LED背光开始发光。
升压电路的工作原理:芯片①脚输出驱动方波加到升压开关管Q7011的G极。当正方波到来时,Q7011导通,产生的电流经P7002的①~③脚UR13.5V电源电压、R010、Q7011的D极-s极、L7009到地。电流流过L7009把主开关电源UR13.5V送来的电能储存在L7009之内。当芯片①脚输出的方波变为低电平时,Q7011截止,此时L7009产生感应电流经L7009的下端到地,再到储能电容C7113、续流二极管D7032及I7009的上端,构成闭合回路。上述电流给C7113充电,为下正上负,在C7113的负极到地产生-30V的电压加到LED调光开关管Q7014的S极,该-30V的电压与主开关电源送来的24V正电压串联叠加,作为LED背光灯串的供电总电压。
由以上的分析看出:背光芯片输出了两个驱动脉冲,一是11脚的DIMO,二是①脚的DR。这两个驱动各有什么功能?作用有什么不同呢?在LED背光电路中,背光的亮度调节不是依靠改变LED灯的电流和电压来实现的,反之应当保持LEd灯电流稳定不变,改变LED灯的亮度是靠改变LED灯发光与不发光,这两种状态的时间比来达到调光的目的。如果LED发光的时间短,而不发光的时间长,如此快速转换,转换频率高于47Hz,则人的眼睛感到发光比较暗,而且人眼睛感觉不到光的闪烁,感觉到的是稳压的光;如果发光时间长,而不发光时间短,则人的眼睛感到发光强、亮度高。
背光芯片11脚输出的是有间隔、断续的驱动脉冲串,改变前后脉冲串与串的问隔长短就能调光。而背光芯片①脚输出的DR驱动脉冲,是为了保持LED灯电流的稳定恒定。LED灯在刚开机或是在冬天的低温环境中,在工作电压不变的前提下,LED灯电流会偏小,发光会偏暗;而在夏天或是连续开机时间长了以后,LED灯温度很高,在同样的工作电压下,LED灯电流会增大,发光会变强。LED灯电流随温度的变化会缩短灯的寿命,同时LED灯发光的光谱和色温都不好。为此,需要调节背光芯片①脚DR驱动脉冲的宽度,改变LED灯的工作电压,使LED灯的电流保持在最佳值上。
过压保护OVP电路:C7113负极的-30V电压,经过R7131、R7132分压取样,把取样电压加在芯片的⑧脚。当该电压高于1.2V时,⑧脚内部的过压保护电路动作,让背光电路停止工作。
LED灯串的稳流电路:LED灯串电流流过Q7014 S极的电阻R7135~R7137,把LED灯串的电流转化成取样电压,经R7134加到芯片的反馈FB端10脚。当流过LED灯串的电流超过LED最佳电流时,加到①脚FB的友馈电压升高,经过芯片内部电路的作用,把芯片①脚输出的升压驱动正脉冲宽度变窄,使Q7011导通变窄,L7009中储能变少,使C7113负极电压降低,这使LED灯串的供电电压降低,使LED灯串的电流降回到最佳值之内。
升压开关管的过流保护电路:升压开关管Q7011的电流流过R010,在该电阻上产生压降。当升压开关管过流时,R010的左端电压下降,把该取样电压加到芯片的过流保护输入端②脚Cs,芯片内部的过流保护电路动作,关断芯片①脚的输出,使升压电路停止工作,防止损坏零件。
芯片13脚和14脚是自举升压电路,作用是确保①脚输出的驱动脉冲幅度足够高,可靠地打开或关闭升压开关管Q7011。
背光故障指示电压ERROR的产生:背光电路工作正常时,从背光芯片的11脚输出驱动脉冲加到Q7015的b极,该管导通,把PNP三极管Q7016的b极接到低电平,Q7016的e极接的是13.5V供电,因此该管导通,c极输出13V,经过R7142、R7143分压得到3V电压。如果没有Q7017的作用,就会通过R7159送到P7002插座的⑧脚输出ERROR背光故障指示3V高电平。现在我们再来看看Q7017是如何工作的,升压电路在C7113的负极得到-30V电压,这个电压将击穿两个10V的稳压管D7036、D7037,负压经过R7148加到Q7017的e极,而该管的b极接地,该管导通,经过D7035的导通,把R7143的上端接到低电平,防止输出ERROR保护高电平。如果升压电路故障,没有产生-30V电压,则Q7017截止,Q7016的c极输出的高电平,就会经过R7142.R7159输出高电平,经P7002的⑧脚输出背光故障ERROR高电平。
三、故障实例
例1:通电后三无,面板指示灯不亮,电视机没反应。分析检修:三无故障一般是电源电路没有工作,检测发现AC220V保险F7001烧断,由此判断保险后面的整流、滤波、开关管必定有击穿短路的地方,检测AC220V整流桥,发现一臂击穿,换新后,没有发现其他零件还有问题,通电开机,故障排除。
例2:故障现象同例1。分析检修:测量整流桥输出端有300V电压,测量主开关电源变压器T7001的次级没有24V和UR13.5V电源输出,检测AC检测电路,发现28V稳压管D7011开路,换新后,故障排除。
