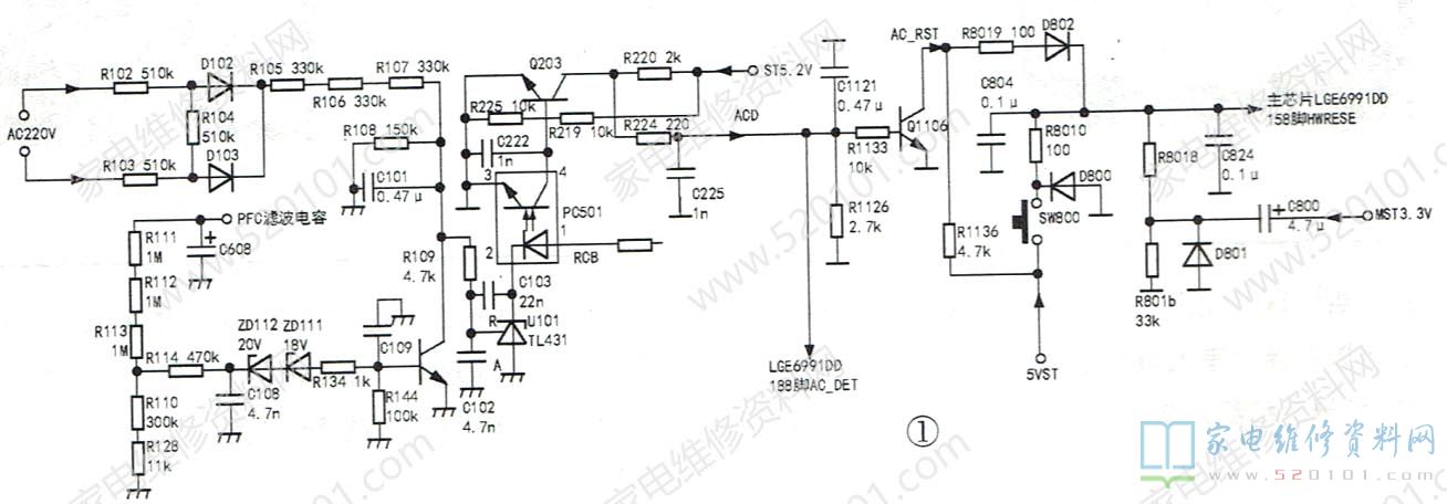
接修一台LG 32LG30R-TA液晶电视,该机收看中会突然无光无声,面板上的红色指示灯闪烁几次后重新启动,正常工作一会儿自动停机,随后又自动重启,如此反复。根据以往经验,LG液晶电视中有一个贴片复位按钮,其漏电会引起此类故障,拆除此按钮即可。该机的复位电路如图1所示。上电时,MST3.3V电压经C800、R8018给主芯片LGE6991DD的248脚(HWRESET)加上一个高电平,当C800充电结束后,248脚变为低电平,复位完成。线路图上有SW800和D800、R8010、C804,但实物上没安装。如果C800漏电将引起此故障,实测D801负端电压为0.1V很稳定,拆下C800检测无漏电现象。
HWRESET线上还有一路从电源板过来的ACD(AC DOWN交流电压下降)信号,其工作原理如下:220V交流电压经R102、R103降压及D102、D103整流后,经R105~R108取样分压后通过R109送到U101的R极。正常情况下,U101的R极电压大于2.5V,U101、光耦PC501导通,Q203截止,ACD信号为5V高电平送到主板后分两路,一路送至芯片188脚内部的CPU,另一路经Q1106反相变成低电平AC_ RST信号,D802截止。如果交流电压过低,U101的R极电压低于2.5V,U101处于高阻抗状态,PC501截止,Q203导通,ACD信号变为低电平,主芯片收到此信号让POW ON端变为低电平,主电源停止工作;同时Q1106截止,AC_ RST信号变为高电平,D802导通,HWRESET变为高电平,主芯片进入复位状态。
PFC滤波电容C608上的电压经R111~R113取样,R110、R128分压,经R114和ZD112、ZD111、R134送至Q112的b极。当PFC电压过高时,ZD112、ZD111击穿,Q112导通,U101的R极电压小于2.5V,U101和PC501截止,Q203导通,ACD信号变为低电平,主芯片输出的POW ON信号变为低电平,主电源停止工作;同时,AC_ RST信号变为高电平,主芯片进入复位状态。和前面交流电源电压过低保护不同的是,主电源停止工作后,PFC电压立即降低,ACD信号又恢复为高电平,主芯片完成复位过程后又会发出POW ON开机信号,主电源又开始工作,机器进入正常工作状态。
根据上述分析,本机故障现象和PFC电压过高保护引起的现象相吻合。监测PFC电压为稳定的390V,检查R111~R114及ZD112、ZD111、Q112都正常。检测中发现,用数字万用表表笔一碰Q112 的b极故障马上出现,再看实物,发现C109电容未装。由于R144阻值较大,两只稳压管也处于截止状态,表笔的感应电压使Q112导通了。取一只0.1uF电容接在C109位置,再用表笔接触Q112的b极没有反应,连续试机4小时故障未复发,以为故障原因是漏装C109受外界干扰引起误保护。交客户使用3天后故障复发,同时客户还提供了另一个情况:连续开机4小时后遥控会失灵,但图像和声音还是正常的。拔下键控和遥控连接线,同时把PC501的③、④脚短路,以排除保护电路的影响,但故障依旧,这说明第一次维修方向错了,问题可能在主板上。
多次试机发现,冷机时需较长时间才出故障,热机时很快就出故障,感觉故障似乎和温度有关。手摸主芯片比较热,但加装散热片无效。监测1.2V、1.8V和2.5V电压(分别由三端稳压器IC1103、IC1108、IC1101输出)都很稳定。用电烙铁分别加热这三个稳压器的散热片端,发现加热IC1103时故障马上出现,判断此稳压电路有问题,如图2所示,经查IC1103外围元件正常,判断IC1103有问题,但换新后无效。笔者用4位半数字万用表2V挡监测1.2V输出电压,正常时电压为1.2537V, 加热稳压器时电压并没有大幅波动,只是最后两位有变化。考虑到主芯片内核电压要求较高,在R1166上并联电阻使输出电压升到1.29V,机器工作正常。也曾怀疑IC1103散热片旁边的双面线路板的过孔有问题,把IC1103装到别的地方后,对原来的地方再次加热故障不再出现,加热装在远处的IC1103时故障出现,这说明故障和线路板无关。

此机虽能正常工作,但故障原因仍不清楚,是否已彻底排除也不能肯定。如果故障原因系1.2V电压过低所致,那为什么加热IC1103时,输出电压的小幅波动也会引发故障呢?望指教!