松下TH-L32X15C液晶电视显示视频2字符无图像的维修

2022-04-23 21:45:50  阅读 922 次 评论 0 条
摘要:

接修一台松下TH-L32X15C液晶彩电,故障表现为开机后伴音正常,背光亮,屏显“视频2”字符,无图像。把本机输出的视频信号送给另一台电视机,图像正常;从HDMI高清端子输入信号,图像也正常,这说明模拟视

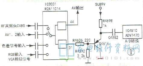
       接修一台松下TH-L32X15C液晶彩电,故障表现为开机后伴音正常,背光亮,屏显“视频2”字符,无图像。把本机输出的视频信号送给另一台电视机,图像正常;从HDMI高清端子输入信号,图像也正常,这说明模拟视频信号处理电路有问题。该机模拟视频信号流程简图如图1所示,各路模拟信号经IC3001选择后从31脚输出,由Q4516缓冲放大后送往IC4510,将模拟信号转换成数字信号。

松下TH-L32X15C液晶电视显示视频2字符无图像的维修 第1张

      为了判断IC3001的31脚是否输出了视频信号,通过隔直流电容将该脚和正常机的AV输入端相连,开机后没有图像,这说明问题在IC3001芯片内部。尝试把机顶盒视频信号通过一只隔直电容加到Q4516的b极,开机后图像正常。这样改接后虽只有一路AV输入,但影响不大,且HDMI仍然可以正常使用。事后分析,由于AV输出信号正常,也可以把该信号送到Q4516的b极。另外,如不改动电路,可购买一个AV转HDMI的转换器,即将机顶盒输出的模拟信号转换成HDMI信号。

版权声明:本文为转载文章,版权归原作者所有,欢迎分享本文,转载请保留出处!