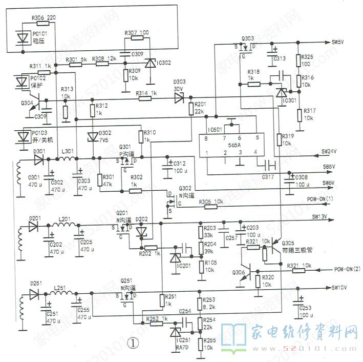
该机副电源次级电路如下图1所示(夏普32AK7、32BK7型机电源电路相同),开关变压器次级有3个绕组,整流二极管D301、D201和D251在待机时分别输出6V、17V、15V电压。本电源稳压电路只对6V输出电压取样,二次开机后,D201、D251的输出电压分别降到15V和12V。
D301 输出的6V电压经R301、R308和R309分压后,接IC302的R极.IC302是一块贴片5脚芯片,丝印型号是FA7D (IC201、IC251以及IC301均为FA7D)。从引脚接法以及功能来看,应该等同于常用的三端稳压芯片TL431,如图2所示。
  
 
C309和R307是防止IC302发生振荡而设置的阻尼电路。当IC302的R极电压达到2.5V时导通,流过光耦PC101发光管的电流增加,电源初级振荡频率降低,以稳定输出电压。6V电压分三路:一路送IC501的⑤脚和⑧脚。IC501是一块贴片8脚芯片,是一块低压差5V稳压块。由于输入、输出电压差只有1V,故用普通的7805是不能正常工作的。IC501 的①脚输出SB5V电压,这个电压上电就有。另一路接Q301的S极。Q301是P沟道管,G .极接Q302。当主板发出POW-ON(1)信号为高电平时,Q302导通,Q301因G极为低电平导通,输出SW6V(SW指经过开关控制的输出电压)。还有一路接由Q303和IC301组成的5V稳压器。Q303是一个N沟道管,其G极除受IC301控制外,还受Q305控制。只有当主板输出的.POW-ON(2)信号是高电平时,Q306导通,Q305因b极为低电位也导通。因为Q303的G极电压须高于S极3V以上才能导通,所以Q305的e极接D251输出的15V电压,这一路输出SW5V电压。R325R316、R317是取样和分压电阻,由IC301进行稳压控制,C313是消振电容。
D201输出17V电压,Q201和IC201组成13V稳压电路。Q201 的G极除受IC202控制外,还受主电源24V控制。只有当主电源开始工作并输出24V电压后,Q201的G极才能通过R201得到高于S极3V以上的电压,这时Q201导通,输出sW13V电压。R203、R204、R105是取样分压电阻,通过IC201进行稳压控制。由于Q201的G极接24V电压,如果sW13V输出电压跌落甚至消失,则Q201的G.S极易过压击穿,所以在Q201的G.S极间接有一只稳压管D202(15V)。
D251 输出15V电压,由Q251和IC251组成的10V稳压电路控制。只有SW13V电压正常输出后,Q251的G极才能得到3V电压而导通,输出SW10V电压。R253~R255是取样分压电阻,通过IC251进行稳压控制。
该机主板有2路POW-ON/OFF信号输出:开机时,POW-ON( 1 )信号先变高电平,电源输出sW6V电压后,主板再发出高电平的POW-ON(2)信号。关机时,POW-ON(2)信号先变为低电平,然后POW-ON(1)信号才变为低电平,这是主板上电时序要求的。另外, SW6V电压正常输出以后,光耦PC103才导通,启动PFC电路和主电源工作。
D302和D303分别是副电源6V和主电源24V的过压取样稳压管。当上述电压过高时,相应稳压管导通,Q304导通,PC102导通,副电源初级电路停止工作,主电源也停止工作。
维修实例: 一台夏普32AK7型液晶彩电,上电后面板红灯亮;遥控开机,红灯刚变绿灯又马上熄灭,无光无声。拔下电源插头等一会再上电,红灯亮,始终无法开机。从故障现象看,一是负载有问题引起保护,二是过压引起保护。首先测各路输出电压对地电阻,没有短路现象。断开电源板和主板之间的连线,把POW-ON(1)和POW-ON(2)端连起来,再通过一个开关接SB5V,上电后测SB5V电压正常,闭合外接的开关后SB5V电压消失,这说明故障在电源板上,怀疑24V主电源过压。上电后用指针万用表(数字表反应较慢)监测保护光耦PC102的①、②脚电压,发现在外接开关闭合的瞬间,电压上升了一下,这说明确实过压保护电路动作了。监测主电源24V电压,发现电压上升到约20V就消失了,怀疑保护电路误动作。拆下D303检测,发现有漏电现象,换新后试机,故障排除。
 
								