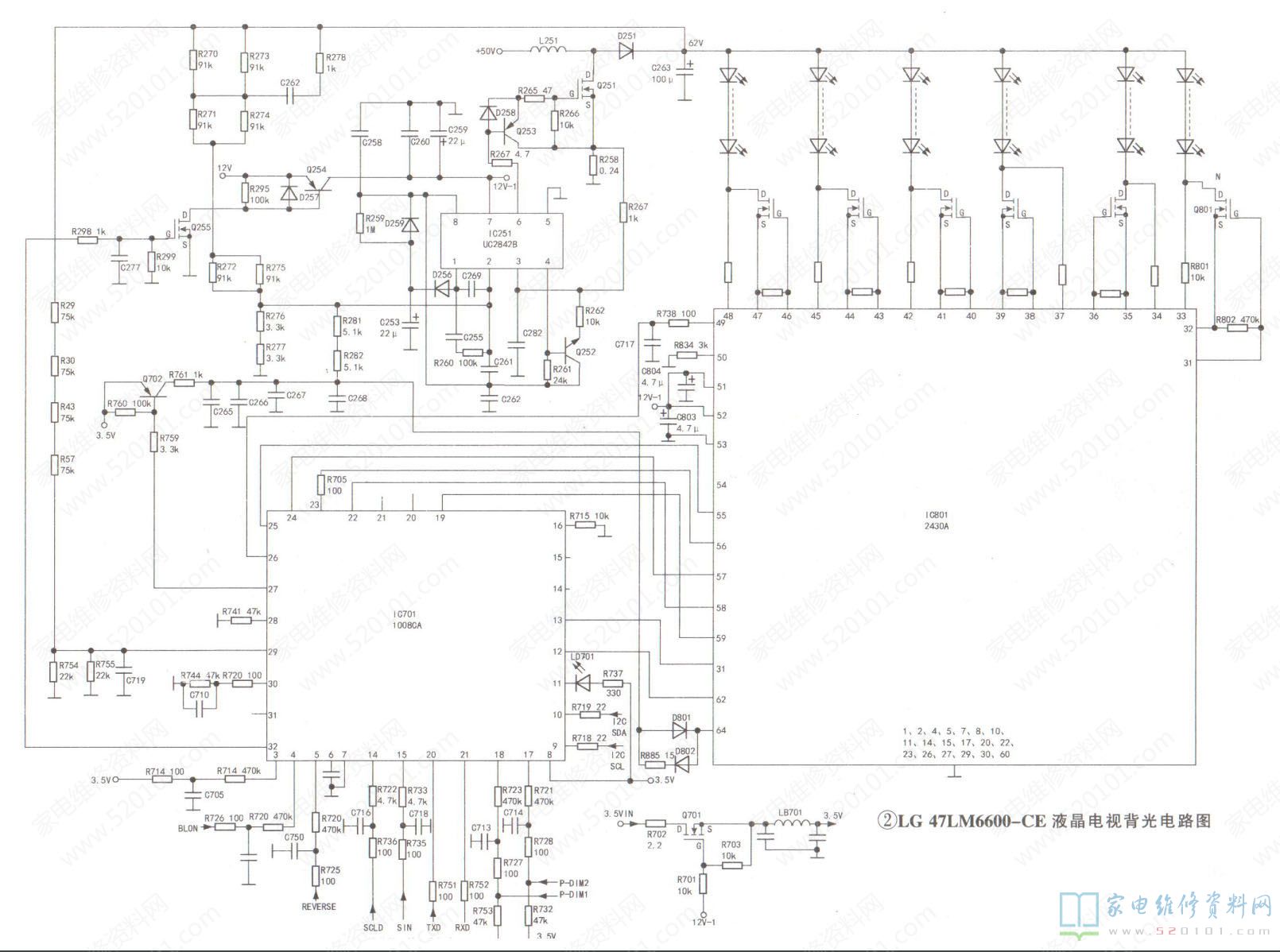
LG 47LM6600-CE液晶电视背光电路较复杂,由三块芯片组成,其信号流程如图1所示,实绘电路如图2所示。由于该电路结构和工作方式与常见的背光电路有所不同,所以检查和维修方法也有所区别,下面分别加以说明。
一、背光电路工作时序在电源板接收到主板发出的POWON信号后,主电源开始工作,输出3.5V、12V和50V三路电压,3.5V供给IC701( 1008CA),12V供给IC801(2430A)和IC251 (UC2842B),50V 供给升压电路。Q701的G极得到12V提供的偏置电压后导通,其S极输出3.5V电压,IC701的⑧脚经LB701、Q701和R702得到3.5V电压后开始工作。主板发出BLON信号(高电平)给IC701的④脚,IC701的32脚输出高电平,Q255导通,Q254因其b极通过R297得到偏置电流(为低电平)而导通,IC251的⑦脚得到12V供电开始工作,其⑥脚发出高频驱动脉冲,使Q251高速导通和截止在L251两端产生一个高频脉冲,该脉冲和50V电压叠加后由D251、C263整流滤波,然后供给LED灯条。
R258检测Q251的电流大小,其两端压降由R267送往IC251的③脚。当IC251 的③脚电压大于1V时,芯片停止工作,进入过流保护状态。R270~R277是升压电路输出电压取样电阻,其取样电压经R276、R277分压送往IC251的②脚,当该脚电压达到2.5V时,芯片内部电路使⑥脚输出的驱动脉冲宽度变窄,Q251导通时间缩短,则输出电压降低,从而达到稳压目的。
IC701工作后,输出控制信号给IC801的55、57~59、61、62脚 ,IC801从31~48脚输出信号,驱动6路场效应管导通,灯条点亮,此时灯条亮度为最大亮度(100%)。在主板完全启动后,存储器中保存的背光用户数据通过I2C总线送给IC701,IC701给IC801发送控制信号,IC801根据用户数据调节灯条电流。
二、背光电路的特殊之处
1.升压电路
常见的背光升压电路没有稳压环节,灯条的电流大小会影响输出电压的高低,若负载开路(如拔下灯条),输出电压会升高到正常值的1.5倍甚至更高,此时过压保护电路启动,升压电路停止工作。在检修这类背光电路时,拔下灯条,开机后测升压电路输出电压是否大幅升高,是判断升压电路工作是否正常的重要依据。
在本机中,背光电路有稳压环节,输出电压不受灯条电流大小影响,即使拔下灯条,输出电压也不会大幅上升,若按经验则会误判。另外,影响升压电路输出电压偏低的还有其他两路信号,具体情况在后面的维修实例中分析。
2.控制信号
本机主板送给背光电路的信号除背光开启信号(BLON )和调光信号(P-DIM)以外,还有一路总线信号(SCLSDA)和场同步信号(VSYNC),其作用是配合图像动态对比度、动态亮度、黑电平等调节的,可对6路灯条进行单独控制。另外,本机主板输出两路P-DIM调光信号,实测该信号一直为常高电平,没有控制作用。
三、维修实例
故障现象:上电开机后,背光亮,屏显“LG"字符,约四五秒后屏显消失,光栅变暗且闪烁,接着黑屏,但声音正常。
分析检修:从故障现象看,类似于灯条损坏情况。仔细观察,开机时屏幕亮度均匀并无暗区。另外,若灯条损坏,大都为一闪即灭,一般不会持续点亮四五秒。
开盖检查6路灯条,全部正常。上电测升压电路的输出电压,发现刚开机时为50V,随后升高到60V,背光点亮,四五秒后下降到55V,接着又回到了50V。 上述检测情况说明,升压电路已启动工作,由于某种原因使输出电压下降,引起背光灯电流很小,IC801检测到电流不正常后反馈给IC701,IC701的30脚向主板发出“背光错误”信号,主板输出的BLON信号变低电平,背光电路停止工作。另外,背光熄灭后,IC701的11脚间歇输出低电平,板载的LD701发出闪烁的红光。
决定升压电路输出电压高低的是IC251的②脚电压而大阻值的取样电阻在高电压下易漏电(含底胶漏电),从而使取样电压升高。本机背光电压仅为60V ,R270-R275的阻值仅为91k,发生漏电的可能性不大。实际检测所有取样电阻,均正常。细看电路,发现还有两路信号会影响取样电压:一路是Q702,另一路是IC801的64脚。
R29、R30、R43、R57和R754、R755组成过压取样电路,其取样电压送给IC701的29脚。当升压电路输出的电压过高,达到IC701的29脚阈值(2.5V)时,IC701的27脚输出低电平, Q702导通,3.5V电压通过R761、R282、R281加到IC251的②脚,②脚电压大幅上升,IC251停止工作,此为过压保护。C265~ C268是4只容量较大的贴片电容(根据体积估计),其作用应该是对Q702输出的过压保护信号进行延时,以避免瞬间脉冲引发误保护。经查,Q702正常,且黑屏时IC701的27脚一直为高电平。
测量IC801的64脚电压,在光栅亮度变暗时,该脚电压大于2.5V且波动。断开的64脚外围连线后开机,光栅亮度正常且不再黑屏,估计故障原因是IC801内部电路有问题。IC701 接收到用户数据,向IC801发出控制信号后,IC801内部工作状态出错,影响到升压电路的正常工作。断开IC801的64脚后,虽然动态亮度、动态对比度、黑电平延伸等功能无法实现,但对一般收看没有影响。
在检修过程中,笔者曾用示波器检测过P-DIM(调光信号)、VSYNC(帧同步信号)和SCL、SDA(总线信号),发现在背光点亮后前两个信号一直存在,而总线信号出现后背光马上变暗,由此认为主板发出的上述信号都是正常的,因为本机背光控制方式较特殊,如果主板发出的上述信号不正常,也会影响背光电路的工作。
另外,IC251的型号是UC2843,其电路结构和引脚功能与常见的UC3843完全一样,在民用产品中完全可以互换,主要区别在于前者能适应的工作温度范围较宽。

