飞利浦47PFL5403液晶电视深度待机状态的原理分析

2022-02-13 20:08:35  阅读 1000 次 评论 0 条
摘要:

接修一台飞利浦47英寸液晶电视,三无。经查,副电源芯片FSQ510烧坏。换新后试机,副电源输出的3.3V电压正常;连接好主板上电,面板红色指示灯亮,按机器侧面的“待机”按键,指示灯熄灭,但不开机,测主板送

       接修一台飞利浦47英寸液晶电视,三无。经查,副电源芯片FSQ510烧坏。换新后试机,副电源输出的3.3V电压正常;连接好主板上电,面板红色指示灯亮,按机器侧面的“待机”按键,指示灯熄灭,但不开机,测主板送往电源板的STBY信号(即电源开/待机信号)-直是低电平开机。为区分故障点是在电源板还是主板上,把STBY信号直接接地,发现电源板上主电源工作,输出的几组电压都正常,由此判断主板有问题,但更换主板后故障依根据经验,副电源芯片烧坏引起主板损坏的情况较少,主板如果短路却有可能烧坏电源芯片。查询该型机的维修资料,发现主板的STBY信号是从编号为7311芯片的③脚输出。7311是一块CPU专用芯片,型号是M30300SAGP.现在按“待机"键指示灯有变化,说明CPU已经工作了,难道是③脚内部电路损坏了?

      用示波器测其①脚和③脚外接晶振发现:在面板指示灯红灯亮时这两脚有脉冲波形,幅度为1.5V;按下“待机”键指示灯熄灭后,脉冲波形消失,电压升高到3.2V。想起部分夏普液晶电视在按下面板“待机”键后,机器会进入最低功耗状态,此时其他按键包括遥控器按键全部无效,只有再按“待机”键才能再次启动。再次上电按面板“待机”键面板红灯亮,再按遥控器“开/待机”键(红色),机内发出继电器吸合声,一会儿后屏幕亮了,送入视频信号,完全正常,这时面板指示灯为白色。试机发现,该机共有以下3种开待机状态:

(1)在正常开机状态下,面板指示灯发白光,用遥控器关机后,面板指示灯变红灯,机器进入待机状态,如果此时按一下 面板“待机"键,面板红灯熄灭,机器进入深度待机状态;

(2)在正常工作中按面板“待机”键,机器直接进入深度待机状态,面板灯不亮,这时候无法用遥控器开机,只有按面板“待机”键才能直接开机;

(3)记忆上次关机状态,如在正常工作时交流断电,再上电时则直接进入开机状态,如果上次是用遥控器关机的,则必须用遥控器开机,如果,上次是直接按面板“待机"键关机的,则只能仍然按面板“待机”键开机,无法用遥控器开机。

      在深度待机状态下,CPU内部大部分电路停止工作,包括晶振电路,所以这时无法再用遥控器开机,这样可以使待机功耗降到最小,适合长期不使用情况下的待机。本机原用户是用遥控器关机的(绝大部分用户都是这样关机的),FSQ510在待机状态下烧坏,由于机器有记忆功能,修好电源板后上电主板仍然处于待机状态,由于没有原配遥控器,原想换面板“待机”键开机(大部分机器这样做是可以正常开机的),却进入了深度待机状态,所以指示灯熄灭了,不开机。

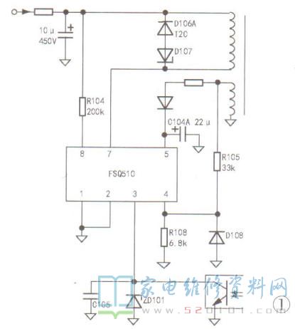
      另外,CRT彩电许多机型采用飞利浦机芯,部分机型遥控器(如金星彩电所用的SAA3010、G328061 .G328111等型遥控器)上的主要功能键可用于此机。再者,该机在面板红灯点亮的待机状态下,按面板.上的“频道+(P+)"或“频道-(P- )"键也能开机,当然在深度待机状态下是无效的。FSQ510烧坏后可用DH321.DM0165或者DM0365代换,外围电路连接关系如图1、图2所示。图1中的D106A是一只复合型二极管,型号是T2C,内部由一只900V耐压的二极管和一只160V击穿电压的稳压管串联而成,其作用是吸收芯片⑦脚内部开关管截止时产生的尖峰脉冲。用普通万用表测D106A两端阻值,正常时均为无穷大。如果D106A损坏,可以参考图2代换,换用普通的尖峰吸收回路。

飞利浦47PFL5403液晶电视深度待机状态的原理分析 第1张

飞利浦47PFL5403液晶电视深度待机状态的原理分析 第2张

版权声明:本文为转载文章,版权归原作者所有,欢迎分享本文,转载请保留出处!