TCL B32A739液晶电视黑屏的故障维修

2022-02-13 20:02:15  阅读 862 次 评论 0 条
摘要:

一台TCL B32A739型液晶彩电,上电后遥控开机,屏显示厂标,然后显示智能系统启动的百分比,启动到“100%”时,又显示“进入初始化程序”,随后黑屏,无声无光。同时用遥控器可以正常关机(面板灯变为红

        一台TCL B32A739型液晶彩电,上电后遥控开机,屏显示厂标,然后显示智能系统启动的百分比,启动到“100%”时,又显示“进入初始化程序”,随后黑屏,无声无光。同时用遥控器可以正常关机(面板灯变为红灯),但用面板上的电源“待机”键却无法关机。从故障现象看,似乎是软件数据出错引起启动不成功。观察线路板,该机主板上只有一只贴片封装存储器24C32(容量较小),存放的是用户数据,如亮度、对比度、音量及高频头频道数据等,通常与启动程序无关。对于部分机型而言,如果用户存储器中的数据错乱也会引起启动不成功。

        用户存储器大多可换用空白存储器,开机时CPU会给它写入一组出厂时的默认数据,并能正常开机。于是换上一块空白存储器后开机,不再黑屏,切换到AV输入状态,输入AV信号,屏显彩色的横条纹,像CRT彩电行不同步时的现象,但屏显字符是正常的,如图1所示。

TCL B32A739液晶电视黑屏的故障维修 第1张

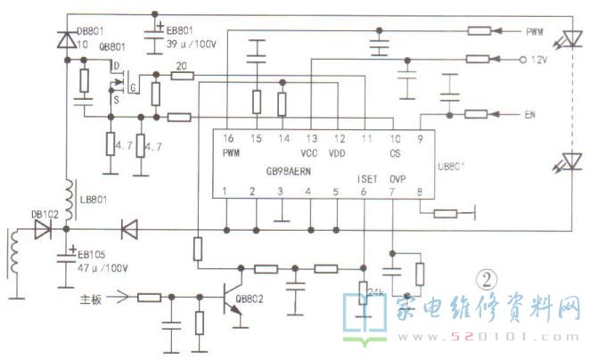
        根据故障现象分析。可能是CPU默认参数和屏幕不匹配,需要修改屏参,因客户的原配遥控器已遗失,同时也找不到此机进入维修模式的方法,于是找到该机存储器的数据,拷贝到空白存储器中再装.上开机,故障重现。两份数据同一个地方出错的可能性很小,看来不一定是软件问题。黑屏时测得逻辑板的12V是正常的,说明主板仍然处于开机状态,接下来检查背光电路。该机背光芯片采用的是GB98AERN(UB801),实绘相关电路如图2所示。

TCL B32A739液晶电视黑屏的故障维修 第2张

         黑屏时,测得UB801的③脚12V供电正常,⑨脚(EN)也有3.3V电压,看来背光电路确有问题。仔细观察,在屏幕点亮时有两个不是很明显的暗区,怀疑灯珠损坏,同时发现每当启动到屏显“初始化程序”字样时背光就熄灭。为何背光会在固定的时间点熄灭呢?再次仔细观察,发现当出现“初始化程序”字样时,光栅先突然变暗,随后就黑屏了。监测DB801负端电压,待机时为65V,开机后上升到75V,黑屏后上升到80V,且基本不变,难道是过压保护误动作了? UB801的⑦脚是过压保护检测脚(oVP),没有外接检测元件。测LED灯条负端(UB801的①脚)电压,发现在背光暗下来时,该点电压会迅速.上升,黑屏后该点电压维持在40V。为何背光暗下来时UB801的①脚电压会大幅.上升呢?

         分析认为:本机每次开机时背光自动处于最高亮度状态(此时亮度并不受用户预先设置好的亮度数据控制),从而导致背光负载较重,DB801负端电压较低;同时,灯条中通过的电流较大,所以灯条两端压降较大,LED灯条负端电压较低。随着主板上多个电路进入开机状态,开关电源负荷增加。由于DB102输出的这组电压并没有稳压反馈环节,所以该组输出电压会有所升高。当启动到初始化程序后,CPU读入用户存储器内部预存的亮度控制数据,背光亮度降低(用户设置的亮度只有最高亮度的三分之一),则背光负载变轻,致使升压输出的电压更高;同时,由于通过灯条的电流下降,灯条两端电压降低,此时CPU发出调暗背光亮度信号, UB801内部恒流控制管内阻增加。在这几方面因素的作用下,UB801的①脚电压大幅上升,超过了芯片恒流控制的范围,使UB801进入保护状态。

         从屏幕暗区看,灯条中有较多的灯珠短路(串联电路中如有灯珠开路就一点不会亮)。用自制灯条测试仪测试,灯条电流为40mA,灯条两端电压为48V,从供电电压来看,明显偏低了。虽然灯珠短路较多,但分散在各处,所以对图像的影响不是很大,决定不换灯珠而是改动电路来应急维修,具体方法如下:先在灯条的正端串联一只1002的电阻,以代替部分短路的灯珠,然后拆除QB801 ,让升压电路停止工作,即让开关电源输出的电压直接供给灯条,以降低灯条供电电压(由于本机背光灯条中短路的灯珠较多,所以取消升压电路后仍然能点亮灯条),最后适当减小灯条电流,以延长其寿命。UB801的⑥脚是灯条电流设定脚,外接电阻阻值决定灯条电流,两者呈反比例关系,原电阻阻值是24k,灯条电流为250mA,现改成47k,灯条电流减到160mA。经过以上改动后开机,故障排除。这时测得外接1002电阻两端电压为16V,灯条正端电压为55V,灯条负端电压为5V。值得一提的是,由于DB102负端输出电压没有稳压反馈电路,所以当伴音音量调到很大时,该组输出电压小幅波动,光栅有闪烁现象。为减小闪烁程度,-是将DB102负端和DB801负端直接连起来,二是将EB801的容量换成100uF,这样处理后,在最大音量时光栅略有闪烁。提示:液晶电视机软件数据出错比较多见,如何准确区分是软件还是硬件问题是个难点,从维修实践来看:如果主板已经发出逻辑板供电信号及背光点亮信号,且遥控或键控都能正常关机,可以认为机器已经启动成功.故障和软件无关;如果机器启动到某一步时卡住(因为此时没有完全启动成功,所以键控和遥控都是失灵的,也无法关机),可以认为是软件问题。

TCL B32A739液晶电视黑屏的故障维修 第3张

          本机黑屏后可以遥控关机,但无法用键控关机的原因如下:本机面板只有三个按键,如图3所示,中间按键是一个多功能键,正常开机有信号输入情况下,按一下该键, 则左右两个按键执行音量控制;再按一下该键 ,则左右两个键为选择信号源功能;长按该键,机器进入待机状态。初修此机试机时,因为黑屏后看不到屏显,按一下中间键没有反应,便以为是控制失灵了。该机换用空白存储器24C32后能出现彩条和正常的屏显,笔者认为其原因是,开机后CPU写入空白存储器的默认数据中的亮度信号就是最高亮度,由于一直处于最高亮度状态,所以不发生黑屏现象。由于默认数据中的屏参不对,所以出现类似行不同步的彩条,而屏显字符是CPU内部产生的,不需要外部图像同步信号参与,所以屏显是正常的。前面说到黑屏时无声,后来才知道当时信号源选择在"HDMI2"上,而笔者采用的是AV信号输入试机。

         另外,背光芯片GB98AERN的外围电路比较简洁,但有关资料很少,虽然在本刊2019年第7期上有GB98ADN的简单介绍,但比较后发现都是16脚贴片封装,两者型号后缀有所不同,引脚功能完全不一样,不能直接互换。值得一提的是,本机芯片UB801的⑥脚外接有一只三极管QB802,并受主板发出的信号控制。为避免其影响,维修中拆除了QB802。另外,UB801可以控制4路灯条,本机只有一路,所以UB801的①、②、④、⑤脚是连在一起的。进入保护状态后,升压电路QB801停止工作,DB801处于反偏状态,同时芯片内部的恒流控制管处于截止状态,此时EB801两端无任何负载,则黑屏前升压电路产生的80V电压能维持一段时间,因为灯条中短路的灯珠较多,其余灯珠的正向压降之和约为40V,则余下的40V加到了UB801的①脚。

版权声明:本文为转载文章,版权归原作者所有,欢迎分享本文,转载请保留出处!