EL32C1型电源二合一板是TCL公司推出的一款性能优异的经济型二合一电源板,由整流滤波电路、PWM电路(即主电源,控制芯片FAN6754)、 待机电源(控制芯片VIPER17L)、开/待机控制电路、背光LED驱动电路(控制芯片MAP3204T)、反馈及保护等电路组成,如图1所示。
该二合一电源板具有电路简单,性能稳定,适用电源电压范围宽( AC112V~260V ),保护功能完善等优点,输出电压为3.3VSTB、12V、40V,广泛应用于32英寸~37英寸屏幕LED液晶彩电中。
一、工作原理介绍
1、市电输入整流滤波电路
市电经保险管F1、热敏电阻RN1、抗高压压敏电阻RV1进入抗干扰滤波电路,如图2所示。电阻RD1~RD4,电感LF1、LF2,电容CX1、CY1、CY2等构成EMC电路,以消除电网杂波进入开关电源,同时防止开关电源产生的干扰进入电网。滤除干扰后的市电经BD1~BD4全波整流、CE1、CE2滤波后输出约300V直流电压VA。该电压一路经开关变压器TS1初级⑥-④绕组、电感L101送至PWM电路功率管QW1的D极,另一路送往待机电源。

2、PWM主电源电路
控制芯片U101(FAN7654 )与它周边元件构成并联调宽型开关电源。300V的VA电压加至QW1漏极,同时市电经R105、R104、D101送至U101高压启动端④脚,为振荡器提供启动电源,IC内部的振荡器、脉宽调制器工作产生的开关激励脉冲使QW1工作于开关状态。由于电磁感应,TS1②-①绕组产生的感应电压经D105整流、C117滤波D103钳位后,得到约17V电压送往u101⑦脚,为u101供电。同时,TS1次级⑦-10绕组产生的感应电压,经DS2整流、C113、C114滤波后,得到40V电压送往LED驱动电路,作为升压电路的输入电源。与此同时,次级⑨-10绕组产生的感应电压经DS1整流、C107、C108、L102、C109滤波及D108钳位后,得到12V-A电压,一路作为稳压系统的取样电压,另一路送往输出开关管Q101 (MDD3752)的源极,经Q101开/关控制后输出12V电压。
该电源的稳压系统主要由光耦PCI(LTV816M)、基准电压比较器U102(TL431)及U101内部相关电压比较器脉宽调制器等组成。 当12V-A电压降低时,经电阻R126加至PC1①脚的电压降低->流过PC1①、②脚(发光二极管)的电流下降->PC1次级③、④脚(光敏三极管)内阻变大U101的②脚(输出电压反馈端)电压上升->U101内部脉宽调制器输出的脉冲宽度增加->QW1导通时间延长->对TS1储能增加->输出电压升高,以达到稳压的目的。当输出电压升高时其稳压过程与上述相反。
C101、R101~R103、D106、D107组成高压吸收电路,防止开关管Q101截止时TS1初级绕组感应出的脉冲高压将它击穿。
开/待机控制过程:主板送来的高电平开机信号经D110、R140加至控制管Q104基极->Q104饱和导通->Q103截止->Q102饱和导通->12V主电压输出控制开关管Q101(P沟道结型功率场效应管)导通->12V主电压输出。当主板送来低电平待机信号时,其控制过程与上述相反。
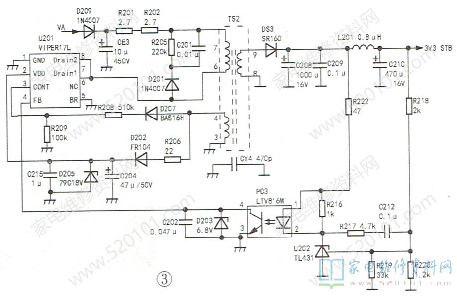
3、待机电源电路

图3是该电源的待机电源电路。300V的VA电压经D209、R201、R202及TS2的⑦-⑥绕组送入U201(VIPER17L)的⑧脚(电源开关管漏极,兼启动电源端),U201内部的振荡器开始工作->内含功率场效应开关管工作于开关状态->TS2储能;在开关管截止期间,TS2③-④绕组的感应电压经D202整流、C204、C215滤波及D205钳位后得到约17V电压供给U201电源端②脚,以替代启动电源。与此同时,TS2次级⑧-⑨绕组产生的感应电压,经DS3整流、C208、C209、L201及C210滤波后得到3V3STB待机电压,然后送往主板。
当3V3电压降低时,PC3①脚的电压降低->流过PC3①、②脚的电流下降->PC33③、 ④脚内阻变大->U201的④脚(输出电压反馈端)电压上升->U201内部脉宽调制器输出的脉冲宽度增加->内部场效应功率开关管导通时间延长->对TS2的储能增加->电压升高,以保持输出电压不变;反之,则反。
TS2初级绕组并联的R205、C201及D201为高压吸收电路,防止U201内开关管在截止期间,TS2⑥-⑦绕组感应出的脉冲高压将它击穿。
4、LED驱动电路

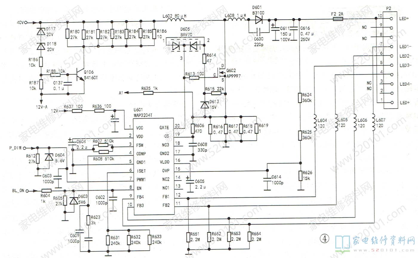
主电源工作后,12V电压通过R636、R637加至LED驱动控制块U601(MAP3204T)的电源端①脚,如图4所示。40V送给升压电路,主板上MCU送出的亮度调节信号P_DIM、背光点亮信号BL_ON分别通过R612、R604送至U601亮度控制端⑦脚、背光使能端⑧脚, U601内部的振荡电路开始工作,20脚输出开关激励脉冲信号,由R613送到升压开关管Q602 (AP9997)的栅极,使Q602工作于开关状态。在开关管截止瞬间,储能电感L608感应出的自感电动势的方向是左负右正,与40V电源叠加,经升压二极管D601整流.C611.C616滤波后得到约75V (不同机型输出有所不同)电压,送到输出插座P2的①、10脚。
4路LED背光灯串组电源输入LED+端。由背光灯串组返回的4路LED背光灯串组末端LED1-~LED4-通过P2及电感L604~L607接到U601的⑨~12脚,接至IC内部亮度控制功率场效应管的漏极。当亮度控制电平增大时->U601⑦脚电平升高->内藏亮度控制功率场效应管栅极电平升高->导通程度增加->通过的电流增大->LED灯串组流过的电流上升->背光变亮;反之,则反。当U601使能端⑧脚为低电平时->U601内部的振荡器停振->20脚无激励脉冲输出->升压管Q602停止工作。同时,U601内部的亮度控制功率场效应管也截止->LED背光灯串组无电流流过->背光不亮。
5、保护电路
(1)过/欠压保护(见图2)
1)市电过/欠压输入保护
当市电高于260V时,压敏电阻RV1将会击穿,保险管F1熔断,达到保护之目的。如果压敏电阻失效,U101④脚电压将升高,当超过20V时,稳压管D103齐纳击穿,U101因失电而停止工作,整机得以保护。相反,当市电低于AC110V时,U101的电源电压将低于10V, 这时U101内部振荡器因欠压而停振,故整机也得以保护。
2)PWM主电源电路输出过压保护
当PWM主电源的稳压环路失控时->TS1①-②绕组产生的感应电压大幅升高->D103击穿->U101因失电而停止工作,整机得以保护。同时,若输出电压12V_A超过13V时->稳压管D108击穿->输出过流保护电路动作(原理见后述)->整机得到保护。如果D108开路或稳压值变高->过高的输出电压将D115、D116齐纳击穿->Q109导通->光耦PC2②脚(发光二极管负极)接地->流过PC2①、②脚电流大增->PC2③、④脚内阻大幅下降->U101⑤脚电压大幅下降->U101内部的振荡电路停止工作->整机进入保护状态。
3)LED驱动电路过压保护(见图4)
A.40V输入电压过高保护
当升压电路的40V输入电压过高->D117、D118齐纳击穿->经R186、R188使开关管Q601(S4160T)导通->12V_A电压值大幅升高,后续保护过程同上述。
B.LED电路升压管Q601过激励保护
当U601内部振荡器外接定时元件变质或其他原因(比如U601供电电压过高)导致Q602栅极的激励脉冲峰值过高时->稳压管D613齐纳击穿一经R635及D119的①、③脚使Q109饱和导通(见图2)->PC2②脚接地->流过PC2①、②脚电流大增->③、④脚内阻大幅下降->U101⑤脚电压过低->U101内部的振荡电路停止工作->整机进入保护状态。此外,D613齐纳击穿后->高电压还会通过R606加至U610的过流保护检测端19脚->U601内部过流保护电路动作->U601的20脚无输出->Q602得以保护。
C. LED驱动电路输出过压保护
若LED驱动电路输出过压,当U601过压保护端15脚电压达到1.2V时->U601内部过压保护电路动作->U601的20脚无激励脉冲输出->Q602停止工作->无提升电压,与此同时U601内藏的亮度控制功率场效应管也截止->背光不亮。
4)待机电源输出过/欠压保护(见图3)
若VA(300V)电压过高,U201⑦、⑧脚电压也会升高,当启动电压形成电容C215两端电压超过18V时->稳压管D205齐纳击穿->U201 因失电而停止工作->无3V3STB电压输出。当稳压环路出现故障,导致+3.3VSTB电压过高时,U201②脚电源端电压(来自TS2③-④绕组)也会同步升高,当超过+18V时,D205齐纳击穿,后续保护同上。
另外,若稳压环路出现故障或其他原因导致+3.3VSTB待机电压过低,当U201③脚(反馈电压控制及异常保护)的脉冲电压低于1.6V 时,内部欠压保护电路动作,待机电源停止工作,以免故障扩大。
(2)过流保护
1)开机浪涌电流限制
在冷机开机时,由于需要对大容量CE1、CE2电容充电,因此会对市电整流二极管及相关元件造成过流冲击,故在市电输入回路串入了负温度系数热敏电阻RN1。在刚开机瞬间,由于RN1温度较低,所以阻值较大,对冷机开机时形成的浪涌电流有较大的限制作用。开机后因RN1上有电流流过,温度升高,故阻值迅速下降,对输入电路基本无影响。
2)PWM主电源电路输出过流保护
当负载出现短路而引起输出过流时->过流保护取样电阻R110~R112压降增大->当U101过流检测端⑥脚电压达到0.2V时->U101内部过流保护电路动作->⑧脚关闭脉冲输出->PWM主电源停止工作->整机处于待机保护状态。
3)LED驱动电路输出过流保护
当负载短路,引起LED驱动电路输出过流时->升压开关管Q602源极电流必增大->过流取样电阻R616~R619两端压降上升->当U601过流保护端19脚电压达到0.5V时->U601内部过流保护电路动作->升压管Q602停止工作,同时U601内藏的亮度控制功率场效应管截止->避免故障进一步扩大。
二、常见故障检修
故障现象1:无3.3VSTB待机电压输出。分析检修:首先应检查U201⑧脚电源启动端是否有约+290V电压。如果没有,检查市电的输入、整流滤波电路。若有电压,则测启动电压形成电容C215(1uF)两端是否有大于15V的启动电压。若没有,在测得C215正常的情况下,说明U201内部充电电路损坏;若有大于15V的启动电压,可断开L201右端试机,检测C208正极是否有待机电压输出。若有输出,且电压很高,表明故障是输出过压所致。如果输出电压基本正常,则表明负载有短路故障。若仍无输出,表明故障在电源本身,断开U201④脚外接电路试机,测C208正极是否有电压输出。若有很高的电压输出,说明故障在稳压控制环路。否则,故障在U201②、③脚外接的整流滤波电路或U201本身。U201的引脚功能与参考电压见表1。

故障现象2:无12V电压输出。分析检修:先测控制管Q101的S极电压是否正常。若正常,则检查开/待机电路。否则,说明电源本身不能工作或因保护电路动作,这时可断开L102(参见图2),在40V输出端对地接-一个电压表试机,如果电压明显高于12V,表明故障极可能是过压保护电路动作所致,应检查稳压环路。若电压表读数基本正常,则说明过流或保护电路损坏,需对负载作“断开法”排除。假若电压表读数为零,可断开R115后再试机,若电压不为0V,则说明PC2次级或D113已击穿;若电压表仍为OV,则表明PC1次级(含D102、C104)之中可能存在短路故障。若对上述元件检测未发现异常,在U101电源端⑦脚启动电压不低于17V的前提下,可代换U101试之。U101引脚功能及参考电压见表2。

故障现象3:电源带负载能力下降。分析检修:该故障的具体表现:在负载变化时(比如声音变大、亮度变大),输出电压12V/40V明显下降并波动,甚至引起过流保护电路动作,导致黑屏。检修这类故障应先查市电VA(300V)电压是否正常,若不正常则对市电整流滤波电路进行检查;若VA正常,则表明PWM电路存在故障,如QW1饱和压降过大、滤波电容C107~C109/C113、C114失容、整流管DS1/DS2内阻变大等。
故障现象4:背光灯不亮。分析检修:首先检查U601①脚(电源端)是否有12V电源电压,开关管Q602漏极是否有40V电压,U601⑦脚(亮度控制)、⑧脚(背光点亮)电压是否大于2V。在上述脚供电正常的情况下,测升压输出端是否有约35V电压。如果没有,问题可能是升压电路(包括Q602、L602、D601、C630、C616等)或负载有故障,接下来检查MAP3204T的20脚是否有开关脉冲(直流电压+1.4V)输出,若在开机后- 直没有输出,说明MAP3204T损坏,可代换一试。假若开始有输出,但随即消失,则可能是过流保护电路(含过流保护电路本身故障,比如过流取样电阻阻值变大或焊点接触不良)动作所致,可从U601的19脚电压是否大于0.5V来判断。如果查得故障非过流保护所致,则说明故障有可能是因保险管F2熔断,或输出插座P2电源输出端①、10脚与插头接触不良而引起输出过压保护所致(这类过压因电压未到达LED灯串,所以灯串不会瞬间点亮)。MAP3204T引脚功能与参考电压见表3。

故障现象5:开机后屏幕瞬间闪烁,随即黑屏。分析检修:开机后屏幕能瞬间闪烁,表明有电压加在LED灯串上。该故障一般是 因为输出的点灯电压过高或保护电路本身有问题,引起过压保护电路动作所致。可在开机时迅速检测LED电路的点灯输出电压,若明显高于75V,在输入电压40V正常的情况下,很可能是U601的20脚输出的驱动脉冲占空比过高造成,应检查U601③脚外接频率设置电阻R607、R608。若点灯输出电压正常,则应是过压保护电路本身有故障,如取样电阻R626焊点虚焊,或R626阻值变大。