IA152C4二合一电源板是TCL公司近年重点推出的一款性能优异的二合一电源板,该电源板具有电路简单,性能稳定,适用电源电压范围宽(102V~264V),保护功能完善等优点。图1是它的电路结构框图。由图1可看出,该电源板主要由输入整流滤波电路、开/待机控制电路、功率因数校正(PFC) 电路(控制芯片FAN7930C)、PWM电路(即主电源,控制芯片FAN6754A)、背光控制与驱动电路(控制芯片OZ9976GN)、交流升压、反馈及保护等电路组成。
一、工作原理分析
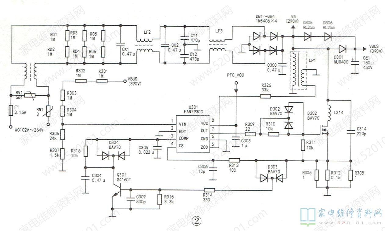
1.市电输入与市电整流滤波电路(见图2)
市电经保险管F1、热敏电阻RN1、抗高压压敏电阻VR1进入抗干扰滤波电路。电阻R01~R06等的作用是避免高压或其他电网杂波进入开关电源。LF1、LF2、LF3、CX1、CX2、CY1、CY2等构成EMC电路,以消除开关电源对电网的干扰。滤除干扰后的市电经全桥DB1~DB4全波整流C300滤波后得到约+310V (实测约290V )的脉动直流电压VA,该电压第-路经D305、D306续流后送入PFC电路输出端(即滤波电容CE1正极),第二路经电感L314送至PFC电路功率管QW1的D极,第三路经R410~R413为PWM电路主控芯片U401( FAN6754 )④脚提供工作启动电压。
2.PFC电路
当PWM电路(主电源)输出的PFC-VCC(电路正常工作时实测约+17V)电源送至U301(FAN7930C)的⑧脚时,U301开始工作,第⑦脚对外输出开关脉冲信号,使开关管QW1工作于开关状态。在QW1导通期间,其电能转化为电感IP1的磁场能储存起来,在QW1截止期间,其LP1的磁场能转化为电能,经D301整流、CE1滤波后得到约+90V左右电压。由于该电压与由市电全波整流、经D305、D306送来的VA( +300V)同相,故在CE1正极得到约+390V的VBUS电压。
该电压被分为三路输出:一路经R301~R304、R306、R307分压,为控制芯片U301的①脚提供取样电压,该电压与④脚送来的功率管QW1电流检测信号电压,经U301内部乘法器进行处理后去控制⑦脚对外输出的脉冲电压宽度。当负载变重(比如图像亮度增大或声音变大)时,由于电压会瞬时降低,则送至U301①脚的取样电压变低。与此同时,电源输出电流也会增大,所以电流取样电阻R305、R308、R312两端电压降增大,即经R313送至U301④脚的电压升高。于是,U301⑦脚输出的矩形脉冲电压宽度变宽,功率管QW1导通时间延长,使输出电压瞬时升高,即电源输出功率变大。反之亦然。从而保证CE1正极输出的+390V(VBUS )电压基本不变。在此过程中U301⑦脚输出的脉冲电压包络波形始终与整流全桥BD1~DB4送出的100Hz的VAC脉动电压波形同相位,从而达到电源功率因数校正之目的。+390V电压的第二路经开关变压器TS1初级绕组,电感L401送入PWM电路功率开关管QW2的D极。+390V电压的第三路经电感L501作为背光升压功率管QW3.QW4的工作电源。
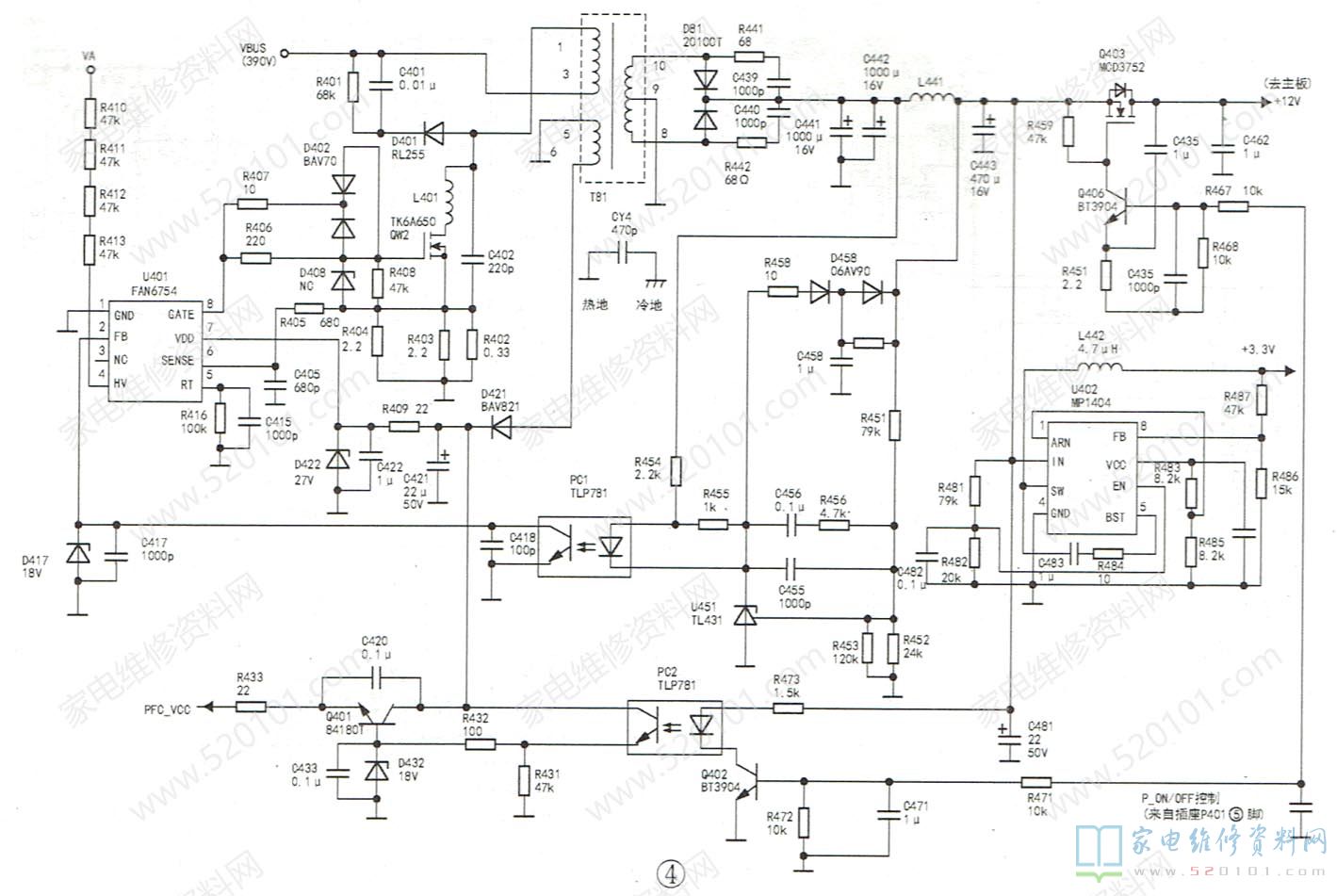
3. PWM电路
PWM电路(主电源)是该型开关电源+3.3V、+12V电压输出部分,具体电路见图3。
该电路实际是由控制芯片U401(FAN6754)与它周边元件构成的一个并联型调宽式开关电源。300V脉动直流电压经R410 ~R413 降压至约+17V后,送至该电路控制芯片U401的工作启动端④脚(实质是⑦脚外接电容C421充电后得到的)。于是U401开始工作,U401工作后,开关变压器次级⑤、⑥脚绕组中的感应电压经D421整流、C421滤波D422钳位后送往U401⑦脚,替代④脚启动电压,作为U401正式工作电源,其⑧脚输出开关脉冲信号,经D402钳位、R408分压后送至开关管QW2的G极,故QW2工作于开关状态,由于开关变压器TS1初级①-③绕组中有交变电流通过,其⑧-⑨-①次级绕组感应出的脉冲电压经半桥DS1全波整流、L441.C441~C443滤波后得到+12V电压。此电压被分为四路:第-路经R451.R452/R453分压后,为基准电压比较器U451 (TL431) 提供参考电压;第二路作为DC/DC变换电路输入电压,被送至U402(MP1494 )②脚,同时经R481.R482组成的分压电路为U402的使能端提供输出控制信号。经U402变换得到的+3.3V电压从U402③脚输出,送往插座P401⑦、⑧脚,然后由排插送至主板,作为主控芯片工作电路及相关辅助电路工作电源;+12V的第三路作为开、待机电路工作电源,经R473送往光耦器PC2(TLP781)①脚;+12V的第四路作为主工作电源被送往输出控制管Q403源极,经开、待机控制电路作开/关控制后,送往背光逆变电路、逻辑板及主板,作为相关芯片和电路的主工作电源。
该型开关电源的稳压电路主要由光耦器PC1 (TLP781)、基准电压比较器U451及它们周围元件组成。取样电压来自滤波电容C442正极,其工作过程是:当负载变重导致输出约+13V电压降低时,经电阻R454加至光耦器PC1初级①脚的电压降低->流过光耦器PC1初级①、②脚(发光二极管)的电流下降->PC1 次级③、④脚(光敏三极管)内阻变大->U401的②脚(电压反馈端)电压上升->U401⑧脚输出的脉冲宽度增加->开关管QW2导通时间延长->对开关变压器TS1的储能增加->保持输出电压不变。当负载变轻导致输出电压升高时的稳压过程与,上述相反。顺便说明,图3中R401、C401、D401构成过压保护电路,并联接在开关变压器TS1初级①-③绕组间,防止在开关管QW2截止时,TS1初级绕组感应出的脉冲高压将QW2击穿。
4. P_ ON/OFF(开/待机)控制电路
来自主板的开机高电平信号被送至插座P401的⑤、⑥脚,一路经电阻R467送到控制管Q406( BT3904/NPN型)的基极->Q406导通->输出控制管Q403(MDD3752/P沟道结型场效应管)导通->+12V对外有输出;另一路经电阻R471送到控制管Q402( BT3904/NPN型)的基极->Q402 导通->光耦器PC2初级②脚电位大幅降低->流过光耦器PL2初级①、②脚电流大增->PC2次级③、④脚间电阻大幅减小->控制管Q401(BT3904)基极电压明显上升->Q401导通->发射极输出电压经R433送到PFC电路控制芯片U301 (FAN7930C)的电源端⑧脚(约+17V)->PFC电路进入正常工作状态。
当来自插座P401⑤、⑥脚的信号为低电平关机信号时,其工作过程与,上述相反。须说明的是,尽管PFC电路停止工作,此时输出的VBUS电压值降至约300V,这并不影响PWM电路的正常工作。同时,由于12V变3.3V电压的DC/DC变换块MP1494的输入电压范围很宽(4.5V~16V),因此输出的+3.3V电压不会降低,也就是说,主板上主控芯片MCU、开/待机控制等电路电源电压不会变化,主控芯片及开/待机控制等电路照常工作。
5. HVCC(高压)形成电路

该型电源中的背光灯高压形成电路见图4。主要由控制芯片U501( OZ9976GN )及它周边元件构成。工作过程是:在PWM电路(主电源)工作后,其输出的+12V电压的一路已被送入U501的电源端16脚。几乎同时,PFC电路送出的VBUS(约+390V)电压也经电感L501被加至功率开关管QW3的D极。若此时主板上主控芯片MCU的BL-ON(背光灯点亮控制)端与P_DIM(亮度调节)端,已分别送来背光灯点亮和亮度调节必需的高电平及最低占空比PWM亮度调节信号的话,于是背光控制开始工作, U501①、16脚轮流对外输出开关脉冲信号。显然,开关变压器T501初级⑦-⑨绕组中有交替的脉冲电流流过,由于电磁感应,次级①-②-④-⑤绕组中将有感应电压产生。当T501的①脚感应电压为正时,其T501的④脚感应电压则为负。于是,开关管QW3导通(QW4截止),VBUS( +390V)电压形成的电流经QW3->升压变压器TN1②-①绕组->升压变压器TN2①-②绕组->C502 (C502 分担电压约+195V)->L502->热地。当T501的④脚感应电压为正时,其T501的①脚感应电压则为负,开关管QW4导通(QW3截止)。C502两端约+195V电压形成的放电电流经升压变压器TN2②-①绕组->升压变压器TN1①-②绕组->QW4->L502->热地....不断重复上述过程。
由上述可知,升压变压器TN1、TN2初级绕组中有交变电流通过。于是TN1、TN2次级③-④绕组中将有1200V左右的交流感应高电压产生,并经插座P501、P502送入显示屏后面的背光灯管,用以照亮显示屏。当输出给灯管的交流高压升高时,经电容C505.C506、C507、C508分压,通过半桥D503(BAV70)整流得到的直流电压将升高,该电压经R543限流C521滤波后送到U501的过压保护端⑧脚。于是,U501内部的脉宽调制电路使U501①、16脚输出的开关脉冲宽度变窄->T501次级绕组输出的开关脉冲电压宽度也变窄->开关管QW3、QW4导通时间缩短->对升压变压器TN1、
IN2的注能减少->TN1、TN2次级输出给背光灯管的交流高压降低。反之亦然。即保持输出电压基本不变。
另外,TN1、TN2次级输出给背光灯管的交流电流经电阻R550~R557转换成检测电压。该电压通过半桥D504( BAV70 )变换成直流电压输出。该电压经C525滤波、R522限流后加至U501过流保护端⑨脚。通过U501内部的脉冲相位控制电路使U501①脚、⑥脚输出的脉冲电压相位差发生变化->T501次级两个绕组输出的开关脉冲电压相位差也随之发生改变+送至开关管QW3、QW4 G极的脉冲占空比随之发生改变->TN1、TN2次级输出给背光灯管的电流在正常输出范围内基本保持恒定。
需注意的是:U501的驱动输出端①、16脚是否有输出,受使能端③脚电平的控制,该脚电平≥2V时①、16脚才有输出。即来自主板加至电阻R539左端电压不低于3.3V时,①、16脚才有输出。另外,U501 的驱动输出端①、16脚是否有输出,还受数字亮度控制端⑦脚的PWM亮度控制信号电平的控制,当该脚信号电平不低于1V,即PWM亮度控制信号占空比不低于0.3时,①、16脚才有输出。也就是来自主板加至电阻R541左端信号电压不低于1.8V时,U501的①、16脚才有输出,即背光灯才能点亮。
6.保护电路
(1)市电输入及PFC电路保护(相关电路见图2)
1)市电过压输入保护
当市电输入电压过高时,压敏电阻RV1将会击穿,使交流输入保险管F1熔断,达到保护之目的。如果压敏电阻失效,全桥( BD1~BD4 )输出的VA(+300V)电压将升高,即通过R410~R413等送至U401过压输入检测/启动端④脚的电压必升高,当④脚电压高于24V时,U401内部过压保护电路动作,关闭⑧脚输出的开关脉冲信号,PWM电路停止工作,使输送给PFC电路的工作电压PFC_vcc( 约+17V)及PWM电路输出的+12V电压均为零,即PFC与PWM电路均停止工作,整机进入待机保护状态。在市电输入回路串入的负温度系数热敏电阻RN1 ,起开机浪涌电流限制作用。
2)市电欠压输入与PFC电路
输出过流/过压保护当市电输入电压低于102V时,市电整流后的VA电压值将会低于150V,使得由U401④脚经内部电路对⑦脚外接电容C421的充电电压低于10V, 内部欠压保护电路动作,⑧脚无驱动脉冲输出,PWM电路停止工作,整机进入待机保护状态。当PFC电路输出过流或负载有短路时,流过功率管QW1源极的电流必增大+流过取样电阻R305、R308、R312的电流增大->电阻两端电压升高->过流保护检测端④脚电压升高->当该脚电压升至0.25V以上时,U401内部过流保护电路动作,关闭⑧脚输出的脉冲信号, PFC电路停止工作。这实际可理解成过功率输出限制。
另外,当PFC电路输出的VBUS( +390V )电压过压时,经R301~R304、R306、R307分压加至U301①脚的电压将升高,当超过2.5V时,U301内部过压保护电路动作,关闭⑦脚输出的脉冲信号,PFC电路停止工作。这实际表明市电输入电压过高,这也可理解成市电输入过压保护的另一途径。还有,U301①脚检测的是VBUS电压,该电压也与市电输入电压有关,当市电输入电压不足100V时,就会导致VBUS电压过低从而使U301①脚的电压过低(不足0.5V),导致U301停止工作,这也可理解成市电输入欠压保护的另一途径。
3)U301芯片电源过压保护
U301⑧脚为芯片电源端,工作电压范围为17V~24V,电源来自PWM电路Q401的e极。当PWM电路稳压电路开环失效,导致送入U301⑧脚的电压大于24V时,内部过压保护电路动作,⑦脚无脉冲电压输出,PFC电路停止工作。进而引起PWM电路输出的+12V电压降低,使PWM电路的过流保护电路动作,避免故障进一步扩大。
4)U301芯片过热保护
U301芯片的内部设有过热保护电路,当芯片内部温度达到1509C时,过热保护电路动作,⑦脚开关脉冲无输出。当温度低于120C时,过热保护电路解除保护。重新开机后,⑦脚开关脉冲恢复输出。
(2)PWM电路保护(相关电路见图4)
1)过压保护
当该电路稳压环路出现故障,导致+12V 输出电压过高时开关变压器T501次级⑤-⑥绕组输出电压也会同步升高,经D421整流、C421滤波获得的U401电源电压也将升高,当大于27V时,稳压管D422齐纳击穿,U401因失去电源电压而停止工作。另外,如果稳压环路出现开环故障时,U401反馈端②脚电压将上升至4.6V以上,在持续56ms后自动关闭⑧脚脉冲输出,避免故障扩大。
2)过流保护
当某种原因导致+12V电源输出过流时,流经开关管QW2源极所串接的电流取样电阻R402~R404的电流必增大->取样电阻两端电压上升->控制芯片U401过流检测端⑥脚电压上升->达到0.15V时,U401内部过流保护电路动作->⑧脚关闭脉冲输出->整机处于待机保护状态。(3)背光高压相关保护(相关电路见图3)1)过压保护TN1、IN2输出给灯管的交流高压经电容C505、C506、C507、C508分压,整流半桥D503(BAV70)整流得到的直流电压,再经R543限流C521滤波后送到过压保护端⑧脚。该脚除具有调整输出高压基本恒定外,还具有过压保护功能。当输送给背光灯管的交流高压太高而超出稳压电路的调控范围,即到达U501⑧脚检测超过3V时,过压保护电路动作,U501关闭①脚、16脚输出。另外,交流高压取样电压还经电容C509送到整流半桥D508,经D508获得直流取样电压。如果交流高压足够高,达到拉弧的地步,那么,D508输出的直流取样电压将会使控制管Q502饱和导通->Q503饱和导通->Q504饱和导通->U501 10脚(拉弧保护端)低电平->①脚、16脚无驱动信号输出。
2)过流保护
TN1、TN2次级输出给背光灯管的交流电流经电阻R550~R557转换成电阻两端的检测电压,通过整流半桥D504 (BAV70)变换成直流电压输出。该电压经C525滤波、R522限流后加至U501过流保护端⑨脚。该脚除具有调整高压电流在设定范围内基本保持恒定外,还具有过流保护功能。当输送给背光灯管的交流电流过大(如发生短路故障)而超出调控范围,导致送至过流保护端⑨脚电压达+0.5V以上时,内部电压比较器就会发生翻转,即过流保护电路动作,这时⑨脚电压会下降至0V,U501①脚、16脚无输出,屏幕出现黑屏状态。
三、故障检修思路
故障现象1:无+12V电压输出。故障分析:先查输出开关控制管Q403源极是否有+12V电压。如果有,表明是+12V输出开关电路工作异常,比如输出控制信号未送到电源板输出开关电路元件损坏,应予检查。如果查得Q403源极没有+12V电压,应再查PWM电路控制芯片U401的启动端④脚是否有约+17V启动电压。若没有,再查R410上端(参见图3)VA( +300V)电压是否正常。若正常,表明启动电阻R410~R413之一有开路故障。假定查得VA( +300V )电压为零,说明市电输入、整流滤波电路有问题。若查得VA电压正常,且U401的启动端④脚已有启动电压,可继续检查U401电源端⑦脚的外围元件( 比如D421、D422 R421、C421等)是否正常。如果查得无异常,再断开滤波电容C442输出端(使稳压环路失去取祥电压,主电压无输出。)及稳压管D417后通电试机。正常情况下C441.C442正极瞬间(很快会因过压保护电路动作而消失)应有大于+20V的电压输出(因已失去稳压控制,检查时C441可取下,C442暂时换成耐压为50V的)。若没有电压输出,在确认整流半桥DS1及相关电容正常的情况下,故障原因有两种可能:是稳压系统有故障,比如光耦器PC1次级③、④脚短路,导致电源输出几乎为零;二是电源本身就没工作(比如控制芯片U401、开关管QW2、C421、R421 .D421等损坏所致)。若确认电源控制芯片U401外围元件正常,说明U401已损坏。为方便读者检修,表1列出了U401在路实测数据,供参考。若在上述检测时发现C442正极瞬间有≥20V的电压输出,则表明故障在稳压系统。比如光耦器PC1初级①、②脚或次级③、④脚开路,使电源输出过压,导致保护电路动作。因此,应对稳压系统元件作认真检查。

故障现象2:无+3.3V待机电压输出。故障分析:首先检查+12V输出开关管Q403源极是否有+12V输出电压。如果有表明是+12V/+3.3V变换器U402(MP1494)工作异常应予检查。如果没有,应按上述无+12V电压输出的检修思路进行检修。
故障现象3:空载时+12V 电压基本正常,但接上负载后上述电压明显下降并波动,甚至引起过流保护电路动作。故障 分析:先查FPC电路输出VBUS( +390V)电压是否正常,如果偏低或为+300V ,则查FPC电路输入的VA (约+300V)电压及芯片U301电源端⑧脚的PFC-vcc(约+17V)电源电压是否正常。如果输入的+300V偏低,应重点检查电容C300及整流二极管DB1~DB4是否正常(见图2)。若查得VA电压正常,但U301⑧脚+17V电压偏低,应查PFC-vCC电压输出开关管Q401(见图4)是否正常(比如饱和压降过大),限流电阻R433(22Ω)是否阻值过大、整流二极管D421是否变值、滤波电容C421是否失容或漏电。如果异常,应子更换。若测得上述VA.PFC-VCC电压等均正常,且控制芯片U301外接元件基本正常的前提下,应怀疑U301可能损坏。
为帮助大家检修,表2列出了U301(FAN7930C)引脚功能及在路实测电阻、电压数据,供维修时参考。若检测的数据与表2所数据有明显出入,说明U301可能损坏,可用替换法检查。若在路检测U301各脚对热地数据基本正常,则检查开关管QW1、整流管D301、滤波电容CE1(150uF/450V )。
故障现象4:不能待机。故障分析:在按下遥控器待机键后,应检查主板送到电源板P401插座⑤、⑥脚的开/待机信号P. _ON/OFF是否为低电平,否则应检查主板电路。若是低电平,再查图4中Q406基极是否已由高电平变为低电平。否则,应用“循迹法”向前检查。若在按下遥控器待机键后,Q406基极已由高电平变为低电平,可再查开关管Q403栅极是否也为低电平。否则,说明Q406本身或它的偏置电路有问题。如果查得Q403栅极已经是低电平,则可能是Q403漏极与源极之间出现击穿性故障。维修实践表明,Q403漏极与源极击穿性损坏是不能形成待机故障的一个重要原因。可用功率更大的场效应开关管更换。
故障现象5:背光不亮。故障分析:先检查背光电路控制芯片U501电源端⑤脚是否有+12V电压输入。若电压正常,可再查B脚(使能端)电压是否二2V。否则,没有背光灯点亮高压可能是因MCU未送来背光灯点亮高电平信号。另外,还必须检查⑦脚是否送来亮度调节信号,即该脚电压是否大于1V。否则,说明故障有可能系MCU未送来PWM亮度调节信号所致。若查得上述电压正常,应再考虑无高压输出是否因保护电路动作所导致。可试机检测U501过压保护端电压是否大于3V,U501过流保护端电压是否大于0.5V。如果上述检查均未发现异常,在检查U501外围元件无故障的情况下,可确认U501已损坏,应予更换。表3列出了U501在路对冷地实测数据,供维修时参考。
四、故障检修实例
例1:整个电源无输出。分析检修:经查,市电输入保险管F1(3.15A/250V)已发黑性熔断,看来电源已发生短路性故障,接下来从电源输入回路开始向里测输入电阻,发现阻值为欧姆级,最后发现是过压保护压敏电阻RV1 (VDR561 )击穿。更换损坏元件后试机,故障排除。
例2:电源无+3.3V待机电压输出。分析检修:经测量,12V/3.3V 变换芯片U402 (MP1494 )电压输入端+12V电压输入正常,但③脚输出端+3.3V待机电压却为0V。考虑到U402是否输出受使能端⑥脚的控制电平控制,当该脚为高电平时( 实测+2.5V)输出端有输出。测得U402⑥脚的控制电压为0V,由图4可知,U402⑥脚的控制电平是输入端+12V电压经R481、R482分压后送达的,检查这两只电阻,发现R481一端虚焊,补焊后试机,3.3V输出正常。
例3:无+12V电压输出。分析检修:经查,U401⑦脚(电源端)有约+16V电压(实为VA电压经R410~R413降压后,由U401④脚内部电路送到⑦脚,然后经该脚外接电容C421被充电后得到的)。查U401⑧脚(驱动输出端)却没有开关脉冲输出,故怀疑U401或它的周边元件损坏或保护电路动作。于是先在开关管QW2( TK6A65D )s极所接保护取样电阻R402~R404两端并接电压表,然后开机,发现电压表读数升至0.75V时,突然降为0V。显然,无输出是过流保护电路动作所致。检测+12V电压输出端正、反向电阻,发现都在欧姆级。怀疑+12V电压输出端存在击穿性损坏,经检查,发现滤波电容C441已短路。换上一只同规格电容后,在该电容两端并联电压表试机,发现电压表瞬间读数竟超过30V,迅速关机。显然,电源存在过压输出现象,经查PC1(TLP781)次级已开路。更换PC1后开机,+12V电压恢复输出。
例4:带负载能力差,不定期进入保护状态。分析检修:当调大电视声音、亮度时,+12V电压明显降低且波动,随后进入保护状态。首先查PFC电路输出端CE1两端电压,发现约为+340V,手摸PFC电路功率输出管QW1竟烫手,说明PFC电路存在过流故障或电路本身有问题。接下来查PFC电路开关功率管QW1 (F12N50)s 极三只过流检测电阻R305、R308、R312(见图2)两端电压,发现电压值不足0.2V,表明保护并不是PFC的保护电路动作而是 +12V PWM电源过流保护电路动作,看来故障可能在U301本身或它的周边元件。查U301⑧脚输出的激励脉冲波形正常,果断更换QW1后开机,查VBUS电压恢复至正常的+390V,带负载能力差及自动关机故障也同时消失。
例5:不能待机。分析检修:按遥控器待机键,电视不能处于待机状态。经检测,低电平待机信号已送入待机控制电路控制管Q406的b极。进一步检查还发现,在按遥控器待机键后,加至开/待机控制管Q403( MDD3752/PNP型管)栅极的控制电平已是低电平。显然,此时Q403应由导通状态变为截止状态。但测Q403漏极仍有约+12V电压输出。显然,Q403的D、S极已击穿。焊下Q403检查,果然如此。更换后开机,故障排除。
例6:背光灯管不亮。分析检修:经查,电源板无交流高压送至灯管。进一步查得背光驱动及控制块U501(OZ9976 )的①脚、⑥脚无驱动信号输出。据此分析,故障有可能是U501本身或它周边元件有损坏。也有可能是输出的背光高压过压或过流,从而引起保护电路动作所致。于是先查U501⑤脚电源端电压,发现+12V电压正常。为保险起见,决定先断开送至显示屏的交流高压回路,然后再断开U501过压/拉弧保护端试机,结果发现高压变压器TN1对变压器磁芯刚有“咝!”“咝!”的放电声,就立即停止了。看来,故障极可能是高压变压器打火,引起U501的过流保护电路动作所致。于是,焊下TN1,用无水酒精仔细清洗过后,再用吹风机彻底烘干,接下来再用704硅胶密封。待干透后复原试机,故障消失。
编者注:此文作者全面介绍了液晶电视开关电源各单元电路工作原理与常见故障处理方法,虽然液晶屏和主芯片的多样性导致市场的不同产品使用了许多开关电源,但各开关电源的工作方式与此文介绍的非常相似,读者明白了此文介绍的IC工作特点,实际上也掌握了其他电源的工作特点。

