“灰屏”是液晶彩电维修界的一种通俗说法,是指二次开机后,背光亮,无图像无字符,但电视伴音及各项控制正常。在液晶屏无驱动信号输入,或者液晶屏驱动电路损坏的情况下,若背光亮对于大部分液晶彩电(尤其是大屏幕彩电)而言,这时在屏上可隐约看见非常暗淡的光栅(有时需在环境光很暗时才能看见)。虽上述故障现象与黑屏极为接近,但由于故障机理与黑屏有所不同,为了以示区分,故将此类故障称为“灰屏”。值得注意的是,部分小屏幕液晶彩电在上述情况下所呈现的为纯净的白光栅如图1所示。
虽然此现象并非灰屏,但故障机理一样,因此仍将这类自光栅称为灰屏故障。相比于黑屏故障,灰屏故障的显著特点是背光亮。这一特点也间接说明该机电源电路、背光驱动电路、背光源基本正常,故障的直接原因应是液晶面板未工作,具体原因包括逻辑板未工作或工作异常,屏内的行列驱动电路未工作,或液晶面板损坏等。
一、故障原因分析
1.屏供电控制电路异常
屏供电控制电路又称上屏电压控制电路,其作用是在二次开机后输出-直流电压,通过上屏线送给逻辑板,作为逻辑板的工作电压(22英寸及其以下的小屏幕机的上屏电压多为3.3V或5V,大屏幕机的上屏电压多为5V或12V)。该电路实质是-一个电子开/关电路,特征元件是一只贴片8脚或3脚封装的场效应管,位于上屏线插座附近,如图2所示。
屏供电控制电路的典型电路如图3所示,待机时,CPU输出的PANEL-EN信号为低电平,三极管QM2截止,vccC电压(5V或12V,与屏型号有关)经RM12.RM13 加到P沟道场效应管QM1的栅极(G),QM1因G极为高电平而截止;二次开机后,PANEL-EN信号变为高电平,QM2导通,QM1因G极为低电平而导通(S.D极间的导通内阻极小,接近0Ω),D极输出vCC-Panel电压(约等于vCC电压)。若该电路异常导致无供电送给逻辑板,则逻辑板及屏内的行列驱动电路均不工作,在背光亮的情况下,则表现为灰屏。
2.逻辑板的供电保险管熔断
逻辑板的供电保险管与上屏线接口中的供电端相连,标注多为"Fxx",外形象一只小型贴片电阻,如图4所示。
显然,若逻辑板的供电保险管熔断,液晶屏组件(逻辑板、行列驱动电路与液晶面板)因失电是不会工作的,同样会表现为灰屏。
3.逻辑板上的DC-DC变换电路异常
逻辑板上的DC-DC变换电路主要由控制芯片(常见型号有TPS65160、TPS65161、LM2716MT等)、开关管、储能电感、续流二极管、滤波电容等元件组成,如图5所示,其作用是产生时序信号处理IC和屏内行、列驱动电路所需的工作电压,以及液晶屏内部薄膜场效应管(TFT )的开/关电压,板上常见标注有VGH、VGL、VDD、VDA等。
vGH为TFT的开启电压,其值在20V~35V之间;vGL为TFT的关断电压,其值为负值,通常在-6.5V~ -5V之间;VDD(有些板上标注为vcC)为数字电路的工作电压,既供给逻辑板上的时序信号处理电路,还供给屏内部的行、列驱动电路,典型值为3.3V;VDA(有些板上标注为VDDA、AVDD、VS等)主要是供给灰度等级电压形成电路及屏内的行、列驱动电路,正常值一般在 14V~20V之间。
若逻辑板上的DC-DC电路工作异常,无vDD.VDA电压输出,则逻辑板上的时序控制芯片(引脚多,又称逻辑板主芯片)及行列驱动电路不工作;若无VGHVGL电压输出,则液晶面板内部的液晶屏内部薄膜场效应管无控制电压,液晶分子无法翻转,均表现为灰屏现象。
4.信号板上的主芯片电路异常
送往逻辑板的LVDS信号由主芯片(又称单芯片)产生(早期部分液晶彩电由解码芯片或格式变换芯片产生),并送往上屏线插座,如图6所示。

若主芯片无LVDS信号发出,即使液晶屏组件工作正常,但因无信号输入,屏驱动电路无法产生屏内部薄膜场效应管的控制信号,液晶分子不翻转,仍表现为灰屏现象。
5.屏内部的行、列驱动电路损坏
屏内部的行驱动电路又称栅极(G)驱动电路,通常为多个小块薄膜电路条(俗称Y轴或侧条),位于液晶面板两侧,如图7所示。
该电路的作用是产生扫描电极信号,通过透明电线加到屏内部薄膜场效应管的栅极。行驱动电路又称源极(S)驱动电路,通常为一块或两块长条形电路板,位于液晶面板下方,一侧通过软排线与液晶面板相连,另一侧通过软排线与逻辑板相连,如图8所示。该电路的作用是产生源极母线信号,通过透明电线加到屏内部薄膜场效应管的源极。

若液晶屏内部某一块行驱动(或列驱动)电路不工作或损坏,则屏内部对应的薄膜场效应管不受控制,即液晶分子状态不能变化,从而表现为对应区域为灰屏(如常见的半边灰屏故障)。若屏内几块行驱动电路(或几块列驱动电路)全部不工作或损坏,则表现为满屏灰屏。
6.软件故障
开机后,液晶彩电的信号板是否输出LVDS信号,或者输出何种具体格式的LVDS信号均受程序控制。若程序出错,则可能导致主板未输出LVDS信号,或输出的IVDS信号格式不正确,逻辑板完全不能识别,这也将出现灰屏故障。
软件故障包括两方面:一是程序存储器异常,二是存储器内部数据异常。另外,部分进口液晶彩电具有故障记忆功能,即彩电某电路出现故障后若多次试机,CPU会累加故障次数。若超过一定次数,CPU会发出保护指令,即使排除了硬件故障,机器处于保护状态,可能出现灰屏故障,这时只能查询该机资料,进行清除故障记忆操作。
7.键控电路异常
在部分液晶彩电中, 若按键漏电或按键信号通常标注为“KEY0”、“KEY1")传输线路(尤其是过孔处)漏电,会导致主板在开机后工作异常,也可能出现灰屏故障。正常情况下,主芯片的"KEY1"、"KEY2"端电压均约为3.3V。若偏低,应查找对应的按键或线路有无漏电现象。
二、故障检修步骤与方法
由于该故障既涉及到屏内部器件,又涉及到屏外部电路,所以实修时应先测量逻辑板的相关点直流电压,以区分故障部位在屏内部还是外部,具体检修步骤如下:
第一步:测量逻辑板的供电(即上屏电压)是否正常。逻辑板的供电测试点为保险电阻前端,若测得此电压为0V,则检查主板上的上屏电压控制电路。若上屏电压偏低,则拔下上屏线,测量主板上的上屏电压输出端电压,若仍偏低,则故障在上屏电压控制电路及其输入电压电路中;若正常,则说明逻辑板上有局部短路现象。
第二步:测量逻辑板上的供电保险是否正常若测得该保险管已熔断,切不可贸然换新后试机,而是应检查其后级有无短路现象,导致该保险管熔断的常见原因是后级DC-DC电路短路,或者是该供电滤波电容短路。对于前者,需进一步检查;对于后者,应先找到这类贴片电容,如图9所示,电容C17~C19为滤波电容,需拆下单独检测,若已漏电,可用10uF/25V的电解电容代换。

另外,在部分逻辑板上,,供电输入端对地接有保护二极管,若该二极管击穿,也会导致供电保险管熔断。若上屏电压为5V,该保护二极管可用稳压值为5.6V的稳压二极管代换;若上屏电压为12V,该保护二极管可用稳压值为13V的稳压二极管代换。
第三步:测量逻辑板上的DC-DC电路输出电压是否正常。实修时,若测得vGH.VGL.VDD.VDA电压中某组异常,则检查相应的电压变换元件及后级负载;若这几组电压均不正常,通常说明电压变换控制芯片未工作,这时应先检查芯片的供电及使能控制信号,再检查其外围元件,最后代换电压变换芯片。

小技巧:在逻辑板的DC-DC电路中,电压变换芯片外接有电感及续流二极管等元件,如图10所示,L201为输出电感,D202为续流二极管。在DC-DC电路正常工作时,用万用表测量D202两端的正向电压会高达数十伏特。如测得D202两端的正向电压为0.6V左右,则表明电压变换芯片未振荡工作。值得注意的是,由于vGH、VGL、VDD、VDA及灰度等电压的带载能力不强,若相应的负载漏电也会导致其电压下降。实修时,若逻辑板与液晶屏的排线可以断开,则可先断开这些排线再上电检测,如图11所示,若电压恢复正常,则说明故障点在液晶屏内部;否则,故障上在逻辑板上。
值得注意的是,在部分液晶彩电中,逻辑板为一长条形电路板,位于屏背后的上方。该板与屏连接的排线(对称TAB排线)是压焊在印制板上的,不能直接取下。在这类逻辑板中,TAB排线的接头焊点非常密集,受潮后焊点间易出现漏电现象,从而将VGHVGL等电压拉低,出现灰屏故障。实修时,可先用户无水酒精将TAB排线接头焊点清洗干净,再用户吹风机吹干。

第四步:检查LVDS信号是否正常。IVDS信号测试点既可在逻辑板的上屏线接口处,也可在主板的上屏信号输出插座处,如图13所示。
正常时,LVDS信号的直流电压约为1.2V。如有条件可用示波器测量LVDS信号波形来进行更为准确的判断,正常波形如图14所示。

若测得主板送给逻辑板的LVDS信号正常,并且逻辑板的各关键点电压也正常,则故障部位在液晶屏内部的行、列驱动电路中,这时就需拆开液晶屏上的边框,对与液晶面板相连的行、列驱动电路进行检查,如图15所示。

由于行列驱动电路的维修资料匮乏,故此处所说的检查是指粗略检测,即查看板上元件有无烧焦变色现象,电容及晶体管元件有无明显短路现象。若经过检查后判断行列驱动电路无法进行元件级修复,而更换行列驱动板需专用的热压设备(即常说的压屏工具),因此这类故障也通常称为液晶屏损坏。
第五步:检查主芯片与DDR存储器电路。若主芯片未输出IVDS信号,则先检查主芯片的各组供电是否正常,尤其是LVDS发送器电路的供电,再检查解码电路外围晶振(多为27MHz)与DDR存储器电路的供电与通讯电路,接下来补焊主芯片与DDR存储器。提示:若菜单字符正常,但无图像,这时需重点检查与主芯片内部解码电路相关的供电、晶振电路,若这些均正常,则是主芯片内部的解码电解损坏。
第六步:先进行软件升级,再代换主芯片。若上述检查均正常,则试着进行软件升级,然后更换写有相同配置(含主板、液晶屏型号、遥控器等信息)数据的存储器,最后代换主芯片。综上所述,液晶彩电灰屏故障的检修流程如图16所示。
三、故障检修实例
例1:一台康佳LC32ES62电视,二次开机后有声音,背光亮,黑屏(能隐约看到非常暗淡的光栅)。分析检修:该机配用奇美液晶屏,型号是V315B3-L04。由于开/关机与伴音正常,故怀疑逻辑板有问题。拆开逻辑板上的屏蔽盖后检查,发现逻辑板(型号是V315B3-C04)上的保险管FP1开路,贴片场效应管QP2表面烧焦,如图17所示。
拆下QP2后顺着线路检查,发现QP2中间那只引脚(S极)与测试点VAAP相连。用万用表测得VAAP端对地电阻为0Ω,即该端对地短路。断开逻辑板与液晶面板的排线后测量不再短路,看来短路点在液晶面板所连的行列驱动电路中。
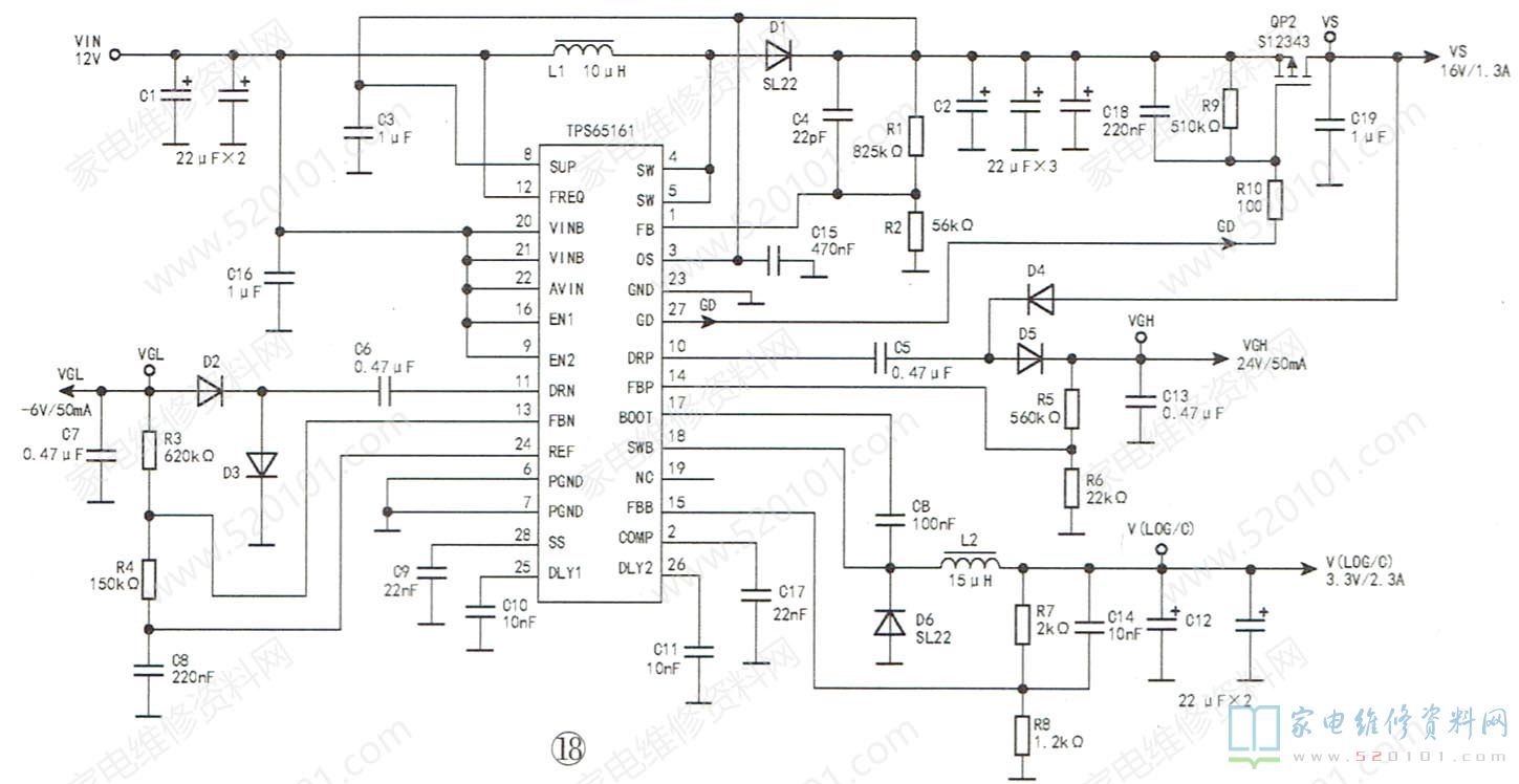
拆下液晶屏的金属边框后,检查行列驱动板,未发现异常,这时连接好逻辑板再测VAAP端对地电阻仍不短路,这是什么原因呢?仔细观察后发现,与液晶面板相连的驱动板略有拱起现象,其上面的贴片元件刚好与金属边框接触,造成VAAP端对地短路,从而击穿QP2。在边框的该位置处贴上绝缘胶带与薄塑料片,确保屏驱动板上的元件不直接接触金属壳。查看该型逻辑板的相关电路,发现QP2是一只P沟道场效应管,,起开/关控制作用,如图18所示。
图标QP2的型号是S12343,实物标注的型号是A3SV。从电路分析,QP2的耐压VDS与最大电流ID分别选用30V、2A即可,于是从一块废旧电脑主板上拆下一只A31B型P沟道场效应管换上,开机图声正常。
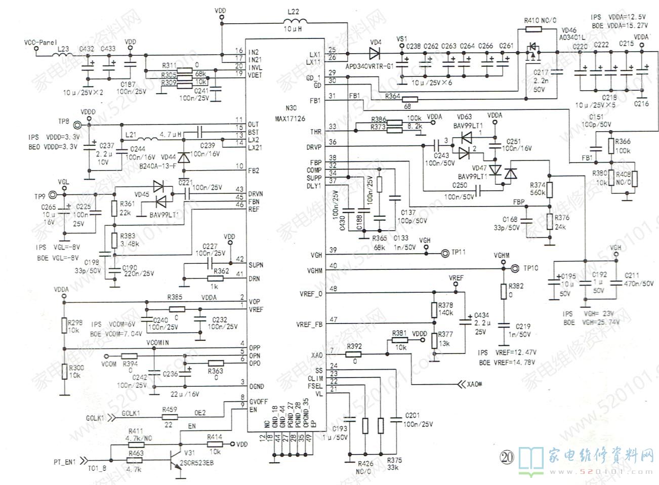
例2:一台海信LED32K10彩电(RSAG7.820.4801 主板),伴音正常,白屏。分析检修:该机主板简称4801主板,安装有逻辑处理电路。根据故障现象分析,主要检查N30(MAX17126)及其外围电路,如图19所示。MAX17126 是一块带有VCOM放大器和高压Gamma参考电压的多通道电源芯片,采用48脚7mmX7mm的TQFN封装方式。
另外,该主板背面标注有相关测试点:TP8表示VDD,正常值为3.3V;TP9表示VGL,正常值为-5.6V;TP10表示VGHM,正常值为24.8V;TP11表示VGH,正常值约为27V,相关电路如图20所示。
上电测得N30供电(VDD)为正常值3.3V,VGL电压为-6V,但VGH电压仅为7.6V,明显异常,这说明N30工作不正常。检查N30引脚无虚焊现象,怀疑N30损坏,换新后故障排除。由于MAX17126底部有接地片,因此在焊接MAX17126前要先将焊盘清理干净,在引脚上涂少量松香,并植上一点锡,对准位置后用热风枪吹焊,在引脚焊锡全熔化后用镊子轻轻压一下 ,确保接地良好。提示:采用4801主板的海信液晶彩电还易出现不定时白屏、灰屏故障,原因多是N30到液晶面板的电路过孔接触不良,将这些过孔直接用导线连接即可。
例3:一台40英寸乐华LED液晶彩电(VST59机芯),灰屏,伴音及遥控、键控均正常。分析检修:试机,能隐约看见暗淡的光栅,即背光亮,由此判断电源与背光驱动电路正常,故障部分应在主板或逻辑板上。测得逻辑板的供电电压为0V,正常时应为12V。断电测得逻辑板并无短路现象,怀疑主板的上屏电压控制电路有问题。该机的上屏电压从主板的上屏线插座的①~③脚输出。顺着线路查看,发现该插座的①~③脚与一只3脚贴片元件的中间引脚相连。该贴片元件的型号标注为“WP90”,如图21所示。
根据原理分析,此贴片元件应为场效应管,在此电路中起开/关作用。由于该场效应管中间引脚为漏极(D),现作为电压输出端,故判断其为P沟道场效应管。
上网查询“WP90"型场效应管的参数无果,于是通过该管在电路中的作用估计:耐压应不低于16V,最大电流应不低于1A。由于手头没有这类小型P沟道场效应管,于是从一块废弃的高压板上拆得一只P沟道功率管D413(耐压为40V,最大电流可达12A,D、S极间的导通电阻小于45mΩ,完全能满足上屏电压控制电路的要求),对应引脚接好线,并作好元件间的绝缘处理,最后将D413固定在空隙处,如图22所示。通电试机,故障排除。

