本故障是指上电后电视机无图、无声无光,且面板指示灯也不亮。对于部分液晶彩电而言,上电后面板指示灯不亮,通常意味着待机电源异常,故障出在待机电源电路中:还有部分液晶彩电的面板指示灯受CPU控制,即使电源板工作正常,若CPU工作异常,指示灯也可能不亮。因此,该类故障原因既可能是待机电源的问题,也有可能是CPU控制系统的问题,而引起CPU工作异常的原因既可能是硬件故障,也有可能是软件故障。
一、故障原因分析
1、待机电源异常
液晶彩电在上电后,开关电源中的待机电源电路输出+5V电压,部分液晶彩电输出+3.3V或+12V电压,供给主板上的CPU及遥控按键电路。若此电压缺失或过低,则主板上的CPU不工作,不能二次开机。
2、开/待机控制电路异常
二次开机时,只有电源板收到主板送来的开机指令后,功率因数校正(PFC)电路与主开关电源电路才工作,整机才能进入正常开机状态。若开/待机控制电路异常,则电源板输不出主电压,整机无法二次开机。电源板上或主板上的开/待机控制端的英文标注通常为ON/OFF.STB.PS -ON、PWR、POWER或POWERON等,如图1所示。
3、电源板上的主电压无输出或输出电压偏低
在待机电源及开/待机控制信号正常后,电源板上的主开关电源应输出正常的电压,否则电视机仍无法二次开机。
4、主板上的某组电压异常
液晶彩电的主板上设有供电变换电路(又称DC-DC变换电路),主要由低压差稳压块(LDO)或降压集成块等元件组成,作用是将电源板送来的+5V、+12V电压变换成+5V、+3.3V、+2.5V、+1.8V、+1.26V。等多组电压,供给相应的电路,如图2所示。

在检修本故障时,应重点检测主板上3.3V、2.5V及1.26V电压是否正常。
5、CPU复位或晶振电路异常
在供电正常的情况下,若CPU复位或晶振电路不正常,则CPU不能进入正常工作状态,同样会出现三无故障。
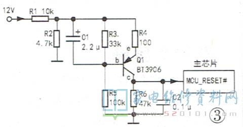
有的液晶彩电的CPU复位电路与普通CRT彩电一样,由复位三极管等元件组成,如图3所示。
二次开机后,由于电容C1两端电压不能突变,电源板输出的12V电压给C1充电,在此过程中,C1等效于通路状态,由于此时三极管Q1的b、e极电压相近,则Q1截止,其c极输出低电平;当C1充电结束后,C1等效于断路状态,由于电阻R3与R5的分压,Q1导通,其c极输出高电平。在这个过程中,Q1由截止到导通,其c极能保持一定时间低电平(即低电平复位),这个时间就是CPU复位所需时间。有的液晶彩电的CPU复位电路非常简单,其复位端仅外接一只贴片电容即可。
值得一提的是,在绝大多数液晶彩电中,CPU并不是单独一块IC,而是与视频解码、图像格式变换、缩放处理等电路集成在一块芯片内,该芯片常称作主芯片或单芯片。
6、总线电压异常
在液晶彩电中,总线上主要挂有存储器高频头、音
效处理IC等元件,若这些器件中某只损坏引起总线电压异常,也会导致CPU发不出开机指令。
7、DDR存储器或程序存储器异常
大部分新型液晶彩电在开机时,CPU会将FHash存储器中的程序调到DDR存储器中运行,若DDR存储器不良,则可能导致电视不开机。
另外,部分液晶彩电在二次开机时,CPU会对DDR存储器及程序存储器(含引导程序存储器、主程序存储器)进行检测。若检测失败,则CPU不发出开机指令。由于DDR存储器在液晶彩电中扮演着非常重要的“角色”,故顺此对液晶彩电中DDR存储器的特点作一个说明。
DDR存储器是英文DoubleDataRate的简称,表示双倍速率同步动态随机存储器,是液晶彩电中较为常见的器件之一。
在液晶彩电中,图像解码电路在对各种输入信号进行数字化处理的过程中,有大量的中间信息需要进行暂时存储,以便随时调用。完成这个中间存储任务的就是DDR存储器。主芯片通过地址线数据线及一些控制信号线与DDR存储器建立通讯,进行数据的读出和写入。
另外,许多液晶彩电由于功能较多,开机时所需运行的程序数据也很多,则CPU会在开机时将Flsh存储器中的程序调入DDR存储器中运行。因此,对于这类彩电而言,若DDR存储器损坏或与cPU的通讯电路异常,则会导致不开机。
目前,液晶电视主板上使用的DDR存储器共分为3代,每一代DDR存储器的工作电压和工作所需的基准电压(VREF)也各不相同:其中第一代供电为2.5V,基准电压为1.25V;第二代供电为1.8V,基准电压为0.9V;第三代供电为1.5V,基准电压为275V。 第二、三代DDR存储器多采用BGA封装。
DDR存储器的引脚除连接供电和基准电压外,还有接地线、地址线、数据线控制线和空脚。其中,数据线控制线、地址线为双向传输方式。数据线主要用于交换数字信号。控制信号一般由行列地址控制信号时钟信号、数据选通信号、数据屏蔽信号等组成,在数据交换的过程中起控制功能。地址线传递的地址信号,在控制信号的配合下,对交换的数据进行准确寻址,以确保信息传递的准确性。
在图纸上,数据线的标法一般为 MDQ或MDATA开头,如图4所示,MDATA0~MDATA15,则表示DDR存储器的16条数据线;地址线的一般标法是以MAD或AR开头,比如ARO~AR11,则表示DDR存储器的12条地址线;控制线的标法较多,如常用MCAS或CASZ表示列地址控制信号,MRAS或RASZ表示行地址控制信号,MDQS或DQS一般指数据选通脉冲,MDQM或DQM -般指数据屏蔽信号,MWE或WEZ一般指写使能控制信号,MCLK或MCLKE表示时钟信号,VREF或FSVREF表示基准电压。一般来说,对于一块DDR存储器而言,除了地址线、数据线、供电线地线、空脚外,其他引脚就是控制信号端。

提示:DDR存储器对工作电压和工作所需的基准电压的要求很高,若电压值偏离过多或电压纹波过大,都可能导致其工作异常。
8、程序数据异常
程序数据异常即常说的软件故障。此处所说的程序数据多指引导程序(BOOT)和主程序数据,分别存储在Boot Flash和Nand Flash中,若怀疑是软件故障,可先对电视进行引导程序和主程序升级,看能否排除故障。
9、主芯片引脚虚焊或损坏
主芯片的引脚较多,且非常密集,因运输或热胀冷缩等原因,引脚虚焊也时有发生。另外,在正常情况下,待机时,主芯片表面仅有微热感;二次开机后,主芯片温度会明显上升。若上电后(在待机状态),主芯片温度上升较快,则可判定主芯片已损坏。
二、故障检修步骤与方法
第一步:测量开关电源电路输出的待机电源电压是否正常。实修时,应首先测量待机电源是否正常,若该电压偏低,可断开主板,接上一只102-22/3W电阻或10W/12V灯泡作假负载,如图5所示,若待机电源正常,则表明主板存在短路现象。若空载时待机电压正常,但接上主板后电压下降,这时可用万用表测量其输出电流。在正常状态下,待机电流值为几十毫安(一般为50mA~90mA)。若电流值过大,则表明主板有问题否则,说明待机电源带载能力差,故障部位在待机电源电路中,可先代换其滤波电容、整流二极管,最后代换电源芯片。

第二步: 测量开关电源的开/待机控制端的电压是否正常。在按压遥控器上的开/待机键时,测量开/待机控制端电压,若电压出现明显的跳变现象(通常在0V与3.3V间跳变)则表明开/待机控制电路正常;否则,说明CPU未工作或开/待机控制电路异常。
第三步:二次开机后,测量主电源的输出电压是否正常。二次开机后测量主电源的输出电压。若输出电压偏低,则断开原机负载,在各组电压上接上相应的假负载,然后强制开机,如图6所示,并测量各组输出电压是否正常。

第四步:测量主板上的各DC-DC电路及稳压器的输入、输出电压是否正常。
DC-DC电路通常由一只8脚或6脚贴片集成块与外围的电感二极管等元件组成,如图7所示,其输入端通常外接-只大容量的电解电容。 该电容两端常作为输入电压的测试点;其输出端通常外接一只外形较大的电感,电感的另一端常作为输出电压的测试点。

低压差稳压器(LDO)多采用1117或1084系列,如图8所示。1117系列的最大输出电流为1A,1084系列的最大输出电流为5A。这两个系列稳压块自身压降均低至0.6V,且引脚功能相同:①脚外接分压电阻(输出电压可调型,型号后缀为ADJ)或接地(输出电压固定型,型号后缀为输出电压值),②脚或散热片为稳压输出端,③脚为供电输入端。

第五步:检查CPU的复位及晶振电路。实修时,可通过测量CPU的复位端及晶振两端的电压来判定;正常时,CPU的复位端应有高低电平变化现象;晶振两端应至少有0.2v的电压差。
第六步:检查存储器的供电及通信电路是否正常。由于DDR存储器的引脚多,且靠近主芯片安装,加之外围线路密集,如图9所示,所以DDR存储器引脚虚焊或外围线路漏电现象时有发生。因此,实修时可先补焊DDR存储器,然
后检查DDR存储器与主芯片之间的通信线路,尤其是控制线,主要检查相关排阻有无短路或开路现象,过孔有无漏电现象,最后测量DDR存储器的供电及其基准电压是否正常。

值得一提的是,部分液晶彩电的用户存储器不良或与主芯片之间的通信异常,也会引起三无故障。
第七步:检查总线电压是否正常。实修时,可通过测量用户存储器24Cxx的⑤脚(SDA)、⑥脚(SCL)电压来判断总线电压是否正常,正常值均约为3.2V左右。若总线电压异常,可依次断开总线所挂元器件进行检测。
第八步:查看开机打印信息或进行软件升级。若故障机具有开机打印信息功能,可借助ISP升级工具及相应的软件,在给电视机上电时查看其打印信息,以快速判断故障原因。
提示:部分液晶彩电安装有 多块DDR存储器。若开机打印信息提示DDR存储器异常,为快速判断是哪一块DDR存储器的问题,可用镊子短接各块DDR存储器外围排阻,看开机打印信息有无变化,若有变化,则表明该DDR存储器正常;若均无变化,则重点检查主芯片。
第九步:先补焊主芯片,再代换主芯片。实修时,可先用手压住主芯片再上电,若故障现象消失,则可判断主芯片引脚有接触不良现象,这时用热风枪补焊即可。注意:有些主芯片背面中间是接地的,同样也需要补焊。
提示:目前,主芯片内部的CPU内核供电多为1.26V、1.15V或1V,若该组供电过低(低于标准值0.02V,甚至更低),则会出现不开机或开机困难故障,这时可脱开主芯片的该组供电电感,看电压能否恢复正常,也可测量主芯片该供电端(断开供电电感)的在路电阻值,若阻值过小(正常值为200Ω~700Ω),则表明CPU内核电路损坏。
综上所述,液晶彩电三无故障的检修流程如图10所示。

三、故障检修实例
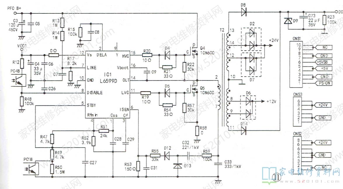
例1:一台长虹LT3212液晶彩电,在正常使用中突然关机,电源指示灯也不亮。分析检修:拆机检查,发现电源板(型号为FSP205-4E01)上的保险管F1(4A/250V)已发黑性熔断,这说明开关电源初级电路有严重短路现象。在路测量,发现除主电源开关管Q4、Q5击穿外,其他元件未见明显异常。更换保险F1及Q4、Q5后上电,测得插座CNS1的⑥脚输出5VSTB电压。将CNS1的①脚(PS-ON)与⑥脚短接(即强制开机)后上电,主开关电源无24V、12V电压输出,这说明主开关电源仍有问题,相关电路如图11所示。
测得PFC芯片(U1,UCC28051 )的⑧脚和主电源控制芯片IC1(L6599D)的12脚供电(VCCT)约为6V,而正常值约为15V。显然,U1和IC1因供电电压过低而不能工作。检查vcC1供电电路未发现问题,难道是U1或IC1短路?当焊下给IC1的12脚供电的0Ω电阻后,在路测得vCC1端对地阻值由之前的七十多千欧姆升至近150k,这说明IC1有问题。拆下IC1及Q4、Q5后上电,发现vCC1电压升至15.3V,PFC B+电压约为394V,均正常。断电后换上IC1和Q4.Q5开机,保险管F1瞬间熔断,Q4、Q5再次击穿。仔细检查主开关电源初级电路,发现IC1再次损坏,其他元件并无异常。会不会是主电源负载有问题呢?
检查主开关电源次级电路,在路测量12V、24V整流二极管D6 D2均正常,后级滤波电容也无问题。在检测中发现开关变压器T2次级绕组有两根线已明显烧煳,已粘在一起。 顺着线路检查,发现这两根线实为一个绕组的线头,该绕组输出的电压经D8、D14及C73整流滤波后,输出给30V(DD)电压,送给运算放大器ICS1(LM324 )的④脚。检查该电压的整流滤波元件,发现整流二极管D8、D14与稳压二极管D9均已击穿。
由于买不到该型开关变压器,于是决定先拆开修理。拆下T2,先用热风枪加热磁芯粘胶,再用小平口改锥撬开磁芯,发现30V电压绕组为两组线圈并联,每组线圈不足两匝。将粘在-起的两个线头分开,并将烧煳处清理干净,最后在该绕组线圈表面涂上绝缘漆,待漆干透后用胶水粘好磁芯,安装好T2。
D8、D14 用RU2代用,D9用33V的稳压二极管代用,然后换上F1、Q4、Q5及IC1后试机,主开关电源各组输出电压均正常,至此故障排除。
事后分析,该机的故障 原因如下:在正常使用中,D9突然击穿,随即引起D8、D14过流击穿,此时流过该绕组线圈的电流大幅增加,线圈迅速发热,线头因绝缘层烧毁而短路,这使得开关电源过载,从而导致开关管击穿,并连带损坏IC1。
提示:1.在未安装IC1时不能上电,否则开关管Q4、Q5会因G极悬空而击穿。2、 Q4、Q5击穿后会连带损坏IC1。
例2:一台长虹LT32710液晶彩电(LS23机芯),三分析 检修:该机指示灯不亮,初步判断电源板(型号为R-HS120-4S01)有问题。拆机检查,发现保险管及旁边的VZ3均炸裂,测量其他元件无明显异常。更换上述元件后试机,指示灯亮,二次开机无反应。强制启动电源板,无5V、24V电压输出,但PFC电压为正常值380V,这说明副电源和PFC电路均正常,主电源电路有问题。检查主开关电源控制芯片IC7(SSC620S)的②脚供电正常,测量各脚对地阻值也无明显短路现象,检查其外围元件也未发现异常,于是更换IC7后试机,故障排除。
后来发现,该型电源板上的IC7故障率较高。
例3:一台海尔L37V6 -A8K彩电,三无。分析检修:拆机检查,发现该机电源板(型号:PSM205-407-2-R)上的一只8脚集成块已炸裂。查看线路发现炸裂的元件是副电源块,且与二极管D306( PG2010)负极相连的铜箔已烧断这说明副电源电路可能存在较严重的短路故障。
该机副电源块采用FSD210(IC301),如图12所示。
拆下IC301并连接好铜箔后在路检测,发现除D306击穿外,PFC电路与主电源电路(输出5V、12V、24V电压)未发现异常。更换IC301及D306后试机,待机5V电压正常;二次开机后电源指示灯忽明忽暗闪烁,不能二次开机,这时测得待机5V电压在3.2V~5V之间波动。拔下电源板与主板相连的排线,待机5V电压正常。检查主板上的待机5V负载无短路现象,这说明故障系副电源带负载能力低所致。
检查光电耦合器PC2 (817C) 与精密稳压器SHR401(TL431)均正常,代换C301(47uF/50V)、C308(22uF/50V)、C302(472)后故障依旧。连接好主板,通电测得IC301的⑤脚供电波动明显,检查其外围电路,发现电阻R306已开路(正常值为470Ω), 换新后试机,故障排除。
后来接修了多块该型号电源板,发现副电源块FSD210易烧坏,原因是用户无关断总电源的习惯,电视机长时间处于待机状态所致。