本文主要内容为实物图、LCD屏逻辑板结构图、DC/DC变换电路分析、采用THV305的DC/DC电路分析、采用BD8139EFVGamma校正电压,VCOM电压发生器和LVDS//LVCMOS/LVTTL格式转换电路等构成。
一、SHARP LK315T3LZ54屏逻辑板(T-CON)实物图
  
 
 
 
二、SHARP LK315T3LZ54屏逻辑板结构图
  
 
 
 
三、采用THV3051的DC/DC电路实物
       该电路的作用是产生屏所需的VGL,VGH, 以及gamma电压发生器所需的VDA:15.6V电压(不同屏所需电压不同),和格式转换IC所需的VDD供
  
 
 
 
四、(自绘)采用THV3051的DC/DC电路原理图(部分)
  
 
 
 
五、(自绘)采用THV3051的DC/DC电路易损件维修提示
  
 
 
 
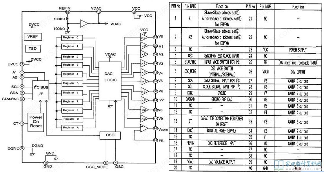
六、采用BD8139EFVGamma校正电压,VCOM电压发生器实物图
  
 
 
 
七、采用BD8139EFVGamma校正电压,VCOM电压发生器
 
 
八、LVDS/LVCMOS/LVTTL格式转换电路简图
  
 
 
 
九、CN1/ LVDS屏线接口释义
  
 
 
 
  
 
 
 
十一、CN4,CN5输出排线实测电压值
  
 
  
 
 
 
十二、CN4,CN5输出排线主要信号脚位
 • 32---39脚:TTL8位R0--R7 OUT;
 • 40---47脚:TTL8位G0--G7 OUT;
 • 60---67脚:TTL8位B0--B7 OUT;
 • 69,70---79脚:GAMMA灰度校正,GM0—GM9 OUT. 15.5V----8.5V递减。
 十三、CN4,CN5输出排线9----21供电 
  
 
			版权声明:本文为转载文章,版权归原作者所有,欢迎分享本文,转载请保留出处!
			
		
		
		
		
		
		
	 
								