一、整机电路结构特性及电源电路组成与工作过程
(一) 整机电路结构特性
松下M15M机芯是日本松下公司在90年代初期设计生产、并向我国市场投放的兼容性强的大屏幕直角遥控彩色电视机机芯。它采用了许多提高画质的先进电路和超平面黑色屏,具有丰富的AV接口,适应于国际上主要广播电视台和视频播放系统,能接收全球的多种制式的电视节目.具有30个节目自动调谐、国际线路(21制式)7W+7W立体声放大器和屏幕显示、定时关机等功能,并配有AV卡拉OK端子、AV输出端子、S-AV输入端子、34键电视/录像两用遥控器。
该机芯的主机芯电路由六块集成电路组成。其中高中频信号通道采用AN5138NK(IC101和MN40528(IC201);亮度、色度(PAL/SECAM/NTSC)及行、场扫描小信号处理采用TA8643N(IC601);场输出采用AN5521(IC451.);音频输出采用AN7158N(IC2302);音量/音质/平衡处理采用AN5836(C2050)。系统控制由富士通微处理器BM5069为核心,它不仅对各种输入信号进行译码识别,而且还要发出对应操作的各种红外信号,对机芯电路实施控制,完成各种功能操作。其中遥控发射器采用M50560—117FP(IC1);遥控接器采用AN5025S(IC1110);控制信息的存储器采用M58655P(IC1102); 自动复位电路采用MN1280R
(IC1003),频段切换采用AN5071(IC1104);彩色制式系统转换采用TVSTC4066BP(IC1105);AFC开/关电路选择采用TVSTC4066BP(IC102)。
电源系统由两组自激并联型开关电源电路组成,电路采用分立元件结构,电路较复杂,但维修方便,电源适用范围宽,能适用110~250V交流电源。电路设置了交流自动切换电路,具有过压、过流、短路保护功能。有五路直流电压输出:即5V、12V、16V、27V.113V。整机功能损耗为160W,输出电流为1.5A。光电耦合器具有良好的安全取样的隔离措施,故为冷底板机芯。与该机芯电路结构完全相同彩色电视机机型有:松下TC—M25C、TC一2687CXV、TC-AV29C等。
(一) 电源电路的组成及工作过程
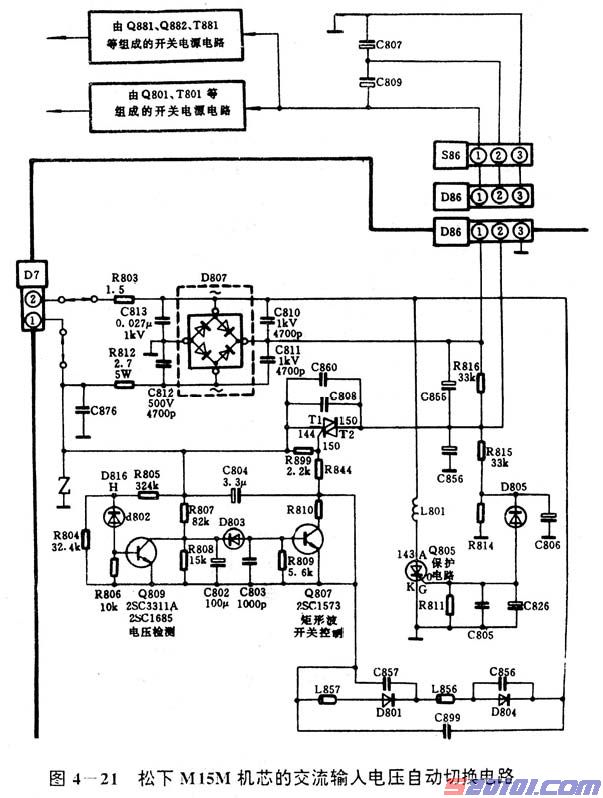
松下M15M机芯的电源系统设有交流输入电压自动切换电路.当市电低于150V时,使用桥式2倍压整流方式;当市电高于150V时。使用普通桥式整流方式,能自动适应各地电网供电。无论市电电压的高、低变化,该机芯都能适应而使电视机正常工作。该机芯采用了光电耦合器件D826(TLP621GR—LF2)进行开关电源与主电路板接地点隔离,既提高了安全性能.又为录像机、卡拉OK等设备的视、音频终端连接创造了条件,
该开关电源还设有多种保护电路,如整流电源过压保护、开关管击穿保护、开关管过流保护、输出电压过压保护、输出短路保护等电路用以提高其工作的可靠性。
该开关电源主要由交流输入自动切换电路、主开关电源电路、遥控电源即+5V待命电源、电源系统的控制电路及自动保护电路等单元组成。下面从维修角度出发、将各单元的电路形式与工作过程作一简介:
1.交流输入电压自动切换电路的工作过程
为了能使松下M15M机芯系列彩色电视机在交流电网电压从110V到250V范围内不用任何手动调整整机均能正常稳定地工作,特设置了交流输入电压自动切换电路.具体电路见图4一21所示(以松下TC—AV29C型机为例,以下均同)。
如图.该电路主要是用来自动切换整流滤波方式.使整机工作在普通桥式整流方式或桥式2倍压整流方式。整个电路主要由稳压管D802、D803.晶体管Q807、Q809以及双向可控硅Q804(TVSACO5DGM)等元件组成。其中双向可控硅Q804的作用类似于一只受控的双向开关,该开关根据电网电压的变化情况自动地断开或接通,以此来切换整流滤波方式。具体工作过程与机理如下:
(1)切换点电压及取样电压的设定
松下M15M机芯的交流输入电压自动切换电路的切换点电压为150V。切换点电压设定电路主要由取样电阻R804、R805,稳压二极管D802等组成。
(2)自动切换过程与机理
如图4—2l,220V市电压经多级电源滤波器(由L813、L814、L806等组成)滤除电网中的高频干扰信号后(同时,也防止脉宽调制开关电源本身所产生的高频干扰对电网产生污染),通过D7插件的(1)、(2)脚送至整流滤波电路。
从D7插件(1)、(2)脚进入的交流电压经整流二极管D801、D804对输入的AC电压负半周进行半波整流,再通过电容C804滤波后得到随电网电压高低而变化的DC电压。该电压有两个作用:
i直接加至电阻R805、R804上作为切换取样电压;
ii为由Q807、Q809管等组成的控制电路提供工作电源。
若输入的交流电压高于150V时,分压点取得的电压(分压电路由R805、R804组成,分压点电压即为图4—2l中H点的电压)使稳压管D802击穿处于稳压状态。此时,Q809管基极获得正偏压而导通,并发生如下过程:Q809集电极电压降低、电流增大→电阻R807上的压降增大→稳压管D803负极电位变低→D803管截止→Q807管因失去正偏压而截止。Q807管截止以后,双向可控硅Q804因无触发电流而关断(相当于T1、T2两端呈开路状态。这样,电源电路的整流滤波方式与普通彩色电视机的整流滤波方式无多大的区别,即220V电压经插件D7的(1)、(2)脚送到D807(D4SB80Z)进行桥式整流、滤波电路滤波后(此时的滤波电容由C855//C809然后再与C856//C807串联后组成,这样连接的目的主要有两个:一是为了适应自动切换电路的需要;二是可以有效地改善滤波效果和提高滤波电容的耐压强度),提供给开关电源电路。
若输入的交流电压低于150V,则经D801、D804半波整流、C804滤波后的直流电压就相应地降低,这样,由R805、R804组成的分压电路分压点H的电压也相应下降,导致D802管截止。Q809管因失去正偏压也截止(其c—e结间相当于开路),造成Q809管集电极电位升高,从而使电阻R807上的压降变小。这时,滤波电容C804两端的直流电压通过R807对C802(100μF/50V)充电,延时数秒钟后(其目的主要是为了防止交流电压的瞬间波动造成有关元件产生误动作),D803管处于击穿稳压状态,Q807管的基极获得正偏压而导通,Q807
管的集电极电压下降、电流增大,其集电极电流经R899、R844、R810、Q807导通的c—e极到达半波整流电源负端。该电流在电阻R899上产生的压降,使Q804管得到触发电压而导通(此时T1、T2两端可视为短路状态),整流滤波方式自动从普通状态切换到桥式2倍压工作方式。
(3)桥式倍压整流机理
为了便于读者理解,现将图4—21中的桥式2倍压电路简化成图4—22所示。
如图,它是一种利用电容充放电的整流形式,具体过程是:在交流输入电压Vin的正半周时.220V交流电压经D7插件的(2)脚→R803→D807-3→电容C855//C809→导通的Q804管→D7插件的(1)脚,从而形成回路,这—回路对电容C855//C809进行充电,使其充上了约为2倍的输入电压值,即2Vin;在交流输入电压的负半周时,220V交流电压经D7插件的(1)脚→导通的Q804管→C856//C807→D807一l→R803一D7插件的(2)脚。从而形成回路,这一回路对C856//C807电容进行充电,使其充上了与C855//C809电容上一样的直流电压(即2Vin);C855//C809与C856//C807充电电压相叠加,就组成了负载电路RL的供电电压。采用倍压输出的目的,主要是为了保证有足够的整流输出电压,以使整机电源电路在电网电压较低的情况下,也能正常稳定地工作。 [Page]
在上述分析中,只考虑C855//C809、C856//C807的充电过程。并未考虑其放电的影响。事实上.由于负载RL的存在(阻抗一般不高),在正半周时在C855//D809上充电到2Vin后,D807—3管将截止。这时.C855//C809上的电压将通过RL→D807一2→R812→导通的Q804进行放电;在负半周时,当C856//C807充电到2Vin后,D807—1管将截止。这时,C856//C807上的电压将通过导通的Q804→R812→D807—4→RL进行放电。由此看出,实际加在RL上的电压应为2Vin。在整机中两种电压方式下的整流过程如下:
当输入的交流电压高于150V时,C804两端直流电压R805,R804分压,使分压点的电压值(大于16V)将稳压管D802齐纳击穿,Q809获得正偏而导通,Q809的Vc处于低电位而导致D803截止,依次使Q807也截止。此时使得双向可控硅Q804(系统电路的核心部件)得不到触发电流而截止(相当于开关断开)。这时电源按普通桥式整流方式工作.即220V交流电经桥堆D807整流。C855//C809与C856//C807滤波,产生285V的直流电压送往开关电源电路。
如果输入交流电压低于150V时,则C804两端的直流电压也相应降低(约138V左右),经R805,R804分压后,在分压点的电压只有13V左右,故不能使D802击穿而导通,于是使Q807获得正偏而导通,可控硅Q804控制极获得触发电流而导通(相当于开关闭合,T1与T2接通),D807与C855,C856,C809,C807构成2倍压整流电路,保证其在低电压输入时仍有285V直流电压送往开关电源电路。
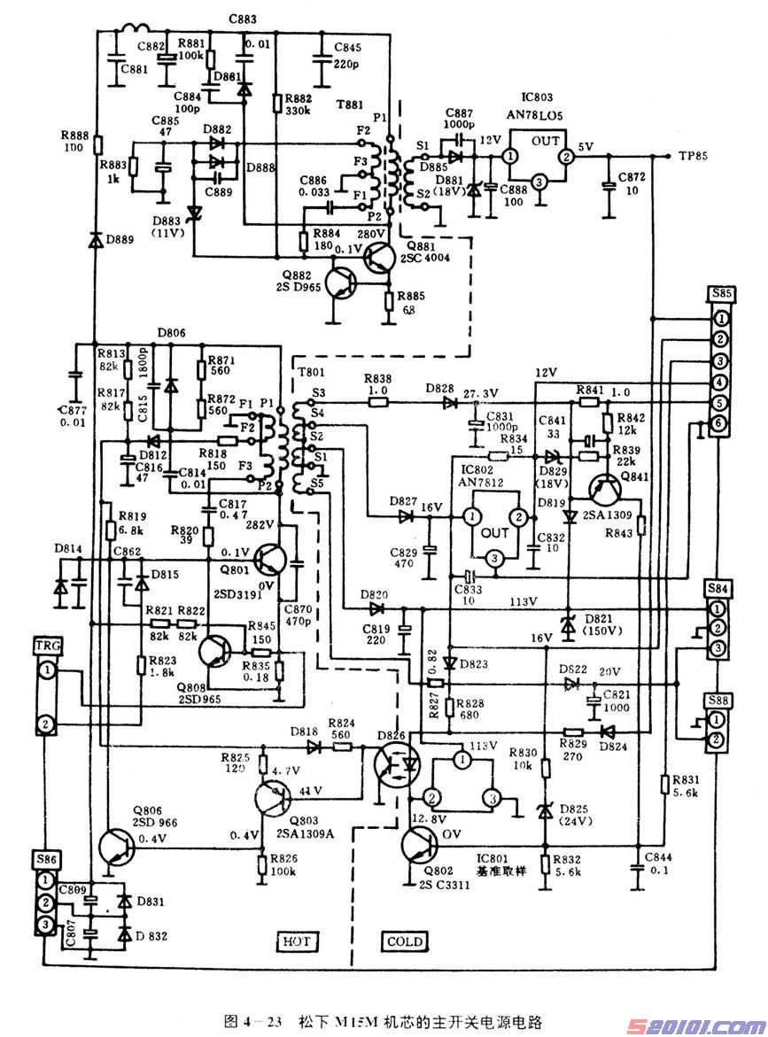
2.主开关电源电路的工作过程
松下M15M机芯的主开关电源电路见图4—23所示。 
如图,该机芯的主开关电源电路为自激式脉冲变压器耦合、调宽并联型开关电源.主要由开关变压器T801、开关管Q801、光电耦合器D826等组成。正常工作后产生113V(供行输出电路)、25V(行幅调整及场输出)、20V(音频功放电路)、16V(保护电路)等四种直流电压。具体工作过程是:
(1)自激开关振荡及脉冲整流输出过程
当电源开关S801按通时,由交流输入电压自动切换电路送来的约300V直流电压经T801初绕组P1~P2加到Q801集电极,并由R813、R817、R819分压后加到Q801基极,使Q801开启导通。Q810导通后,电流流过T801的P1~P2绕组,并产生感应电压耦台到正反馈绕组F2~F3上,再经C817、R820将正反馈电压加到Q801基极,于是Q801将迅速饱和。
在Q801饱和期间,T801PI~P2绕组中的电流线性增大,能量以磁场能形式存储在T801中。饱和期间正反馈电流使C817不断地充电,C817下端即Q801的基极电位不断下降.使Q801正反馈基极注入电流不断减小.最后不能维持Q801饱和使集电极电流减小。Q801集电极电流一旦呈减小趋势,T801各绕组感应电势的极性就均变反,经其F2~F3绕组及C817、R820反馈,Q801迅速转为截止。
在Q801截止状态下,次级电压经D828整流在C831上产生25V的直流电压,经D827整流在C829上产生16V的直流电压,经D820整流在C819上产生113V的直流电压,经D822整梳在C821上产生20V的直流电压,即T801在Q801截止期间把磁场能释放给次级各路负载与滤波电容。当然,Q801截止后,正反馈电容C817经Q820、D814放电.同时285V经R813、R817、R819也给C817反向充电,使Q801的基极电位回升。但Q801基极还没有回升到导通值,由行输出变压器FBT经TRG接插件及R823、D815给Q801基极送入行逆程脉冲,使Q301提前结束截止状态.这样Q801间歇振荡频率被同步在15625Hz行频上。 [Page]
(2)稳压调控过程
M15M机芯主开关电源电路的稳压控制电路由集成控制器IC801、光电耦台器D826、Q803、Q806及其外围电路组成。IC804(S1854LBM一5)的内部电路见图4—24所示。
如图.当某种原因使输出的113V的电压升高时.集成控制器的(1)脚电压升高.经IC801内部的RI、R2分压加到三极管Q基极上的电压也升高.由于Q发射极上的电压由稳压管DW稳定,所以Q的导通程度增大。这样,流过光电耦台器中发光二极管的电流亦增大,因此光电三极管导通程度增大.使Q803正偏加大.集电极电压升高,Q806正偏加大。这样,开关管Q801导通时间缩短.截止时间加长,输出电压下降直到稳定。
当某种原因使输出电压下降时.其稳压过程与以上相反。
3.遥控电源电路的工作过程
松下M15M机芯的遥控电源即+5V待命电源电路也采用开关电源(亦称辅助开关电源),主要由开关变压器T881和开关管Q881等组成,具体见图4—23的上部分所示。其功能是产生+5V直流电压供给微处理器IC1107为核心的控制电路作工作电源。该电路的结构与主开关电源电路类同。如图中由C886、R884和T881的Fl~F3绕组构成正反馈电路,使开关管Q881产生间歇振荡过程。R882为Q881的基极偏置电阻,主要提供启动和工作电流,Q882为Q881的过流保护管。D882,D888的作用是在Q881开关管截止期间,由T881中的F2~F3绕组电压使其导通。并在C885上产生负电压,并经D883加到Q881的基极。在正常情况下,C885上的负压不足以使稳压管D883击穿.故不影响开关管的正常工作。如果Q881饱和期延长,C885上的负压则增大而超过I11V,D883将击穿导通.从而对Q881基极分流,对Q881起保护作用。
Q881的集电极所接的元件C883、D881、R881、C884是降低其突然截止时集电极出现的瞬间高压,从而起防止Q881被击穿的作用。具体工作过程是:当电源开关S801接通时.交流输入电压自动切换电路便有300V左右的脉动直流电压输出。该电压经D880、R888、L881、V882等元件限流滤波后,一路经开关变压器T881的P1~P2绕组加到开关管Q881的集电极;另一路经R882降压提供开关管Q881基极的微导通偏压。此时,开关管Q881微导通,集电极有电流通过,T881的Pl~P2绕组产生感应电压耦合给次级.次级Fl、F3绕组的感应电压经C886、R884正反馈到开关管Q881的基极,Q881的基极电流增大。由于正反馈电路的作用,使Q881的很快进入饱和导通。Q881饱和后.集电极电流持续不变,此时T881上的感应电压减小,T881的各绕组产生很强的反向感应电压,经C886、R884的正反馈使Q881反偏截止,集电极电流—下降到0,于是T881各绕组感应电压消失。电容C886又把反向充得的电能经R884、开关管Q881的发射结形成的回路放电,使Q881获得放电电流又重新导通。如此循环往复.电路便形成了自激开关振荡过程。这样T881的次级便得到了所需的脉冲电压,经D885整流、C888滤波、IC803稳压后获得5V的电压输出,供给微处理器IC1101作工作电源。
4.电源控制电路的工作过程
松下M15M机芯的电源通/断控制电路见图4—25所示。 
如图,它采用光电耦合器控制主开关电源振荡电路的起振与停振方式,以控制主开关电源输出的有无。图中Q1113与Q802为电子开关电路,工作在开关状态,并受微处理器IC1101(BM5609)的控制。待命时,Q1113使Q802导通,光电耦合器件中的二极管发光,照射到光靶上,使Q803与Q806饱和导通,将开关管Q801基极接地而停振,主开关电源无+B电压输出,整机进入无光、无声的待命状态。图中电源副开关与交流220V主电源开关S801联动,副电源开关在主电源开关未按下时处于断开状态,主电源开关按下不松开为接通状态,松开则为断开状态。具体控制过程如下: [Page]
(1)电源开关合上时的动作
电源开关按下、未松开时,主、副电源开关均合上。副电源电路工作,由IC803输出稳定的5V电源,供给中心控制及其外围电路。5V电源通过IC1103使IC1101复位,并使其进入工作状态。副电源5V电压通过R1116、R1137分压加至Q1106基极,使其导通。Q1106导通又使Q1105导通。IC1101的(10)脚键扫输出信号通过Q1105加至其(17)脚键扫输入,经微处理器解码后,在IC1101的(32)脚输出高电平。于是Q1113、Q802截止,随之Q803、Q806截止、主电源电路开始工作,主电源电压有输出,电视机处于关机前的各工作状态。电源开关按下又松开后,IC1101(17)脚键扫输入因Q1105截止而消失,但此时整机已进入正常工作状态。
(2)遥控发射机电源“等待”键接下后的动作
在电视机处于正常收看状态下,触按遥控发射机“等待”键,IC1101将遥控发射器送来的数据信号译码,使IC1101的(32)脚的输出由高电平变为低电平,Q1113导通,其集电极高电平加至Q802基极、Q806导通,D826工作,Q803,Q806导通,Q801基极通过Q806集电极和发射极接地,开关电源不工作,主电源无电压输出,电视机处于待命状态。
D826为光电耦合器件,其功能为传输控制信号以及对主、副电源接地点起隔离作用。
电视机处于待命状态时,触按一次遥控发射机上的“等待”键,IC1101解码发射器来的数据信号,IC1101的(32)脚输出由低电平变为高电平,该电平加至Q1113基极,Q1113集电极的低电平输出使Q802截止,D826不工作,Q803、Q806截止,主电源电路工作,电源电压输出,使电视机工作在待命前工作状态。
(3)停电后恢复时动作(指电网掉电)
电视机在正常收看状态下,若电网恢复供电后,电视机处于待命状态。
电网恢复后,主电源开关处于闭合状态,而副电源开关处于断开状态。由于主电源开关处于合上状态.副电源电路即行工作,供给微处理器及其外围电路的5V电压有输出,于是IC1103对IC1101进行复位,IC1101进入工作状态。由于此时副电源开关处于断开状态,5V的电压无法通过副电源开关分压加至Q1106基极,此时Q1106截止,进而Q1105截止,使IC1101(10)脚的键扫信号无法通过Q1105输入其(17)脚,因此IC1101的(32)脚则为低电平输出,Q1113导通,Q802导通、D826工作而传输控制信号,此控制信号使Q803、Q806导通,主电源无电压输出,电视机处于待命状态。
1.自动保护电路的工作过程
为了提高整机的可靠性,以保证在意外情况下和出现故障时不致于损坏主要元器件,M15M机芯设置了完善的多功能自动保护电路,主要有倍压整流误动作保护、开关管过流与击穿保护、过流保护、25V过流保护、12V负载过流保护等。具体保护过程如下:
(1)倍压整流误动作保护过程
松下M15M机芯的倍压整流误动作保护电路主要由单向可控硅Q805(CR3CM)、取样电阻R814、R815、R816及稳定二极管D805组成(见图4—21)。正常情况下,D805稳压管处于截止状态,Q805可控硅触发极(G)因无电压输入,也将截止(其A、K两端呈开路状态)。如果输入的交流电压超过150V.若由于其检测电路不正常或Q804短路.致使整流电路未工作在桥式整流状态,而工作在倍压整流状态。此时倍压整流误动作保护电路便起控:整流电路输出电压与此时的输入电压成正比,该电压经R814分压取样的电压也随之升高,超过25V时D805被击穿导通,从而触发Q805导通(A—K间短路).使交流电流急剧增大而烧断电源保险.起到保护作用。 [Page]
(2)开关管击穿保护过程
从以上的分析中可知,开关管在大电流、高电压的工作条件下进行开、关转换,而且负载呈感性时.往往承受着很高的反向峰值电压的冲击,有时会被损坏。为了防止开关管击穿,该机芯在电源电路开关管Q801的C—E结间并联了一个RC网络(由C814、C815、D806、L811、R871、R872组成),以降低开关变压器T801初级绕组上的开关尖峰电压,起到消振缓冲的作用。
(3)开关管过流保护
在图4—23中,由过流保护管Q808、取样电阻R835组成过流保护电路。Q801的Ic流经R835时,在其两端形成一定的压降,以此作为取样电压加在Q808的B—E结。正常工作时,R835上的压降很小,不足以使Q808导通,开关管Q808能正常工作。但Q801电流过大时R835上的压降升高,当升高至0.6V时,Q808导通,其C—E结间有电流通过,致使Q801的基极屯流被分流而破坏了工作条件,于是Q8Ol截止,开关电源
停振,起过流保护作用。
(4)+B(113v)过压保护过程
+B即+113V过高会引起整机产生严重的后果。为此.M15M机芯设了双项保护措施:一是在+113V输出线路上接有稳压管D821(D821击穿电压为150V),显然,正常情况下D821不能导通,若113V升到150V以上,则D821被击穿导通.直流电压被短路,使Q80l正反馈能量不足而截止.即中止+B输出。二是通过D826及IC801等调控进行保护:当输出电压(+113V)升高时,经取样送至IC801的(1)脚的电压也升高,经内部自动控制后.其(2)脚端电压急剧下降,光电耦合器中的发光二极管负极电压下降,同时升高的16V输出电压亦经D823、R828使发光二极管正极端电压升高,且经R830、D825使Q802饱和导通,致使光电耦合器中的光电三极管导通,依次使Q803,Q806导通,迫使Q801停振而起到保护作用。
(5)113V负载过流(或短路)保护
113V电压负载过流或短路保护电路由Q841、Q802和D819等组成。当负载电路出现短路性故障,致使+113V输出端电流过大而使电压严重下跌.使D819正偏导通(平时D819反偏而截止),使取样电阻R841上电压降低,Q841由截止状态转为导通状态,集电极呈高电平使Q802饱和导通,遵循上述的保护工作过程。
(6)25V负载过流保护
25V负载过流保护电路由R841、R832、Q841等组成。当25V输出电流过大时,流经R841上的压降增大,使Q841导通。此管集电极电流增大,导致R832压降增大,使Q802导通饱和,引起光电耦台器中的电流过大,导致以后各管导通饱和,最终使开关调整管Q801被迫停止输出。
(7)12V负载过流保护
当12V稳压输出正常时,接于输出端的稳压管D829处于截止状态,保护管Q841不工作,输出不受影响。当输出负载发生短路时。D829首当其冲被击穿,使Q841基极电位下降,因Q841为PNP型管,所以该管由截止转导通,集电极电流增大。此电流通过R832压降增大,使Q802导通饱和,进而使Q803、Q806管相继饱和,最终迫使Q80l停止工作。
二、典型故障的检修流程、确诊故障的关键数据及贵重易损件的修理与替代
(一) 检修流程
松下M15M机芯电源电路的常见故障表现为各路输出为零,整机无光栅,无伴音。由于该机芯属大屏幕与多制式机芯,机内保护电路功能较多,在高压和束电流异常增大,电源输出电压上升等情况下,却会引起“X射线”保护;在电源25V、12V过压时也会导致过流保护。因此,其检修逻辑与一般遥控彩色电视机不一样,首先应确定故障区位。 [Page]
在检修时.可先用万用表测量+B即113V电压,看其是否正常。正常时应重点检查IC1101工作电压、复位电路及有关输出控制电路,以及基色放大电路和行扫描电路等。若无+B电压,则应检查整流滤波电路,一般测试整波滤波输出端有无300V左右电压即可判别。如果有300V电压,最大可能为保护电路动作或待命电路有问题。对于电源保护电路动作的检修、可将电源各输出电压端分别与负载断开试验检查,若断开某一负载后,保护电路不再起保护。可确认该电路中有过电流故障。
对于行扫描保护电路动作(此时IC601的(52)脚电压大干1.3V),也可用上法进行检查。对于某—部分出现过电流,可将万用表置于电流档串入该回路中.并断开待命电路.快速观察其电流并与正常值比较,便能初步判断故障所在。对于上述电路检查,还可采用测总电流而将某部分电路逐一断开.观察电流值的正常与否来判断故障支路。
待命电路的检修,可通过其是否动作来初步判别。当它动作时,故障在待命电路的控制及待命电路中,应从IC1101的(32)脚开始,逐级追寻至待命电路终端。如果待命电路未动作,则故障在开关电源本身,应重点检查电源启动支路、正反馈环路、开关管Q801及开关变压器T801等。
以上检修环节的具体流程见图4—26所示。 
(二) 各主要单元的故障特征及导致故障的关键元件
松下M15M机芯主开关电源电路的结构较为复杂,因此,务必在弄清其结构特性的基础上才动手。如果一开机就烧保险管F801,则先采用静态电阻与观察法,查出过流元件才能通电。如果F801完好,则可直接通电采用动态电压检查法。在实际维修中,该机芯的主开关电源常有如下故障特点:
1.交流输入电压自动切换电路的故障特征及导致故障的关键元件
这部分电路的故障特征是:由于元件损坏或变质引起切换失灵,以致出现整流输出电压过高或过低。输出电压过高,将迫使保护电路动作,导致整机无法通电;若保护电路动作不灵敏或失效.会引起主、副电源的关键元件损坏。因此在检修时一定要拔去接插件S86(以免通电时损坏主、副电源),并在S86的(1)、(3)间接上假负载,然后进行检测。可采用电压法.通过测量切换电压(即双向可控硅Q804的T2端电压)的大小和Q804两端电压的有无来判断切换电路的工作状态是否正常。正常情况下,Q804管T2端电压应为150V.T1端电压应为144V。
在切换电路中.较易损坏的元件是R805、D802、Q807、Q809管等。当出现精密电阻R905变阻值增大、稳压二极管D802开路、Q807管的B—E结短路或开路、Q807管的C—E结击穿短路等情况时,均会造成对Q804的误触发而使其导通,从而使整流滤波方式自动转换为2倍压整流滤波,整流滤波输出端电压大幅度上升,保护电路动作,F801保险丝熔断。
因此,当发现过压保护电路动作(Q805导通)时,除了应检查交流电源电压是否正常外.还应重点检查交流电压自动切换控制电路中的各元件。
2.主开关电源的故障特征及导致故障的关键元件
这部分电路的核心是开关自激振荡电路和稳压控制电路.它们的故障特征分别是:自激振荡电路的故障常表现为不起振,应重点查其开关管Q801,若开关管击穿,则会烧坏保险管或烧限流电阻R803、R812;若开路,则停振;。R813、R817、R819为振荡电路的启动电阻,由于阻值太大,易出现变值或开路,从而使Q801失去启动脉冲而停振;C817、R820、D814为振荡电路的反馈通道,此部分元件损坏会使正反馈无法形成而迫使电路停振;D815、R823为行逆程脉冲输入电路元件,此部分元件不良,会导致+B电压降低并且不稳定,出现图像和光栅异常。对于稳压控制电路来说,主要故障特征是停振或输出电压过高而引起过压保护电路中的D821水久性损坏;通常的故障元件有:Q806、Q803击穿或漏电.使开关振荡电路停振,Q806、Q803、D826及IC801开路损坏,会使主开关电源的输出电压异常。 [Page]
3.自动保护电路的故障特征及导致故障的关键元件
这部分电路在M15M机芯中的保护功能较多.保护功能不一样,则故障特征不一样。在开关管过压保护电路中、R835阻值变大、Q808漏电或软击穿会引起保护电路误动作.使开关电路停振或工作不稳.因此,在检修中若发现Q801损坏,换新后还不能工作时.则可脱开Q808后,测主电源,看能否工作来判断保护电路的故障元件。在+B过压保护电路中、D821若发生漏电会引起保护电路误动作,从而使开关电路停振.可焊开D821后.再测+B电压是否正常来判断之。在25V和20V输出电路过流保护电路中、R827开路的特征是无伴音;R838开路表现为场输出停止工作,因两者是独立的,检修时很容易确诊故障部位。
(三) 确诊故障的所需的关键数据
电源厚膜块S1854LBM一5的各引脚电压及在路正反向电阻值见表4一l0所列
1.厚膜块S1854LBM一5的修理与替代见本章第一节中的内容。
2.中大功率晶体管的主要参数与代换
(1)Q801的代换
Q801的原型号为2SDl391RL,其主要参数是:VCBO=1500V,IcM=5A,PcM=80W,B=5~15。损坏后可用BU508、2SDl427、2SDl431等高反压NPN大功率管来代换。
(2)Q802的代换
Q802原型号为2SD3311A或2SCl685,其主要参数为:VcBo=60V,Icm=0.1A,fT=150MHz。损坏后可用3DGl20,2SCl684、3DGl2等NPN小功率硅管来代替。
(3)Q803、Q841的代换
Q803与Q841原型号为2SAl309A,为硅PNP高频小功率管,其主要参数为:VCBO=25V,IcM=0.1A,Pcm=300W,FT=800MHz。损坏后可用2SAl317、2SAl048、2SAll75、3CG21、3CX204等管子来代换。
(4)Q806、Q808、Q809、Q882的代换
以上四只管子原型号为2SD965或2SD966,为硅NPN小功率管,其主要参数是:VCBO=40V,ICM=5A,PcM=0.75W。损坏后可用3DG27A、3DGl82A、DS11、DS15等管子来代换。
