一、电源电路
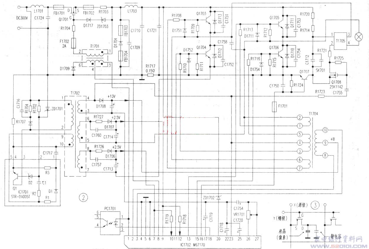
由桥堆DS701、开关变压器T701、误差取样放大器IC703、光耦台器PC701等构成自激式并联型开关电源,见图1,投影灯镇流器包括由开关管Q1701、电感L1703、驱动变压器T1701、C1721、续流二极管D1704等组成的斩波电路;由Q1703~Q1706组成的桥式逆变电路,将斩波器输出的直流电压变成交流(脉冲)电压;由点火变压器T1705、Q1708等构成15kV投影灯点火电路(投影灯启动脉冲产生电路)以及由厚膜电路(STR-D1005T)、开关变压器T1702等构成的辅助开关电源,为逆变器、斩波器提供+13V电源电压,为投影灯提供+2.5V电源电压,见图2。 

二、检修实例
[例1]开机呈三无
检测开关电源各输出端电压均为0V,说明开关电源已停止工作。将开关管Q701拆下检测正常;检测电源输出端各整流滤波元件均正常,分析故障在保护电路。如图1所示,Ic2001 56脚为电源检测控制端,正常时,经D706整流、C715滤波输出的+14V电压加到稳压管D906负极(其击穿电压为5.1V),D906导通。D907负极电压为8.9V,+5V电压经R2067加到D907正板,故D907截止,Ic2001 56脚保持+5v电压而正常工作。当开关电源出现异常,+14V电压消失时,D906截止,D907负极经R910接地,D907导通,Ic2001 56脚对地电压降低,IC2001便发出指令,切断整机电源。将D906、D907拆下检测正常;在路测R910、R2067的阻值正常;将C904拆下检测无异常,仔细观察IC2001各引脚时,发现IC2001 56脚已脱焊。经补焊后试机,故障排除。
由于IC2001 56脚脱焊、+5V电压不能加到IC2001 56脚,CPU误判为+14V电源电压消失,便发出指令,切断整机电源。
[例2]开机呈三无。
短时间强行开机,开关电源有输出电压,但很快电压便消失,估计开关电源有故障,引起保护电路动作。先查稳压控制电路(见图1),将R727拆下检测正常;用一正品uPC1093代换Ic703,故障不变;在路测R726、R728、R720、R721阻值均正常;用同规格正品光耦台器代换PC701,故障依旧;将Ic701各引脚重焊一遍无效,最后查出D726开路。更换D726故障排除。
由于D726开路,使稳压控制电路失去作用,导致开关电源电压失控。当其输出电压异常升高时,经D709整流、C720滤波输出的电压也升高(正常时应为13V)、该电压经R729使光耦合器PC702内的发光二极管发光变强,光敏三极管导通,IC701⑧脚的12V电压经光敏三极管、R719加到晶闸管D705控制极,D705导通、12V电压经D705使Q702饱和导通,对Q701基极的分流加强,致使Q701停振而保护了开关电源和负载不受过压损坏,因而呈三无。
[例3]无图像,但伴音正常。
有伴音,表明伴音功放的12V供电正常,也说明开关电源工作基本正常。用频谱仪测液晶显示板(LCD)X极(MOSFET源极)输入的视频信号正常;但用万用表直流电压挡测LCD板Y极(MOSFET栅极)电压为0V,正常值应有约5V的驱动脉冲,见图3。该电压由开关电源S2绕组经D724整流、C733滤波,再经Ic702(PQ05F11)稳压输出5V提供,Ic2001 58脚输出12V电压经R761控制Ic702输出+5V电压的通/断。将D724拆下测其正反向电阻值正常;再将C733拆下检测正常;测Ic702有输入电压,但其输出电压为0v。更换IC702后,故障排除。
由于IC702损坏,无+5V电压输出,导致LCD板各MOSFET的栅极无驱动脉冲,故不能使液晶发光显示图像。
[例4]无伴音,但图像正常。
图像正常,表明开关电源、IC2001等工作正常,应重点检查12V供电电路。测S3绕组经D709整流、c720滤波后的电压为13v正常;在路测R735的阻值正常;测Q703 c板电压为0V,正常值应为12V。将Q703拆下检测未见异常,测Q704 b极电压为12V正常(该电压由S5绕组提供),将Q704拆下检测,发现其c、e极已被击穿。更换Q704,故障排除。
正常时,IC2001 58脚输出12v控制电压加到Q704 b极,通过Q704的导通与截止,去控制Q703的导通与截止,从而控制Q703 c极输出12V电压的通/断,由于Q704损坏,导致Q703无12V电压输出,伴音功放IC304无供电。
[例5]风扇电机不转,其他正常。
由图1得知IC2001 58脚的控制电压已加到Q708 b极,查风扇电机正常,测其供电电压为0V,正常值应为+12V。该电压由S5绕组经D715整流、C727滤波产生13V电压,再经Q707控制输出+12V为风扇电机供电。测Q707 e极电压约为5V,正常值虚为13V。将D709拆下测其正反向电阻值正常,Q708也正常,将C727拆下检测,已变质漏电。更换C727,故障排除、
[例6]开机呈三无。
测图2中PC1701 (4)、⑤脚间电压为0v,表明金属卤化物投影灯未点亮,其原因:一是开关电源及其保护电路有故障;二是镇流器电路有故障。首先检查开关电源S1绕组外接的D706、C715、C716、L703等元件均正常;在路测R903、R904的电阻值正常;再测开关电源输出的14V电压正常,但经12V稳压器IC705②脚输出电压压0V。更换IC705,故障排除。
由于IC705损坏,其②脚输出的12V电压消失,继电器RY701停止工作,镇流器电源被关断。同时加到Q711 b极的电压消失,Q711截止,D722击穿导通,Q712导通,Q710和D721截止,此时IC2001 57、58脚的电压均均4.7V,使D719、D720截止,所以D713、Q713导通,光耦合器Pc702导通,D705、Q702导通,分流加强,开关电源停止工作而呈三无。
[例7]无图像,伴音正常。
测C1724两端电压为300V正常(见图2),说明镇流器输入电压正常;再测C1721两端电压为0V,正常值应为200V,表明斩波电路有故障。在路测R1703、R1704、R1705正常;将熔断器FB1701、FB1702和F1702拆下检测,发现FB1701已被烧断,由此判断斩波电路存在过流将Q1701拆下检测,发现其漏极(D)与栅极(G)间已被击穿。更换Q1701,故障排除。
由于Q1701击穿,造成整流电路过流,烧断FB1701,引起镇流器无供电而停止工作。
[例8]无图像,伴音正常。
测PC1701 (4)、⑤脚间电压为0v,说明投影灯不亮,故障在镇流器电路。为查明故障原因,将熔断器FB1701、FB1702、FB1703、FB1704、F1701、F1702拆下检测,发现F1702已被烧断。F1702为130℃熔断器,当机内风扇停止工作或逆变器中的4只大功率开关管任有一只损坏,或IC1702内逆变驱动电路损坏时,都会造成机内温度升高,在136℃时,F1702断开,斩波器停止工作,避免故障扩大。更换F1702后开机,用手触摸风扇电机和IC1702温升正常;将桥式逆变器的4只大功率管Q1703、Q1704、Q1705和Q1706拆下检测,发现Q1706(2SC4297)的c、e极已击穿。更换Q1706后,故障排除。
由于Q1706 c、e极被击穿,桥式逆变器输出电流大增,造成机内温度升高,烧断F1702,使镇流器停止工作。
[例9]无图像,其他无异常。
经检测投影灯不亮,测C1721两端电压为200V正常,说明斩波电路工作正常。将Q1703~Q1706拆下检测正常,在路测R1714、R1720、R1721、R1725的电阻值均正常,再查发现场效应晶体管Q1708 G极脱焊。经补焊后,故障排除。
在投影灯尚未点亮之前,+200V电压经R1720、R1714、T1705、R1721加到Q1708 D极。当Q1708导通时,电流通过点火变压器T1705的一次绕组,经二次绕组升压产生15kV的点火脉冲电压加到投影灯上,点亮灯泡。由于Q1708 G极脱焊,导致无点火脉冲电压。
[例10]投影灯闪亮,极不稳定。
测斩波器输出电压为200V,但不稳定;测R1717两端电压也明显波动。将IC1702各引脚重焊一遍,故障不变;代换IC1702,仍无改善;最后更换投影灯试机,故障排除。
投影灯电流通过R1717变换成电压降加到Ic1702 23脚,经其内部放大、比较、脉冲宽度调制,从⑧脚输出脉宽调制驱动脉冲(PWM),经驱动变压器T1701加到Q1701 G极与S极之间,控制Q1701的导通脉宽,从而控制斩波器输出的直流电压高低,使投影灯功率恒定。由于投影灯特性变差(灯泡老化),使其功率波动,超出允许范围。
[例11]投影灯不亮,无图像。
测C1724两端电压为300V正常,但c1721两端电压为0V,正常值应为200V,判断故障在斩波电路。将Q1701拆下检测未见异常,为稳妥起见,仍用一正品代换,故障依旧。将驱动变压器T1701各引脚重焊一遍无效;再将C1721拆下检测正常,将D1704、FB1703、FB1704拆下检测,发现D1704击穿,FB1703烧断。更换D1704、FB1703后,故障排除。
经整流、滤波后产生的300V直流电压加到Q1701 D极,驱动方波脉冲(PWM)经T1701加到Q1701 G极与S极之间。当驱动脉冲为正方波时,Q1701导通,300V电压产生的电流通过Q1701、L1703向C1721充电;当驱动脉冲为负方波时,Q1701截止,L1703产生右正左负的感应电动势,通过C1721、续流二极管D1704放电,从而产生斩波电流。由于D1704被击穿,FB1703烧断,放电回路中断,导致无斩波电流输出,投影灯不能启动。
[例12]无图像。
测投影灯的2.5V供电电压为0V,该电压由辅助电源电路提供。用手触摸IC1701烫手,说明辅助电源电路有短路故障。测T1702 6-5绕组经D1707整流、c1714滤波产生的直流电压为2.5V正常;再测T1702 ⑧-⑦绕组输出的脉冲电压,经D1706整流、C1713滤波产生的2.5V电压为0V。将C1713、R1726、D1706拆下检测,发现C1713击穿,R1726烧断。更换C1713、R1726后试机,故障排除。
由于C1713击穿短路,电流增大,过流保护电阻R1726烧断,导致无2.5V电压输出。
[例13]无图像。
测C1721两端电压为0V(正常为200V),表明镇流器电路有故障。查斩波电路各元件未见异常;将Q1703~Q1706拆下逐一检测均正常;投影灯点火电路的T1705、Q1708、Q1707等也正常。将F1701拆下检测已被烧断,说明镇流器电路存在短路故障。经仔细查找,发现C1721存在软击穿。因R1717的电阻值仅为0.15Ω,近似对地短路。更换C1721、F1701后试机,故障排除。
由于C1721击穿,斩波电路输出电流增大,ZDl702击穿导通,IC1702 20脚对地短路,使IC1702 16脚输出电流增大,烧断F1701,避免Q1707损坏,镇流器停止工作。