逆变器是液晶电视的重要组件,由于其工作在大电流、高电压状态,因而是液晶电视故障发生率较高的组件之一。目前,由于屏生产厂家的技术封锁,绝大多数液晶电视的逆变器都没有图纸和维修资料,给维修带来了很大的困难。但只要具有一些电路常识,并了解主要Ic的功能或引脚功能,再运用正确的方法,是可以对其进行修复的。本文是笔者对大量逆变器实际维修后总结归纳的维修方法和相关资料,供广大维修人员参考。
逆变器组件是一个将直流电压转换为交流电压的部件,其主要作用是向液晶屏内的背光灯提供工作电压。下面以长虹LT2012、LT201F7液晶电视为例,介绍在没有电路图的情况下,如何采取正确的方法维修逆变器。该系列电视使用LG液晶屏LM201U05(SL)-(A1),逆变器型号为INV20-606。
逆变器的组成及正常工作条件
逆变器组件主要由振荡器、调制器、功率输出电路及保护检测电路组成。在逆变器INV20—606中,振荡器、调制器及控制部分由BIT3106A完成,功率输出采用N沟道和P沟道组合的MOSFET功率模块BE4S21,输出电路由高压变压器、谐振电容完成。实物见图1。 
在长虹LT20系列液晶电视中,逆变器组件要正常工作需要接口CN1送入一组电压和两路控制信号,即一路12V电压、一路DIM(背光灯亮度控制)信号、一组ON/OFF(逆变器开/关)信号,见图2。 
DIM(背光灯亮度控制)信号:用于控制逆变器组件各高压输出端口的输出电压,改变背光灯的亮度,达到控制屏幕亮度的目的。在实际电路中,不是所有的逆变器都加有DIM控制信号,有的DIM(背光灯亮度控制)信号控制端接地,有的通过分压电阻后加一固定直流电平。没有加DIM控制信号的逆变器组件各高压输出端口输出电压已设置BV最大或固定值,背光灯亮度不受DIM信号的控制。其液晶屏的亮度受主板输出PWM信号控制(调节背光灯亮度)。当主板输出的亮度信号异常时,BV背光灯不会不亮,只会表现为亮度过高或过暗。
12V电压:该电压由机外电源适配器或机内开关电源组件输出,经主板组件提供给逆变器组件(有的电视是直接从电源接至逆变器),为逆变器组件内部振荡及升压电路供电。大屏幕液晶电视一般采用24v电压。
ON/OFF(开/关)信号:该信号为主板组件内CPu输出的高/低电平信号。当机器接收到开机指令时,从主板输出约3v的高电平,经接插件ON/OFF端口送到逆变器组件,逆变器组件中的振荡及升压电路开启,将主板送来的12V直流电压分别变换成6组交流高压(约1200V~1500V)输出,分别向液晶屏内部的6只背光灯提供工作电压,液晶屏被点亮。此时,逆变器组件中的振荡电路通过调整,将6组输出高压降到600V~800V。当液晶电视机接收到待机指令时,从主板输出低电平,经接插件ON/OFF端口送到逆变器组件,逆变器组件中的振荡及升压电路被关闭,逆变器组件无高压输出,液晶屏内部背光灯熄灭。
维修参数
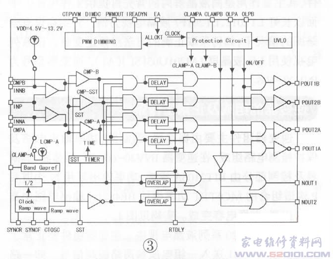
集成电路U2ABE4S21单独测试的维修参数见表1,BIT3106A维修参数见表2,BIT3106A内部结构框图如图3所示。 


维修方法
1.逆变器故障单独维修方法
维修12V供电的逆变器时,可用一电源(输出电流大于3A,输出电压为+12V即可)如采用长虹GP02、GP03等,则逆变器CN1插座的①、②脚接+12V供电,③、④脚接3.3v(可将12v电压用一稳压器形成),再将输出接至灯管上,接通电源,若灯管正常发光,说明逆变器正常。
2.逆变器故障判断方法
逆变器的主要故障表现为背光灯不亮或开机亮一下后马上保护,但两者的故障点是不一样的。该逆变器由四块驱动Ic(U2A、U2B、U3A、U3B),六只输出变压器(T1A、T2A、T3A、T1B、T2B、T3B)。六只变压器再连接六根灯管。保护电路对变压器输出电流和电压进行检测,若检测到其中任一路有故障,就发出保护指令,其表现为开机背光灯闪一下就停止(若没有将背光灯管取出来,只是从屏背后看,则需仔细观察),故障原因一般是输出驱动Ic、变压器或背光灯失效。若将背光灯管取出来单独维修逆变器,可先观察开机瞬间是哪根灯管不亮或亮度异常,再检测对应的变压器和驱动Ic,则会很快找到失效元件。如果开机后无任何反应,故障应在由u1(BIT3106A)组成的振荡、调制电路,或为驱动Ic、变压器提供工作电压的电路上。运用观察、电阻测量、电压测量等方法,可很快查找出故障原因。
常见故障及检修步骤
1.常见故障
(1)由MOS管组成的驱动Ic:U2A、U2B、U3A、U3B击穿,同时引起保险管F1开路,其中U2A和U3B损坏率较高,一般是驱动Ic(U2A、U2B、U3A、U3B)的④脚与⑤~⑧脚短路。若检测到保险管F1已开路,不要急于更换保险管,应先检查U2A、U2B、U3A、U3B,若已损坏,与保险管同时更换即可修复。
(2)变压器T1A、T2A、T3A、T1B、T2B、T3B失效。变压器失效一般表现为初、次级绕组开路或短路,由于初级绕组线径大。次级绕组线径小,所以逆变器失效主要为次级绕组开、短路。使用正确的检测方法测量变压器绕组阻值,可方便地找出有故障的变压器。如图4所示,首先找到初、次级绕组,用万用表测量阻值,若过大或过小,均可判断该变压器已失效,需更换。该逆变压器共有六种型号一样的变压器,初、次级绕组的电阻值是一样的。

2.检修步骤
根据实际维修经验,按元件失效率的大小顺序将该逆变器维修大致分成三步。第一步,测保险管F1和MOS管组成的驱动Ic(U2A、U2B、U3A、U3B),该部分故障占整个故障的80%;第二步,检测变压器,一般测量变压器绕组阻值即可找出坏变压器;第三步,检查u1对地阻抗,三极管、电阻、电容等,该部分元件损坏率低,需仔细检测。
维修实例
例1:背光灯不亮。
分析检修:接通电源,背光灯无任何反应。若只是其中一路输出驱动Ic、变压器或背光灯失效,一般是开机后背光灯点亮一下又保护,该机开启后无任何反应,判断故障在振荡、调制电路上。首先用万用表二极管挡,测量对地u1(BIT3106A)阻抗(红表笔接地,黑表笔测量),发现u1⑩脚阻值为无穷大(正常应为723,晶体管阻抗),在检查外围均正常的情况下,更换u1,电视恢复正常。
例2:背光灯不亮。
分析检修:查保险管F1已开路,说明12V供电负载电路有短路现象。先测量故障率较高的驱动Ic(U2A、U2B、U3A、U3B),发现U2A④脚与输出⑤~⑧脚已短路。更换U2A、F1后。故障排除。
注:该型号逆变压器U2A、U3B失效率高,检修时可先测量这两块Ic。
例3:背光灯亮一下就熄灭。
分析检修:背光灯能亮一下,说明振荡、调制电路已工作,亮一下就熄灭的原因是输出电路有故障,引起保护。首先测量六只变压器次级绕组,发现T2A次级已开路。更换T2A后故障排除。