三星UA40EH5000液晶电视电源次级电路特点与故障维修

2023-01-01 19:43:51  阅读 1034 次 评论 0 条
摘要:

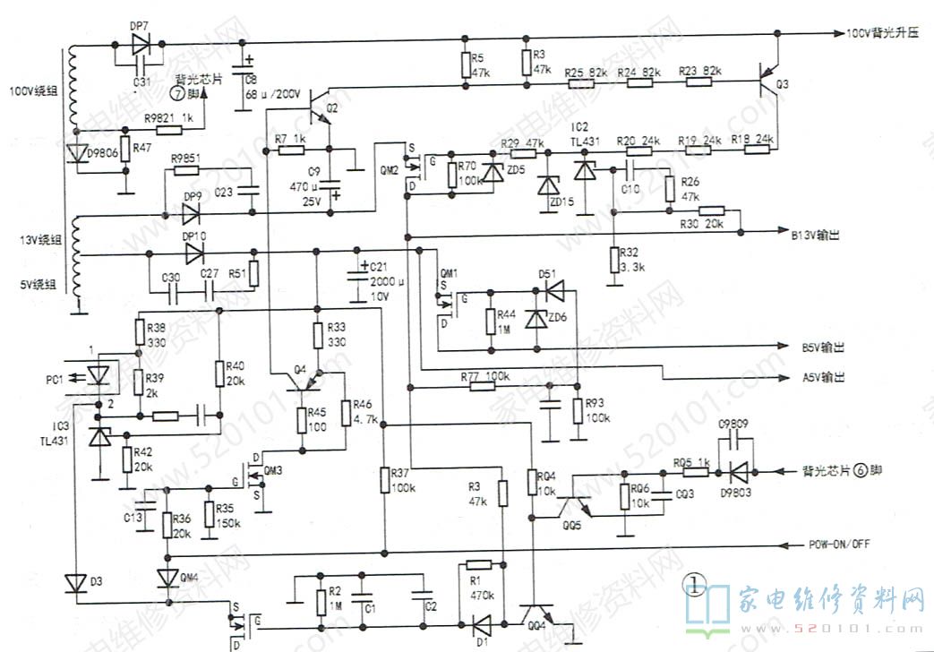
三星UA40EH5000液晶电视没有副电源,主电源次级和开/待机电路很复杂,实绘电路如图1所示,其简化框图如图2所示。 一、电路简析 1、开机流程

      三星UA40EH5000液晶电视没有副电源,主电源次级和开/待机电路很复杂,实绘电路如图1所示,其简化框图如图2所示。

三星UA40EH5000液晶电视电源次级电路特点与故障维修 第1张

一、电路简析

三星UA40EH5000液晶电视电源次级电路特点与故障维修 第2张

1、开机流程

      主板发出开机指令,POW-ON/OFF信号变为高电平,QM3导通,Q4因基极得到偏置电流而导通,A5V电压通过R33和Q4给Q2提供基极电流使Q2导通,Q3通过R23~R25得到基极电流导通,供应背光电路的100V电压通过Q3和R18~R20以及R29给QM2的G极提供导通电压,QM2导通后电源板输出B13V电压给主板。B13V电压再通过R77和D51使QM1导通,主板得到B5V电压。
2、本电源次级主要有三路保护电路
    (1)13V过压保护
     R30是取样电阻,R32是分压电阻。当B13V电压超过17.5V时,IC2因G极电压达到2.5V时而导通,把QM2的G极导通电压旁路,QM2截止后QM1同时截止,主板失去B13V和B5V工作电压后,CPU发出待机指令使QM3截止,QM2和QM1保持截止状态。
    (2)100V背光供电过流保护
     R9851是100V供电的电流取样电阻,取样信号送背光芯片⑦脚。在出现过流现象时,该取样电压升高,背光芯片停止工作。
     (3)背光电路故障保护
     当背光电路出现故障时,背光芯片⑥脚输出一个高电平,通过D9803和RQ5使QQ5导通,QQ4截止,B13V电压通过R3和D1使QM4导通,光耦PC1内部的发光管导通电流大增,PC1处于全导通状态,开关电源初级电路停止工作。
      该电路中控制 B5V和B13V的开关管QM1和QM2都是N沟道场效应管,选择N沟道管可能是为了降低开关管功耗,因为同规格N沟道管的导通电阻比P沟道管要小许多。要让N沟道场效应管充分导通,其G极电压应该高于S极5V以上(要使场效应管导通时的导通电阻最小,G极电压要高于s极10V左右电压)。由于QM2的S极输出13V电压,所以G极电压必须达18V以上才能使QM2导通,因此本电路利用100V电压通过Q3提供QM2的G极的导通电压。
二、故障检修实例
      故障现象:上电后面板红灯亮,但较暗,遥控、键控都无法开机。分析检修:本电路上电后测A5V电压只有3V,且有波动现象。
      第一步是要确定故障点是在电源初级还是次级。三星平板电视的电源板有个特点:POW-ON/OFF端子是高电平开机,电源板的POW-ON/OFF控制端接有一个电阻(图1中的R37,称为上拉电阻)到5V电源,待机时主板发出低电平指令,把POW-ON/OFF端子电压拉低;开机时CPU控制端子处于悬浮高阻抗状态,电源板上的上拉电阻使POW-ON/OFF处于高电平。因此,断开电源板和主板的连线后,电源板自动处在开机状态,这样维修检查比较方便。
      在区分初次级故障点时,可以把稳压光耦PC1 作为分割点。有介绍说可以瞬间短路PC1的发光二极管,看次级电压有无变化,若有变化,则故障在次级,否则在初级。这样操作虽然简单,但风险很大,因为如果故障点在次级的取样反馈稳压环路中,短路PC1发光二极管将引起开关电源失控,次级输出电压将成倍增加,后果不可预料。我的方法是调节交流供电电压为100V,或者在交流供电中串联一只602左右的电阻或100W/220V灯泡,以防止输出电压升得太高。
     用上述方法检查,发现短路PC1内部的发光二极管后,输出电压大幅度上升,这说明故障点在电源次级,流过IC3发光管的电流过大引起输出电压过低,重点检查IC3、QM4及相关电路。测IC3的G极电压仅为1.5V(IC3的G极起控电压为2.5V),短路取样分压电阻R42,输出电压没有变化,这说明IC3并没有导通。断开D3试机,输出A5V电压马上升高到5V,测QM4的G极电压为0V,拆下QM4检测,其D极和S极间明显漏电,换新后故障排除。

版权声明:本文为转载文章,版权归原作者所有,欢迎分享本文,转载请保留出处!