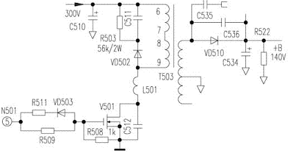
厦华E2930开机三无 2006-09-18 20:47:09 阅读 360 次 评论 0 条 摘要: 检查F501(4A/250V)炸裂发黑,开关管V501(2SK3116)已击穿短路,次级整流管VD510(BYT56J)也击穿短路,将其更换后故障排除。 检查F501(4A/250V)炸裂发黑,开关管V501(2SK3116)已击穿短路,次级整流管VD510(BYT56J)也击穿短路,将其更换后故障排除。 版权声明:本文为转载文章,版权归原作者所有,欢迎分享本文,转载请保留出处! 点赞 分享: PREVIOUS:厦华A346、A3416无屏显,换频道反应迟缓,无法自动搜索,行中心偏移。 NEXT:厦华XT-3468T图像严重镶边,不清晰,而伴音正常。 文章导航