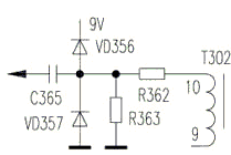
厦华A346、A3416无屏显,换频道反应迟缓,无法自动搜索,行中心偏移。 2006-09-18 20:47:08 阅读 422 次 评论 0 条 摘要: 根据故障现象判断故障在行同步脉冲形成电路。该机的行同步脉冲由行输出变压器{10}脚经R362、C365、V805(C1815)再送至CPU(TMP87CH38N){26}脚,检查上述元件,发现R362(10k 根据故障现象判断故障在行同步脉冲形成电路。该机的行同步脉冲由行输出变压器{10}脚经R362、C365、V805(C1815)再送至CPU(TMP87CH38N){26}脚,检查上述元件,发现R362(10kΩ/1W)开路,用10kΩ/2W电阻更换后,故障排除。 版权声明:本文为转载文章,版权归原作者所有,欢迎分享本文,转载请保留出处! 点赞 分享: PREVIOUS:厦华3465T自动搜索不存台,在图像/蓝屏间不停转换,按数字键可选择节目,按频道上下键不能选择。 NEXT:厦华E2930开机三无 文章导航