金星C7431F彩电,开机后有图无声,遥控手控均失控

2006-09-18 20:42:54  阅读 434 次 评论 0 条
摘要:

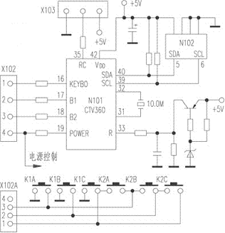
  本机二次电源由CPU控制,有图像,说明CPU工作基本正常,但控制失灵,分析故障应在控制电路。该机CPU型号为CTV360,检查其{42}脚供电正常,{31}、{32}脚时钟振荡及{33}脚复位电压均正常,据以往经

   本机二次 电源由CPU控制,有图像,说明CPU工作基本正常,但控制失灵,分析故障应在控制电路。该机CPU型号为CTV360,检查其{42}脚供电正常,{31}、{32}脚时钟振荡及{33}脚复位电压均正常,据以往经验,怀疑此故障与存储器N102不良有关。仔细检查N101与N102的连线无异常,测N102各脚电压基本正常,怀疑存储器损坏。试更换N102后,有光栅但无图、无声,且屏幕上的音量指示在最小位置,控制仍无效。经仔细分析,故障极可能在遥控电路或键扫描电路,换N102后无图像是由于新存储器未储存有电台信号的缘故。试断开插座X102,开机出现正常节目符号,遥控操作正常,搜索到电台后伴音也能调节。此时故障原因已明确,拆下前面板控制电路板,发现K2A微动开关内部短路。换新后面板及遥控均恢复正常,把原存储器换上后试机,原来所存节目均恢复。可见此故障是由于键扫描电路中K2A内部短路,造成CPU失控而引起的。 金星C7431F彩电,开机后有图无声,遥控手控均失控 第1张
版权声明:本文为转载文章,版权归原作者所有,欢迎分享本文,转载请保留出处!