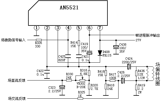
场扫描电路-AN5521 2006-09-11 00:33:38 阅读 460 次 评论 0 条 摘要: AN55211脚:0V——地2脚:14V——场输出3脚:27V——场输出电源4脚:0.8V——场脉冲输入5脚:-0.2V——回扫启动脉冲输入6脚:1V——泵电源输出7脚:27V——电源 AN55211脚:0V——地2脚:14V——场输出3脚:27V——场输出电源4脚:0.8V——场脉冲输入5脚:-0.2V——回扫启动脉冲输入6脚:1V——泵电源输出7脚:27V——电源 版权声明:本文为转载文章,版权归原作者所有,欢迎分享本文,转载请保留出处! 点赞 分享: PREVIOUS:场扫描电路-TA8427 NEXT:电源电路图-SONY KV2184采用STR50115B厚膜电路 文章导航