松下TC-D25型25英寸彩电采用了M15L机心,该机的电源为了适应彩电电路电流增大的需要,由原来21英寸彩电使用的STR50213改为功率增大的STR51213,并增设了主电源过流保护电路。该机电源的电原理图如图1所示。 
 
 
一、工作原理
 
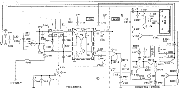
1.主电源电路 其主电源与STR5412所组成的电源相似。D833、R844和C817组成一次整流滤波电路,将市电220V变为约300V脉动电压,通过开关变压器T801的初级绕组P1、P2加到IC801(STR51213)的内部开关管Q3的c极。R803是启动电阻,为IC801内部Q3的b极提供启动电压。T801的F1、F2、F3为反馈绕组,C806、R804、D805为反馈电路,使电路维持振荡。R806、D805将行同步脉冲送入IC801,使电源振荡频率与行扫描同步。D804是续流二极管,当Q3截止时,D804导通,将T801中的能量释放出来,提高电源效率。IC801内部的Q1、Q2、D1等组成稳压电路,使输出电压保持稳定。
Q834过压保护可控硅与C845、C846组成主电源过压保护电路。Q802与R817组成主电源过流保护电路。
主电源工作后,IC801的④脚输出的电压经C808滤波后,向负载行输出电路提供113V的直流电压。T801的S1、S2绕组中的感应电压经D801整流、C810滤波后,输出17V的直流电压。该电压经12V和5V稳压电路后,向负载提供12V和5V的直流电压。
2.副电源电路 该电路主要由Q810、Q813、D810等元器件组成,是串联型直流稳压电路。Q810是稳压调整管,Q813是取样放大管,D810是基准稳压管。将主电源一次整流后的300V直流电压稳压后,输出约7V的直流电压,该电压经待命发光二极管D813发光并降压后,再经D814隔离、C811滤波,向微处理器IC1102、复位电路和遥控接收头提供约5V的直流待命工作电压。
3.开关机电路 该电路与副电源紧密相连。主要由Q814、Q811等组成。开机时,副电源工作,为微处理器IC1102等提供电源,同时也将D814正极的约5.3V的直流电压经R813、R814分压后,加到电源控制管Q811的b极,使Q811导通,主电源IC801的控制端⑤脚电平被拉低,IC801不起振,主电源无输出。同时,5V电压经过电源开关后面的一对瞬动开关瞬间接通后,使Q1105、Q1104瞬间导通,将IC1102脚输出的键扫脉冲送入其、脚,经IC1102确认后,从⑥脚输出高电平,经R1150、R1184分压后,使Q814导通,Q810的基极电位被拉低而截止,副电源停止工作,指示灯D813熄灭,Q811因b极失电而截止,IC801⑤脚电压上升,主电源启振工作。送出113V和17V电压,其中17V电压经稳压电路和D1118、D1138向IC1102的脚提供5V电源,替下副电源。
遥控关机时,IC1102⑥脚输出低电平,Q814截止,副电源工作,待命指示灯亮,Q811导通,IC801停振,无电压输出。
Q812、R815等组成副电源的过流保护电路,当副电源因电流增加使R815上的压降增加到0.5V以上时,Q812导通,使Q810正向偏置短路而截止,使副电源无输出。
Q851、D851、C870组成12V电路短路欠压保护电路。当12V负载短路或因主电源故障使输出电压下降时,12V电压也会随之下降,当降到4V以下时,经C870延时,Q851导通,Q814的b极的开机高电平被拉低,Q814截止,副电源启动,Q811导通,主电源停振而被保护。
 
二、故障检修
 
该机设有多种保护电路。开关机电路设在副电源之中,主副电源互相牵连。当主电源发生故障或保护电路动作,使主电源无输出或输出电压很低时,12V短路欠压保护电路动作,使副电源启动,指示灯亮而进入关机保护状态。当副电源发生故障时,通过Q811又会使主电源失控。因此,检修时,应分清主副电源的故障。办法是,断开R853,使二者的连接分开。如果断开后,整机能开机正常收看,则是副电源的故障,应检查副电源和开关机电路以及12V短路欠压保护电路。
如果断开R853之后,整机仍不工作或工作不正常,可断开输出插头585,接上100W灯泡做假负载,通电测输出电压;电压接近113V(因此时无行同步脉冲,电源振荡频率偏低,输出电压可能稍低)时,为负载电路故障,否则为电源故障。
该机的待命指示灯的亮灭是否正常,能反映出电源电路的工作状态是否正常。正常时,按下电源开关,副电源首先工作,待命指示灯亮,Q811导通,主电源停振,微控制器得电,稍后,微控制器工作,输出开机信号,副电源停止工作,待命指示灯熄灭,Q811截止,主电源工作而开机。因此,开机时,待命指示灯应闪亮一下,然后熄灭。发生故障时,待命指示灯会出现以下几种情况:(1)始终不亮且不能开机,故障范围可能为300V整流滤波电路或副电源电路。(2)亮后即灭,但整机三无。如果伴有“吱吱”叫声,则负载有轻微短路。如无“吱吱”叫声,则是行扫描电路未工作。(3)亮而不灭。则是开关机控制电路故障。(4)亮后即灭又亮,或闪亮一会儿变为常亮。如果闪亮时伴有“吱吱”叫声,则是负载有严重短路故障致使主电源输出电压过低,12V欠压保护电路动作;如无“吱吱”叫声,则是主电源故障而无输出。
确定故障范围后,可按图2所示的检修流程图进行检修。
 
 
 
 
以下介绍几例故障检修实例,供读者参考。
[例1]故障现象 开机后指示灯常亮,按遥控不能开机。
分析与检修 重点检查开关机控制电路,测IC1102⑥脚有0.4~1.4V高电平输出,但明显偏低,正常时应为4V以上。查⑥脚至Q814各路元件未见异常。怀疑Q851保护电路动作,断开Q851的c极,整机恢复正常。查Q851及外围元件,发现C870容量减小,失去延迟作用,IC1102⑥脚开机高电平刚一输出,Q851即导通,此时主电源尚未工作,12V也未建立,将Q814基极电平拉低而误保护。更换C870后,故障排除。
[例2]故障现象 待命指示灯不亮,无光无伴音无“吱吱”叫声。
分析与检修开机检查,保险丝熔断,R841断路,C817击穿。更换保险丝、R841和C817后,查300V及113V输出端无明显短路故障。用隔离调压器供电并开机试之,市电从120V至240V均能正常收看,但不能遥控关机,待命指示灯仍不亮。查副电源,发现Q810、Q813、D810、D811、D813都已损坏。这些器件全部更换后,故障排除。
[例3]故障现象 指示灯不亮、“三无”。
分析与检修拆机检查,保险丝熔断,R841烧断,行输出管击穿。用隔离调压器供电并接假负载试机,发现输出端电压随供电电压升高而上升。停机检查,IC801内部Q3已击穿。因本地购不到,试将IC801的③脚断开,在原散热片上另安装一只大功率开关管2SC411,代替Q3,其c极接P2、b极接IC801②脚、e极接IC801④脚。再开机,一切恢复正常。
代换时应注意以下几点:(1)原IC801内部Q3发射结和稳压电路必须完好。(2)代换的开关管应满足如下要求:BVCBO≥1500V,PCM≥100W,ICM≥7A。如无同类管,可用两只性能相同的2SD1403(用于21英寸电视的开关管)并联代用。
如能购到STR50213,也可代用,但由于其功率不足,代换时,可在其②、③、④脚(内部Q3位置)外联一只电源开关管(如2SD1403、2SC1942等),并注意绝缘。
		
		 
 
一、工作原理
1.主电源电路 其主电源与STR5412所组成的电源相似。D833、R844和C817组成一次整流滤波电路,将市电220V变为约300V脉动电压,通过开关变压器T801的初级绕组P1、P2加到IC801(STR51213)的内部开关管Q3的c极。R803是启动电阻,为IC801内部Q3的b极提供启动电压。T801的F1、F2、F3为反馈绕组,C806、R804、D805为反馈电路,使电路维持振荡。R806、D805将行同步脉冲送入IC801,使电源振荡频率与行扫描同步。D804是续流二极管,当Q3截止时,D804导通,将T801中的能量释放出来,提高电源效率。IC801内部的Q1、Q2、D1等组成稳压电路,使输出电压保持稳定。
Q834过压保护可控硅与C845、C846组成主电源过压保护电路。Q802与R817组成主电源过流保护电路。
主电源工作后,IC801的④脚输出的电压经C808滤波后,向负载行输出电路提供113V的直流电压。T801的S1、S2绕组中的感应电压经D801整流、C810滤波后,输出17V的直流电压。该电压经12V和5V稳压电路后,向负载提供12V和5V的直流电压。
2.副电源电路 该电路主要由Q810、Q813、D810等元器件组成,是串联型直流稳压电路。Q810是稳压调整管,Q813是取样放大管,D810是基准稳压管。将主电源一次整流后的300V直流电压稳压后,输出约7V的直流电压,该电压经待命发光二极管D813发光并降压后,再经D814隔离、C811滤波,向微处理器IC1102、复位电路和遥控接收头提供约5V的直流待命工作电压。
3.开关机电路 该电路与副电源紧密相连。主要由Q814、Q811等组成。开机时,副电源工作,为微处理器IC1102等提供电源,同时也将D814正极的约5.3V的直流电压经R813、R814分压后,加到电源控制管Q811的b极,使Q811导通,主电源IC801的控制端⑤脚电平被拉低,IC801不起振,主电源无输出。同时,5V电压经过电源开关后面的一对瞬动开关瞬间接通后,使Q1105、Q1104瞬间导通,将IC1102脚输出的键扫脉冲送入其、脚,经IC1102确认后,从⑥脚输出高电平,经R1150、R1184分压后,使Q814导通,Q810的基极电位被拉低而截止,副电源停止工作,指示灯D813熄灭,Q811因b极失电而截止,IC801⑤脚电压上升,主电源启振工作。送出113V和17V电压,其中17V电压经稳压电路和D1118、D1138向IC1102的脚提供5V电源,替下副电源。
遥控关机时,IC1102⑥脚输出低电平,Q814截止,副电源工作,待命指示灯亮,Q811导通,IC801停振,无电压输出。
Q812、R815等组成副电源的过流保护电路,当副电源因电流增加使R815上的压降增加到0.5V以上时,Q812导通,使Q810正向偏置短路而截止,使副电源无输出。
Q851、D851、C870组成12V电路短路欠压保护电路。当12V负载短路或因主电源故障使输出电压下降时,12V电压也会随之下降,当降到4V以下时,经C870延时,Q851导通,Q814的b极的开机高电平被拉低,Q814截止,副电源启动,Q811导通,主电源停振而被保护。
二、故障检修
该机设有多种保护电路。开关机电路设在副电源之中,主副电源互相牵连。当主电源发生故障或保护电路动作,使主电源无输出或输出电压很低时,12V短路欠压保护电路动作,使副电源启动,指示灯亮而进入关机保护状态。当副电源发生故障时,通过Q811又会使主电源失控。因此,检修时,应分清主副电源的故障。办法是,断开R853,使二者的连接分开。如果断开后,整机能开机正常收看,则是副电源的故障,应检查副电源和开关机电路以及12V短路欠压保护电路。
如果断开R853之后,整机仍不工作或工作不正常,可断开输出插头585,接上100W灯泡做假负载,通电测输出电压;电压接近113V(因此时无行同步脉冲,电源振荡频率偏低,输出电压可能稍低)时,为负载电路故障,否则为电源故障。
该机的待命指示灯的亮灭是否正常,能反映出电源电路的工作状态是否正常。正常时,按下电源开关,副电源首先工作,待命指示灯亮,Q811导通,主电源停振,微控制器得电,稍后,微控制器工作,输出开机信号,副电源停止工作,待命指示灯熄灭,Q811截止,主电源工作而开机。因此,开机时,待命指示灯应闪亮一下,然后熄灭。发生故障时,待命指示灯会出现以下几种情况:(1)始终不亮且不能开机,故障范围可能为300V整流滤波电路或副电源电路。(2)亮后即灭,但整机三无。如果伴有“吱吱”叫声,则负载有轻微短路。如无“吱吱”叫声,则是行扫描电路未工作。(3)亮而不灭。则是开关机控制电路故障。(4)亮后即灭又亮,或闪亮一会儿变为常亮。如果闪亮时伴有“吱吱”叫声,则是负载有严重短路故障致使主电源输出电压过低,12V欠压保护电路动作;如无“吱吱”叫声,则是主电源故障而无输出。
确定故障范围后,可按图2所示的检修流程图进行检修。
 
 
以下介绍几例故障检修实例,供读者参考。
[例1]故障现象 开机后指示灯常亮,按遥控不能开机。
分析与检修 重点检查开关机控制电路,测IC1102⑥脚有0.4~1.4V高电平输出,但明显偏低,正常时应为4V以上。查⑥脚至Q814各路元件未见异常。怀疑Q851保护电路动作,断开Q851的c极,整机恢复正常。查Q851及外围元件,发现C870容量减小,失去延迟作用,IC1102⑥脚开机高电平刚一输出,Q851即导通,此时主电源尚未工作,12V也未建立,将Q814基极电平拉低而误保护。更换C870后,故障排除。
[例2]故障现象 待命指示灯不亮,无光无伴音无“吱吱”叫声。
分析与检修开机检查,保险丝熔断,R841断路,C817击穿。更换保险丝、R841和C817后,查300V及113V输出端无明显短路故障。用隔离调压器供电并开机试之,市电从120V至240V均能正常收看,但不能遥控关机,待命指示灯仍不亮。查副电源,发现Q810、Q813、D810、D811、D813都已损坏。这些器件全部更换后,故障排除。
[例3]故障现象 指示灯不亮、“三无”。
分析与检修拆机检查,保险丝熔断,R841烧断,行输出管击穿。用隔离调压器供电并接假负载试机,发现输出端电压随供电电压升高而上升。停机检查,IC801内部Q3已击穿。因本地购不到,试将IC801的③脚断开,在原散热片上另安装一只大功率开关管2SC411,代替Q3,其c极接P2、b极接IC801②脚、e极接IC801④脚。再开机,一切恢复正常。
代换时应注意以下几点:(1)原IC801内部Q3发射结和稳压电路必须完好。(2)代换的开关管应满足如下要求:BVCBO≥1500V,PCM≥100W,ICM≥7A。如无同类管,可用两只性能相同的2SD1403(用于21英寸电视的开关管)并联代用。
如能购到STR50213,也可代用,但由于其功率不足,代换时,可在其②、③、④脚(内部Q3位置)外联一只电源开关管(如2SD1403、2SC1942等),并注意绝缘。
			版权声明:本文为转载文章,版权归原作者所有,欢迎分享本文,转载请保留出处!
			
		
		
		
		
		
		
	