液晶电视的伴音通道的基本形式主要有两种:一种是单芯片(又称主芯片 )输出模拟音频信号,经音效电路或运放电路处理后再送给伴音功放电路,如图1所示;另一种是单芯片输出IS(Intergrate Interfice Sound)数字音频信号,直接送给数字功放电路。在新型大屏幕单芯片液晶彩电中,多采用后一种方式, 因为该方式元件数量少、电路简洁,有利于板件小型化。
一、音频信号处理电路简述
随着电路集成技术的不断进步,在近几年生产的液晶彩电中,音频信号处理电路并不是完全独立的电路,而是将其主要电路集成在单芯片内部。对于单芯片而言,除集成有音频信号处理电路外,还集成有MCUA/D转换、视频解码、梳状滤波、图像缩放、LVDS TX等电路。
液晶彩电中的单芯片不仅是整机的控制中心,
还是音视频信号的前级处理中心,对电视机的画质、音质有着非常重要的影响。用于液晶彩电的单芯片型号很多,如台湾晨星科技公司(Mstar)生产的MST6M48、MST6M181/182、TSUMV26、TSUMV59系列等,台湾联发科技公司生产的MT8222/8223、MT8227等。在国产大屏幕液晶彩电中,Mstar单芯片最为常见,如当前LED液晶彩电广泛采用TSUMV59XUS- Z1作为主芯片,如图2所示。
单芯片对音频信号处理的大致流程如下:高频调谐器输出复合中频信号(IF )送给单芯片,先经IC内部的中频信号放大电路放大,再由选频电路将TV中频伴音信号分离出来,然后进行AGC(自动增益控制)放大,最后由音频解调器解调出音频信号,送往音频切换电路,如图3所示。
提示:1、在检修液晶彩电伴音异常故障时,可先插入耳机试听,若伴音正常,通常表明伴音前级电路正常,问题出在后级电路中;否则,说明问题出在前级电路中。
2、部分单芯片(如RTD2674U、RTD2674S)内部的音频处理电路热稳定性能不高,工作一段时间后易出现无声或伴音中有噪音故障,这时可给单芯片安装散热片或风扇,以降低其工作温度,也可找到该芯片内部音频处理电路的供电端(如RTD2674U、RTD2674S的215脚),将外部的供电电感换成一只10Ω-20Ω电阻,以降低其工作电流,从而提高电路的稳定性。
二、D类功放电路
在大屏幕液晶彩电中,伴音功放多采用D类功放电路,其名称的得来是缘于该电路中的功率管工作于开关状态,即工作于D类状态。该类功放电路连续输出功率大,自身损耗小,效率可达90%(是现有放大器中效率最高的),并且可以大大减小散热器的尺寸,甚至无需外加散热片,如图4所示。D类功放取代普通功放(多工作于B类或AB类状态)是必然趋势,就如晶体管功放代替电子管功放一样。
D类功放主要由调制器、功率放大器和低通滤波器组成,如图5所示。输入的模拟音频信号经过调制器后,变成与其幅度相对应的高频率脉冲信号,经脉冲推动器驱动功率放大器工作,最后经过低通滤波器还原出音频信号,以推动扬声器发声。
调制器的作用是将输入的模拟音频信号变为PWM数字音频信号(即脉宽调制信号)。在部分D类功放电路中,调制器实为A/D(模/数)变换器;在一般的D 类功放电路中,没有采用A/D变换电路得到PWM信号,而是用一只运放构成的比较器来完成,如图6所示。
功率放大器的作用是把比较器输出的PWM信号变成高电压、大电流的大功率PWM信号,其功率管工作于开关状态。该类功放电路能够输出的最大功率由负载、电源电压和开关管允许流过的电流来决定。
低通滤波器的作用是把大功率PWM波形中的声音信息还原出来。由于流过此处的电流较大,若采用电阻、电容(RC)结构的低通滤波器,在电阻上会消耗大量电能,这显然是不允许的,所以此处采用IC低通滤波器。当占空比大于1:1的脉冲到来时,C的充电时间大于放电时间,输出电平上升;当窄脉冲到来时,放电时间长,输出电平下降,正好与原音频信号的幅度变化相一致,这样就能将原音频信号还原出来。
提示:D类功放又称为开关放大器,具有效率高、体积小、失真低等优点。该类音频功率放大器工作时,先将输入的模拟音频信号[或者PCM(英文PulseCode Modulation 的缩写,表示脉冲编码调制,即模拟信号取样、量化处理)信号]变换成PWM (脉冲宽度调制)或PDM(脉冲密度调制)脉冲信号,然后用PWM或PDM脉冲信号去控制大功率开关器件的通/断,以实现功率变换。
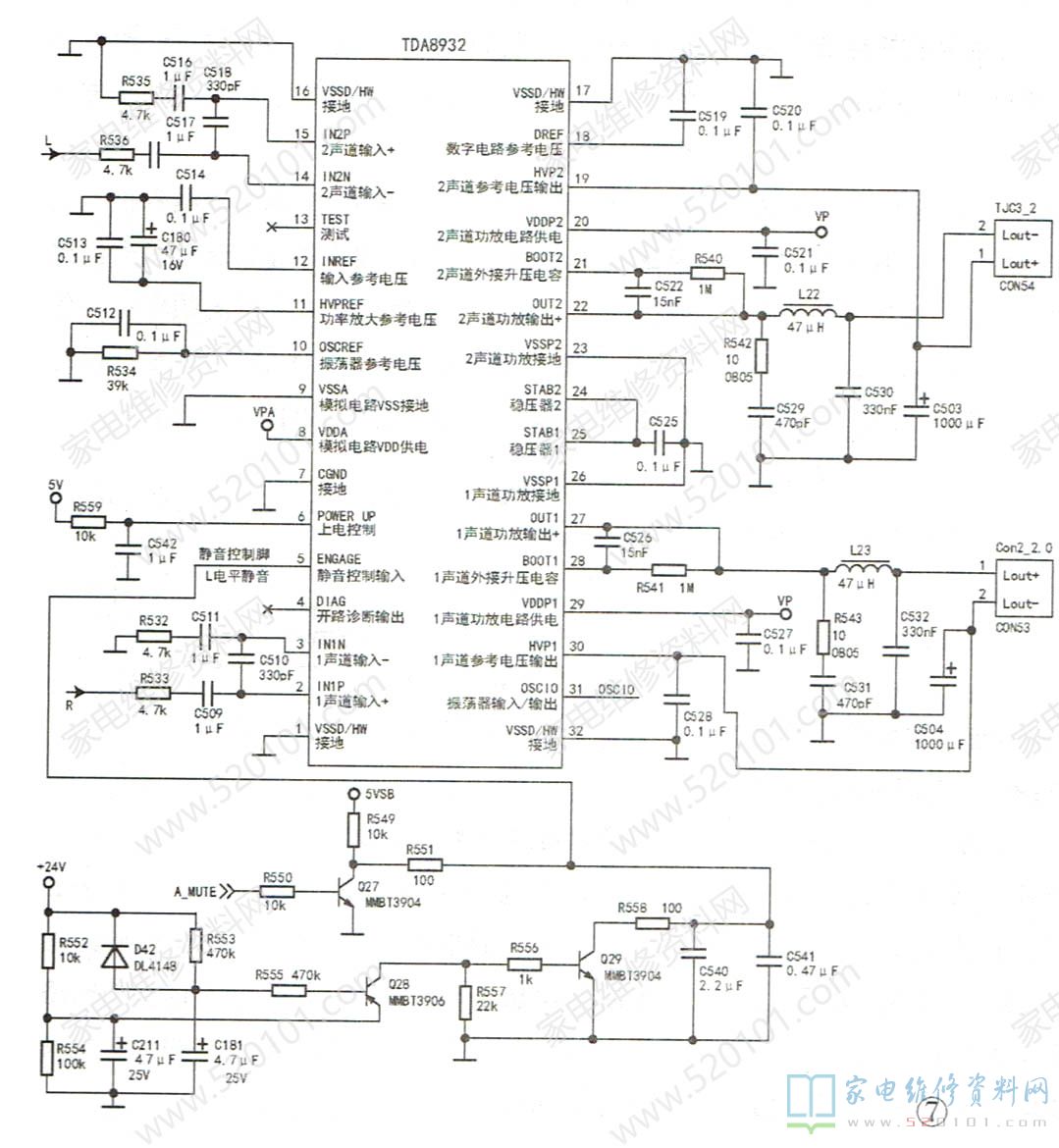
与普通AB类音频功放块相比,D类功放块内部集成的单元电路较多,引脚也较多,供电也为多组:功放单元一般采用较高的电压供电,振荡器、运放、PWM调制、模式控制等电路一般采用一组或多组低电压供电。图4所示的伴音功放块为nxP公司生产的高效D类功放TDA8932。该IC内置两个独立的差分输入及功率放大电路,模拟音频信号输入端为14、15脚与②、③脚,放大后的输出端为22、27脚,其工作电压为10V~36V,在供电为24V的情况下,连续输出功率为2X15W (双声道立体声,RL= 4Ω)或1x30W(单声道全桥应用,RL= 8Ω)。该IC的典型应用电路如图7所示。
Q27为静音控制三极管,受CPU输出的A-MUTE信号控制。Q28、Q29等元件组成开/关机静音控制电路,Q28的b极外接电阻R553与电容C181,e极外接R552、R554及C211。在开机瞬间,+24V电压一路通过R553给C181充电,另一路R552、R554分压后给C211充电,显然C211两端的电压上升较快,即Q28的e极电压比b极电压上升快,Q28导通,其c极输出高电平,Q29导通,其c极输出低电平,送给TDA8932的⑤脚(静音控制端),以实现开机静音功能。在关机瞬间,+24V电压消失C181中存储的电荷通过D42及+24V负载放电,其放电速度远快于C211的放电,即在此阶段Q28的e极电压一直高于b极电压,Q28导通,Q29也导通,TDA8932的⑤脚一直为低电平,从而达到关机静音的目的。
提示:D类功放的检修方法与普通功放基本相同:先将电视机音量开到适中位置,手拿镊子轻触功放块的输入端,听喇叭中是否有“喀喀”声。若有,则表明前级电路有问题;若无,检查功放的供电与静音控制是否正常。另外,该类功放的音频输出端的直流电压约为功率放大电路供电的一半,若相差较大,多为功放块损坏。
三、数字伴音功放电路
数字功放电路是指对输入的数字信号进行功率转换,最后通过低通滤波器输出大功率模拟信号的放大电路。该类电路输入的信号是数字信号,输出的是模拟信号,在功放级完成数字信号的DAC转换,所以国外也将该类功放电路称为功率DAC电路。
数字功放芯片内含串行数据输入、DRC(Dy-namic Range Control,动态量程控制)、SRC( SampleRate Convertor,采样率转换)、微控制、保护逻辑、功率放大(D类)等电路,具有体积小、外围元件少等优点,如图8所示。
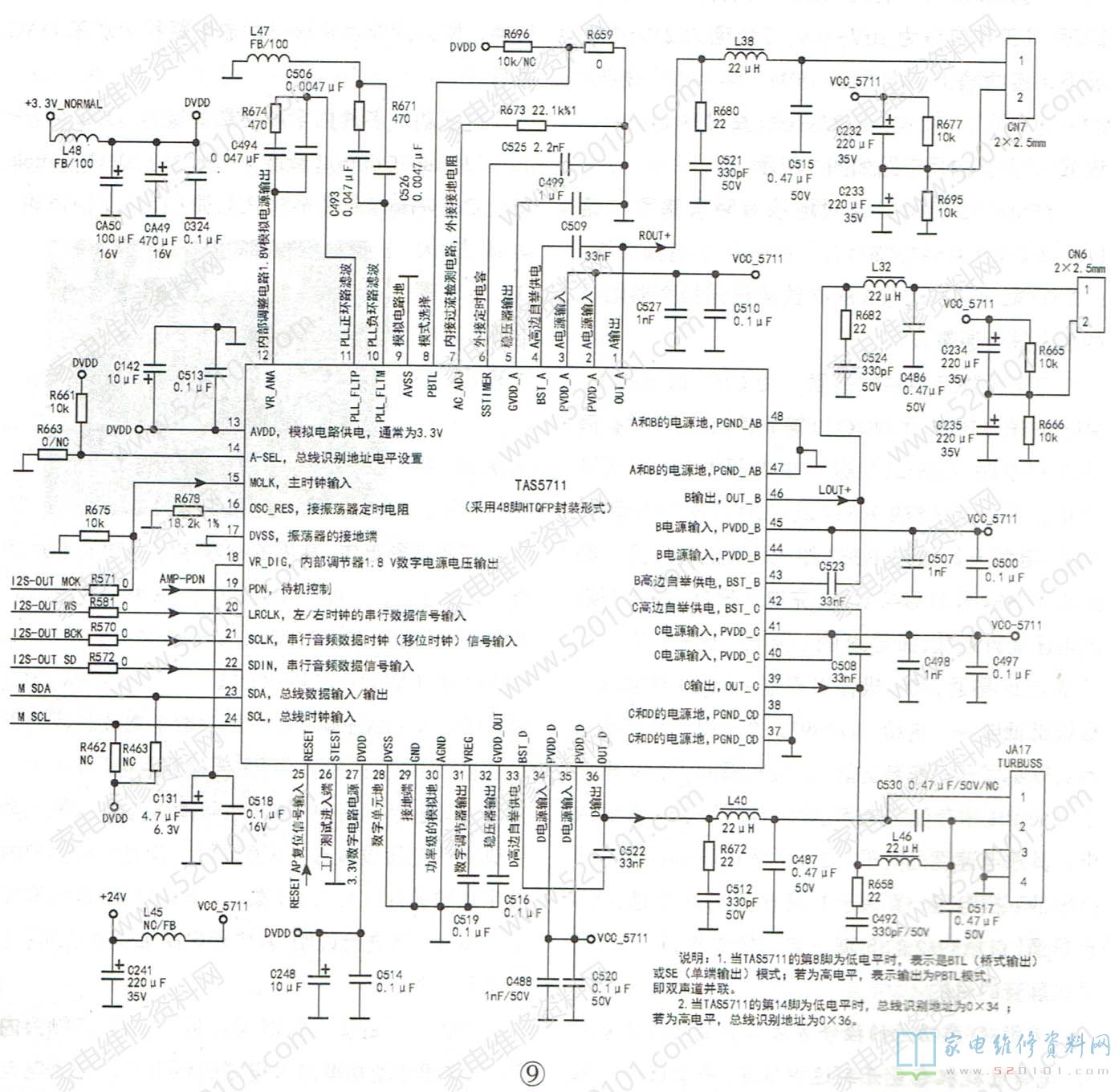
在液晶彩电中,常用的的数字伴音功放芯片型号较多,如TA2020、TAA2008、TA2024、TAS5101DAPR、TAS5122DCA、TAS5706A、TAS5707、TAS5711、TDA8933BTW、STA333W、STA559BW、MSH9000等。虽然数字功放芯片的引脚较多,但在实际检修中,主要检测供电(为多组)、复位总线、待机控制、数字信号输入与输出等几类引脚端的电压或波形。下面以德州仪器公司生产的数字功放芯片TAS5711(在8Ω负载下,输出功率可达20W )为例进行说明,其应用电路如图9所示。
TAS5711的2、3、34、35、40、41、44、45脚为内部A~D四通道功率放大电路的供电端,其供电电压为8V~26V (在液晶彩电中多为12V或24V);13脚为3.3V模拟电路供电端,27脚为3.3V数字电路供电端。23脚(SDA)、24脚(SCL )分别为总线数据、时钟端,用于传输控制命令。15、20、21、22脚是IIS数字音频信号输入端。其中,15脚(MCLK)为主时钟输入端,20脚(LRCLK)为串行音频数据左右时钟输入端,21脚(SCLK)为串行音频数据时钟输入端, 22脚(SDIN)为串行音频数据输入端。①脚(OuT-A)、46脚(OUT-B)分别为左、右声道音频信号输出端,36脚(ouT-D)、39脚(ouT-C)分别为左、右重低音音频信号输出端。
25脚(RESET)是复位端,低电平有效。19脚(PND)是待机控制端,当该脚为低电平时,IC内部电路进入低功耗状态。在需要静音时,主芯片输出AMP-MUTE静音控制信号,使19脚呈低电平,从而实现静音。
