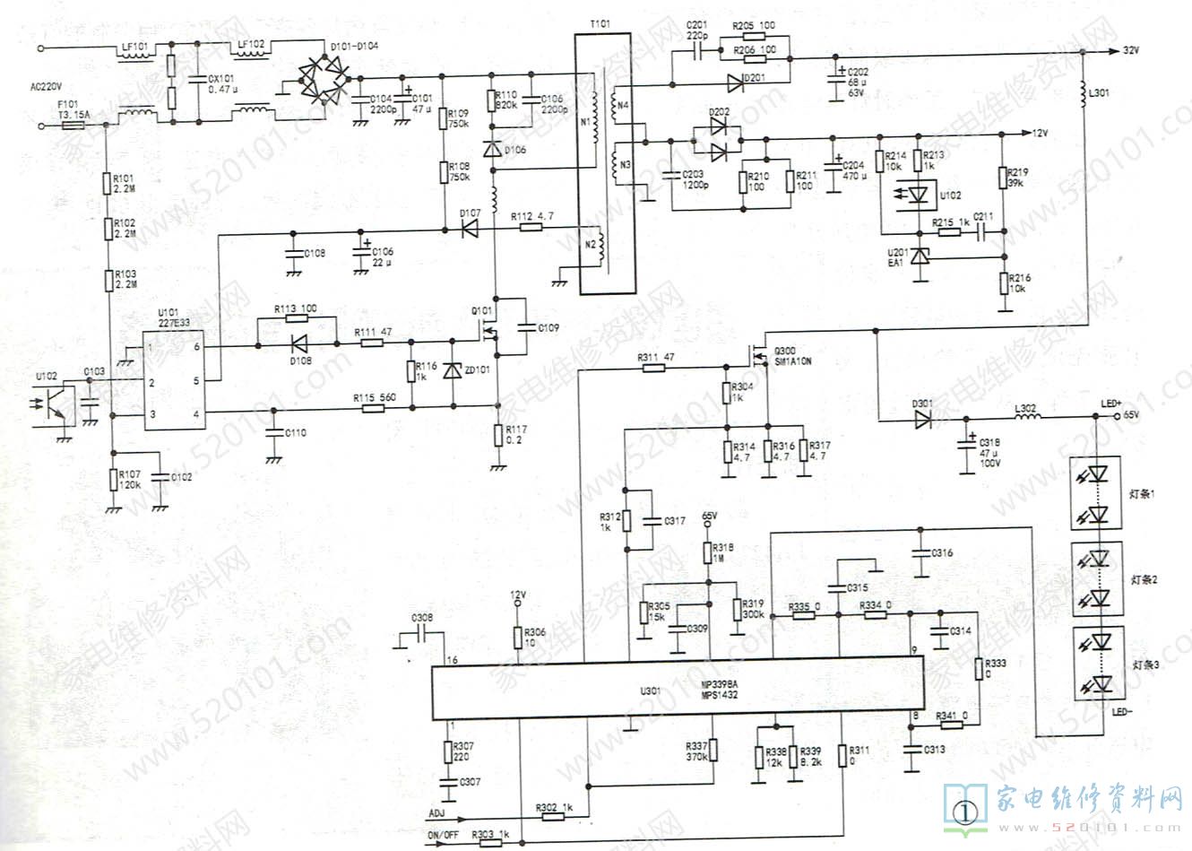
乐华32L20液晶电视采用三合一板。为了便于维修笔者根据实物绘出电源与背光电路如图1所示(图中没有标注容量的电容为贴片电容)。
一、电路分析1、电源电路
(1)市电输入与整流滤波电路
220V交流市电经由LF101、CX101、LF102等元件组成的滤波电路滤除干扰,再由D101~D104组成的全桥整流,最后由c101滤波得到约300V的直流电压。
(2)振荡电路
直流300V电路一路通过变压器T101绕组N1加到开关管Q101的漏极,另一路通过启动电阻R109、R108加到U101(227E33)的⑤脚,电路起振。T101的N2绕组产生感应电压,经D107整流、C106滤波后得到约15V直流电压,加到U101的⑤脚,以取代启动电压。
(3)次级整流输出电路
N3绕组中产生的感应电压经D202整流、C204滤波后得到12V直流电压。T101的N4绕组与N3绕组串联,所得的感应电压经D201整流、C202滤波后得到约32V直流电压,供给背光电路。
(4)稳压电路
当12V输出电压升高时,取样电阻R219、R216分压点电压升高,则三端精密稳压块U201的R极电压升高,则U201的K极电压下降,光耦U102内部发光二极管发光增强其③、④脚内部的光敏三极管导通程度加深,U101的②脚电压下降,U101的⑥脚输出的脉冲占空比下降,Q101提前判断,使输出电压下降,从而达到稳压的目的。
当12V电压下降时,其稳压过程与上述相反。
2、背光电路
该部分电路由 MP3398A(U301 )、Q300、L301、D301等元件组成。待机时32V(实测为36V)电压通过储能电压L301加到开关管Q300的漏极,12V通过R306加到U301的15脚。
二次开机后,ON/OFF端子输出3.2V高电压,通过R303加到U301的②脚、⑦脚;ADJ端子输出约3.2V高电平,通过R302加到U301的③脚。U301内部电珞起振,U301的14脚输出幅度约5.6Vp-p、周期为5.8us的方波,经D301、C318整流滤波得到约33V的直流电压。该电压与32V供电电压叠加,得到约65V的直流电压(LED+)供给灯条。
该机背光采用直下式,由三根灯条串联而成。每根灯条上由七只灯珠串联而成,即该机背光源由21只灯珠串联而成。工作时灯珠电流为260mA。
过流保护:由R314、R316、R317、R312与u301的13脚内部电路组成。若流过Q300的电流过大,R314、R316、R317两端的电压升高,即u301的3脚电压增大,当增大到一定值时,U301内部保护电路启动,14脚无激励信号输出,Q300停止工作,从而实现过流保护。
过压保护:由R318、R305、R319与U301的区脚内部电路组成。正常工作时,R318、R305、R319对65V进行分压,使U301的12脚得到约0.88V的直流电压。若6.5V电压升高,则U301的12脚电压升高,当升高到一定值时,U301内部保护电路启动,14脚无激励脉冲输出。
三、维修实例
例1:开机后三无,电源指示灯始终不亮。分析检修:该机电源指示灯(红色)在待机时亮,二次开机后熄。测电源电路输出的32V、12V电压均为0V。查T101次级电路未见异常,说明故障出在电源的初级。测得C101两端电压为330V,说明整流滤波电路正常。测U101的各脚电压,发现⑤脚(vCC)电压为0.3V,正常值约为15V。检查该脚外围电路,发现启动电阻R109已开路,换新后故障排除。提示:原机启动电阻采用功率较小的贴片电阻,易损坏。实修时可换用同阻值普通电阻。
例2:待机时红灯亮,二次开机后,红灯闪烁几次熄灭,黑屏,伴音正常。分析检修:根据故障现象分析,应是背光电路有问题。监测LED+端电压,待机时为36V(正常),二次开机后,先升至80多伏,接着慢慢下降。降至38V时停止下降。怀疑屏内灯条有开路现象,用自制的灯条检测器一测,果然开路。
拆开液晶屏,用检测器测量灯条,一根灯条不亮。检查该灯条,发现一只灯珠断路,用导线短接该灯珠后,装好试机,故障排除。此时测得LED+电压为62V。
版权声明:本文为转载文章,版权归原作者所有,欢迎分享本文,转载请保留出处!
