某功能异常主要指以下现象:遥控按键失灵或功能错乱,不能记忆关机前状态,不识别U盘或SD卡,无法上网,不能进入游戏或3D状态,或者不能进行软件升级等。自动进入某状态主要包括两大类:- -类是常说的自动弹出字符故障,如自动弹出菜单、自动切换信号源、自动加减音量、自动换台等;另一类是自动进入总线、自动进入自检或自动进入程序加载等状态。本类故障属于控制系统的问题,故障部位在主板,涉及的器件有主芯片、按键、遥控接收头、对应的功能电路(含接口)、存储器等。
一、故障原因分析
1、按键或按键信号传输电路漏电
液晶彩电常用的遥控与按键信号输入电路如图1所示。插座CNI的①脚为遥控接收头的5V供电端,④脚为遥控信号接收端。在正常状态下,遥控接收头把遥控信号转化为电压信号,通过R2送给主芯片。R1是上拉电阻,上拉电压为3.3V。
该机的7个按键由芯片的2个IO口控制,由于电阻R9~R14的阻值不一样,即同一IO口与按键板之间的电阻值不一样。当按下不同按键时,IO口对地电压也不一样,主芯片通过检测这一电压来执行相应的功能。2V5-M为2.5V上拉电压。
2、主芯片损坏
若主芯片内部的按键信号输入电路损坏,常会导致该端电压偏低或波动,从而出现按键失灵或自动弹字符故障。正常情况下,在不按动按键时,主芯片的按键信号输入端电压约为稳定的3.3V。若该脚电压波动,在断开其外围电路后仍波动,则可判定主芯片内部电路损坏。另外,主芯片虚焊也可能出现控制异常故障。
3、对应的功能电路异常
本故障原因对应的是某功能异常故障,如不能识别SD卡、不读U盘等故障。液晶彩电常见的USB接口电路如图2所示,其输入端口的①~④脚功能分别是+5V.DM (数据-)、DP (数据+)、地。正常工作时,该端口输出+5V电压给USB设备,随后USB设备输出差分信号USB-M、USB-P通过此端口送给主芯片。该电路的常见故障是不识读USB设备,这时先检查USB设备是否正常,再检查USB输入端口是否正常,然后检查USB-5V供电及保险管(通常为0.5A~1A),最后检查DM.DP引脚对地阻抗是否一致。
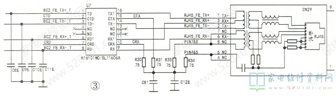
提示:由于液晶彩电USB端口输出的+5V电压(USB-5V)的带载能力不强,其最大输出电流一般低于0.5A,主要用于读取U盘、数码相机等设备。若要识读移动硬盘,需另外给移动硬盘单独供电,否则易损坏USB-5V供电电路及保险管。若不能识别SD卡,则重点检查读卡电路。如不能上网,则先检查电视机与路由器的设置是否正确,再检查网络变压器的2.5V供电是否正常,最后检查网线插口、网络变压器到主芯片相关引脚之间的通道是否正常,如图3所示。
4、主板上DC-DC电路异常
若主板上某功能电路的供电电压过低、过高或波动较大,则会导致该功能无法正常使用。这时应对产生该供电电压的DC-DC电路进行检测。
晶振全称为晶体振荡器,其作用是与芯片内的振荡电路配合,产生固定频率的脉冲信号,作为相关单元电路的工作时钟信号,如图4所示。在液晶彩电中,要求晶振的损耗非常小(即Q值非常高),振荡频率非常稳定。在实修中发现,在部分液晶彩电中,若主芯片外围晶振性能不良,会出现控制异常或自动进入某种状态现象。
6、存储器电路异常
存储器(尤其是DDR存储器)供电不良,存储器与主芯片之间的通信电路断路或漏电,或者存储器自身性能不良,这些原因会导致电视机出现多种怪故障,包括电视机控制功能异常故障。另外,许多液晶彩电在主板上还分别设计有VGA信号及HDMI信号相关信息的存储器,多为24系列存储善、如图5所示。若这类存储器工作异常或存储的数据错误,可能会导致VGA信号或HDMI信号状态异常。
7、软件故障
在检查硬件无问题后,应怀疑软件有问题,尤其是某项功能异常,或屏上提示机器系统有问题,这时可先对机器进行软件升级。
二、故障检修步骤与方法
第一步:检查按键电路。若电视机出现按键失灵或功能错乱,或出现自动弹出字符现象,先用万用表测量键控板上按键信号输出端的电压,在不按动按键时,此脚电压应无波动现象(正常值约为稳定的3.3V),如有波动,则说明该部分电路可能有漏电现象,重点检查按键及相关线路过孔。也可先在断电状态下测量各按键触点间的电阻值,以判断其内部有无粘连或漏电现象。
若某按键漏电 ,建议将所有按键全部换新,以绝后患。若线路过孔漏电,可断开过孔,改用导线连接。在检修遥控失灵故障时,先测量遥控接收头的5V(或3.3V)供电电压是否正常若不正常,则检查供电电路;若电压正常,则检查遥控信号输出上拉电阻及信号传输电路。
对于未采用触摸按键或按键板上无其他总线控制电路(如环境光检测电路)的机型而言,如怀疑按键有问题,可断开按键试机,看故障能否排除,如排除,则表明问题确实出在按键上。
提示:对于部分液晶彩电而言 ,断开主板与键控板之间的连接排线后会出现不开机现象,这时可只断开电压异常的那条按键信号输入线,以便判断故障部位。
第二步:判断主芯片的按键信号输入端电压是否正常。
实修时,如果没有资料,则难以确定主芯片的按键信号输入端,加之主芯片的引脚密集,测量其引脚电压也难以操作。因此,建议以主板上的键控信号输入插座的相关引脚(通常标注为"KEY0"、"KEYI”等)为测试点,如图6所示。
在未按动按键时,这些引脚的电压应稳定(经验值接近3.3V),若电压偏低或波动(一般下降到某值时,屏上会自动弹出字符),则表明与该脚相连的线路有漏电现象,这时可拔下键控板连接排线再试机,若故障不再出现,则说明漏电点在键控板上;若故障依旧,则表明漏电点在主板上,这时应重点检查该脚所连铜箔,尤其是相关过孔。若怀疑过孔漏电,可断开过孔的两端相连的铜箔,改用一段导线进行连接。
检修技巧:部分线路过孔的背面位于多引脚贴片元件的底部,或者过孔背面线路表面涂有较深颜色的绝缘漆,难以看清与过孔相连的铜箔走向,断开过孔的两端相连的铜箔就显得非常困难。因此,在实修按键输入信号电压过低故障时,如判断出是主板线路漏电,这时可采用外加电压法进行应急维修,具体方法如下:先找到给键控板的3.3V供电端,然后用一只1k可调电阻跨接在3.3V供电端与漏电线路的某处焊盘上,如图7所示,调节可调电阻的阻值,直到该线路上的电压恢复正常且无明显波动现象时为止。
若主芯片的按键信号输入端内部电路损坏引起该脚电压波动,从而出现自动弹出字符故障,这时也可参照图10-7进行处理,先断开该脚外围电路,再将1k的可调电阻接到该脚与3.3V电源间,然后慢慢调小可调电阻连入电路的阻值,直到自动弹出字符现象消失即可。当然,按上述方法处理后,面板按键将不起作用,因遥控起作用,因此对电视机的正常使用影响不大。
第三步:测量主板上相关功能电路的供电电压是否正常。如电视机某功能异常,则先测量该功能电路的供电电压是否正常,如不正常,则检查其供电电路,尤其是二极管、滤波电容及稳压块。
第四步:检查对应的功能电路重点是对该功能电路的接口、供电及切换控制信号进行检查。
第五步:代换主芯片外围的晶振并补焊主芯片。若怀疑晶振性能不良,既可采用代换法进行判断,也可用频率表或示波器测量晶振两端的频率值,通过观察其频率值是否稳定来判断。
第六步:检查存储器的供电及通信电路是否正常。实修时可先用吹风机对存储器电路进行加热,然后检及通信电路,最后代换存储器-试。第七步:重新进行软件升级。综上所述,某功能异常或自动进入某状态故障的检修流程如图8所示。
三、故检修实例
例1:一台长虹LED32770V液晶彩电(LS39机芯),不能识别USB设备。分析检修:开机后插入u盘,机器不能识别到USB信号输入。测得USB的+5V供电约为2.8V,这说明USB接口供电有问题。待机电源输出的+5VSB电压经场效应管U3(AOZ4803 )开/关控制后输出+5V电压,一路供给USB接口,如图9所示。
二次开机后,三极管Q9、Q10导通,U3的②、④脚均为低电平,则U3内部的两只P沟道场效应管导通,分别从⑦、⑧脚与⑤、⑥脚输出+5V与12V电压。上电测得U3的⑦、⑧脚电压正常,这说明USB接口的5V供电线路有问题。顺着线路查找,发现这一线路中有一个穿过印制板的过孔,刮去该过孔两端的绝缘漆,测得其两端的阻值很大(正常值应为0Ω),这说明该过孔内部已接触不良。用-段导线短接该过孔后试机,故障排除。
例2:一台三洋50CE1168R3液晶彩电,更换主板开机,机器自动进入工厂模式首页,如图10所示(最后两行分别为电视机型号与软件版本号),无法退出。分析检修:正常时,该机需在TV状态下,依次按遥控器上的菜单、设置、图像设置、对比度及数字键1.9.5.0方能进入工厂模式。既然本机在开机后自动进入工厂模式,会不会是某项设置有问题呢?查询资料得知:该机的工厂模式中有“SHOP INIT(OPTION)"一项,其意思是在出厂前对机器进行初始化,以清除原调试中的工厂信息,也包含开机后自动进入工厂模式这-功能。处理方法:开机后,按遥控器的回看键进入工厂模式菜单,选择第5项"SHOP INIT(OPTION)"后按确认键进行初始化,随后机器自动关机并重启,故障排除。
例3:一台海信LED32K200彩电(RSAG7.820.4801主板),开机后自动弹出菜单。分析检修:该机按键信号从插座XP12的⑦脚(KEY0)、⑨脚(KEY1)输入,分别通过02电阻R535、R536送给插座XP4的①、③脚,再分别通过1k2电阻R140、R139送给主芯片,如图11所示。开机后测得XP12的⑦脚、⑨脚电压分别为1.46V和332V ,⑦脚电压明显偏低。断开电阻R535测得XP4的①电压为332V,正常,这说明XPI2的⑦脚外围线路漏电。拆下R535,将原插在XP12的⑦脚中的导线直接插到XP4的①脚中试机,故障排除。

例4:一台海信LED42H310彩电(RSAG7.820.4801主板),遥控失灵。分析检修:开机后测得XP12插座的IR端电压为0.6V,明显偏低。顺着线路检查,发现IR信号经电阻R100送给主芯片MST6M181VG,如图检查R98、R100、C120、R271均正常,怀疑这段线路漏电,尤其是其中的一个过孔。断开过孔,用导线连接后试机,故障排除。后来发现采用同型主板的海信LED32H310 、LED39K300J彩电也易出现此故障,原因均是此过孔的问题。

例5:一台夏普LCD-40LX160A液晶彩电,通电后屏上显示"DO NOT POWER OFF"、"SCAN"字符,如图13所示,此时遥控、按键均失分析检修:屏显"DO NOTPOWEROFF"、"SCAN"分别表示"不要关闭电源"与“扫描”的意思。另外,该机屏中部显示的进度条(显示"1%”字符)一直不增加,且电视机面板上的指示灯也不亮(正常时,待机状态亮红灯,开机状态亮绿灯)。

综合上述现象分析,该机开关电源电路背光驱动电路及液晶屏应是正常的,问题应出在主板上。从有进度条显示这点看,故障原因应是主板上的微处理器在上电后未能完成开机程序的加载工作。查阅资料得知该机具有强制启动功能,方法是:先同时按下面板.上的视频键与“音量-"键不松手,然后接通AC20V电源当面板上的绿色指示灯开始闪烁时松手即可。照此方法强制开机,图像、声音均正常,这进一步说明上述判断正确;断电后再开机,又出现原故障现象。分析后认为,故障原因可能是微处理器、存储器或者两者之间的通信电路异常,也有可能是软件问题,或者是主芯片有问题。拆机检查,该机主板电路非常简洁,主芯片采用BGA封装,且表面贴有导热胶,如图14所示。根据经验,主芯片与DDR存储器之间的通信线路密集,易受潮漏电,于是先用毛刷除去这部分电路上的灰尘,再用吹风机将其烘干,最后上电开机,故障排除。
值得一提的是,该型机的主芯片损坏后也会出现本故障。

例6:乐视S40、S50、S40Air、S50Air系列彩电(MST801或MST918机芯),遥控器不起作用或接收距离短。分析检修:该系列液晶彩电配用的是射频遥控器。本故障易误判为遥控器的问题,其实真正原因是电视机内部的射频接收天线断裂。处理方法:先拆机找到射频天线的焊接端点,如图15所示,将同轴天线外层的绝缘皮去掉,找到内部的芯线,去掉断裂的部分,然后重新焊接好接点即可。

例7:一台乐视X3-40彩电(MST918机芯),用户获得会员资格且激活成功,但第二天开机后登录账号,提示不是会员。分析检修 :开机后先查看机器的“设备属性"设置,均正确;查看机器的软件版本号,已是最新版本039S。接来检查电视机的MAC地址,按压遥控器上的设置键->关于本机->网络参数->有线MAC,屏显本机的MAC地址是C80E779096E1,但机器铭牌标签上的MAC地址却是C80E779896E1,显然该机故障系MAC地址错误所致。
通过u盘安装918setmac-v4软件后修改MAC地址,使之与标签上的一致,遥控关机后再关断电视机总电源,随后再开机,使用用户的账号、密码登录,会员服务时间恢复正常卸载 电视机中修改 MAC地址的软件后交付用户使用。
提示:MAC(Media Access Control)地址是指固化在网卡上串行EEPROM中的物理地址(又称硬件地址),用来定义网络设备的位置oMAC地址是网卡的唯一标识,捆绑IP地址和MAC地址可防止IP地址被盗用。
例8:一台小米LM49-AA液晶彩电,开机后屏显"Factory Test Mode' ,如图16所示,此时除能遥控开/关机外,其他控制均失灵。分析检修:此故障系误操作使电视机进入了工厂模式所致,解决方法如下:找到该机对应的红外遥控器,在3s内依次按遥控器上的确认、返回、左、右、菜单、菜单键,这时电视机会自动关机并重启,随后进入用户模式,故障排除。

例9:一台长虹LED42538N液晶彩电,遥控失灵。听a分析检修:上电试机,声音、图像均正常,且面板按键控制也正常,判断问题出在遥控器或遥控信号接收电路上。检查遥控器正常,于是拆机检查遥控信号接收电路,发现该机的遥控按键板先通过一条较窄的扁线与转接板相连,再通过排线接到主板的插座CN6上,如图17所示。

测得转接板插座CN3的①脚(IR)与主板插座CN6的①脚(IR )不通,进一步检测发现该段连接线已断路。另用一段导线连接后试机,故障排除。后来发现本故障是该型机的一个通病,故障原因均是此段导线断路。