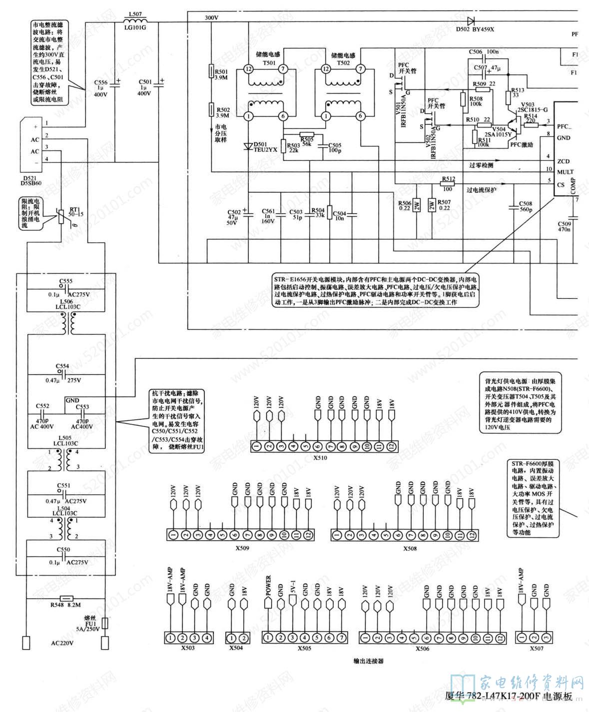
厦华40in以上大屏幕液晶彩电采用的型号为782-147K17-200F和782-147W17-200C的电源板,两者电路组成基本相同,应用于厦华LC-42T17、LC-42T18、 LC-47R27、 LT-47R26、LT47W17S 等大屏幕液晶彩电中。本节以782-147K17-200F为例,介绍其维修资料和维修图解。 厦华782-147K17-200F电源板实物图解如图1所示;电路组成框图如图2所示。
该电源板集成电路采用STR-E1565 + STR-F6600组合方案。该电源分为三部分: 一是以驱动控制电路STR-E1565 (N501) 的1/2和大功率MOSFET ( 开关管)V501、V502为核心组成的PFC电路,将整流滤波后的市电校正后提升到410V左右,为主开关电源和背光灯电源供电;二是以驱动控制电路STR-E1565 (N501) 的1/2和内部大功率MOSFET (开关管)为核心组成的PWM主开关电源,为负载电路提供18V-AMP、18V 和5V-1电压;三是以驱动控制厚膜电路STR-F6600 (N508) 为核心组成的背光灯电源,为背光灯逆变器电路提供120V电压。
AC220V市电整流滤波后经D502产生约300V的电压,为STR-E1565组成的PWM主开关电源供电,主开关电源首先启动工作,同时向PFC电路提供激励脉冲,PFC 电路进人工作状态,将300V电压提升到410V左右,一是向 主开关电源供电,向负载电路提供18V-AMP、18V和5V-电压;二是向背光灯电源电路供电,向背光灯逆变器板提供120V电压。
厦华782-147K17-200F电源板在PFC电路、PWM主开关电源和背光灯电源,围绕驱动控制电路STR-E1565 + STR-F6600内部的保护功能,设有过电压保护、过电流保护电路,保护电路启动时,相关功能电路停止工作。该电源板的集成电路引脚功能和对地电压见表1、表2。
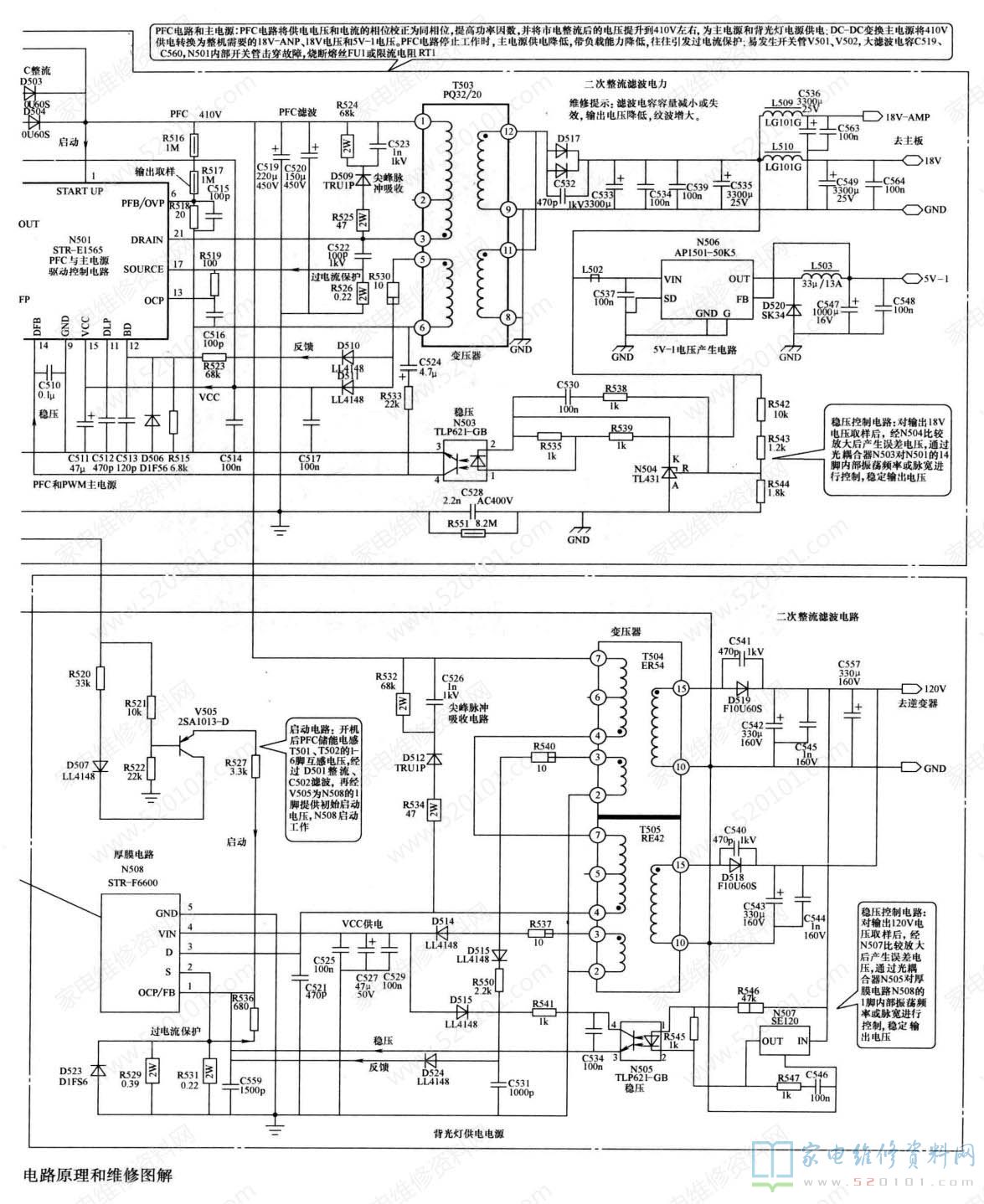
厦华782-147K17-200F电源板18V的PWM主开关电源发生故障,同时牵连120V背光灯供电电源N508的1脚无电压而不工作,往往引起三无故障。如果主开关电源输出的18V和5V-1电压正常,只是120V背光灯电压发生故障,则会引起伴音正常、黑屏幕故障。
1.开关电源完全无输出
先测量300V供电是否正常,如果无300V供电且熔丝FU1熔断烧黑,先排除市电交流抗千扰电路电容C550~ C555及整流滤波电路二极管BD801、D521、 电容C556、C501 短路故障;再排除PFC电路V501、V502、 主电源STR-E1565的21脚内部和副电源N608内部大功率开关管击穿短路故障,并注意检查相关的尖峰脉冲吸收电路是否失效,避免二次击穿。如果300V供电正常,则检测STR-E1565的15脚VCC电压,如果该电压在8.2 ~ 13.5V之间反复跳变,应当判定故障在二次供电电路,检查发现STR-E1565的6脚内外部欠电压保护电路出现故障。当外接R516、R517、R518阻值变大,C515 漏电导致该脚电压降低到2.7V以下时,开关电源处于保护状态。
2.背光灯电源无120V电压输出
一是检查STR-F6600的1脚启动电压,如果无启动电压或启动电压低,检查PFC电路T501的1脚到STR-F6600的1脚之间的启动供电电路;二是检查STR-F6600的4脚VCC供电电压,如果不正常,检测4脚外部的C525、C527、C529、D514、R537的整流滤波电路是否发生故障。如果发现STR-F6600表面已发生炸裂,此时应重点检查STR-F6600的外围电路,-是检查STR-F6600的1脚外部的稳压控制电路是否发生故障;二是检查STR-F6600的3脚外部的R534、D512、R532、C526 尖峰脉冲吸收电路是否损坏。确认无误后,方可换上新的电源模块。
3. PFC电路不工作
PFC电路不工作,C519、C520正端电压降为300V左右。由于PFC电路和18V主电源共用驱动电路STR-E1565,根据工作原理,若内部PFC逻辑电路出现故障,将造成18V主电源不能启动。由于主电源各输出电压正常,只是C519、C520正端电压始终为300V左右,一是检查STR-E1565的3脚外接的缓冲及功率放大电路是否出现故障;二是检查STR-E1565的4脚的过零检测脉冲输人电路是否出现故障;三是检查STR-E1565的10脚外接的高次谐波输人电路是否出现故障。
4.自动关机
开机瞬间有电压输出,然后停止工作,多为保护电路启动引起: 一是检测STR-E1565的5脚PFC过电流保护电路;二是检测STR-E1565的6脚过电压保护电路;三是检测STR-E1565的10脚市电过电压保护电路;四是检测STR-E1565的15脚供电欠电压保护电路和STR-E1565的13脚的过电流保护电路;五是检测STR-F6600的4脚过电压保护电路;六是检测STR-F6600的2脚过电流保护电路。
厦华782-147K17-200F电源板电路原理和维修图解如图3所示。

