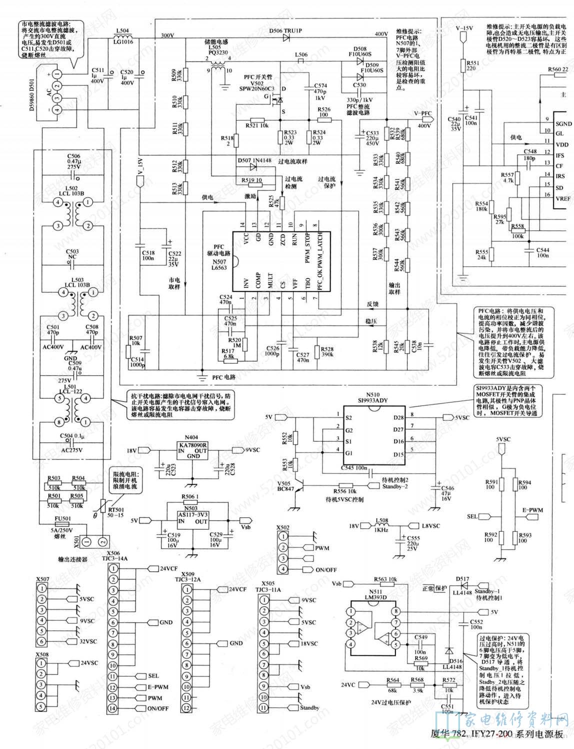
厦华液晶彩电采用的型号为782. IFY27 200系列电源板,输出电压和连接器不同,后缀分别为I、D、F、H等,编号为66746HU27-20。该系列电源板集成电路采用FSDH321 + L6563 + TEA1610T组合方案,应用于厦华LC-37HU35、LC-40HU35、LC-42HU27、LC-42HU35、LC-46HU27、LC-47HU27、LC-42HCS6、LC-42HC63、LC-42FTI8、LC-42R35、LC-47R35等液晶彩电中。厦华782. IFY27 200系列电源板实物图解如图1所示;电路组成框图如图2所示。
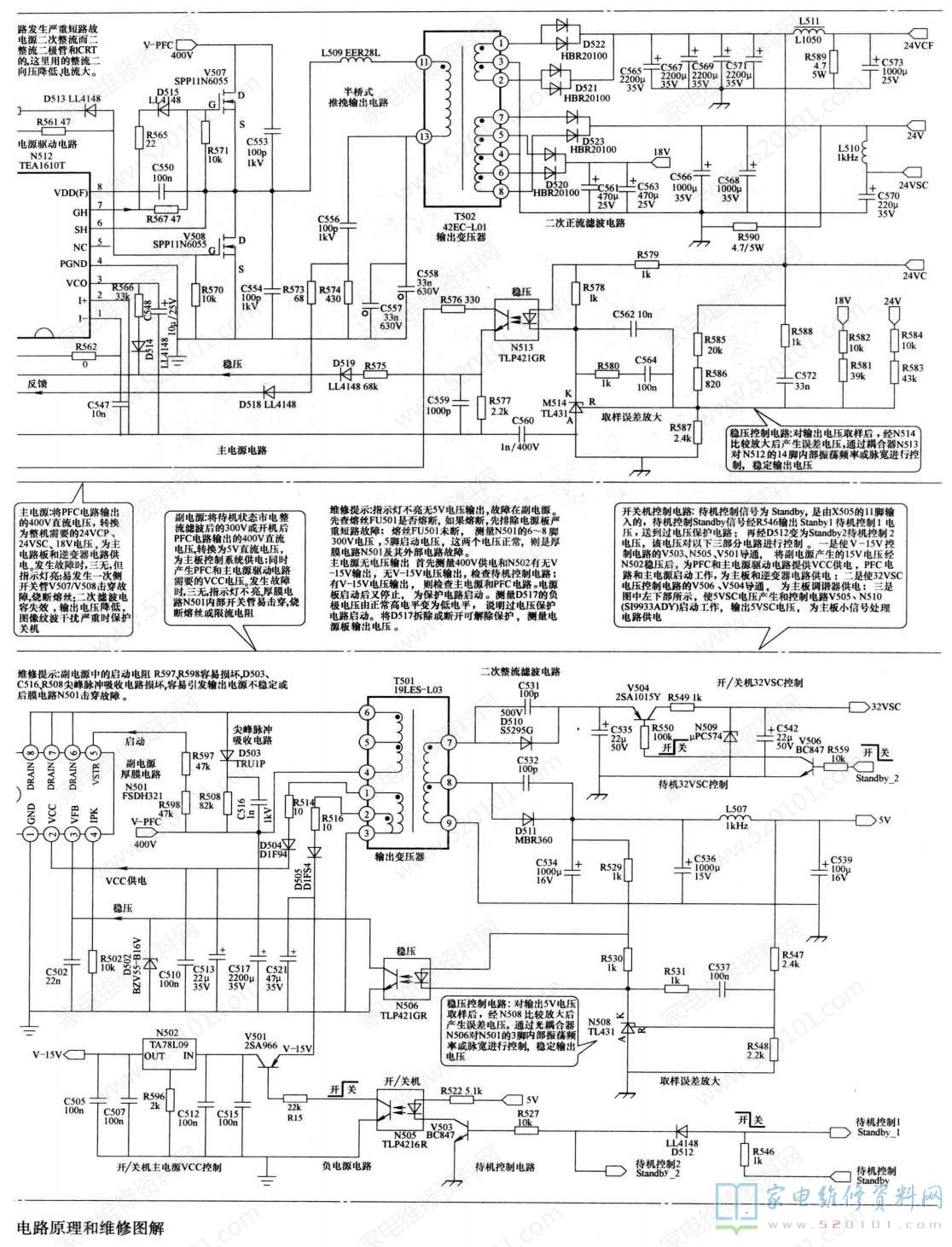
该系列电源板由三部分组成:一是以厚膜电路FSDH321 (N501) 为核心组成的副电源;二是以驱动控制电路L6563. (N507) 和大功率MOSFET (开关管) V502 为核心组成的PFC电路;三是以驱动控制电路TEA1610T (N512)和大功率MOSFET (开关管) V507、 V508 为核心组成的主开关电源。开关机控制采用控制PFC电路和主开关电源驱动电路vCC供电及控制主板32V、5V电源的方式。
通电后,市电经整流滤波电路产生+ 300V电压,再经PFC电路产生V-PFC电压,该电压待机状态为300V,开机状态上升到400V,为主副电源供电,副电源NS01首先启动工作,为主板控制系统和待机控制电路提供+5V电压,控制系统工作后为电源板送人待机高电平控制电压,待机控制电路动作,-是将副电源产生的VCC电压送到PFC驱动电路N507和主电源驱动电路N512,PFC电路和主电源启动工作,向主板和逆变器板提供24VCP、24VSC、18V 电源;二是将副电源产生的32V电压送到主板调谐器;三是将副电源产生的5V电压转换为5VSC受控电压,为主板小信号处理电路供电,整机进人开机收看状态。该电源板设有24V输出过电压保护电路,发生过电压故障时,保护电路启动,将待机高电平拉低,进入待机保护状态。该电源板的集成电路引脚功能和维修数据见表1~表3。
厦华782. IFY27-200系列电源板发生故障,主要引起开机无光栅、无图像、无伴音的三无故障。检修时,可根据指示灯是否点亮、熔丝是否熔断、测量开关电源输出电压和电源电路关键点电压的方法,判断故障部位。
为了维修电源板方便,排除负载电路对电源板的影响,可采用脱机维修的方法,将电源板与负载电路的连接器断开,将开关机控制Standby端与副电源输出的5V电压用导线连接,模拟开机高电平控制电压,通电对电源板进行维修。如果要实验电源板的带负载能力,为了观察和维修比较直观和方便,还需在输出连接器的主电源输出端上接24V或36V(功率60W或100W)低压灯泡作假负载。
1、副电源无5V电压输出
测量熔丝FUS01或大功率限流电阻RT501是否烧断,如果已经烧断,说明开关电源存在严重短路故障,可按照流程图,测量大滤波电容C533两端电阻,如果很小或为零,-是检测C533是否击穿;二是对副电源厚膜电路、PFC 电路或主电源大功率开关管、市电输入抗干扰电路、整流滤波电路进行检测。如果C533两端电阻正常,则故障在市电交流抗干扰电路和整流滤波电路。维修中,如果发现大功率开关管击穿,请注意检查可能引起开关管击穿的尖峰脉冲吸收电路、稳压控制电路是否损坏,源极电阻是否连带击穿如果熔丝 FUS01或大功率限流电阻RT501未烧断,副电源无电压输出,主要是副开关电源电路未工作。首先测量N501的6~8脚有无300V电压,5脚有无启动电压,如果无300V电压或启动电压,检查AC220V市电整流滤波电路是否发生开路故障,5脚外部的启动电阻是否阻值变大或开路;如果5 ~8脚电压正常,则是厚膜电路内外电路故障,必要时可更换N501试试维修实践证明:副开关电源中的启动电阻R597、RS98 容易损坏,D503、 C516、 RSO8 尖峰脉冲吸收电路损坏,容易引起输出电压不稳定或厚膜电路N501击穿;副开关电源二次整流滤波电路或负载电路发生严重短路故障,也会造成副电源无电压输出。
2.主电源无电压输出
如果测量主电源始终无电压输出,说明主电源未工作,首先测量待机控制电路N502有无V-15V电压输出,无V-15V电压输出,检查待机控制电路;有V-15V电压输出,则检查主电源和PFC电路。维修实践证明: PFC 电路NS07的1、7脚外部V-PFC电压检测电阻阻值大的比较容易损坏,是检查的重点;开关电源的负载电路发生严重短路故障,也会造成无电压输出。主开关电源二次侧整流二极管D520~D523容易损坏,这些整流二极管和CRT电视机用的整流二极管管是有区别的,这里用的整流二二极管为肖特基二极管, 特点为正向压降低、电流大。
3.通电瞬间有电压输出
如果通电的瞬间,电源板启动,并在开关电源变压器的二次侧有电压输出,几秒钟后电源板停止工作,输出电压降到0V,多为保护电路启动所致。在开机的瞬间,通过测量保护电路D517的负极电压判断过电压保护电路是否启动。该电压正常时为高电平,D517 反偏截止。如果D517的负极为低电平,D517正向导通,说明过电压保护电路启动。可采取解除保护的方法维修:将D517拆除或断开,测量电源板输出电压,如果输出电压正常,故障在保护检测电路N511,否则检测主电源稳压控制电路N513、N514 及其取样分压电阻。注意:断开二极管后不可长时间通电,以免引起元器件损坏。
厦华782. FY27 200系列电源板电路原理和维修图解如图3所示。

