厦华782. 37FT18-200A/C电源板应用于LC-37HU19、LC-37HU25、LC-37HU35、LC.32HU25、LC.32HU26等液晶彩电中,可用型号为782. 32HU18-2000电源板代换。厦华782. 37FT18-200A/C电源板实物图解如图1所示;电路组成框图如图2所示。
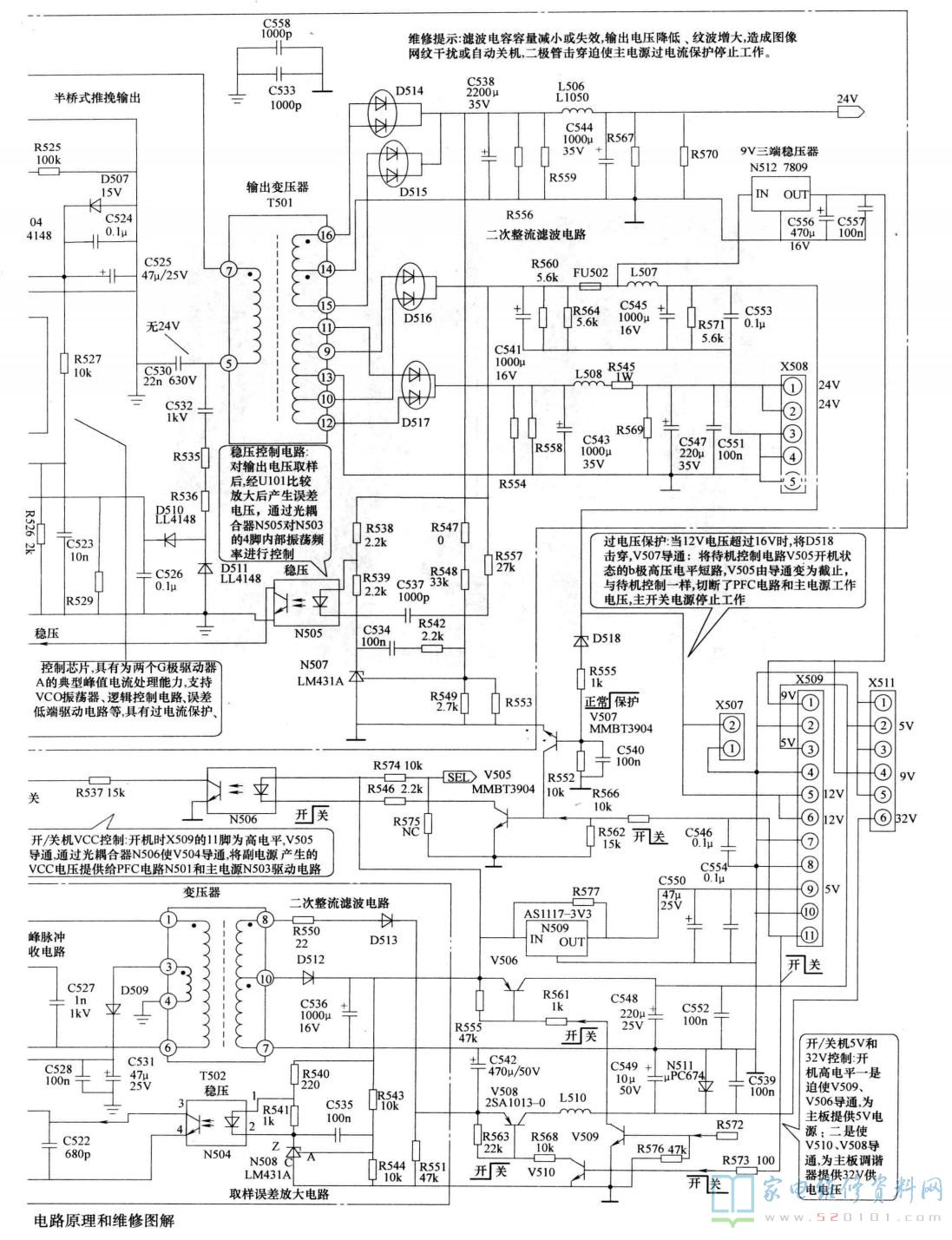
该电源板由三部分组成: 一是以厚膜电路STR-A6159M ( N502)为核心组成的副开关电源,为主板上微处理器控制系统提供5V、32V供电,同时为PFC电路和主开关电源驱动控制PWM电路提供18V左右的vCC工作电压;二是以驱动控制电路NCP1653A (N5001) 和大功率MOSFET (开关管) v501为核心组成的PFC电路,校正后为主开关电源提供约400V的工作电压;三是以驱动控制电路L6599D (N5O3) 和大功率MOSFET (开关管) V502、 V503 为核心组成的主开关电源,为负载电路提供+12V、+24V、 +9V 电压。
开关机控制电路:一是控制PFC电路和主开关电源VCC供电;二是控制副电源为主电路板提供5V和32V供电。开机后副电源首先工作,为主板控制系统提供5V和32V工作电压,遥控开机后,开关机电路将副电源产生的18V的VCC电压送到PFC电路和主开关电源驱动电路,PFC电路和主电源启动工作,为整机提供+12V、+24V、 +9V 电压,整机进人开机工作状态。该电源板在主开关电源一次电路依托驱动控制电路L6569D的保护功能,设有欠电压、过电流保护电路;在二次侧设有以D518、V507 为核心组成的过电压保护电路,当主电源输出的12V电压过电压时,将稳压管D518击穿,V507 导通,将开关机控制电路V505的基极开机高电平拉低,与待机控制相同,切断PFC电路和主开关电源驱动电路VCC供电,主电源停止工作保护。
该电源板的集成电路引脚功能和对地电压见表1~表2。
对于厦华782.37FT18-200A/C电源板的维修,为了避免负载电路对电源板的影响,可拔掉电源板与负载电路的连接器,将5V电压与X509的11脚相连接,提供开机高电平,对电源板单独进行维修。
1. 待机指示灯不亮
故障主要在副电源。测量熔丝FU501是否熔断,如果已经熔断,首先排除电源板短路故障。如果熔丝未断,一是测量N502的5脚和7、8脚有无300V电压;二是检测集成块的1 ~4脚电压和对地电阻;三是检查副电源的稳压控制电路N504、N508;四是检测二次整流滤波电路和负载是否严重短路。
2.指示灯亮
故障在主电源电路。测量N503的12脚有无VCC供电,无vCC供电,检查开关机vCC控制电路V504、V505、N506和副电源VCC电压产生电路D509、C531、R528 等。如果N503的12脚有vCC供电,测N503及其外部电路元器件。
3. 自动关机
发生自动关机故障时,测量保护电路V507的基极电压由正常时的0V变为高电平0.7V以上,则是以V507为核心的12V过电压保护电路启动,否则是主电源-一次欠电压、过电压保护电路启动。将V507的基极对地短路可解除保护,开机观察故障现象。厦华782. 37FT18-200A/C电源板电路原理和维修图解如图3所示。

