创星王牌3237型LED液晶电视采用三合一板,其DC-DC转换电路如图1所示。
一、工作原理简述
  
 
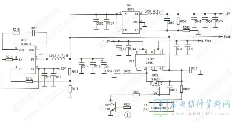
UD1把12V电压转换成5Vsb电压,UL1把5Vsb电压转换成3.3Vsb和1.8V。U4把5Vsb电压转换成1.2V。通电后,开关电源输出12V电压加到UD1的③脚,UD1的⑤脚(使能端)通过电阻RD11与12V相连,芯片得电工作,②脚产生幅度约12Vp-p的脉冲电压,如图2所示。
  
 
内部续流二极管将负半周5V电压整流出来,在滤波电容EE两端产生5Vsb待机电压。RD12.RD16是取样电阻,改变它们的阻值就会改变输出电压值。
3.3Vsb电压的形成电路以UL1(1118-2Y0K)为核心组成。UL1 的①、②、⑦、⑧脚组成1.8V稳压电路,③~⑥脚组成3.3V稳压电路,当④脚输入5Vsb电压时,⑤、⑥脚输出3.3Vsb电压。二次开机后,主芯片u9( TSUMV59XU-ZI)的71脚输出3V高电平,三极管QM21饱和导通,把P沟道场效应管QM22的栅极电压拉低到0V,QM22导通,漏极输出5V电压加到UL1的②脚,UL1的⑦、⑧脚输出1.8V直流电压,供主芯片内部的DDR使用。1.2V电压形成电路以U4 (丝印号为GG6E )为核心组成。通电后5Vsb电压加到U4的④脚,同时也加到使能端①脚,电路开始工作,在③脚上产生幅度约为5Vp-p的脉冲,如图3所示。
  
 
U4内部的续流二极管把负半周1.3V电压整流出来,在滤波电容CD48、CD54两端产生1.2V 直流电压,供内核使用。U4的⑤脚为反馈端,改变取样电阻RD52、RD53的阻值,可改变电压输出的数值。
二、维修实例
一台创星王牌3237型LED液晶电视,通电后红灯亮,二次开机无反应不开机。该机无副电源,通电后开关电源即工作。测开关电源输出12V、24V正常。为了快速判断故障部位,查看开机打印信息,如图4所示。
  
 
第四行显示"BIST _0 error" ,说明DDR检测出错。该机主板上无专用DDR芯片,因此DDR电路应该在主芯片U9内部。首先查DDR供电,测5Vsb.3.3Vsb.1.2V电压正常,但1.8V电压约为0.5V(正常时,该机DDR供电在上电时保持约8s后消失,二次开机后才一直为1.8V),上述检测说明1.8V供电不正常导致二次不开机。
测QM22的漏极(即UL1的②脚)电压一直为5V,栅极电压为0V,QM21的基极电压为0.7V,U9的⑦脚电压为3V,说明故障原因是UL1不良或1.8V负载短路,使得输出电压过低,导致通电时系统无法完成DDR检测,也就无法二次开机。查1.8V滤波电容CL43、CL44正常,断电后测1.8V负载对地没有短路现象,测UL1的②脚5V供电正常,判断UL1部分电路损坏,因为UL1的⑤、⑥脚输出的3.3Vsb电压正常。剪断UL1的⑦、⑧脚,找来一只三端稳压块1117-18,用导线将其引脚分别接到UL1的对应引脚上,试机,故障排除。
后来,从一台山水牌液晶彩电三合板上取下一只型号为1118-103Y-1833的集成块换上,一切正常。
