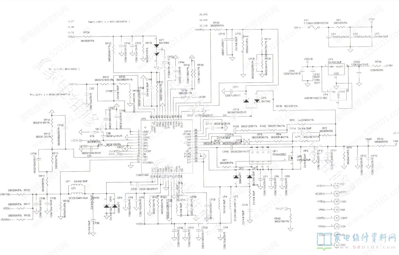
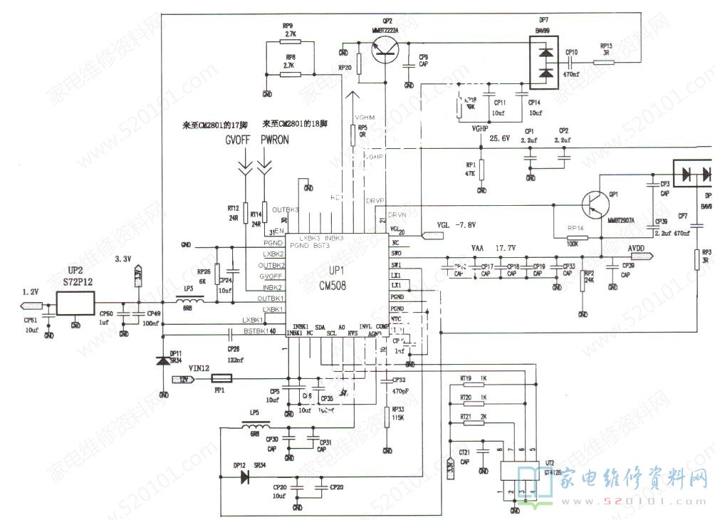
一款采用CM508的逻辑板电压变换电路 2022-04-02 17:18:25 阅读 644 次 评论 0 条 摘要: 下图是一款采用CM508的逻辑板电压变换实绘电路,仅供大家参考。 下图是一款采用CM508的逻辑板电压变换实绘电路,仅供大家参考。 版权声明:本文为转载文章,版权归原作者所有,欢迎分享本文,转载请保留出处! 点赞 分享: PREVIOUS:液晶屏TAB模块代换资料汇总(图) NEXT:TCL液晶电视A620系列(T986A机芯)主板维修图解 文章导航