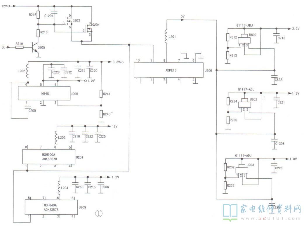
乐视S40 Air型LED液晶电视采用电源、背光二合一板,通电后输出12V和30V电压,前者供给主板,经主板.上的DC-DC电路转换成5V、3.3V.1.8V.1.2V等电压,如图1所示。
一、DC-DC电路工作原理
1. 3.3Vsb电压
上电,开关电源输出的12V电压加到U205(NB4GI )④、⑤脚,U205内部的PWM电路工作,在⑥脚(外接储能电感L202)产生幅度约为12Vp-p的脉冲(如图2所示),经U205内部续流二极管整流,C269.C270滤波产生3.3Vsb直流电压,供给CPU。
  
 
2.1.2V.5V .3.3V.1.8V电压
二次开机后,CPU输出3V高电平开机信号(Vsb),三极管Q205导通,P沟道场效应管Q203、Q204的栅极( G电压被拉低到2.2V,Q203. Q204导通,12V电压分别加到U206⑨脚、U201①脚。U201与U209外围电路相同。这两块芯片得电工作,在⑥脚分别外接储能电感( L203、L204)产生幅度为11Vp-p的脉冲(如图3所示),经U201.U209内部续流二极管整流,及外部电容(C210、C222、C225和C263.C215、C266)滤波,产生1.2V直流电压。U206得电工作,在⑧脚(外接储能电感L201 )产生幅度约为12Vp-p、周期为2us的脉冲(如图4所示)。
  
 
  
 
经U206内部续流二极管整流,C822、C1308、C236滤波,产生5V直流电压,分别加到三端稳压器U802.U202和U203的③脚,稳压后输出3.3V和1.8V电压。
二、故障检修实例
例1:一台乐视S40 Air型LED液晶电视,三无,电源指示灯也不亮。
分析检修:测开关电源电路输出的12V、30V电压均正常,说明故障在主板。上电,测得3.3Vsb电压为OV,U205⑥脚无脉冲波形,但U205④、⑤脚的12V供电正常。检查滤波电容C269.C270及.取样电阻R241.R240均正常,测3.3Vsb输出端对地阻值无短路现象,怀疑U205损坏,将其换新后故障排除。
例2:机型与故障现象同“例1”。
分析检修:上电,测得主板.上的12V、3.3Vsb 电压均正常,接下来检测受控的DC-DC电路输出电压,发现5V、3.3V、1.2V电压均正常,但1.8V电压仅为0.6V,不正常。检查1.8V 电压形成电路,测得U203③脚电压为5V,正常。断电,检测滤波电容c226及取样电阻R232、R233 均正常,测1.8V输出端对地电阻无短路现象,判断U203损坏。更换U203后上电,电源指示灯("Tetv”字母)亮;二次开机,故障排除。
机器修复后监测主板DC-DC电路输出电压,发现5V.3.3V、1.2V、1.8V 在上电后会正常输出几秒钟,随后降为0V,电视一直处于待机状态,仅电源指示灯亮;二次开机后,上述电压恢复正常,并随即出现开机画面。
小结:多数液晶电视1.8V电压不正常,通常电源指示灯亮,而本例却不亮。
 
								