一、奇美(V315131-L01)逆变器实物图
二、奇美(V315B1—L01)电路框图
三、BA10324AF芯片介绍
四、奇美(V31581-L01)逆变器的供电系统
五、OZ964内部框图
六、奇美(V31581一L01)逆变器模拟量控制电路
七、O2964脚位功能中英文对照表
八、OZ964关键脚位描述
1.②脚OVP(Over Voltage Protection)过压保护
该脚的取样信号是从变压器的输出送来的电压信号,IC内部设置的极限电平是2V,当取样电压达到这个极限电平时,IC内部OVP运放输出翻转,保护电路起动,4个输出激励端停止输出激励脉冲,灯管熄灭,同时,⑦脚也没有3.5V的基准电压输出,整个IC不工作。
2.③脚ENA(Enable)点灯使能端
该脚是IC运行与否的使能端,或者说是灯管点亮的控制端,临界电平设置于2V,当该脚输入电平高于2V时,IC停止工作,灯管熄灭。
3.⑦脚RFE(Reference)基准电压
该脚是由⑤脚电源端经内部稳压后输出的一个3.5V基准电压,供IC内部和外部电路工作,IC保护时该脚没有输出。
4.⑨脚FB(Feed—back)输出电流反馈信号输入端(过流保护)
临界电平设置于1.25V,当输出电流过大,通过电流取样电路,向该脚反馈一个电压信号,低于1.25V时,内部运放输出翻转,起动保护电路工作,IC停止输出,灯管熄灭。
5.17/18脚RT/CT振荡电阻和电容
该两脚内部是背光振荡电路,振荡频率由这两脚的电阻电容决定,运行频率f由下式决定:
F[kkHz]=65x10000/(CT[pF]IxRT[K])
6.13/14/15脚背光调节控制
OZ964 14脚是CPU送过来的DIM控制信号——直流量;13脚送出的是低频率的脉冲信号;15脚是产生振荡频率的控制脚。
即:13脚的振荡频率由15脚决定,其输出脉冲的占空比由14脚的电压高低决定。
OZ964 13脚波形图如下图所示:

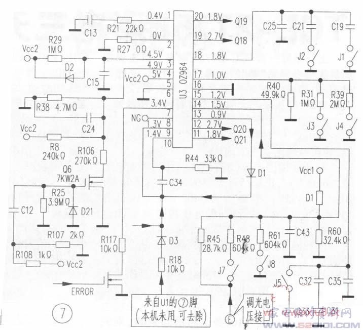
九、OZ964的实际应用电路
OZ964实物图分忻说明:
(1)图7中OZ964的②脚(过压保护脚)直接接地,不起保护作用(未用此脚功能)。
(2)黄色虚线框内:Q6/C12等元件在开机瞬间对OZ964的④脚进行分流的作用,目的是延长软启动的时间。
(3)红色虚线框内:Q26是作为错误信号输出(本机未用)。
(4)本机的OZ964的⑧脚未用,说明点灯与工作频率是相同的。
(5)OZ964的⑨脚在本机中不仅作为电流反馈,还有过保护的作用。 
奇美液晶屏(V315B1-L01)逆变器电路资料
2017-05-16 23:31:14
阅读 544 次
评论 0 条
版权声明:本文为转载文章,版权归原作者所有,欢迎分享本文,转载请保留出处!






