一,电源管理。
对于等离子电源如何分析?我们首先应从电源管理芯片入手,抓住这点就抓住了全盘。下面我们来看电源管理芯片的组成。
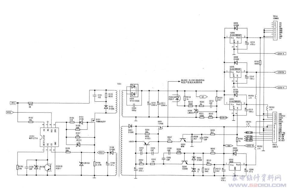
图1 电源管理芯片电路
电路分析
  该电源采用 C0308G作为管理芯片,表面上看起来很复杂。其实它由三部分组成。
  1,自身工作必需的条件,5脚供电,23脚复位,21,22脚晶振等。
  2,输入信号,
  输入信号分两部分。
  A,主板或逻辑板送来的控制信号。包括14脚RL-ON,13脚VS-ON,12脚M5V-ON。
  B,各路电压的检测信号。包括17脚交流过欠压检测信号。18脚PFC-DET。PFC过欠压保护信号。1脚9V检测信号。2脚5VSC检测。3脚5V检测。26脚16V检测27脚VA检测。28脚VS检测。
  以上检测信号如有一路不正常都将导致保护不开机。但各路保护又有不同的特点。当交流过欠压以及PFC过压检测电路保护时,将切断所有电压输出,包括5VSTB。PFC。而当PFC欠压以及各路输出 电压有一路不正常时,会关闭除了5VSTB和PFC外的所有电压。这一特点对维修将非常重要。
3,输出控制信号。
  8脚控制5V开关,二次开机低电平。
  25脚控制5VSTB开关。
  19脚PFC工作电压控制。
  20脚VS工作电压控制。
  15脚输出AC-DET控制。
  10脚5VSC,16V,9V输出控制。
  7脚VS待机电压泄放控制。
我们应特别关注的是芯片输出的控制信号。所以对后面部分电路分析首先考虑的就是它的控制信号。抓住这一点,对整个电路的分析就很轻松了。通过对电源管理电路的分析,知道它实际上就是一个CPU控制芯片,也可以简单看成是一个保护电路。
故障分析
该部分电路中,较少出现故障,主要有死机。主查供电5V,复位和晶振,其次是芯片本身坏。还有一部分故障就是VS和VA检测电路中的一串电阻,因为这些电阻在安装时下面都有胶水固定,时间长了这些红色的胶会漏电,导致检测电压不正常而保护。这一点在PFC电路中表现得尤为突出,几乎成了通病。而且这一通病一直延续到了液晶电视电源。可以说只要制作工艺不发生根本改变,这个通病还要延续下去。
  电源管理部分虽然故障率比较低,但我们在实际维修中也要清楚了解它的电路构成,明白它的检测信号,并特别关注输出控制。只有抓住了这一点。后级电路的分析以及对故障发生的机理才能清楚明白。
二,本机的上电时序
等离子电视必须遵从严格的上电时序。本机的上电时序是,接通电源后,低电压形成电路开始工作。产生6。5V的电压经稳压后得到5V电压,首先加到电源管理芯片IC701的5脚,IC701开始工作,然后从25脚输出STB控制信号,同时15脚输出AC-ON信号与5VSTB一起加到主板。主板完成初始化,等待二次开机。主板二次开机后,输出RL-ON,VS-ON,
M5V-ON信号到IC701。IC701输出控制信号加到5V,5VSC,16V,9V,使低压输出,当IC701检测到低压输出正常后,19脚发出PFC-ON信号到PC153,使PFC芯片得电工作,PFC工作后,IC701 20脚发出低电平到PC802,使VS形成电路得电工作。输出VS,接着输出VA,完成整个开机过程。
三,低压形成电路
图2 低压形成电路
 该部分电路初级端是不受控的,只要一接通电源,次级就会有电压输出。通电后,IC151的8脚得电,通过内部恒流源,对6脚外接C154充电,当充电电压,电流达到一定值时,IC工作,次级会有电压 输出 ,同时D156产生VCC1电压,,经Q152电子稳压电路和D154VCC2电压加到IC151的6脚为其供电,维持电路工作。次级电压输出分两路,D204产生6。5V的电压,经稳压后得到5V电压,首先加到电源管理芯片5脚,使其工作,D201产生18V电压,VCC4,当电源管理芯片工作后,首先从25脚输出5VSTB的控制信号加到U205的4脚,从2脚输出5VSTB,加到主板,使主板得电完成初始化,等待二次开机,二次开机后,从IC701 8脚输出5V的控制信号加到U204的4脚,5V输出到主板相关电路。同时,IC701 10脚输出的控制信号一路加到U203的4脚,从2脚输出5VSC,另一路。加到Q203,控制Q201,产生16V和9V电压均加到主板的相关电路。
  这部分电路相对比较简单,维修时要明确控制电路的控制过程。IC701 8脚控制U204 5V,10脚控制5VSC,16V和9V。都是二次开机后才起控才有电压输出。而25脚控制的U205输出5VSTB,在待时就有起控,但要特别注意的是,当AC-DET出现过压和欠压。PFC出现过过压时,IC701通过25脚会关闭5VSTB输出。所以,当我们检测到D204有6。5V电压。而5VSTB没有输出 时,首先要检查AC-DET和PFC-DET电路。这时可短接PC151和PC152的3脚和4脚来判断。如果短接后,各路电压输出正常,则查AC-DET,PFC-DET电路,而当检查只有5VSTB输出,而其它输出没有时,说明几路输出5V,5VSC,16V,9V,VS,VA,某一路不正常引起保护,这时也可采用去保护的方法。方法后述。
  实际维修中,6。5V输出的滤波电容C210,C211坏得最多,很多时候更换就好,但在有的品牌中,这两个电容坏会使用户存储器数据出错而不能开机,此时可更换空白的用户存储器解决。有时甚至会损坏FLASH存储器,这时就要升级FLASH。
   注意16V输出不仅加到主板,还送到VA形成电路作为它工作的供电电源。
四,PFC电路
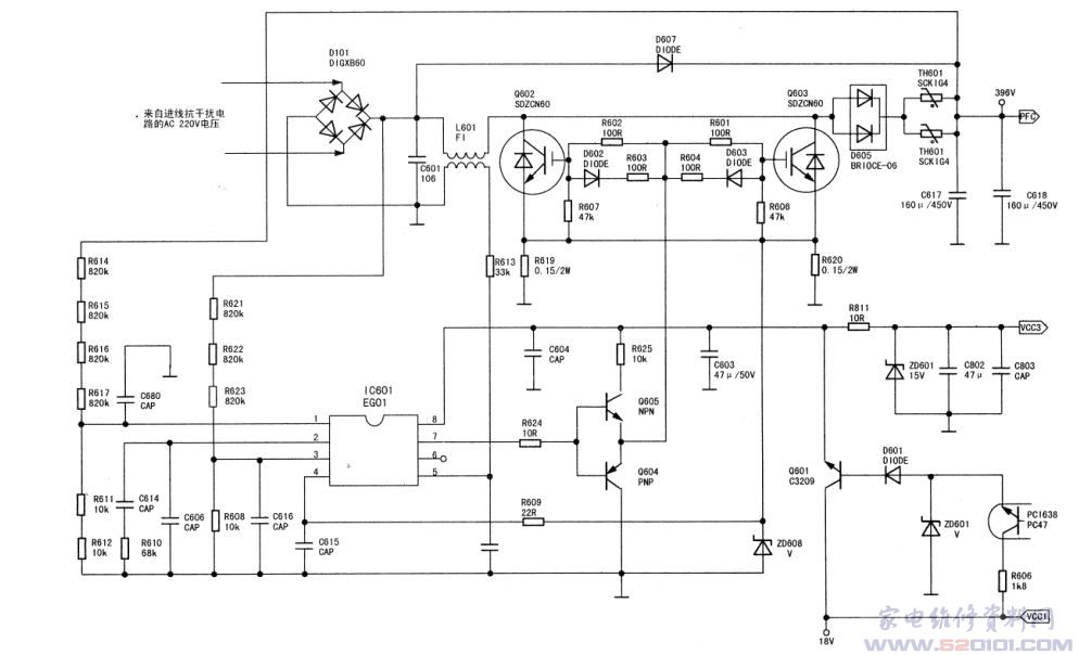
图3 PFC电路
原理分析。
首先看它的受控部位,IC701 19脚输出低电平,使PC153导通,控制Q601导通,VCC1 18V电压加到IC601 8脚15V,PFC电路开始工作,从7脚输出PWM脉冲,经Q604,Q605灌流,加到Q602,Q603。Q602,Q603等效于一个开关,这是一个典型的升压型电路。从输出端输出396V的稳定的PFC电压。
维修
对PFC电路,首先查大功率管 Q602。Q603有没有击穿,如果保险烧。首当其冲的就是这两个管,它是两个MOS管,型号为20N60,属于易损件。如测得正常,可通电测PFC电压,在C617,C618两端测,正常396V左右。如测得电压为300V说明PFC未工作,查芯片IC601 8脚VCC 15V有没有,如无,查控制这一路。如仍无390V,多为1脚外接R614--R617阻值变小。处理方法是把电阻拆下来。将下面的红胶处理干净,再将电阻装回去就可以了。这是该电源的又一通病。
五,VS,VA形成电路
图4 VS,VA形成电路[Page]
VS 190V VA 62V
IC701 20脚输出VS开关控制信号低电平。使PC802导通。15V 的VCC3加到IC801的6脚,NCP1207开始工作。
工作过程不作分析,郝老师的课已讲得很明白。需要说明的是Q802,Q804是两只带阻三极管。内部结构如下。
 VS有电压输出后,经IC901得到VA电压,VS电压通过取样从IC701 28脚输入作为VS检测,VA电压经分压后从IC701 27脚输入作为VA电压的检测信号。
   下面我们看一下Q852在电路中的作用,它实际是一个待机VS泄放电路。当电路由开机到待机的瞬间,IC701的7脚由高电平突变为低电平,然后马上回到高电平。就是这个低的跳变电压,使Q852瞬间导通,VS电压通过R872。R865对地泄放。
维修
   对这部分可采用断保护的方法,后述。看VS,VA电压是否正常,VA无输出一般为IC901坏。VS无输出,按常规检查即可解决。
六,AC-DET,PFC-DET检测电路
原理分析。
电压检测分AC-DET和PFC-DET,当AC输入过压或欠压时,PFC过压或是检测电路本身出问题都将会导致IC701输出保护,关闭所有的电压输出。包括PFC和STB5V。
检测电路原理如下。
  1,AC正常工作时,通过整流分压,在U121 R端得到2。5V电压。PC151导通。电源工作正常。
当AC欠压时。分压后U121  R端电压低于2。5V,PC151截止,通过IC701 17脚得到低电平,由于此时PFC未工作。IC701 19也为低平,此时将关闭所有电压输出。包括5VSTB。当AC过压时,通过分压ZD121负端电压达到8。2V时,ZD121齐纳击穿,Q121饱和导通。D121,D124均导通。将U121,U122 R端电压均拉低,PC151,PC152均截止,IC701 17脚19脚均为低电平,关闭所有电压输出。
   2,PFC正常工作时,U122 R端维持在2。5V电压,PC152导通。有正常电压输出。当PFC过压时,ZD122负端电压达到11V时,ZD122齐纳击穿Q121饱和导通,使PC151,PC152同睦截止。关闭所有输出。包括5VSTB。当PFC欠压时,U122 R端分压低于2。5V,则PC152截止,IC701 19脚为低电平,关闭输出电压,只保留5VSTB输出。
14V供电是由低压电路的D156整流后得到VCC1再经如下电路供给。
维修。
该部分电路的维修,首先我们可以采用短路去保护的方法。将PC151,PC152的3脚4脚短接,看电路是否正常工作。当检测没有5VSTB时,可怀疑该部分电路是否保护,然后采用以上去保护的方法。如不再保护可对该部分进行检测。重点对ZD121,ZD122两只齐纳管进行检测。另外,该电路AC和PFC取样分压电阻因其下胶水漏电而导致阻值发生变化引起误保护的属于多发。
当测得PC151,PC152 3,4脚均有5V左右的电压时,同时测5VSTB有输出时,可确定AC-DET,PFC-DET电路是正常的,保护是由各输出电压不良或检测电路本身不良所致。只要四个脚中有一个没有电压就说明该路检测电路有问题,当检测VDD 6。5V正常后,如无5VSTB,先查PC151,PC152的3,4脚电压,如无电压,再测PFC电压,如未工作,说明是AC-DET,PFC-DET引起保护。这时可短接PC151,PC152的3,4脚加以证实。大家还要注意,PC151次级的供电是由不受控的5V提供,PC152的次级供电是由5VSTB提供的。只要PC151不打开,就没有5VSTB输出。根据电路分析知道,当两路其中一个过压,以及AC-DET欠压时,将会使整个输出关闭,包括5VSTB。而当PFC欠压时,5VSTB是有输出的。清楚了这一点,对维修非常重要。
    另外该电源板强制VS电路工作的方法如下。
    当测得5VSTB有而其它电压均无输出时,可怀疑是某一路电压输出不良导致IC701保护,采用以下方法,强行打开VS。
A,短接Q852的栅极和源极,因为此时IC701处于保护状态,7脚输出低电平,如不处理,VS电压将会短路。
B,短接Q203的C,E极,目的是为VS稳压电路供电以及为VA供电。
C,将R714,R725与电源芯片相连的一端对地短接,强行给19。20脚低电平,使PFC,VS电源控制均打开,为PFC,VS电源IC供电供电。
注意以上处理后,只有5VSC没有电压,其他各路均有输出。5V也有输出是因为保护后IC701是不工作的,所以8脚为低电平,与正常工作时低电平一样,所以有输出。要使5VSC有输出 也可以,只是以上的第二步处理改为将IC701的10脚断开在外电路加一5V的高电位,这样稍为麻烦一点。
由于保护电路动作很快,所以瞬间测电压是不准确的,所以采用短路法去保护是必须的。同时在VS输出 端接一只100W的白炽灯,这样看起来比较直观。
以上三步必须同时进行。同时也要注意这种处理方法只有在脱机状态下单独维修电源时才使用。
七,维修实例。
如果VA电压没有,开机VS会有一秒输出 但电压达不到标称
190V然后马上保护。如果低压电路有一路无输出,将保护,VS,VA瞬间都没有输出。这是由它的开机时序决定的,当低压没有输出时,IC701检测到不正常将保护,VS,VA不会工作,所以瞬间测不到电压。
例1,开机测PFC电压在350V-380V变化,无VS,VA电压,只有5V,16V电压。
先按图短路方模拟电源管理芯片正常工作的控制状态,测得各组电压均正常,测各路检测保护,IC701 28脚2。8V,27脚2。5V正常。26脚4。3V不是正常的2。5V。怀疑26脚检测电路不正常,这一路只有R726,R704。在路测R726,22K正常,R704 10。2K,实际为12K。经查为下面红胶漏电,清除红胶后拆掉跳线后正常。
例2,短路法模拟开机,测VS,VA都没有。
PFC380V,VS电压形成芯片NCP1207 6脚14V正常,Q801,Q803 D极无电压。发现保险电阻R801开路,换上后啪的一声又烧,这时发现C804炸裂。更换R801。C804后正常。
例3,开机VS,VA电压均没有,5VSTB在0-5V跳变。PFC在350V-380V跳变。
短路法后测各路输出电压均正常,测1脚2。5V,2脚1V,3脚2。5V,26脚2。5V,27脚2。6V。28脚2。8V。以上电压均正常,明是AC-DET,PFC-DET检测,断开ZD122不再保护,说明是,是PFC过压保护所致。查R146,R145,R126,R127。R136,R128,R130,发现R136,R126比标称值小很多,清除下面红胶后正常。
在对AC-DET和PFC-DET检测时,可短接PC151,PC152的3,4脚,确定在该电路时,可脱开ZD121,ZD122,看是哪一路保护。对取样电阻要重点查。同时ZD121,ZD122也会损坏。[Page]
例4,自动关机,指示灯不亮
   
     查P814插座,无5VSTB,而电源管理芯片的供电有,将PC151的3,4脚短接,5VSTB恢复正常。说明是AC-DET检测保护。继续测量发现,U121 K极电压在3。6-5。5V波动,分别断开ZD121,ZD122,发现ZD122有漏电流,更换后正常。
例5  T32700 故障:二次开机电源保护
检修:二次开机VS电压上升到190V马上降为OV ,初步判断电源板坏。继续检查VA电压在开机瞬间升到6V左右就降为0  怀疑VA形成电路有问题。代换该电路IC901(CQ0565)故障排除。测VS电压是一个关键点,在开机瞬间有电压输出但马上保护,就不要查低压形成 电路,因为低压电路没有输出VS瞬间也不会有输出,这时只有查VS和VA。
例六。康佳PD32ES33,有的时候能开机,有的时候不能开机。
拆机后机后发现5V电容爆,换后有5V,指示灯也变绿,5VSTB有,PFC,300V,5VSC,16V,9V,VS,VA都没有。短路法强制开机,发现没有9V,测Q204C极端18V,E极无电压,查到ZD201坏,这是一个15V稳压管。换后正常。这个管漏电。
 
								




















