TDA9321H是飞利浦公司新开发的TDA9320改进后的产品。内部设有PLL解调器、多制式图像中频电路、QSS-IF伴音中放和调幅AM音频解调器,可切换的群时延校正电路(用以补偿B/G群时延的预校正),I2C总线控制的几种输出切换电路(用以切换外部电路如声陷波器等),灵活的CVBS和Y/C输入输出端口,以适应各种不同输入和输出,其中包括2个外部CVBS输入、2个Y/C(或附加CVBS)输入和2种独立可切换的输出及梳状滤波器接口,集成色度陷波电路,可调延时的集成亮度延时线,可切换中心频率的集成色度基带滤波器,可外接4个晶体的多制式彩色解调器及其自动搜索系统,快速消隐的线性RGB输入电路(当其输出前,RGB信号能转换成YUV信号,RGB输出之一也能用于YUV输入),行和场驱动电路等。
一、TDA9321H行、场同步信号产生电路
TDA9321H的输入信号是其内部的亮度信号或彩色全电视信号(Y/CVBS)及彩色副载波信号fsc,前者主要用来产生行、场扫描同步信号;后者则用来为行振荡电路提供基准信号,以满足接收不同彩色制式时行频的自动校准。它的输出信号有三种:一是61脚输出的场频触发脉冲VA,二是60脚输出的行频触发脉冲HA,三是59脚输出的沙堡脉冲SCO。其中HA和VA经接插件XP201、JP2送到变频板(IPQ),一方面对变频电路的工作进行同步控制,另一方面被变频后成为新的行场同步触发脉冲HD和VD。
(1)行振荡器为锁相环压控振荡电路。能自动跟踪分离电路产生的行同步信号。58脚外接的C161、C162、R124为双时间常数的平滑滤波器,且受I2C总线的控制,可根据视频信号的噪声情况合理选择。(2)从60脚输出的行频触发脉冲的相位和脉冲宽度及59脚输出的沙堡脉冲的相位和脉冲宽度均与输入的行同步脉冲的相位和宽度一样。(3)从61脚输出的场频触发脉冲可工作在多种模式(50Hz、60Hz或非标准模式)下,由I2C总线设定。(4)一致性检测电路既可判断行扫描是否同步,也可判断是否接收到电视信号。(5)TDA9321H的同步信号产生电路实际上是一个独立的部分,在I2C总线的控制下,既可以工作在50Hz、隔行扫描状态(此时产生行、场扫描信号),也可以工作在变频扫描状态(此时产生行频及场频触发脉冲,送到变频组件)。
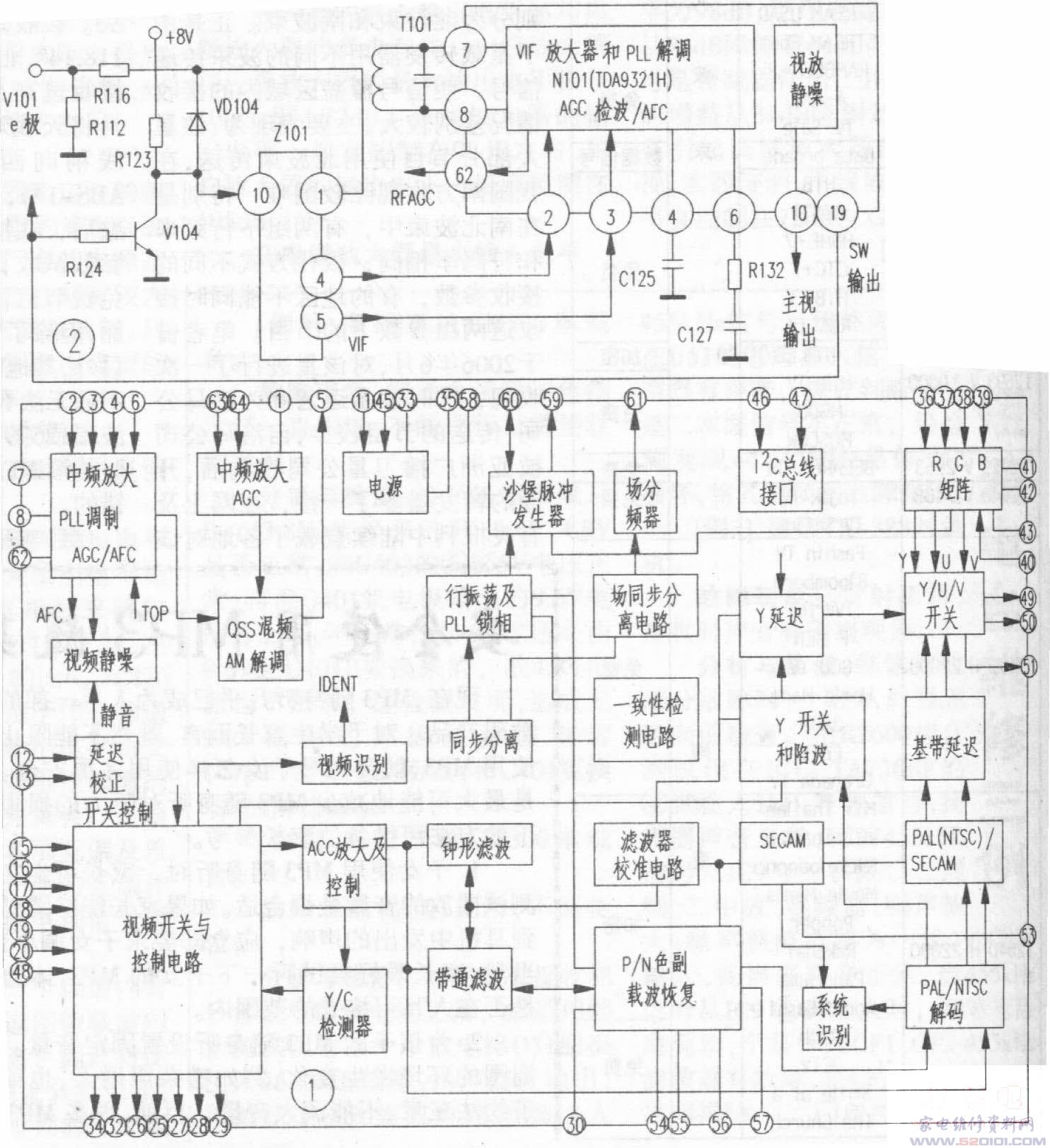
TDA9321H在大屏幕彩色电视机中得到广泛应用。在长虹“精显”、“精显王”系列、康佳BT4301背投彩电中是整个控制电路的核心器件。TDA9321H内部电路方框图如图1所示,各引脚功能数据见表1。
二、故障检修
【例1】康佳BT4301背投彩电接收电视信号伴音正常,但主画面无图像,屏幕上为满屏雪花干扰,切换子画面状态工作正常。
根据故障现象分析,伴音功放电路工作正常,图像的主/子公共通道正常,故障可能在主画面的中频处理电路,重点检查声表面波滤波器Z101及图2所示电路。从图2可以看出,图像中频IF信号经过预中放缓冲V101放大后从e极输出,经R116送到Z101的输入端。图中V104为开关管,其工作状态受TDA9321H 19脚输出的P/N开关信号控制。T101是中频VCO谐振回路,C125是图像中频VIF的AGC检波电路的去耦电容,R132串接电容C127为中频锁相环滤波电路。对上述电路进行检查,发现电容C125存在漏电现象。将其更换后,故障排除。注意:如果主画面正常而子画面出现无图像,应重点检查TDA9880(N103)18脚外接的VIF-PLL滤波电路、20脚外接的VIF-AGC去耦电容以及C194、R191等。
【例2】康佳BT4301背投彩电接收电视信号主画面图像及伴音正常,子画面NTSC制无彩色,PAL制彩色正常。
根据电路工作原理,PAL制TDA9321H 54脚外接X101、C118,NTSC制TDA9321H 57脚外接X104、C121。晶体作为电感性元件,与所接电容构成串联谐振电路,两者中有一个异常都不能产生色副载波,从而造成无彩色。直接更换X104、C121,故障排除。
【例3】康佳BT4301背投彩电接收电视信号子画面图像及伴音正常,但主画面无电视信号。
根据现象分析,故障在主画面的中频IF信号的通道。该机主画面中频流程为:高频IF信号→V101 e极→R116→接插件XPl02 21脚→XS102①脚→XSV02④脚→XPV02④脚→TA8851CN(NV1)⑤脚→内部切换开关→其44脚输出→XPV01 14脚→XSV01⑩脚→XSM01⑨脚→XPM01⑨脚→VPC3230D(UM03) 72脚→UM03内部的相关电路。由于子画面正常,而主画面与子画面的后级信号处理均在UM03部相关电路完成,所以主画面无图像与后级电路无关。
首先测量接插件XP102 21脚电压,判断故障是否在中频信号处理电路;测量接插件XSM01⑨脚电压,判断NV1的切换是否有问题。经测量发现,接插件XP102 21脚电压为0V,正常时为1.2V;接插件XSM01⑨脚电压为0V,正常时为2.9V。根据信号处理流程分析,接插件的XP102在前,显然主画面信号在接插件XP102 21脚之前已经丢失。因此直接测量TDA9321H2、③脚,10、12脚,13脚及V111,发现TDA9321H 12脚电压为0V,在正常时为3.2V,说明故障应在TDA9321H⑩脚与12之间。检测发现C133开路,将其更换后故障排除。 