三菱M612xx系列单片机彩电单片机包括M61251FP、M61260FP、M61262FP、M61264FP、M61266FP型号。由于其性能优良、工作稳定性好、性价比高,它不但被使用在海尔2LT5D-T“泰霖M61266机芯”、熊猫29HD58、厦华TC2968、海信HDP2910等国产品牌彩电中,同时社会拼装机为数也很可观。
本文介绍了该系列单片机集成电路特点、主要信号流程、单元电路故障判断方法与维修技巧。并给出了单片机M612xxFP引脚功能与维修数据以及I2C总线的调整方法。供读者参考。
笔者根据维修实践,以拼装机实际电路为依据,综合介绍三菱M612xx系列单片机彩电的主要信号流程和维修问题。望对同行的组装与维修有所帮助。
一、三菱M612××FP单片机彩电电路简介
该M61251FP、M61260FP、M61262FP、M61264FP、M61266FP系列单片机集成电路是一种较新型的单片机集成电路,除应用在海尔、熊猫等品牌彩电上外,社会拥有的同类机芯彩电组装机占有很大比例。它们大多与三菱微处理器M37160M8、M37160FP等相配合构成整机电路。
该M612xx系列是日本三菱公司生产的多制式视频、音频信号处理电路,采用64脚封装形式,其内部主要功能是可进行图像中频处理、伴音中频处理,除M61262FP具有PAL/SECAM/NTSC制式色度解码功能外,其余均为PAL/NTSC制式色度解码。其他如亮度信号处理功能、行场扫描处理功能基本相同。
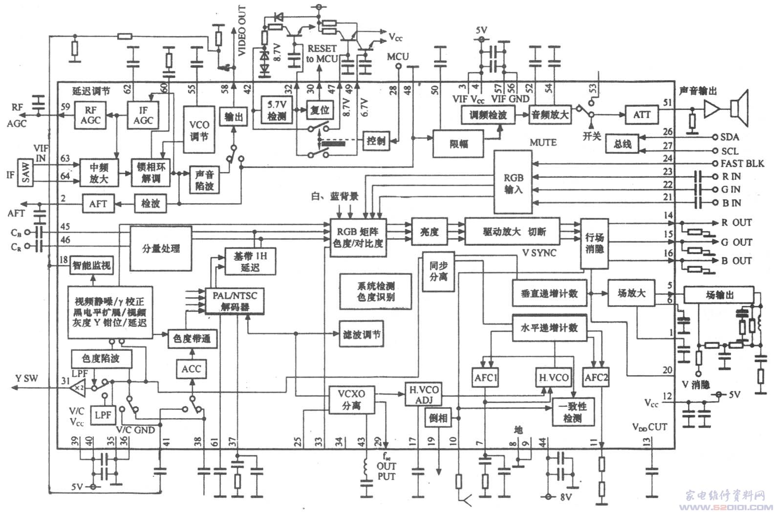
其特点是:内含图像中频线圈;集成有伴音带通和陷波;数字AFT;单晶体色度解码;南美三制式处理(PAL—M/PAL—N/NTSC);内置色度信号滤波和亮度延迟线;内置基带1H色延迟线;数字/模拟屏显选择;半透明屏显;黑电平扩展;行VCO;分量信号输入;电源输出;CPU时钟输出;智能监控器输出等。内部电路结构见图1所示。 
二、主要信号流程(以组装机为例,见图2)
由高频调谐器接收并处理后的图像中频信号从高频头IF端子输出,该图像中频信号经由V102(2SC2216)等外围元件组成的预中放电路放大后送至声表面滤波器Z101(K926E),经声表面波滤波后从输出端输出图像中频信号送入单片集成电路M61260/M61264(N101)的63、64脚,进入Ic内的图像中放电路进行中频放大处理。
经放大处理后的图像中频信号被送至PLL检波电路,经锁相处理并检波后输出(输出的信号包括图像视频信号和伴音中频信号),其中的视频信号经Sound Trad电路、视频输出电路后从N101(M61260/M61264)的58脚输出,经58脚外的缓冲放大器V110(2SC)放大后,直接回送到N101 41脚,即TV—YIN信号的输入端,在IC内部转换开关的转换下,进入“ACC”电路、色带通滤波电路、解码电路、基带1H延迟电路、矩阵对比度电路、亮度放大处理电路、驱动放大截止电路,最后经行、场消隐电路后分别从N101 14、15、16脚输出R、G、B三基色视频信号至视放板。
其中的音频信号从IC内的PLL检波电路输出后,送至混频电路,之后经伴音带通滤波、限幅放大、检波、音频放大电路放大后,由IC内的转换开关转换,将信号送至ATT电路处理。处理后的音频信号从N101 51脚输出,该信号分别经耦合电容C320(1uF/50V)、C328(1uF/50V)和电阻R306、R307(均为6.8k)耦合送至伴音功放电路AN7522(IC301)的⑧脚和⑥脚,经功率放大后的音频信号分别从IC301的②、④脚和⑩、12脚输出至扬声器发音。
三、故障判断、维修要点与方法技巧
1.开关电源的维修
该系列组装彩电多采用A3开关电源,A3开关电源的维修,相关电子报刊已有很多维修文章和资料刊登,本文不再赘述。
2.无图无声或图声均异常故障
根据信号流程和内部框图可知,此类故障一般只涉及到图声共用的电路或元件。在开关电源供电正常的情况下,一般不会产生在Tv状态和外部其他信号输入时,均同时无图无声或图声均异常的故障现象,除非单片集成电路N101损坏。这时可采取输入外部信号(试机),若图声均正常,则故障可按以下类型作出分析和判断。 一种是纯净光栅也无伴
音故障。该故障重点涉及三个部位:(1)N101③、④脚的+5V(B7)供电中断或异常,因为③脚是图像中放电路供电;④脚是伴音中放电路供电。以上两脚供电中断或异常时自然中放电路全部停止工作,既无图声信号,也无噪波雪花点。(2)60脚外的图像中放APC滤波电路C122(471)、C123(0.47uF/50V),其中有击穿短路,使图像中频信号短路到地(连同噪波信号也一并短路到地),所以既无图声,也无噪波点。(3)若以上两处元件均无异常,则M61260、M61264本身损坏或不良。
第二种故障现象是虽无图声,但有正常或相应的噪波雪花点,这一特征表明中放电路可能是正常的,N101损坏或不良的可能性也极小。这时,可分别从N101 63、64脚和预中放V102(2SC2216)b极注入人体感应信号。正常情况下,从以上两处注入信号后屏幕应出现明显的噪波干扰条纹或雪花点干扰,否则应重点检查相应电路元件。若注入信号试机噪波干扰正常,则故障在自动搜索和选台电路。
3.若确定或初步判定故障在选台电路时,应重点检测“A~B”两点和CPU②脚的静、动态电压。在“A”点的动、静态电压应始终为稳定的30V值。在“B”点的动态电压(即自动搜台的全过程)应从0~30V变化三次。在CPU②脚的动态电压(即自动搜台全过程)应在0~4.5V间变化,否则应检查相应的电路元件(如图3所示。)。 
4.有图无声或有声无图故障。此类故障多发生在单片机N101外围电路元件中。当故障现象为有图无声时,应重点检查伴音功放电路IC301(AN7522)和外围元件,以及N101 51脚外围元件;当故障为有声无图时,应重点检查N101 58脚至41脚之间的电路和元件,特别是V110(2SC)是否损坏或不良;V110的c极供电是否中断或异常;V110外围电阻是否有开路或损坏等。
5.当故障现象为屡损行管或无规律性停机时,应重点检查行推动级V901外围电路和元件,其中行推动变压器T901初级焊脚、R436(270Ω/2W)限流电阻是故障多发部位,其主要原因是。R436为2W中功率电阻,行推动级V901供电电流相对大一些,这样一来,R436、行推动变压器T901初级长期使用中均有较大电流流过.易产生较大热量,由于无数次开、关机而形成的热胀冷缩现象,以上部位极易产生裂纹性脱焊,这种故障隐患轻则会形成无规律性停机,重则会造成屡损行管。
四、单片机M612××FP引脚功能与维修数据
目前,三菱M612xxFP系列单片机的社会占有量很大,已经相继进入维修期(其中有社会组装彩电,也有正式厂家生产的品牌彩电),为了最大限度地为广大维修界朋友提供全面系统的相关维修资料,笔者依据维修中实际测量的相关机型维修数据一并汇总成附表1,供维修时参考。
五、三菱612XXFP系列组装彩电I2C总线调整
该三菱612xxFP系列单片机彩电无论是品牌机还是拼装机,其组成与结构大体相似,所以I2c总线的调整方法基本相同,进入总线的方法是:在TV状态下,先按遥控器上的“菜单”键,待屏幕显示出菜单后,依次按下遥控器上的“6”、“4”、“8”、“3”,屏幕显示“FACTORY”字母即表示进入工厂调试状态。这时再按“菜单”键一次,然后按数字键“6、4、8、3”,便进入白平衡调整(B/W、BALANCE)状态。若再重复一次上述操作过程,即进入各项功能设置、线性等项目的调整,即SER.VCJ菜单。
如若无需调白平衡,可在开机后重复按下菜单键及“6、4、8、3”键三次,即可直接进入SERVCJ菜单,按静音键选择菜单,按节目“+”、“-”键调项目,按音量“+”、“-”键调数据。调好后重复按菜单键和“6、4、8、3”键即可退出。
六、三菱612××FP系列单片机的代换
从表1可以发现,该系列单片机的引脚功能互相间基本可以对应或相同,从实际维修所测定的相关数据也可以看出,绝大部分数据基本相同或很近似,比较各种机型的应用电路,不难发现只是个别脚位在实际应用中稍有不同,所以相关外围元件的数值略有差异。综上所述,该M612xxFP系列单片集成电路之间是完全可以互桐代换的。但代换时应注意以下三点:
一是M61251FP、M61260FP、M61262FP均具有PAL/SECAM/NTSC制色度解码功能,而M61262FP、M61264FP、M61266FP只具有PAL/NTSC制色解码功能,其中的M61260FP有的具有P/N/S三种制式,有的只有P/N制。
二是互相代换后,若机器出现某种异常或有不如人意的现象,应进入I2c总线,重新调整相关数据,直至正常为止。
三是采用不同型号的M612xxFP系列单片集成电路代换时,对相关外围元件应作相应调整。下面列出采用M61260FP与M61264FP两种型号不同芯片时外围相关元件的差异情况,供维修代换时参考(见表2)。 
