本文重点是对海信TLM32XX系列大屏幕液晶电视 背光灯电路原理及分析 
海信32寸 液晶电视 主要采用韩国三星屏和LG屏,以下把三星屏背光驱动电路进行介绍; 
在本文的第一部分,介绍了背光灯管及驱动电路,并对驱动电路的要求进行了较详细的叙述,下面以韩国三星屏为例,对电路的组成形式、工作原理、控制方式进行介绍。 
背光灯高压驱动电路在液晶电视机中,是一个单独工作的受控于CPU的电路组件,其主要作用是点亮液晶屏内的背光灯管并受CPU控制对其能进行启动、停止(on/off)及亮度控制。由于液晶屏的尺寸、灯管的数量、点亮电压、启动特性均不相同,背光灯高压驱动电路其输出特性必须适配于所驱动的液晶屏,所以背光灯高压驱动电路组件是随屏配套提供,在同一尺寸的液晶屏其型号不同,其背光灯高压驱动电路组件是不能互换的。 
背光灯高压驱动电路组件部分主要由;振荡器、调制器、功率输出电路及保护检测电路组成,在三星32寸液晶屏中,背光灯高压驱动电路中除功率输出部分和检测保护部分外,振荡器、调制器及控制部分采用一块ROHM(罗姆)公司的单片集成电路BD9884FV来完成(图1虚线框内),功率输出采用N沟道和P沟道组合的MOSFET功率模块SP8M3来完成,保护检测由集成电路10393完成,输出电路有高压变压器、谐振电容及背光灯管(CCFL)完成(并有输出电压、输出电流取样电路),以上这几部份安装在一块电路板上,基本电路框图及工作过程如图1所示。
一、信号流程及工作原理;
图1中 CPU部分送来的控制信号控制振荡器开始工作,产生频率约100KHz的振荡信号,送入调制器内部和CPU部分送来的PWM亮度控制信号进行调制,调制后输出断续的100KHz激励振荡信号送入功率输出电路,输出高压并点亮背光灯管。
PWM调制信号改变输出高压脉冲的宽度达到改变亮度的目的,背光灯管点亮后 L2、C及CCFL的组合又使高压波形正弦形变化(低Q值串联谐振),电容C的容抗及L2的感抗又起到背光灯管的限流作用。
串联在背光灯管上的取样电阻R上的压降作为背光灯管的工作状态取样电压输送到保护检测电路(由10393组成),高压变压器L3的输出,作为输出电压取样信号也输送到保护检测电路,当输出电压及背光灯管工作电流出现异常,保护检测电路控制调制器停止输出。
由于三星32寸屏是采用16只背光灯管,又由于背光灯管不能并联和串联应用,所以必须每个背光灯管配用一个高压变压器,此16个高压变压器要有相适配的激励电路来驱动。图2A是三星32寸屏背光灯高压驱动组件图片,图2B是主要元件标注。

二、集成电路BD9884FV 及MOS功率输出模块SP8M3介绍 
1、BD9884FV 
BD9884FV是ROHM(罗姆)公司专门为液晶显示屏背光灯高压驱动电路设计的系列集成电路之一(适合不同的屏及电路形式有 BD9882~BD9886系列选用)。该集成电路支持多灯管大屏幕液晶显示器的背光灯高压驱动电路,每块BD9884FV 可支持到8只灯管驱动。 
BD9884 特点; 
1)2通道输出 半桥拓扑结构(电路上改变即可用于全桥结构) 
2)内置灯管电流、电压反馈检测控制电路 
3)支持多灯管方案 
4)软启动功能 
5)具有时间锁存短路保护 
6)具有欠压和过压保护 
7)具有脉冲(PWM)输入和直流输入两种亮度控制方式 
8)具有待机控制功能(由STB脚实现) 
9)供电电压5~11V 
10)具有内置同步移相通讯接口,支持多IC并联使用,实现大屏幕多灯管驱动(16根灯管) 
11)SS0P-B28封装 (表面贴片) 
BD9884FV 外形如 图3所示 内部框图如图4所示 
各引脚的功能及实测电压值见表1(用数字表测)
图3
图4
表1
2、SP8M3
SP8M3是N沟道 + P沟道组合功率放大MOSFET模块 具有体积小、功率大、导通电阻小、对称性好、无需散热器的贴片元件,Vds为30V ID 最大达到7A,内部电路及外形图5所示。
图6 SP8M3内部N沟道及P沟道参数

三、BD9884FV基本电路介绍 
三星32寸液晶屏采用了两块BD9884FV完成对16灯管背光灯的激励驱动,电路比较 
复杂,为了便于对三星32寸液晶屏16灯管背光灯高压驱动电路的理解,先介绍图7所示的 
采用一块BD9884FV构成的两灯管驱动电路的基本方案。
图7 
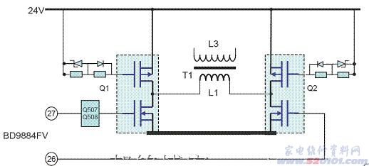
BD9884FV是具有两通道输出的驱动集成电路,图7方案是两个通道分别点亮各自一只背光灯管的激励驱动原理图,两个通道均同时受16脚输入的on/off启动信号及1脚输入的PWM亮度控制信号的控制。由26、27脚输出第一通道激励信号,23、24脚输出第二通道激励信号 
第一通道高压激励驱动; 
BD9884FV的26、27脚输出激励信号及Q1、Q2、T1、C1、CCFL1、R1组成第一通道激励驱动电路,18脚是该通道背光灯管工作状态取样反馈输入端,10脚是输出高压取样反馈输入端,起到输出电压异常和灯管工作异常时即进入停止激励输出的保护作用。 
电路特点; 
Q1、Q2为SP8M3功率输出模块,组成了全桥架构功率输出模式,等效电路图8所示(BD9884FV的设计是支持半桥架构功率输出模式,在本电路中增加了Q507、Q508电路,使其具有支持全桥架构功率输出的功能),输出电路由T1、C1、CCFL1及R1组成一个低Q值串联谐振电路。
图8 
工作过程; 
在液晶电视开机后24V电源即加于背光灯驱动电路板上,该电压直接加于Q1~Q4功率输出模块,并经过降压稳压为6V后加到BD9884FV的28脚作为VCC电压,此时CPU送来开机on/off信号进入16脚,BD9884FV内部振荡器开始工作产生100KHz方波信号送入调制器并和CPU来经过BD9884FV 1脚输入的PWM亮度控制信号进行调制、放大后由26、27脚输出激励信号加到全桥架构功率输出电路Q1、Q2的两只N沟道MOS管的栅极(G1)上,从图8等效电路中可以看到Q1、Q2中的四只MOS管组成了全桥架构的四个桥臂,由26、27脚输出激励信号,分别加到Q1和Q1功率模块的N沟道MOS管上,使其轮流导通,放大后的激励信号则经过L1流通,经过TI升压加到背光灯管并点亮灯管,TI的L3、C1 和CCFL1组成一个低Q值的串联谐振电路,谐振频率和激励振荡频率相同时,输出波形进行了正弦化的矫正,在CCFL1灯管点亮后,其T1的感抗和C1的容抗起到了灯管限流作用。 R1为CCFL1灯管工作电流取样电阻,该电压反映了灯管的工作状态是否正常工作,当灯管工作异常,灯管电流产生变化在R1上产生的压降Ui也相应变化,该灯管工作电流取样电压 Ui反馈到BD9884FV的18脚,控制振荡激励电路停止工作(在多灯管的液晶屏中 当某一只灯管出现故障或启动性能有差异即会出现屏不能启动点亮的故障)。 
T1的L2为输出电压过压、欠压取样绕组,取样电压Uv反馈到振荡、控制集成电路BD9884FV的10脚,该取样电压Uv的变化反应点亮灯管高压输出的正常与否,当电路出现故障引起该电压出现异常时,由10脚内部的比较控制电路,控制振荡电路停止工作。 
高压变压器外形及接线图如图9所示。
第二通道高压激励驱动; 
23、24脚输出激励Q3、Q4、T2、C2、CCFL2、R2组成第二路通道系统,工作原理和第一路通道相同17脚为第二路通道的灯管电流取样输入,13脚为输出电压取样输入。 
四、采用两块BD9884FV的16背光灯管驱动方案 
三星32寸液晶屏的高压驱动电路采用了 两只BD9884FV支持16只背光灯管,每只BD9884FV支持8只背光灯管,如图10所示。 
在图10中可以看到BD9884FV的26、27脚输出通道同时激励两组全桥架构功率输出电路;Q1、Q2为一组,Q3、Q4为一组,这两组的激励输入端并联后接于. BD9884FV的26、27脚,一个BD9884FV输出激励通道支持两组率输出电路。再看图中由Q1 Q2组成的一路输出电路在输出端连接两只高压输出变压器,并支持两只背光灯管,这样每一路通道即可以支持4只背光灯管,一块BD9884FV的两路通道即可以完成支持8只灯管。
16只背光灯管 32寸液晶屏采用如图11所示的方案;用两块ND9884FV并联应用,采用一套控制信号控制,支持16只背光灯管点亮。在两块BD9884FV 16灯管支持方案中,要求两块BD9884FV的四通道输出激励输出信号的PWM调制脉冲,依次移相900,这样4组灯管则达到轮流断电、供电,使亮度更均匀,干扰最小,为了达到此目的,两块BD9884FV的通讯连接移相控制由在两块BD9884FV的2、3、4、5、6之间进行,使四通道输出的PWM调制信号的相位关系如图12所示。

请继续浏览下一讲
本文来自http://www.haoming.cc/lcd/78/
