创维8S92、8S93机芯液晶彩电采用MSTAR公司的MSD6A918+MSD6M40方案,具有MEMC功能,配用120Hz液晶屏。此外,当8S92机芯配FhD (全高清)屏时,6M40输出为4路v-BY-ONE信号,6A918跟6M40之间为两对HS LVDS信号;当8S93机芯配UD(超高清)屏时,6M40输出为16路V-BY-ONE信号,6A918跟6M40之间为8路V-BY-ONE信号。在接口上,8S36机芯比8S93机芯多1路USB2.0、1路AV输入及1路分量输入。
一、电路简介
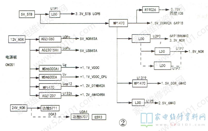
该机芯液晶彩电的整机框图如图1所示,主板供电流程如图2所示,整机信号流程如图3所示。
在图3中, Shut Down Signal( ERR DET)为屏故障输出信号,当屏异常时,此脚为高电平。OFF_DONE为屏自动恢复状态标志信号。在待机时系统向屏通过I2C发送信号,屏开始恢复,恢复完成后输出高电平信号,此时系统进入待机状态。

EVDD_ON等同于BL ON/OFF信号,24V供电控制信号。
EVDD_DET为24V检测信号。当电压低于14V时,屏体输出低电平,系统检测到后进入待机状态。
二、软件调试与升级
1、进入工厂模式的方法
用户菜单方式:进入主页一设置一本机信息,按遥控器的上、上、下、下、左、右、左、右键即可进入。长按机器键控板的音量-键,在音量减到0时,同时按下遥控器上的返回键即可进入。
2、退出工厂模式的方法
在工厂菜单的第一页按返回键退出。
3、主程序升级
(1)将升级文件MstarUpgrade_EMMC.bin 拷贝到U盘(U盘必须是FAT32格式)根目录下(如果U盘根目录下有与MstarUpgrade_EMMC.bin同名的文件,则先删掉原来的,再拷贝新文件,不要采取替换覆盖的方法,否则易导致升级不成功)。
(2)系统正常时升级,先进入工厂菜单,选择其他设置->软件升级,此时会出现一个对话框,按下“确认"按钮开始升级,系统重新启动,且会出现烧录界面。此状态的升级文件为OTA的升级包,此升级包中包含MBOOT文件。
在升级过程中,电视机的指示灯不停地闪烁,同时U盘的指示灯也会闪烁。在此过程中切勿断电,升级完毕电视会自动重启。
(3)在程序崩渍时或屏上不显示,且系统Mboot正常,或开机打印信息正常时,先将MstarUpgrade_ EMMC.bin放在U盘根目录下,然后运行MSTAR调试工具,su->enter,setenv up-grade_mode usb->enter ,save->enter ,res->enter。该机芯彩电的正常工作打印信息如图4所示。

打印到最后一行时,可以按“确定"键输入命令,出现“Mstar#",可以输入命令进行软件升级。
三、常见故障检修
1、不开机(屏无显示)当机器出现不开机,且指示灯无指示时,检查电源板输出的5V-STB是否正常,若不正常则检查电源板;若正常则检修副板。
当机器出现不开机,且待机指示红灯亮时,先检查U1PI转换输出的3.3V-STB电压是否正常,再检查12V、5V-NOR、1.8V、3.3V-NOR、内核1.15V供电等主板系统运行所需电压是否正常。
当机器出现不开机,且背光不亮时,首先确认EVDD-ON是否正常,若正常,则检查电源板输出的24V电压有无问题;若不正常,则检查主板,确认程序及主板是否有故障。
当机器出现不开机,且背光亮时,首先检查PANEL-VCC电压是否正常,若正常,则检查VBY1信号是否有输出;若不正常,则检查PAN-EL-VCC供电电路。
2、无声
当机器出现无声故障时,先检查供电,再检查与静音相关的IO(MUTE、RESET、PWD等)状态是否正常。若不正常,可先升级软件;若正常,则检查功放输入。若功放输入不正常,先升级软件,不成功则更换主芯片;若功放输入正常,则先检查功放外围元件,最后更换功放块。
3、开机后只出现Logo或是屏闪亮线
这种现象一般是DDR虚焊,或是与之相连的线路出现短路或开路现象,实修时可以通过串口工具查看开机打印信息来判断。另外,由于Mboot程序放在EMMC中,故EMMC异常也会出现本故障。
4、花屏或画面跳动
在确认DDR通讯以及关键电压无问题后,检查各供电电压纹波及FFC线连接是否正常,最后测量HTPDN、LOCKN信号是否正常,正常时均为低电平。
提示:U6/U9的②脚易对地漏电或短路,此时该脚电压一-般低于1V。此外,芯片中间焊盘接地不良也会引起该脚电压低于1V。