新型液晶彩电的背光源均采用节能、驱动电路简单、可靠性高且寿命长的中、大功率白色发光二极管(LED)。众多的LED通过串,并联方式连接成灯串,以“直下式”或“侧边式”安装在液晶面板的背面。
LED灯串连接如图1所示。在图1a中,如果某只LED开路,则它两端形成的高压会将与它并联的稳压管击穿,从而维持灯串电路的继续导通发光;在图1b中,为了每组灯串的电流相等,事先对每只LED的VF(正向压降 )要进行严格挑选,当某只LED失效开路时,与它并联的稳压管将击穿导通,继续维持这路灯串点亮。
目前,在TCL液晶彩电中的LED驱动电路大致有三类:DRL系列DRC和DRY系列(三个系列的工作原理大同小异)。下面以DRL系列驱动板中的DRLS501 (该系列共有三个型号:DRI3201 DRL3701、DRL5501,用于26~55英寸LED液晶电视LED驱动电路,它们在非3D状态下的实测数据见表1)为例,介绍LED驱动电路的原理与故障检修方法。
一、启动与升压控制
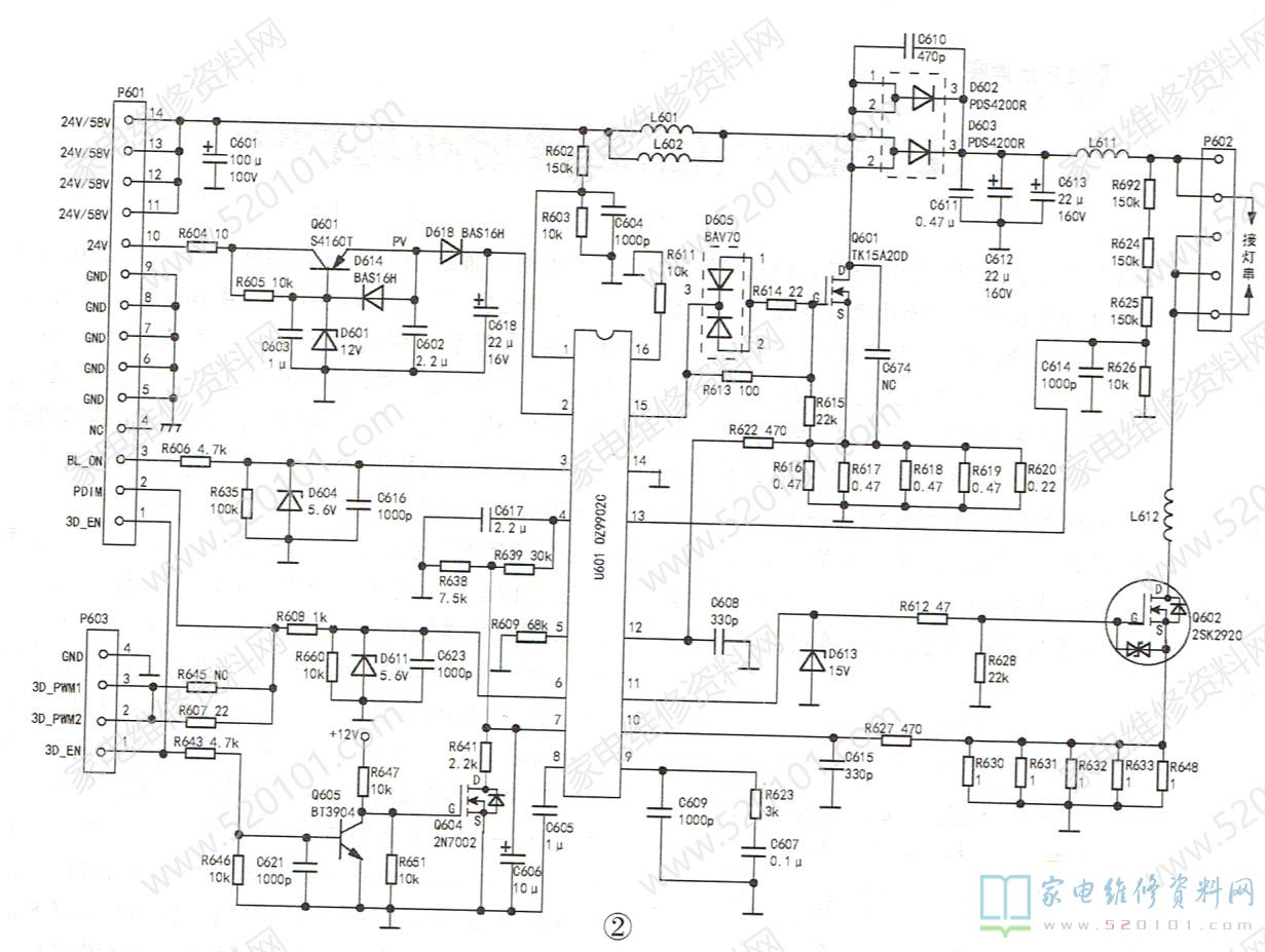
DRL5501驱动板的具体电路如图2所示,有两个完全相同的通道,图2只是其中之一通道,其工作原理如下:当主板送来的背光点亮信号BL ON送达插座P601的③脚后,便经R606送达背光控制块U601(OZ9902C )的使能端③脚,其内部的振荡电路开始工作,经过整形的开关激励脉冲信号从U601的15脚输出,由R613送到开关管Q601的G极,使开关管工作于开关状态。在开关管截止瞬间,储能电感L601、L602感应出的自感电动势的方向是左负右正,与58V电源供电电压叠加,经整流二极管D602、D603整流、C611~C613滤波后得到约90V输出电压(注:另一路得到约108V电压),经电感L611送至输出电压过压检测电路及LED灯串(P602是LED灯串输出插座)。LED 灯串的负端经电感L612接至背光管亮度控制管Q602的D极,在U601 11脚输出的开关脉冲控制下,背光亮度控制管处于一定的导通状态。电流经LED灯串L612、Q602、R630~R633、R648等到地,形成回路,LED灯串被点亮。当图像亮度开大时,从主板送给P601的②脚的亮度控制信号电压升高U601亮度控制端⑥脚电压升高->U601 11脚输出的亮度调节开关脉冲的占空比增加->开关管的饱和导通程度增加(Q602的D、S极间阻抗变小)->流过LED灯串的电流增加->图像亮度增加。在图像从最暗到最亮过程中,实际测得U601⑥脚PWM控制电压在0.9V~3.4V之间变化。
二、保护电路分析
该电路保护功能完善,主要有以下保护电路:
1.输入欠压保护
当送往LED驱动电路的输入电压过低时(24V低至19.8V或58V低至48V。注:输入24V电压时,图2所示电路有关元件數值有所变动),经电阻R602、R603分压后送至U601欠压保护端①脚的检测电压将低于3V,于是U601内部的输入欠压保护电路动作,U601停止工作,即11、15脚均无输出。
2. 输出过压保护
若C611~C613滤波的输出电压过高(如输出84V的,却高于90V;输出90V的,却高于100V)时,当由R692、R624~R626分压后送至U601的13脚的过压保护取样电压大于3V时,U601的⑧脚立即开始对此脚外接电容C605充电,充电电流为6.5pA;当⑧脚电压达到3V时,U601将停止工作并锁定,直到故障排除后重新上电后才能使U601解除锁定。
3、输出过流保护
(1)输出对地短路保护
当电压输出端对地短路(比如,输出滤波电容C611~C613之中有击穿或LED灯串对地短路)时,送入U601的13脚电压将小于0.2V,此时输出对地保护功能启动,U601的15脚会立即关闭输出。当故障排除后,U601的13脚电压高于0.2V时,才能恢复正常工作。
(2)负载短路保护
如果LED灯串之间发生短路(或输出电压过压,又恰遇过压保护电路失效)时,经R630~R633、R648电流取样,由R627降压后送至U601 10脚的过流保护检测电压上升,当达到正常值的1.5倍(0.15V)时,则U601⑧脚开始对此脚外接电容C605充电,在⑧脚电压上升至3V之前,U601的11脚以一定频率的脉冲让Q602导通,以试探短路状态是否已解除。如果短路状态已排除,则U601恢复正常工作;如果短路状态未被排除,在U601⑧脚电压,上升至3V后,U601立即停止工作并锁定输出,亮度控制管Q602处于截止状态,直到故障排除后重新上电,才能使U601解除锁定。
(3)升压开关管Q601过流保护
如果Q601开关管输出过流,由R616~R620取样电压上升,当经R622送至U601开关管过流保护端12脚的过流检测电压超过0.5V时,U601会启动升压开关管过流保护功能,即U601的15脚没有开关脉冲输出,直到下一个工作周期。
三、故障检修思路
故障现象1:背光灯不亮。故障分析:背光灯不亮,说明LED灯串的供电或其控制电路存在故障。首先检查LED驱动电路的电源输入端,即插座P601的11~14脚是否有24V/58V供电电压。如果没有,应检查电源供电电路,包括开关电源的输入电路。若供电正常,再检查U601的供电端②脚是否有约12V供电电压,若没有,应先检查P601插座10脚是否有24V供电电压到达,否则要先检查电源供电电路。如果已到达,说明无供电电压系供电稳压电路存在故障,应该对Q603及其周边元件进行检测。 如果上述检查均正常,再检查U601③脚是否有2V以上的背光电路工作控制信号。若木查到控制信号,应检查主板上的主芯片(MCU)的BL ON端子的输出是否正常,若正常,则检查信号传输电路。如果未发出正常BL ON信号,则检查主芯片(MCU)的工作条件或开机时序是否正常。若U601③脚有2V以上的背光启动控制信号,可再查U601的11脚、15脚是否有开关脉冲输出。若没有输出,在U601供电、外围元件均正常及⑧脚电压低于3V的前提下,说明U601已损坏,应考虑更换。
为了帮助大家检修,表2给出了OZ9902C引脚功能与在路非3D状态下实测电压及电阻数值,供参考。

故障现象2:开机后屏幕瞬间点亮,但随后黑屏。故障分析:该故障基本上可判断是背光灯串或背光灯电源或背光灯供电电路存在异常,被U601检测后,启动保护电路,使U601的11脚不再有开关脉冲输出,导致开关管Q601停止工作所致。
首先检查背光灯串插头与线路插座有无接触不良现象,然后检查U601电源端②脚约12V电压是否正常。若时有时无,可能是插座P601 10脚插头与插座接触不良,或以Q603为主构成的稳压电路有元件虚焊。接下来测U601的16脚电压,若是高电平,则可确定故障系保护电路动作所致。这是因为16脚是驱动电路故障状态指示输出端,在驱动电路正常的情况下,此脚输出低电平;保护电路动作后,该脚会输出高电平。在这种情况下,可测量P601 14脚的驱动电路的24V/58V供电电压是否正常如果开机瞬间供电电压正常,但随即消失,说明LED驱动电路存在严重短路故障(比如整流一极管D602、D603、滤波电容C611-C613之中有击穿故障或严重漏电)而引起开关电源过流保护电路动作,应对上述元件进行检测。
如果测得驱动电路供电电压较低,且U601①脚电压低于3V,可确认是欠压保护电路动作。若U601①脚电压大于3V,可在U601的13脚(输出过压保护检测端)对地并联一只电压表,然后试机,观察电压表读数是否大于3V。如果大于3V,说明故障系输出过压保护所致。导致过压保护一般是输入电压过压,对电源稳压电路进行检修,或过压保护电路有元件出现问题,如取样电路中的电阻R626开路、阻值变大及焊点开焊等。
如果在以上检查中未发现异常,说明故障很可能是亮度调节开关管的过流保护电路动作所致。可在U601的10脚对地并联一只电压表,然后通电试机,观察电压表读数是否大于0.2V,如果是,则说明故障系亮度调节开关管的过流保护电路动作所致。导致开关管过流保护一般是 LED灯串之间发生短路或过流保护电路有元件存在问题,如过流保护取样电阻R630~R633、R648中某只开路。实修时可通过检测开关管Q602的电流,如果小于0.5A,则说明是过流保护电路误动作;反之则是LED灯串间发生短路故障。
故障现象3:屏幕亮度异常。故障分析:屏幕亮度异常是指屏幕亮度过暗过亮或亮度不均匀。这种故障一般是供电电路或 LED灯串存在问题,或亮度控制电路出现故障。首先检查驱动电路供电电压是否正常, 若不正常,则先排除供电电源故障。如果故障现象为屏幕亮度过暗,在测得输入电压正常的情况下,试调节亮度,观察屏幕亮度有无变化,若有变化,表明亮度控制电路正常,问题极可能是升压电路发生故障。对于DRL系列驱动板来说,在输入电压为58V的情况下,输出电压分别为75V 90V、120V左右,也就是升压电路提升约15V、30V.60V电压。若没有提升电压,则表明故障在升压电路。检修时可测量U601的15脚是否有激励脉冲输出。若没有输出,可能是U601内部的振荡或驱动脉冲整形电路损坏,应更换U601试之。如果有输出,应检查开关管Q601、升压电感L601/L602、整流二极管D602/D603及滤波电容C611~C613等。
如果故障现象为屏幕亮度过亮,在测得输入电压正常,且调节亮度时屏幕亮度没有变化的情况下,通常是亮度控制管Q601出现击穿性损坏。如果故障现象为屏幕亮度不均匀,很可能是LED灯串组部分短路或少数LED击穿损坏。
故障现象4:屏幕闪烁。故障分析:屏幕闪烁可能原因是升压管Q601处于过流保护状态,可在U601的12脚(开关管Q601输出过流保护检测端)对地并联一只电压表,然后试机,观察过流保护电路动作时电压表读数是否大于0.15V,如果是,则说明故障系开关管输出过流保护所致。导致过流保护一般是输出电压滤波电容C611~C613之中有漏电或LED灯串对地有短路故障。另外,过流保护电路中某元件出现问题,如取样电路中的电阻R616~R620中某只开路或阻值变大,也会导致过流保护电路误动作。
过流保护电路动作后,Q601暂时停止工作,这时由于没有升压电压产生->加至LED灯串电压降低->灯串亮度降低(或无亮度)->由于升压开关管停止工作->送至U601 12脚的过流检测电压为零->U601的15脚又重新送出升压开关管激励脉冲->Q601又开始工作->有升压电压产生->屏幕亮度增大(或有亮度)->升压开关管过流保护电路再次动作,如此周而复始,于是就表现出闪烁现象。因此,对于这类故障,重点是对开关管过流保护电路进行检查。
四、故障检修实例
例1:一台TCL I43E4310-3D型液晶彩电,黑屏,伴音正常。分析检修 :经观察,背光灯未亮。再查驱动板上背光控制芯片U601的③脚已有正常的约3V背光开启电压,接下来查驱动电路58V供电电压正常,但芯片U601供电端②脚供电电压却为0V(正常约12V)。测芯片电源稳压电路的调整管Q603集电极24V供电正常,但发射极电压为0V,基极电压接近0V,显然,故障原因可能是电容C603或稳压管D601击穿,经查D601已击穿,换新后试机,故障排除。
例2:一台TCL L55E5390A-3D型液晶彩电,开机后屏幕瞬间点亮,随即黑屏,但伴音一直正常。分析检修:经观察,背光灯未亮。根据故障现象分析,故障很可能是驱动板或背光控制电路存在问题,导致保护电路动作所致。测U601的③脚已有正常的约3V背光开启电压,且58V供电及U601②脚12V供电均正常。测得芯片U601的16脚为高电平,表明故障是保护电路动作所致。为了锁定故障点,首先在U601 10脚(亮度控制开关管过流检测)对地接一只电压表后开机,发现电压表读数正常,证明故障并非亮度控制开关管Q602过流所致。接下来在U601的13脚(输出过压检测)对地接一只电压表后开机, 发现电压表读数大于3V后,驱动电路立即停止工作,这表明故障是输出过压保护电路动作所致,于是重点对过压保护检测电路进行检测,发现R626已开路,更换后开机,故障消失。
例3;一台TCL L48E5300A-3D型液晶彩电,图像暗,但亮度可调。分析检修:从故障现象来看,LED驱动电路的亮度控制电路是正常的,问题可能在输入电源或升压电路: 首先测得58V输入电压正常,接下来测P602插座①、②脚电压,发现约为57V,这表明升压电路的确没有工作。检测U601的脉冲输出端15脚的波形,发现有正常的脉冲波形输出,看来U601外接升压电路分立元件有异常。对升压开关管Q601及它的周边元件进行检查,发现升压开关管Q601(TK15A20D )漏极焊点有一圈隐性裂纹,补焊后试机,故障排除。
例4:一台TCL L55E5690A-3D型液晶彩电,屏幕闪烁。分析检修:根据上述故障现象分析,很可能是升压开关管Q601过流保护电路动作。开机,迅速测量U601的12脚电压,发现在OV~0.3V间波动,表明故障的确是升压开关管过流保护电路动作。试断开升压开关管Q601的D极后重新开机,发现背光灯能点亮,且亮度均匀,只是亮度很暗。据此说明,LED灯串对地短路的怀疑可排除,且升压电路的滤波电容击穿或严重漏电的可能性也不大,故障极可能是过流保护电路元件本身有问题,于是在Q601的D极回路中串联-只电流表试机,发现电流表读数在0A~0.4A范围内变化,说明判断正确。接下来对过流保护电路取样电阻R616~R620进行检查,结果发现R620(0.22Ω)一端虚焊,补焊后开机,故障排除。