TCL AT25228彩电不开机的故障维修

2022-10-23 17:32:27  阅读 730 次 评论 0 条
摘要:

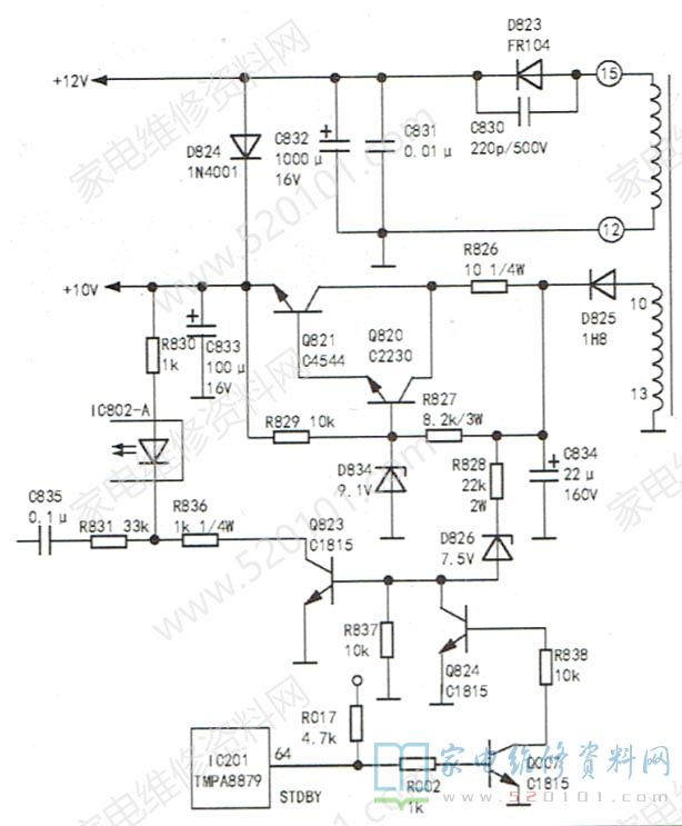
接修一台TCL AT25228型CRT彩电,指示灯亮,不开机。检查存储器供电电压为5V ,正常。总线SCL.SDA电压也为5V,更换存储器后故障依旧。该机开/待机控制电路如图1所示。试取Q007,强制开机

      接修一台TCL AT25228型CRT彩电,指示灯亮,不开机。检查存储器供电电压为5V ,正常。总线SCL.SDA电压也为5V,更换存储器后故障依旧。该机开/待机控制电路如图1所示。试取Q007,强制开机,此时声像正常,遥控器也能正常调台,按遥控器开/关机键,测IC201(TMPA8879 )的的脚有高低电平变化。遥控关机后,电视也处于关机状态,由于此时开关电源为强制开机,开关电源输出仍为正常工作电压。重新装上Q007通电,开关电源输出电压为待机状态电压,检测IC201的CPU部分供电电压为5V,存储器⑧脚电压为5V,正常。检查CPU时钟⑥、⑦脚电压也正常,IC201的⑤脚为复位脚,测得其复位电压仅1V左右,正常值应为5V,于是对复位电路进行检查,发现复位电路的供电电压(10V)偏低,看来故障点应在开关电源电路中。

TCL AT25228彩电不开机的故障维修 第1张

      检查开关电源待机时输出电压,D825负端电压为8.2V,稳压管D834负端电压为7.5V,正常时D834电压应为9.1V,这说明开关电源待机输出电压偏低。检查Q823.Q824、R836、R837、R828、C834 D826等元件,发现D826两端电压仅为5V,而图纸上标注的是7.5V稳压管,怀疑D826性能不良,换新后开机,故障排除。这时测得D834两端电压是9.1V,Q821的e极电压为7.8V,IC201的⑤脚复位电压为5V。

版权声明:本文为转载文章,版权归原作者所有,欢迎分享本文,转载请保留出处!