TCL 40-E371C4-PWH1XG型电源板(编号为:08 e -PE371C4-PW200AA),应用于TCLLEDL43F3370、L42F3300B、L46E5300P、L43F3370,东芝39L2300C、39L2305C,三洋43CE660、L43CE660,先锋LED-39B300等LED液晶彩电中。该电源板实物图解请移步《TCL 40-E371C4-PWH1XG电源板维修图解》一文,电路组成如图2所示。
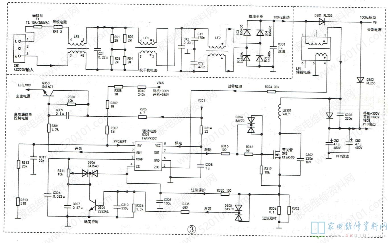
该电源板由三部分组成:一是以FAN7930C (U301 )为核心组成的PFC(功率因数校正)电路,将整流滤波后的市电校正后提升到+380V,为主开关电源供电;二是以VIPER17L(U201 )为核心组成的副开关电源,产生+3.3V/0.2A电压,为主板控制系统供电;同时产生VDD电压为启动后的U201供电,产生VCC电压,经开/关机电路控制后为PFC和主电源驱动电路供电;三是以FSFR1700XS (U401) 为核心组成的主开关电源,产生+24V/2A电压和58V/1A电压,为主板和背光板供电。PFC 电路如图3所示,主电源电路如图4所示,副电源电路如图5所示。
背光灯异常保护电路(见图5):由模拟晶闸管Q405、Q406为核心组成。当背光灯板发生故障时,背光板输出高电平保护触发电压,模拟晶闸管导通,将开机P. _ON高电平拉低,开/关机电路动作,切断PFC校正电路的vcC1供电,整机进入待机保护状态。
开/关机控制电路(见图4、图5)由Q407、PC3、Q205组成的vCC1控制电路和Q350组成的LLC、VCC控制电路组成,采用控制PFC电路U301的vcc1供电和主电源liC, vcC供电的方式。接通市电后,副电源先工作,产生vcC、VDD电压和+3.3V/0.2A电压,其中+3.3V/0.2A为控制系统提供电源,二次开机后开/关机控制电路将vcC电压变为vcc1电压送到PFC驱动电路U301。PFC电路启动工作,将整流滤波后的市电校正后提升到+380V,为主开关电源供电。同时,U301的②脚输出RDY电压,使Q350导通,输出LLC_vCC电压,为主电源厚膜电路U401提供LLC vcc供电,主电源启动工作,为主板提供24V/2A电压,为背光板提供58V/1A电压,整机进入开机状态。
故障现象1:三无,指示灯不亮。分析检修:先查保险丝是否烧断,如果保险丝烧断,说明电源板存在严重短路故障,接着查市电输入电路和整流滤波电路,再查QW3、U401和U301内部开关管是否击穿。如果测量保险丝未断,说明故障在副电源电路,测量CE1两端输出的+300V是否正常,若无+300V电压,查市电输入电路和整流滤波电路、二次整流滤波电路;若有+300V电压输出,测量副电源U201的⑦.⑧脚有无+300V启动电压,如无启动电压,检查限流电阻R201、R202。如u201的②脚VDD电压为0V,则查D207.D206、C204、R206。相关电路见图5。
故障现象2:三无,指示灯亮。分析检修:二次开机后,如果P-ON为高电平,则首先测量PFC提供的+390V供电和U401的⑦脚LvCC供电,如果VBUS为300V,则是PFC电路未工作,检修PFC电路;如果无cvcc供电,查开/关机控制电路。如果上述供电正常,则查主电源U401及其外部元件。相关电路见图4。
故障现象3:自动关机。分析检修:此故障多为以Q405.Q406模拟可控硅为核心的背光灯保护电路启动所致,其判断方法如下:在开机爱间,测量Q405的b极电压,如果大于或等于0.7V,则是该保护电路启动。解除保护的方法是将Q405的b极对地短路。相关电路见图5。


