TCL PE461C4型二合一板的电路框图如图1所示,主要由输入整流滤波电路、开/待机控制电路(待机电源控制芯片VIPer17L)、功率因数校正(PFC)电路(控制芯片FAN7930C)、PWM电路(即主电源,控制芯片FSFR1700XS)、背光 LED驱动电路(控制芯片MP3391)、反馈及保护等电路组成,输出3.3VSTB/0.2A、24V/1.25A、58V/1.9A电压,广泛用于42英寸及以上具有3D功能的大屏幕LED彩电中。
一、工作原理
1.市电输入与整流滤波电路
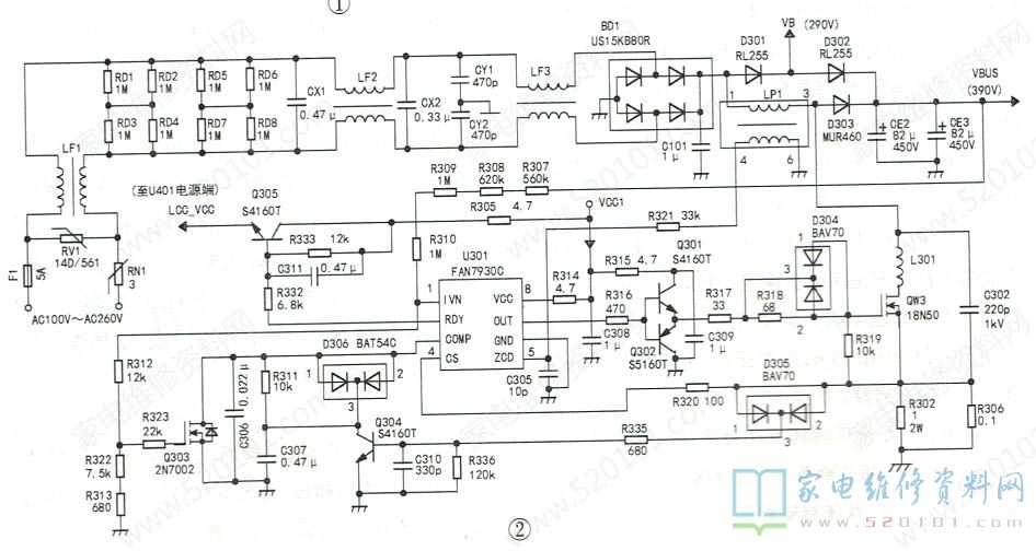
市电经保险管F1、热敏电阻RN1、抗高压压敏电阻RV1进入抗干扰滤波电路,如图2所示。RD1~RD8、LF1、LF2、LF3、CX1、CX2、CY1、CY2等构成EMC电路,以消除电网中的杂波,同时避免开关电源对电网产生干扰。滤除干扰后的市电经全桥BD1整流、C101滤波后输出约+300V的脉动直流电压,一路经变压器LP1初级①-③绕组及电感L301送至PFC功率管Qw3的D极,第二路经D301、D302续流后送入PFC电路输出端(即滤波电容CE2、CE3正极),D301与D302的连接处的VB电压送往待机电源。
2. PFC电路
二次开机后,主板送来的高电平信号通过光耦PC3使控制管Q205导通,将待机电源输出的vCC1(实测约+18V)送至U301(FAN7930C)的⑧脚,U301开始工作,⑦脚输出正、负脉冲信号->放大管Q301、Q302轮流工作->QW3工作于开关状态。在QW3导通期间,其电能转化为变压器LP1的磁场能储存起来;在QW3截止期间,其LP1储存的磁场能转化为电能,经D303整流.CE2、CE3滤波后得到约+90V左右电压,与输入的300V电压叠加,故在CE2、CE3正极得到约+390V的VBUS电压。该电压分为三路输出:一路经R307~R310、R312、R313、R322分压,为U301的①脚提供取样电压,该电压与④脚的QW3电流检测电压一起加到U301内部乘法器中,处理后控制⑦脚对外输出的脉冲宽度。当负载变重(比如图像亮度增大或声音变大)时,U301①脚的取样电压变低。与此同时,电源输出电流也会增大,则电流取样电阻R302、R306两端压降增大,U301④脚的电压升高,这时U301⑦脚输出的矩形脉冲宽度变宽,QW3导通时间延长,输出电压瞬时升高,即电源输出功率变大;反之,输出功率变小,从而保证输出的+390V(VBUS )电压基本不变。
3、待机电源及开/待机控制电路
该型电源板的待机电源如图3所示。
接通电源后,VB电压经D202、R201、R202及开关变压器TS1初级⑦-⑥绕组送至U201(VIPer17L)⑦、⑧脚(内部开关管D极兼振荡启动电源),给②脚外接电容C215充电。当C215两端电压达7.5V时,振荡电路开始工作- >内部开关管工作于开关状态->TS1初级⑦-⑥绕组中有脉冲电流流过一次级绕组有感应电压产生。其中,③-④绕组的感应电压经D214、D215整流,C204、R207、C215滤波,D205稳压后送到U201电源端②脚,以替代启动电源;TS1的⑧-⑨绕组的感应电压经DS1整流及C208、L201、C210、C211滤波后得到+3.3VSTB待机电压,经排插送往主板。该电压的稳压过程:当输出电压降低时,光耦PCI①脚电压降低->发光二极管的发光强度减弱->PC1③、④脚(光敏管)内阻增大->U201④脚电压升高一内部振荡器的振荡频率升高->⑦、⑧脚输出的脉冲宽度增加->输出电压升高;反之,输出电压下降。开/待机控制过程:二次开机时,P-ON信号变为高电平->Q407导通->PC3初级①、②脚的电流大增->PC3次级③、④脚的内阻大幅减小->Q205导通->输出vCC1电压。待机时,P-ON信号变为低电平,Q205截止,PFC、PWM电路停止工作。
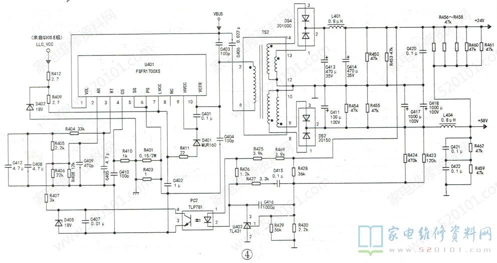
4、PWM主电源电路

图4中,PFC电路送来的VBUS电压一路直接加至U401( FSFR1700XS )的①脚,为内部高端开关管供电,另一路送往谐振电容C406。此时经Q305送来的LLC_VCC电压(约为+17V)通过R412、R409加至U401电源端⑦脚,U401内部的锯齿波发生器、脉宽调制器工作,产生的开关激励脉冲使内部半桥功率开关管导通,开关变压器TS2初级②-⑥绕组与谐振电容C406串联谐振。C401、D401、R411及U401内部电路构成的自举升压电路工作为低端开关管提供HVCC高压电源。TS2次级12-13、12-14绕组产生的感应电压经DS4全波整流及L401、C413、C414、C420滤波后,得到+24V电压;①-⑧、10-⑨绕组产生的感应电压经DS2全波整流及C411、C417、C418、L404、C421、C422滤波后,得到+58V电压。
该PWM主电源的稳压电路主要由光耦PC2(TLP781)、基准电压比较器U402(TL1431)等元件组成。当+24V电压降低时,光耦PC2①脚电压降低->流过PC2①、②脚(发光二极管)的电流下降->PC2③、④脚(光敏三极管)内阻变大->U401的②脚(输出电压反馈端)电压上升->U401内部脉宽调制器输出的脉冲宽度增加->半桥功率开关管导通时间延长->输出电压升高。当输出电压升高时,其稳压过程与上述相反。C403、C404为TS2的尖峰脉冲吸收电容,防止在开关管截止时,TS2初级绕组感应的脉冲高压将它击穿。
5、LED驱动电路
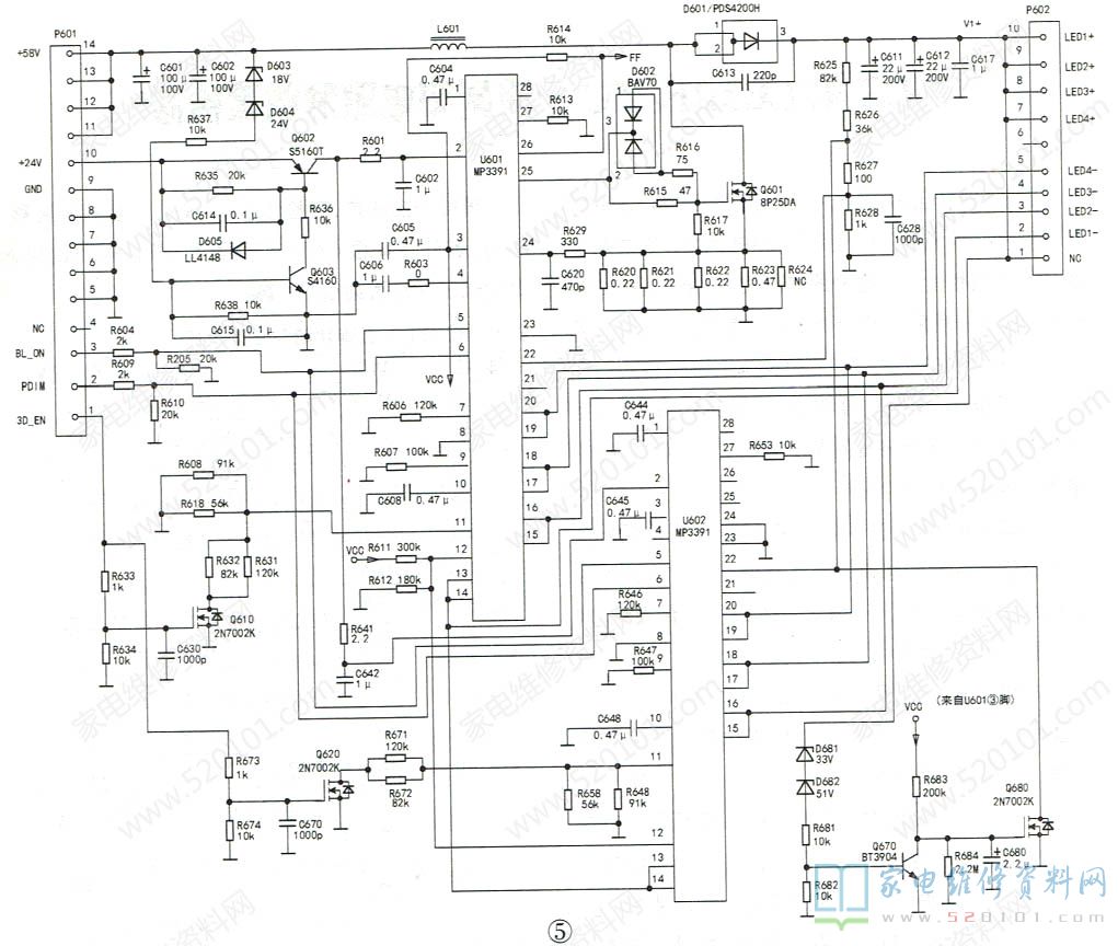
在主电源工作后,输出的+24V、+58V电压分别加至LED驱动电路插座P601的10脚及11~14脚,如图5所示。
另外,主板上MCU送出的3D使能信号3D_EN亮度调节信号P DIM、背光点亮信号BL_ON(实际为2D EN)也被分别送至P601的①、②、③脚。+24V电压经过电源控制管Q602(S5160T)后,分别由R601、R641送至控制芯片U601、U602( MP3391)的电源端②脚;BL_ON信号经R604送到MP3391的使能端⑤脚,MP3391内部的振荡电路开始工作,从MAP3391的25脚输出开关激励脉冲信号,开关管Q601工作于开关状态。当Q601截止时,与+58V电源叠加经升压二极管D601整流及C611、C612、C617滤波后,得到约+105V(3D狀态为+115V)的V1+输出电压,每路LED灯串中有33只大功率LED。该105V电压分为两路:一路送到LED灯串插座P602的7~10脚(四路LED灯串的+端);另一路送给分压电阻R625~R628,分压获得的取样电压送到MP3391的输出过压保护检测端22脚,及过压保护控制管Q680的漏极。LED灯串的一端流过插座P602的②~⑤脚分别送到MP3391的13~20脚,这些脚内部接的是背光亮度控制管的D极。当调大电视亮度时,主板送到P601的②脚的亮度控制信号电压升高->MP3391亮度控制端⑥脚电压升高->MP3391内部输送给亮度控制管的开关脉冲占空比增加->内部功率背光亮度控制管的导通程度增加->流过LED灯串电流增加->背光亮度增加。当进入3D模式时,由P601①脚送来的3D_EN控制电压使Q610、Q620导通,MP3391的①脚对地电阻减小,此时流过LED灯串的电流约为560mA,背光电路消耗的功率约为61.8W;在2D模式时,在同一亮度控制电压下流过LED灯串的电流约为540mA,消耗的功率为58.8W。
6、保护电路
(1)市电输入及PFC电路保护
1)市电过压输入保护
当市电电压过高时,压敏电阻RV1击穿,保险管F1熔断,达到保护之目的。如果压敏电阻失效,VB输出电压升高,通过D302、R307~R310送至U301过压输入检测端①脚的电压必然升高。当①脚电压高于2.7V时,U301内部过压保护电路动作,PFC电路停止工作。
2)PFC电路输出过流/过压保护
当PFC电路输出过流或负载有短路时,流过QW3源极的电流增大->R302、R306两端电压升高->U301④脚电压升高->当该脚电压升至0.75V时,U301内部过流保护电路动作,PFC电路停止工作。与此同时,当PFC电路输出过流时VBUS电压降低U301①脚的电压降低当VBUS电压降至+320V时->U301②脚输出低电平->Q305截止->U401因失电停止工作->整机处于待机状态。
当PFC电路VBUS输出过压时->U301①脚的电压升高当升至2.7V时->U301内部过压保护电路动作->PFC电路停止工作,整机进入待机状态。
3)开机浪涌电流限制
在冷机开机时,由于需要对大容量CE2、CE3电容充电,因此会对市电整流二极管及相关元件造成过流冲击,故在市电输入回路串入了负温度系数热敏电阻RN1。在刚开机时,由于温度较低,RN1阻值较大,故对浪涌电流有较大的限制作用。开机后,RN1温度升高,其阻值迅速下降,对输入电路造成的影响可忽略不计。
4)U301电源过/欠压保护
U301⑧脚为电源端,工作电压范围为11V~24V。当待机电源稳压电路开环失效,导致U301⑧脚电压在24V~33V之间时(大于33V有D210钳位),U301内部过压保护电路动作,PFC电路停止工作。另外,当U301⑧脚的电压小于8.5V 时,U301欠压保护电路动作,PFC电路停止工作,此时Q305截止,进而引起PWM主电源停止工作,避免故障进一步扩大。
5)U301过热保护
U301芯片的内部设有过热保护电路。当芯片内部温度达到150°C时,过热保护电路动作,⑦脚无开关脉冲输出;当温度低于120°C时,过热保护解除。
(2)待机电源保护
1)过压保护
当稳压环路出现故障导致+3.3VSTB待机电压过高时,经D211、D212、R208加至U201③脚(反馈电压控制及异常保护)的脉冲电压达+3V,内部过压保护电路动作,待机电源及PFC、PWM电路均停止工作,使MCU及整机免受损坏。与此同时,经D214、D215整流,C204滤波,送到U201②脚电源端的电压达+18V,稳压管D205齐纳击穿,U201因失电而停止工作。
2)过流保护
当+3.3VSTB电压因负载短路而过流时,经D211、D212、R208加至U201③脚的脉冲电压低于+1.26V,IC内部过流保护电路动作,待机电源及PFC、PWM电路均停止工作,电源无输出。与此同时,TS1③-④绕组产生的感应电压也会大幅下降,当U201②脚(电源端)电压低于+7.5V时,IC内部振荡器停止工作,整个电源无输出。
另外,当市电电压过高时,VB电压增大,此时TS1的③-④绕组的感应电压升高,使U201的③脚电压过高,U201内部振荡电路停振,整机进入保护状态。同样,当市电电压低于100V时,U201的③脚电压过低,整机也会进入保护状态。
(3)PWM主电源保护
1)过压保护
当稳压环路出现故障导致+24V输出电压过高时,流过PC2①、②脚的电流增大一PC2 3、④脚内阻减小->U401②脚电压小于0.4V->U401内部振荡器停止工作->+24V、+58V 电压均无输出。
除上述过压保护外,还有一路模拟可控硅过压保护电路。当+24V电压升至+27V时->稳压管D403齐纳击穿->Q406 导通->Q405导通->开/待机控制管Q407截止->PC3①、②脚无电流通过->PC3③、④脚内阻大增->Q205 截止->PFC、PWM电路均停止工作->整机处于待机保护状态。
2)过流保护
当输出过流时,流经电流取样电阻R401、R403的电流增大U401过流检测端④脚电压下降,降到-0.6V、且持续时间达0.15us时U401内部过流保护电路动作->U401 停止工作->整机处于待机保护状态。
(4)LED驱动电路保护
1)输入欠压保护
当+58V电压降到+43V时->稳压管D603、D604不被齐纳击穿->Q603截止->Q602截止->约+24V工作电压因MP3391的电源端②脚失电停止工作->LED背光熄灭。
2)输出过压保护
正常工作时,Q670截止,U601③脚输出的+5V基准参考电压vcc通过R683加至Q680的G极,Q680导通将U602(MP3391)过压保护端22脚接地,避免干扰脉冲使其误动作。若升压电路输出电压V1+过高,D681.D682齐纳击穿,Q670导通、Q680截止,U602输出过压保护窗口打开,R625~R628所得取样电压使U601 22脚的电压升高,当超过+1.24V时,U601的10脚对C608充电(充电电流为50uA),当C608两端电压升到+1.24V时,过压保护电路启动。
3)输出对地(LED+对地)短路保护
当输出端或LED灯串对地短路时,取样电路使U601的22脚电压降至0.08V,U601关闭25脚输出的开关脉冲,并且U601内置的背光亮度控制管截止。只有排除短路故障, U601 22脚的电压高于0.08V时,U601才会恢复正常工作。
4)灯条(LED+对LED-)短路保护
若LED灯条内部短路,U601、U602的12脚电压超过阈值,U601关闭西脚输出的开关脉冲,同时U601 25脚开始对C608充电,在10脚电压未升到+1.24V之前,U601的西脚间歇输出开关脉冲,以试探短路故障是否已排除。如果短路排除,背光电路恢复正常工作;如果未排除,则U601立即关闭25脚输出的开关脉冲,同时芯片内部的亮度控制管截止并锁定。
5)升压开关管过流保护
若升压开关管输出过流,U601的24脚电压升高,当该脚电压高于0.025V时,过流保护功能启动,U601关闭25脚输出的开关脉冲,Q601停止工作,同时芯片内部的亮度控制管截止并锁定。
二、常见故障检修
故障现象1:无+3.3VSTB待机电压输出。分析检修:无+3.3V待机电压输出首先应检查u201⑧脚电源启动端是否有约+290V电压;如果无,检查市电的输入、整流滤波电路;若有,则断开L201右端试机。检测C208正极是否有待机电压输出,若有输出,表明负载有短路故障;若仍无输出,表明故障在电源本身,这时可断开U201④脚外接电路试机。若有很高的电压输出,说明故障在稳压控制环路;否则,故障在u201②、③脚外接的整流滤波电路或U201本身。表1是U201的引脚功能与待机电压。

故障现象2:无+24V、+58V电压输出。分析检修:先在+3.3VSTB电压输出端与插座P1的10脚之间接一只1k电阻,强制开机,测量U401电源端⑦脚是否有+17V电压。如无,则先排除电源方面的故障;如果有,再测U401的①脚电压,若正常,可断开+24V、+58V负载,在输出端接一块电压表,然后通电试机。如果读数明显增大,表明故障极可能是过压保护电路动作所致,排查稳压环路;若电压表读数正常,则说明过流保护电路动作,应对负载作“断开法”检查;若电压表读数为零,则重点检查D405、C407 ,最后代换U401。U401引脚功能及参考电压见表2,供参考。

故障现象3:电源带负载能力差。分析检修:检查FPC电路输出的VBUS(+390V)电压是否正常,如果明显偏低,应查VB电压(约+300V )是否正常,如不正常,则检查市电整流滤波电路;若正常,则表明PFC电路存在故障,重点检查R307 ~R310.CE2、CE3、QW3等元件。U301( FAN7930C )引脚功能及电压见表3。
故障现象4:背光灯不亮。分析检修:先测插座P601②、③脚电压是否大于+2V,若否,则对主板输出的背光开/关、亮度调节信号及传输电路进行检查。若正常,则检查+58V、+24V供电是否正常;若不正常,则对电压的产生及控制电路进行排查。若供电正常,则测量升压输出端电压是否为105V/115V(2D/3D状态时),如果异常,则检查Q601、R620、D601 .C611.C612、L601等元件,最后代换U601、U602。MP3391 引脚功能与在路2D状态下实测电压见表4,供参考。
故障现象5:开机后屏亮一下,随即黑屏。分析检修:若测得+24V、+58V电压正常,则故障可能是LED驱动电路过压保护所致,可在开机时迅速测量U601的22脚电压,若大于+1.24V,再检测V1+电压。如果V1+电压过高,则表明输出电路开路,如插座P602与插头松动或接触不良;若电压正常,则是过压保护电路本身存在故障,如R627.R628阻值增大或引脚虚焊。