TCL L43V7300A-3D液晶电视开关机有噗噗声

2022-07-09 17:52:05  阅读 1096 次 评论 0 条
摘要:

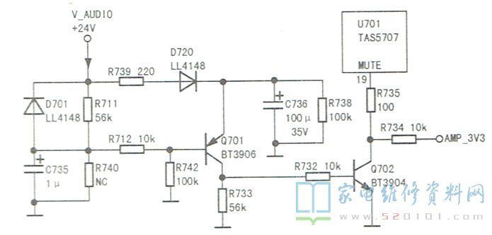
接修一台TCL L43V7300A-3D型液晶彩电,开/关机时喇叭中发出“噗”声。由故障现象分析,这应该是开/关机静音电路出现故障所致。该机芯的开/关机静音电路如图1所示,其工作原理是:刚开机时,+24V

       接修一台TCL L43V7300A-3D型液晶彩电,开/关机时喇叭中发出“噗”声。由故障现象分析,这应该是开/关机静音电路出现故障所致。该机芯的开/关机静音电路如图1所示,其工作原理是:刚开机时,+24V电压一路经R711给C735充电;另一路通过R739.D720给C736充电。由于R739阻值较小,Q701导通->Q702因b极高电平而导通->U701静音端19脚呈低电平,实现开机静音。开机后,C735充电完毕->Q701 因b极电位高于e极电位截止->Q702截止->U701的①脚呈高电平(约+3V),伴音正常。关机时,+24V电压消失->C735所充电荷通过R712、R742迅速放电,但C736所充电荷并未马上消失,故Q701导通->Q702导通->U701 19脚为低电平->实现关机静音。通过对上述电路进行检查, 发现Q702的c、e极已开路,更换Q702后开机,故障排除。

TCL L43V7300A-3D液晶电视开关机有噗噗声 第1张

版权声明:本文为转载文章,版权归原作者所有,欢迎分享本文,转载请保留出处!