TCL L55E5620A-3D液晶电视黑屏的故障维修

2022-06-29 18:07:20  阅读 864 次 评论 0 条
摘要:

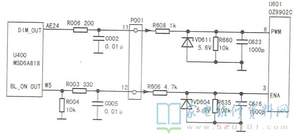
接修一台L55E5620A-3D型液晶彩电,故障表现为黑屏,伴音正常。上电试机,背光灯没有点亮。测量主板上插座P001的12脚(BL ON)有正常3.2V的高电平,背光控制芯片U601 (OZ9902C )

     接修一台L55E5620A-3D型液晶彩电,故障表现为黑屏,伴音正常。上电试机,背光灯没有点亮。测量主板上插座P001的12脚(BL ON)有正常3.2V的高电平,背光控制芯片U601 (OZ9902C )的③脚( ENA )也有约+3V的高电平,⑥脚(PWM )亮度控制端电压只有+0.8V(正常值不得低于+2V),P001的11脚(DIM_ PWM )电压约为+1.2V,看来问题应在亮度控制电路中,如图1所示。检测后发现,限幅控制管VD611(5.6V)已击穿。更换VD611后试机,故障排除。这时测得U601⑥脚的电压升至+3.1V。

TCL L55E5620A-3D液晶电视黑屏的故障维修 第1张

版权声明:本文为转载文章,版权归原作者所有,欢迎分享本文,转载请保留出处!