TCL L42M9HBD液晶电视无图像的故障维修

2022-06-19 18:59:39  阅读 968 次 评论 0 条
摘要:

接修一台TCL L42M9HBD型液晶电视(MS68机芯),故障表现为有声音,无图像(灰屏)。在AV状态下注入影碟机信号试机,故障现象不变,表明问题可能在逻辑板电路或显示屏中。测得逻辑板上的+12V上屏电

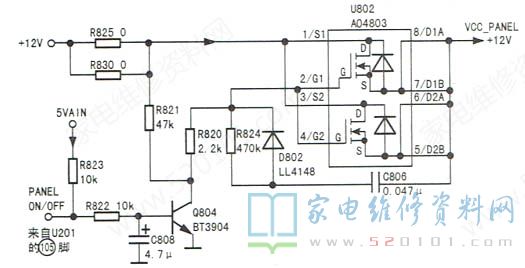
      接修一台TCL L42M9HBD型液晶电视(MS68机芯),故障表现为有声音,无图像(灰屏)。在AV状态下注入影碟机信号试机,故障现象不变,表明问题可能在逻辑板电路或显示屏中。测得逻辑板上的+12V上屏电压为0V,明显异常。该机上屏电压控制电路由Q804(BT3904)、U802(AO4803)等元件组成,如图1所示。

TCL L42M9HBD液晶电视无图像的故障维修 第1张

      查U802输入端①、③脚的+12V输入电压正常。短路Q804的c、e极,U802输出端⑤~⑧脚电压仍为0V,说明U802已开路损坏。换用性能相近的AO4801L后试机,逻辑板上的+12V电压正常,故障排除。

版权声明:本文为转载文章,版权归原作者所有,欢迎分享本文,转载请保留出处!