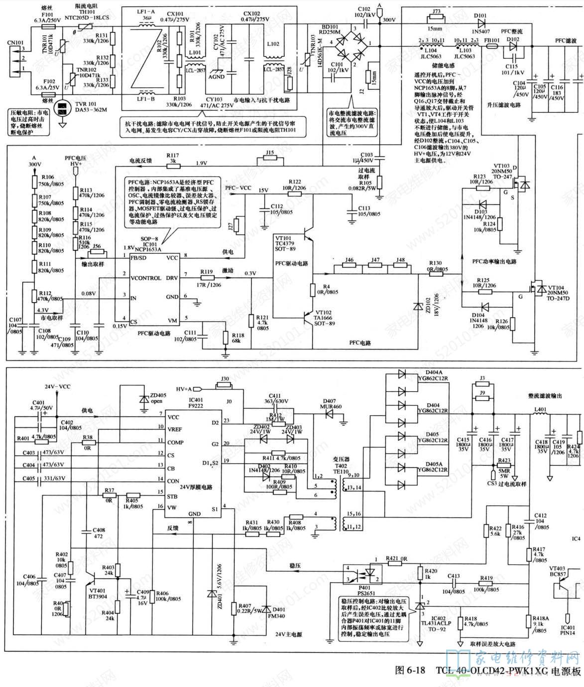
TCL液晶彩电采用的40-0LCD42-PWK1XC电源板,简称PWL42C01电源板,应用于TCL L46E77、L46M61F、LCD47K73、L42H78F、 L42E64、146H78F等42 ~47in液晶彩电中。TCL 40-0LCD42-PWK1XG电源板实物图解如图1所示;电路组成框图如图2所示。
该电源板由四部分组成: 一是以厚膜电路VIPer22A (IC201)为核心组成的副开关电源,为主板上微处理器控制系统提供+5VSB供电,同时为PFC电路和主开关电源驱动控制PWM电路提供+20VAUX的VCC工作电压;二是以驱动控制电路NCP1653A (IC101) 和大功率MOSFET (开关管) VT103、 VTI04为核心组成的PFC电路,校正后为主开关电源提供约380V的HV工作电压;三是以驱动控制电路NCP1377B (IC301)和大功率MOSFET (开关管) VI306、 VI307 为核心组成的12V主开关电源,为负载电路提供12V (AUD-0)、12V 电压:四是以厚膜电路F9222 (IC401 )为核心组成的24V主电源,为负载电路提供24V的电压。
开关机控制采用控制主开关电源VCC供电的方式。通电后,市电整流滤波后在A点产生约300V脉动电压,经二次整流滤波电路D201、D201A、C2012、C201A后形成稳定的+ 300V电压,为副电源VIPer22A 供电,副电源首先启动工作,为主板控制系统提供+5VSB电压,指示灯点亮;控制系统获电工作后为电源板送人开机控制电压,副电源产生的+ 20V AUX电压经待机控制电路控制后,为PFC驱动电路提供PFC-VCC工作电压,为12V主电源提供PWM - VCC工作电压,为24V主电源提供24V-VCC工作电压,上述电路启动工作。其中PFC电路工作后,将市电整流滤波后300V脉动直流电压提升到约380V,产生HV电压,为12V和24V主电源供电;主电源启动后,为主电路板和背光灯逆变器板提供12V (AUDIO)、 12V 和24V电源,整机进人开机收看状态。
TCL 40-0LCD42-PWK1XG电源板在主开关电源二次侧依托待机控制电路设有以IC203 ~ IC205、IC207、VT202 ~ VT204、VT210 等元器件组成的过电压、过电流、欠电压保护电路。上 述保护电路启动时,迫使待机控制电路动作,切断PFC电路和主电源驱动电路的VC供电,开关电源停止工作。该电源板的集成电路引脚功能和对地电压见表1~表4。
为了排除负载电路对电源板的影响,检修时可脱开电源输出连接器,在+12V或+24V输出端接假负载,将连接器CN301的1脚改接到副电源+5VSB输出端,模拟开机状态,单独检修电源板。
1.待机指示灯不亮
测量熔丝F101、F102和限流电阻THIO1是否烧断,如果已经烧断,说明开关电源存在严重短路故障。如果熔丝FP801未断,测量副电源无电压输出,首先测量VIPer22A的5 ~8脚有无300V电压。如果无300V电压,检查市电输人电路及整流桥BD101和副电源二次整流滤波电路D201A、D201、R201 ~ R203是否发生开路故障。如果有300V电压,则检测VIPer22A的1 ~4脚电压和对地电阻,判断VIPer22A是否损坏。
2.待机指示灯亮
可将 CN301的1脚改接到+5VSB输出端,模拟高电平PS-ON开机,测主电源开关变压器T2的二次侧有无+24V、+ 12V直流电压输出。如果测量主电源始终无电压输出,说明主电源未工作。测量NCP1377B的6脚和P9222的7脚有无VCC供电。无VCC供电,检查开关机电路的PWM-VCC和24V-VCC控制电路;有VCC供电,无12V电压输出,检查NCPI377B及其外部的VT301、VT302、 T301推挽激励电路和VI306、VT307推挽输出电路;有VCC供电,无24V电压压输出,检查P9222及其外部输出电路。
3.开机后自动关机
在开机的瞬间,测量保护电路VI206或VT202的基极电压,该电压正常时为低电平0V。如果开机时或发生故障时,VT206 或VT202的基极电压变为高电平0.7V以上,则是过电压、过电流、欠电压保护电路启动。
由于 VT202的基极外接过电压保护和欠电压保护两种保护检测电路,为了确定是哪路保护检测电路引起的保护,可在自动关机前的瞬间通过测量D216正极电压来确定。如果D216的正极电压为高电平,则是欠电压保护电路启动,应检查+24V、+12V整流滤波电路是否发生开路故障,负载电路是否发生短路、漏电故障;否则是过电压保护电路启动,对可能引起开关电源输出电压升高的稳压控制电路的元器件进行检测。对于过电流保护电路,可测量D206的负极电压判断保护电路是否启动。D206的负极电压正常时为高电平,果开后保护护前的瞬间D206的负极电压为低电平,则是过电流保护电路启动,应检查负载电路是否发生短路漏电故障,可拔掉连接器CN301,接假负载对开关电源电路进行检修,判断故障是在负载还是在开关电源。
确定保护之后, 可采取解除保护的方法,开机测量开关电源输出电压和负载电流,观察故障现象,确定故障部位。为了防止开关电源输出电压过高,引起负载电路损坏,建议先接假负载测量开关电源输出电压,在输出电压正常时,再连接负载电路。全部解除保护: - 是将VI206的基极的D215断开或将VI206的基极与发射极短接;二是将VI210的基极的R275干或将VT210的基极与发射极短路。解除保护,开机观察故障现象。逐路解除保护: 对于+24V、+12V 过电压保护电路,断开R220或分别断开ZD206、ZD204;过电流保护电路,断开D206;欠电压保护电路,断开D216和R275。每解除-路保 护检测电路,进行次开机实验,如果断开哪路保护检测电路后,开机不再保护,则是该路保护检测电路引起的保护。
注意:断开各路保护电路隔离二极管后,不可长时间通电,以免引起元器件损坏TCL40-DLCD42-PWK1XG电源板电路原理和维修图解如图3、 图4所示。



