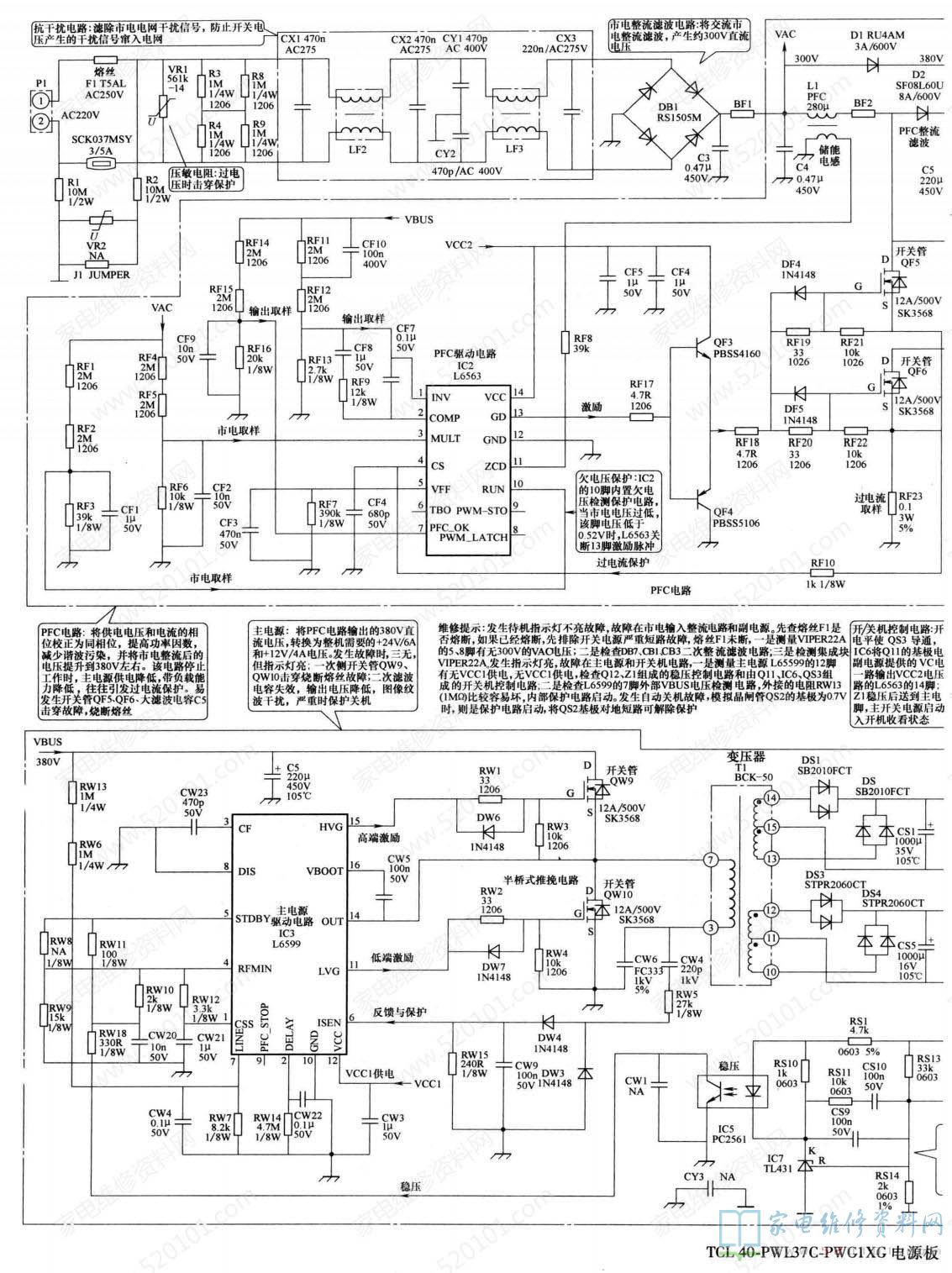
TCL液晶彩电采用的40-PWI37C-PWGIXG电源板,集成电路采用VIPer22A + L6563 + L6599组合方案,应用于TCL L37M61B、LCD37K73、L32E9、L32E77、 L37E77等液晶彩电中。TCL 40-PWI37C-PWGI XG电源板实物图解如图1所示;电路组成框图如图2所示。
  
 
  
 
该电源板由三部分组成:一是以厚膜电路VIPer22A (IC1) 为核心组成的副开关电源,为主板上微处理器控制系统提供+5V供电,同时为PFC电路和主电源驱动电路提供20V左右的VC工作电压;二是以驱动控制电路L6563 (IC2)和大功率MOSFET (开关管) QF5、 QF6为核心组成的PFC电路,校正后为主开关电源提供约380V的工作电压;三是以驱动控制电路L6599 (IC3) 和大功率MOSFET (开关管)QW09、QW10为核心组成的主电源,为主板和背光灯逆变器提供+12V、+24V 电压。
开关机采用控制PFC电路IC2和主电源驱动电路IC3的VCC2、VCCI供电的方式。接通市电电源后副电源首先工作,产生VC和+5V电压,其中+5V电压为控制系统提供电源,二次开机后开关机控制电路将VC电压控制后,产生vCC2电压送到IC2,再经稳压后产生VCCI送到IC3,PFC 电路和主电源启动工作,为整机提供+12V、+24V 电压,进人开机状态。
TCL 40-PWI37C-PWGIXG电源板在开关电源的一次侧依托L6563和L6569的保护功能,设有欠电压、过电流保护电路;在二次侧设有以模拟晶闸管QS1、QS2电路和运算放大器IC4为核心组成的过电压、过电流保护电路。上述保护电路启动时,开关电源停止工作。该电源板的集成电路引脚功能和参考电压见表1 ~表3。
  
 
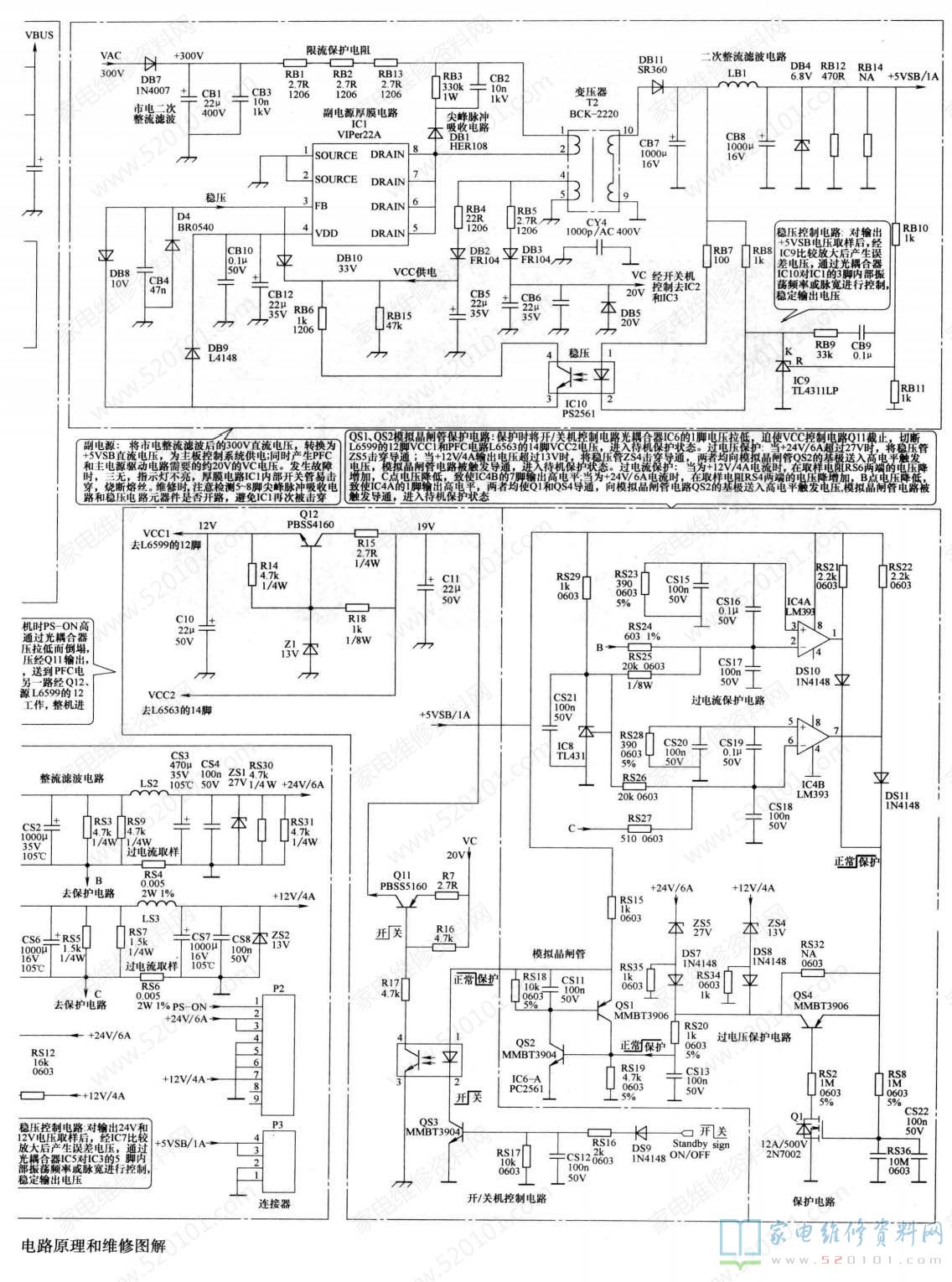
维修TCL 40-PWL37C-PWCIXG电源板时,把待机+5V用导线连接到开/待机控制端,输出端接24V或36V (功率为60W或100W)低压灯泡作假负载,进行脱机检修。
1. 指示灯不亮
发生三无故障时,指示灯不亮,如果熔丝熔断,说明电源板存在短路击穿故障;如果熔丝未断,故障在副电源,先查300V供电,再查副电源ICI的5 ~8脚有无300V电压。如果无300V电压,检查AC220V市电整流滤波电路;如果有300V电压,查IC1及其外部电路元器件。副开关电源中的限流电阻RB1、RR2、 RB13焊接帽部分易脱焊,如有损坏,最好把这三只电阻均换成功率为1W或2w的几欧姆电阻,以免再次损坏。
2.指示灯亮
指示灯亮,故障在主电源和开关机控制电路,先查开关机控制电路提供的vCCI和vCC2供电,再查PFC电路IC2和主电源IC3及其外部电路。维修实践证明: IC3 的7脚外部VBUS电压检测电阻阻值大的比较容易损坏,是检查的重点。7脚外接的电阻RW13 (1M)比较容易损坏,造成7脚电压降低,当该脚电压低于1. 25V时,内部保护电路启动,造成主开关电源无电压输出。
3.自动关机
如果发生自动关机故障,测量模拟晶闸管QS2的基极电压为0.7V,则是该保护电路启动。可将QS2的基极对地短路,解除保护脱板维修。TCL 40-PWL37C-PWGIXG电源板电路原理和维修图解如图3所示。
 
								
