TCL液晶彩电采用的715T1852-1和715T1852-2电源板,两者电路组成和电路结构相同,可互相代换使用,应用于TCL LCD37K72等液晶彩电中。TCL 715T1852-1/2电源板实物图解如图1所示;电路组成框图如图2所示。
该电源板集成电路采用FA5500 (IC901) + LD7575 (IC905) + NCP1377 (IC902) 组合方案。该电源板由三部分组成:一是以驱动控制电路FA5500(IC901)与外围电路组成的有源PFC电路:二是以驱动控制电路LD7575(IC905)与外围电路组成的副电源;三是以驱动控制电路NCP1377( IC902)与外围电路组成的主电源。开关机采用控制PFC电路IC901和主开关电源驱动控制电路IC902供电的方式。
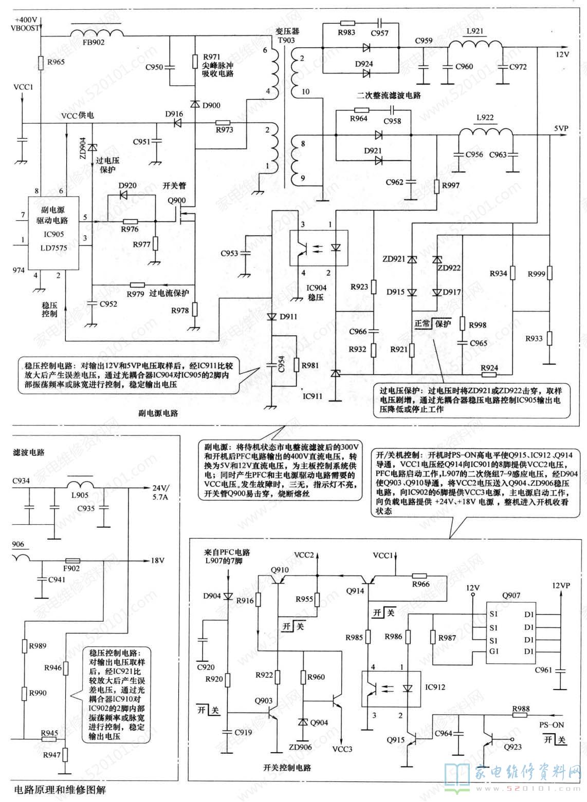
接通市电电源后,市电整流滤波后的300V电压使副电源首先工作,产生vCC1电压和5VP、12V电压,其中5VP电压为控制系统提供电源,二次开机后开关机控制电路Q815、IC912、 Q914 导通,将副电源产生的vCC1电压变为VCC2送到IC901, PFC电路启动工作,一方面将市电整流滤波后的300V电压提升到400V为主、副电源供电;另-方面其储能电感1907二次脉冲电压,经整流滤波后为开关机电路提供Q913正向偏置电压,迫使0910导通,vCC2电压经Q904、ZD906稳压后产生vCC3电压,送到IC902,主电源启动工作,为主板和逆变器电路提供+24V、+18V 电压,进人开机状态。
TCL 715T1852-1/2电源板设有完善的保护电路,具有开关管过电流保护、市电欠电压保护、过电压.保护功能,保护电路启动时,迫使开关电源停止工作。该电源板的集成电路引脚功能见表1 ~表3。
1.指示灯不亮
待机指示灯不亮,故障在副电源电路。先测量熔丝F901是否熔断,如果已经熔断,说明开关电源存在严重短路故障,首先检查市电抗干扰电路电容、整流滤波电路电容、二极管BD901,C906、c907 是否击穿短路,PFC 电路开关管Q901和主电源开关管902、副电源开关管0900是否击穿,如果Q900、Q902击穿,注意检测其相应的尖峰脉冲吸收电路、稳压控制电路是否开路失效,避免二次击穿开关管,检测相应的源极过电流取样电阻是否烧断。如果熔丝F901未断,在IC905的6脚外接+ 13V直流电压,检查+ 12V电源是否启动振荡,测量二次侧有无+12V、+5V 电压输出。如果有+12V、+5V电压输出,则检查IC905的8脚HV启动电阻R965、6脚外部的D916、R973;如果无+12V、+5V电压输出,查IC905 及其外部电路元器件;如果开机的瞬间有+12V、+5V 电压输出,然后变为0V,则是保护电路启动,检查过电压保护电路稳压二极管ZD921、ZD922,过电流保护电路取样电阻R978。
2. 指示灯亮
待机指示灯亮,主电源无+24V和+ 18V电压输出。测量Ic902的6脚有无vCC3供电,如果有vcc3供电,则检查IC902及其外部电路元器件;如果无VCC3供电,则测量PFC控制器IC901 的8脚有无vCC2供电,如果无vCC2供电,查IC912、Q914、Q915、R983等;如果有vCc2供电,测Q910的集电极有无VCC2电压。如果Q910的集电极有vCC2电压,则检查R916、R960、 Q904、 ZD906; 如果Q910的集电极无VCC2电压,查Q910、Q903、 Q904、 C920、 C919、 R920, 测IC901的7脚有无PWM驱动脉冲输出。如果无PWM驱动脉冲输出,查IC901的1脚R919, 2脚C916, 3脚的c915、R903~ R905;如果有PWM驱动脉冲输出,查IC901的7脚外接R909,开关管Q901、FB905和R912。
3. 保护电路启动
如果开机的瞬间有+24V和+ 18V电压输出,然后降到0V,说明+24V、+ 18V电源保护电路启动,重点检查IC931、Q921, +24V 和+ 18V过电压保护电路中的ZD903、ZD905 、SCR901和0923。
TCL 715T1852-1电源板电路原理和维修图解如图3所示。

