一台TCL L40F1510B液晶电视(RT49机芯),故障现象是按遥控器“开/待机”键后,待机指示灯闪烁,约1min 后待机指示灯常亮,但不开机。经查,在待机指示灯闪烁期间,主板上的插座P100 10脚已输出正常的开机高电平,P100⑦脚的3.3VSB待机电压及U500(RTD2649)时钟振荡端21、22脚波形均正常,且U500 164脚复位电平也正常。接下来测量Flash存储器U502( M24C32MN )的供电及⑤、⑥脚I2C总线端子电压均无异常,更换存有原始数据的存储器后试机,故障依旧,难道主控芯片有问题?
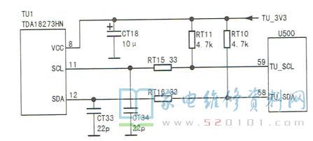
从待机指示灯闪烁期间U500能输出正常开机高电平这一现象来看,U500损坏的可能性不大。考虑到系统在启动过程中,要通过总线检测部分硬件,如果检测异常,MCU会终止启动程序的运行,从而出现二次不开机故障,于是对I2C总线电压进行检查,结果发现数据线的电压为0V(正常值约3.3V)。断开高频头(TU1)数据线①脚,检测数据线电压仍然为0V。检查U5008脚外围元件,如图1所示,发现上拉电阻RT10已开路。换新RT10后试机,故障排除。
  
 
			版权声明:本文为转载文章,版权归原作者所有,欢迎分享本文,转载请保留出处!
			
		
		
		
		
		
		
	