TCL L40F1590B液晶电视出现开机画面后死机的维修

2022-05-13 19:34:43  阅读 930 次 评论 0 条
摘要:

接修一台TCL L40F1590B液晶电视(RT49机芯),故障现象是出现开机画面后就死机。在故障出现时,测得电源板输出的24V与3.3VSB电压均正常。检查Flsh存储器U501 (TC58NVGOS3

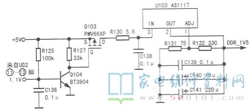
      接修一台TCL L40F1590B液晶电视(RT49机芯),故障现象是出现开机画面后就死机。在故障出现时,测得电源板输出的24V与3.3VSB电压均正常。检查Flsh存储器U501 (TC58NVGOS3ET)和DDR存储器U601、U602 ( 均为NT5CB128M16HP)的供电,发现U501的供电端12、37脚3.3V供电正常,但U601、U602的1.5V供电不足0.9V。该1.5V供电电路如图所示。

TCL L40F1590B液晶电视出现开机画面后死机的维修 第1张

      上电测得U103(AS1117)的输入端③脚电压不足2V(正常值为5V),但Q103的漏极(D)5V电压却正常,由此判断限流保护电阻R130异常。经查,R130一脚虚焊。补焊后试机,故障排除。

版权声明:本文为转载文章,版权归原作者所有,欢迎分享本文,转载请保留出处!