TCL L42E5000E液晶电视黑屏的故障维修

2022-04-29 22:09:14  阅读 840 次 评论 0 条
摘要:

接修一台TCL L42E5000E液晶电视(MS28L机芯),故障表现为黑屏。上电试机,LED背光未亮。检查背光控制块U601(MP3391 )②脚+24V供电正常,但开关脉冲输出端25脚仅开机瞬间有输出

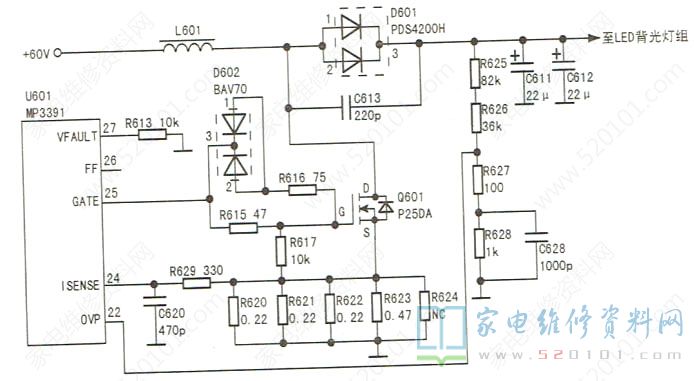
      接修一台TCL L42E5000E液晶电视(MS28L机芯),故障表现为黑屏。上电试机,LED背光未亮。检查背光控制块U601(MP3391 )②脚+24V供电正常,但开关脉冲输出端25脚仅开机瞬间有输出脉冲,判断驱动电路有问题,导致U601内部保护电路起控。U601具有过压、过流保护功能,其取样信号分别从U601 22脚、24脚输入,如图所示。

TCL L42E5000E液晶电视黑屏的故障维修 第1张

     监测U601 22脚、24脚电压,发现开机后U601 24脚电压达0.15V(过流保护阈值为0.1V),22脚电压低于0.08V(正常值为1V~1.24V)显然始赔系过流保护动作所致。为了确定故障部位在LED背光灯组,还是驱动电路中,外接假负载试机,上述电压无变化,说明驱动电路有故障。经查,滤波电容C611(22uF/200V)严重漏电,将其换新后故障排除。

版权声明:本文为转载文章,版权归原作者所有,欢迎分享本文,转载请保留出处!