TCL L48E5020-3D液晶电视灰屏的故障维修

2022-04-29 22:14:35  阅读 1004 次 评论 0 条
摘要:

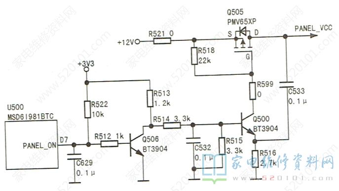
接修一台TCL L48E5020-3D液晶电视(MS28L机芯),故障表现为灰屏。上电试机,背光亮,说明逻辑板可能未工作。查上屏电压(+12V )只有+5V,说明判断正常。本机上屏电压控制电路由Q506、Q

     接修一台TCL L48E5020-3D液晶电视(MS28L机芯),故障表现为灰屏。上电试机,背光亮,说明逻辑板可能未工作。查上屏电压(+12V )只有+5V,说明判断正常。本机上屏电压控制电路由Q506、Q500、Q505等构成,如图所示。开机后U500的D7端(PANEL_ ON )输出低电平,Q506截止->Q500导通->Q505导通,S极输出+12V电压。手摸Q505感觉烫手,测量Q505的D、S极电流不足200mA,说明后级负载并无过流现象,判断Q505有问题。更换Q505后试机,故障排除。

TCL L48E5020-3D液晶电视灰屏的故障维修 第1张

版权声明:本文为转载文章,版权归原作者所有,欢迎分享本文,转载请保留出处!